減小隔離式同步柵極驅動器的尺寸並降低複雜性
發布時間:2017-06-13 來源:Brian Kenne 責任編輯:wenwei
【導讀】帶同步整流功能的隔離式DC-DC轉換器的傳統設計方法是使用光耦合器或脈衝變壓器進行隔離,並將其與一個柵極驅動器IC結(jie)合(he)在(zai)一(yi)起(qi)。本(ben)文(wen)將(jiang)說(shuo)明(ming)光(guang)耦(ou)合(he)器(qi)和(he)脈(mai)衝(chong)變(bian)壓(ya)器(qi)的(de)局(ju)限(xian)性(xing),並(bing)提(ti)出(chu)一(yi)種(zhong)集(ji)成(cheng)度(du)更(geng)高(gao)的(de)方(fang)法(fa),其(qi)性(xing)能(neng)更(geng)高(gao),解(jie)決(jue)方(fang)案(an)尺(chi)寸(cun)和(he)成(cheng)本(ben)則(ze)低(di)得(de)多(duo)。
脈衝變壓器
使用脈衝變壓器可以耦合低電平信號、提供隔離並驅動功率開關,這種方法雖然具有一定優勢,但也存在一些局限性。在柵極驅動應用中,脈衝變壓器的一個優勢是可以將3 V或5 V邏輯電平提升到15 V或更高的電壓,以便驅動MOSFET的柵極。遺憾的是,為了驅動高電流同步整流器電路,可能需要一個單獨的高電流柵極驅動器IC。還有一點需要考慮:脈衝變壓器不能很好地處理占空比超過50%dexinhao,zheshitazaizhajiqudongqiyingyongzhongdeyigezhuyaoquedian。yuanyinzaiyubianyaqizhinengtigongjiaoliuxinhao,yinweitiexincitongliangbixumeibangezhouqifuweiyiciyiweichifumiaopingheng。
脈衝變壓器的另一個缺點是效率損失。使用脈衝變壓器驅動MOSFET的柵極時,變壓器必須先用正電平驅動,然後用負電平驅動,以便維持伏秒平衡。用於驅動到負電平的能量不用於驅動MOSFET的de柵zha極ji,僅jin正zheng電dian平ping對dui柵zha極ji充chong電dian。在zai變bian壓ya器qi由you正zheng直zhi流liu電dian壓ya驅qu動dong的de典dian型xing應ying用yong中zhong,一yi個ge隔ge直zhi電dian容rong連lian接jie到dao變bian壓ya器qi輸shu入ru端duan,並bing且qie變bian壓ya器qi由you一yi個ge值zhi為wei所suo施shi加jia電dian壓ya½的正電壓驅動。這意味著,負電壓也是所施加電壓的½,因此脈衝變壓器的效率降低至50%。若將一個柵極驅動器添加到變壓器輸出端,則變壓器和柵極驅動器的整體效率不再是50%,但脈衝變壓器本身仍然存在至少50%的效率損失。
綜上所述,脈衝變壓器在柵極驅動器應用中具有如下缺點:占空比限製、效率低下、解決方案尺寸較大,因而不適合高功率、高密度同步整流應用。

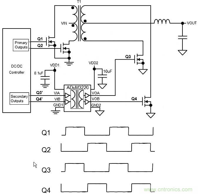
圖1. 脈衝變壓器、光耦合器和ADuM3220柵極驅動器解決方案
光耦合器
與(yu)脈(mai)衝(chong)變(bian)壓(ya)器(qi)相(xiang)比(bi),使(shi)用(yong)光(guang)耦(ou)合(he)器(qi)作(zuo)為(wei)柵(zha)極(ji)驅(qu)動(dong)器(qi)來(lai)執(zhi)行(xing)同(tong)步(bu)整(zheng)流(liu)具(ju)有(you)一(yi)些(xie)優(you)勢(shi),但(dan)光(guang)耦(ou)合(he)器(qi)本(ben)身(shen)也(ye)存(cun)在(zai)一(yi)些(xie)挑(tiao)戰(zhan)。光(guang)耦(ou)合(he)器(qi)不(bu)需(xu)要(yao)像(xiang)脈(mai)衝(chong)變(bian)壓(ya)器(qi)那(na)樣(yang)維(wei)持(chi)伏(fu)秒(miao)平(ping)衡(heng),因(yin)而(er)不(bu)存(cun)在(zai)脈(mai)衝(chong)變(bian)壓(ya)器(qi)所(suo)具(ju)有(you)的(de)占(zhan)空(kong)比(bi)限(xian)製(zhi)。但(dan)是(shi),光(guang)耦(ou)合(he)器(qi)的(de)響(xiang)應(ying)速(su)度(du)受(shou)到(dao)原(yuan)邊(bian)發(fa)光(guang)二(er)極(ji)管(guan)(LED)電容(典型值為60 pF)的限製,而且將二極管驅動至高達1 MHz的速度也會受到其傳播延遲(最大值為100 ns)以及較慢的上升和下降時間(最大值為30 ns)的限製。
光(guang)耦(ou)合(he)器(qi)用(yong)於(yu)同(tong)步(bu)整(zheng)流(liu)器(qi)應(ying)用(yong)的(de)一(yi)個(ge)主(zhu)要(yao)問(wen)題(ti)是(shi)通(tong)道(dao)間(jian)的(de)時(shi)序(xu)偏(pian)差(cha)。光(guang)耦(ou)合(he)器(qi)是(shi)作(zuo)為(wei)分(fen)立(li)器(qi)件(jian)采(cai)用(yong)塑(su)料(liao)封(feng)裝(zhuang)構(gou)建(jian)的(de),通(tong)道(dao)間(jian)的(de)差(cha)異(yi)無(wu)法(fa)像(xiang)在(zai)集(ji)成(cheng)半(ban)導(dao)體(ti)工(gong)藝(yi)中(zhong)那(na)樣(yang)進(jin)行(xing)控(kong)製(zhi),因(yin)而(er)通(tong)道(dao)間(jian)匹(pi)配(pei)可(ke)能(neng)很(hen)大(da)(最大值為40 ns)。在(zai)同(tong)步(bu)整(zheng)流(liu)電(dian)路(lu)中(zhong),通(tong)道(dao)間(jian)的(de)時(shi)序(xu)需(xu)要(yao)精(jing)確(que)控(kong)製(zhi),以(yi)便(bian)減(jian)少(shao)一(yi)個(ge)通(tong)道(dao)關(guan)閉(bi)與(yu)另(ling)一(yi)個(ge)通(tong)道(dao)開(kai)啟(qi)之(zhi)間(jian)的(de)死(si)區(qu)時(shi)間(jian),否(fou)則(ze)開(kai)關(guan)損(sun)耗(hao)會(hui)提(ti)高(gao),效(xiao)率(lv)會(hui)受(shou)到(dao)影(ying)響(xiang)。
由於電流傳輸比(CTR)的特性,使用光耦合器進行設計可能很困難;CTR定義輸出晶體管的電流量與驅動LED所需的電流量之比。影響CTR的因素包括溫度和老化,因此設計工程師需要估計CTR在光耦合器壽命和溫度範圍內的變化。為使CTR不隨工作條件而變化,驅動LED所需的電流可能超過10 mA,這對於高效率設計而言功耗太大。
此外,對於高功率同步整流器電源,需要電阻來偏置LED和光電晶體管,需要柵極驅動器IC來提供光耦合器無法提供的高峰值電流。對於先進的緊湊型電源,光耦合器解決方案的尺寸顯得過大。
ADUM3220 4 A柵極驅動器
ADuM3220旨在用作隔離係統中的4A柵極驅動器,以實現同步DC-DC轉換。傳統解決方案使用2個隔離器和1個雙通道柵極驅動器。如圖1所示,一個雙通道柵極驅動器IC可ke以yi與yu兩liang個ge脈mai衝chong變bian壓ya器qi或huo兩liang個ge光guang耦ou合he器qi通tong道dao相xiang配pei合he,由you此ci構gou成cheng的de解jie決jue方fang案an尺chi寸cun相xiang當dang大da。如ru果guo電dian源yuan應ying用yong要yao求qiu在zai較jiao小xiao的de麵mian積ji上shang提ti供gong大da量liang功gong率lv,則ze圖tu1所示的ADuM3220就是一種不錯的解決方案,不僅麵積縮小50%以上,而且集成度更高,成本更低。
同步整流采用N溝道MOSFET,而不是二極管,目的是降低傳導損耗,並提高需提供數安培電流的電源效率。實施同步DC-DC轉換器架構要求副MOSFET開關與主MOSFET開關保持開關同步。圖2顯示ADuM3220用於一個提供未調節輸出電壓的隔離式同步DC-DC轉換器的應用電路。
DC-DC控製器向主開關和副開關發送PWM驅動信號。主開關Q1和Q2在推挽動作中以先開後合時序接通,驅動變壓器T1的2個原線圈,如圖2的時序波形所示。T1的副線圈需要與主線圈同步開關,即Q1接通時Q3接通,Q2接通時Q4接通。請注意,如果顯示Q3和Q4 PWM波形的話,其時序應提前一個等於ADuM3220已知傳播延遲的時間量,使得Q3和Q4在應該出現的時間出現。ADuM3220的典型傳播延遲僅為45 ns,qizhongbaokuoshuzigeliqiyanchihezhajiqudongqiyanchi。zhajiqudongqiyugeliqijichenghou,chuanboyanchiguigegengjingque,zheshixiangduiyufenlimaichongbianyaqiheguangouheqijiejuefangandeyigeyoushi。
在高頻下執行PWM開關時,PWM控製信號需要非常嚴格的控製。例如,當PWM頻率為ADuM3220的最大開關頻率1 MHz且占空比為50%時,脈衝寬度為500 ns。如此小的脈衝寬度要求ADuM3220的通道間匹配非常出色,否則難以實現精確開關。ADuM3220的典型通道間匹配為1 ns,整個溫度範圍內的最大值為5 ns。通道間的精密匹配特性有助於防止交叉導通,以免損壞MOSFET,並使死區時間最短,從而降低開關損耗,提高效率。
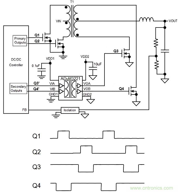
接下來我們考慮利用隔離反饋嚴格控製輸出電壓的應用,占空比不再是固定值50%,而是不斷變化以控製輸出電壓。這種應用中,在主開關均斷開期間,可能希望允許Q3和Q4開關同時接通,以防止Q3和Q4的主體二極管導通,導致效率下降。圖3所示應用電路使用4 A柵極驅動器ADuM3221,它與ADuM3220非常相似,但不具有非重疊控製邏輯,因而允許Q3和Q4同時接通。與ADuM3220不同,圖3所示提供調節輸出的ADuM3221柵極驅動器的時序圖允許開關Q3和Q4在Q1和Q2均斷開時接通。
總而言之,對於隔離式同步DC-DC應用,已經證明:與脈衝變壓器和光耦合器解決方案相比,ADuM3220/ADuM3221能使解決方案尺寸縮小50%以上,通過集成降低設計複雜度,並且時序性能大為改善。

圖2. ADuM3220應用原理圖和時序波形

圖3. 提供穩壓輸出的ADuM3221應用原理圖和時序波形
本文提到的產品。

推薦閱讀:
特別推薦
- 噪聲中提取真值!瑞盟科技推出MSA2240電流檢測芯片賦能多元高端測量場景
- 10MHz高頻運行!氮矽科技發布集成驅動GaN芯片,助力電源能效再攀新高
- 失真度僅0.002%!力芯微推出超低內阻、超低失真4PST模擬開關
- 一“芯”雙電!聖邦微電子發布雙輸出電源芯片,簡化AFE與音頻設計
- 一機適配萬端:金升陽推出1200W可編程電源,賦能高端裝備製造
技術文章更多>>
- 三星上演罕見對峙:工會集會討薪,股東隔街抗議
- 摩爾線程實現DeepSeek-V4“Day-0”支持,國產GPU適配再提速
- 築牢安全防線:智能駕駛邁向規模化應用的關鍵挑戰與破局之道
- GPT-Image 2:99%文字準確率,AI生圖告別“鬼畫符”
- 機器人馬拉鬆的勝負手:藏在主板角落裏的“時鍾戰爭”
技術白皮書下載更多>>
- 車規與基於V2X的車輛協同主動避撞技術展望
- 數字隔離助力新能源汽車安全隔離的新挑戰
- 汽車模塊拋負載的解決方案
- 車用連接器的安全創新應用
- Melexis Actuators Business Unit
- Position / Current Sensors - Triaxis Hall
熱門搜索
鑒頻器
江蘇商絡
交流電機
腳踏開關
接觸器接線
接近開關
接口IC
介質電容
介質諧振器
金屬膜電阻
晶體濾波器
晶體諧振器
晶體振蕩器
晶閘管
精密電阻
精密工具
景佑能源
聚合物電容
君耀電子
開發工具
開關
開關電源
開關電源電路
開關二極管
開關三極管
科通
可變電容
可調電感
可控矽
空心線圈

