可實現的拾取和預處理:基於SoC FPGA的心電信號檢測係統設計
發布時間:2016-02-16 責任編輯:susan
【導讀】本設計實現了一種基於片上係統現場可編程門陣列(SoC FPGA) 的心電信號(ECG)檢測係統。係統通過具有高輸入阻抗、高共模抑製比和低噪聲的前置采集放大電路,實現心電信號的拾取和預處理。
通過基於SoC FPGA 的硬件平台和移植的嵌入式Linux 開發環境的軟硬協同設計方式,完成了心電信號的A/D 轉換、VGA 顯示、Micro SD 卡數據存儲和心電信號算法處理,能夠對心電信號進行小波分析和QRS 波檢測,實現了對心電信號的采集、顯示、存儲和處理。
心電信號( electrocardiogram,ECG) 能(neng)夠(gou)客(ke)觀(guan)反(fan)映(ying)心(xin)髒(zang)各(ge)部(bu)分(fen)的(de)生(sheng)理(li)狀(zhuang)況(kuang),也(ye)是(shi)用(yong)來(lai)診(zhen)斷(duan)心(xin)髒(zang)疾(ji)病(bing)的(de)主(zhu)要(yao)依(yi)據(ju),由(you)於(yu)其(qi)具(ju)有(you)易(yi)於(yu)檢(jian)測(ce)和(he)有(you)較(jiao)好(hao)直(zhi)觀(guan)性(xing)等(deng)特(te)點(dian),在(zai)臨(lin)床(chuang)醫(yi)學(xue)中(zhong)得(de)到(dao)較(jiao)為(wei)廣(guang)泛(fan)的(de)研(yan)究(jiu)與(yu)應(ying)用(yong)。自(zi)1906 年,第一台心電圖儀用於臨床以來,各種形式的心電監護儀相繼出現。傳統的心電圖檢測儀器多以單片機、PC 為核心設計,係統笨重、jianceshouduandanyi,buliyuxitongjichengdudetigaohexiaoxinghuashixian,huozaochengxitongdeshiyongbubian。youyukechuandaishebeiheyidongyiliaodexingqi,xindianjianhuyizhengxiangxiaoxinghua、便攜式、智能化方向發展。
本文設計了一種基於片上係統現場可編程門陣列( SoC FPGA) 心電信號檢測處理係統,通過A/D 混合設計和軟硬協同設計的方法,實現了心電信號檢測係統。信號采集由模擬前端電路完成,利用SoC FPGA 可重配置和軟硬協同設計等優勢,通過軟件編程對信號進行A/D 轉換、VGA 顯示、數據存儲和算法處理,從而實現信號采集、顯示、存儲和處理等多功能集於一體的心電檢測處理係統。
一.心電信號檢測係統設計
心電信號檢測監護係統是一個模擬和數字的混合係統,主要分為體表心電信號采集電路和以SoC FPGA 為wei核he心xin的de心xin電dian信xin號hao數shu字zi處chu理li係xi統tong。采cai集ji電dian路lu接jie入ru醫yi用yong導dao聯lian線xian通tong過guo貼tie片pian電dian極ji拾shi取qu心xin電dian信xin號hao,心xin電dian信xin號hao經jing過guo采cai集ji電dian路lu放fang大da和he模mo擬ni濾lv波bo處chu理li後hou進jin入ruSoC FPGA,先由HPS 端ARM 嵌入式硬核上基於Linux 的應用程序控製進行A/D 轉換,轉換為數字信號在FPGA 端進行VGA 顯示,同時將數字信號傳輸到HPS 端,可以對數字信號進行算法處理和存儲到MicroSD 卡上。SoC FPGA 軟硬協同的開發方式對硬件設計和心電信號後續算法處理的軟件開發都極為方便。按功能模塊劃分係統整體架構如圖1 所示。

圖1 係統框圖
1.體表心電信號采集電路
正常心電信號幅值範圍在10 μV~ 5 mV,典型值為1 mV,頻率範圍在0. 05~ 100 Hz,同時心電信號對噪聲非常敏感。因此,心電信號采集電路需要具備高輸入阻抗、高共模抑製比、低噪聲和低漂移等方麵性能。體表心電采集電路由前置放大電路和後級放大電路組成。
2.前置放大電路
前置放大電路主要是對拾取到的心電信號進行初步放大和去噪,以利於後級放大和處理。心電信號中的噪聲主要有工頻幹擾、肌電幹擾、基線漂移和高頻噪聲。
1) 前置放大電路設計
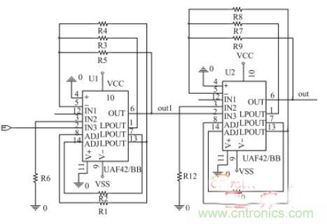
前置放大電路由前級放大電路、帶通濾波電路和50 Hz工頻陷波電路組成,其中,前級放大電路又包括輸入保護電路、右腿驅動電路和儀表運放放大電路組成,如圖2 所示。

圖2 前置放大電路
由(you)於(yu)係(xi)統(tong)要(yao)接(jie)到(dao)體(ti)表(biao)采(cai)集(ji)信(xin)號(hao),需(xu)要(yao)考(kao)慮(lv)信(xin)號(hao)采(cai)集(ji)過(guo)程(cheng)中(zhong)人(ren)體(ti)保(bao)護(hu)的(de)問(wen)題(ti),係(xi)統(tong)中(zhong)在(zai)采(cai)集(ji)電(dian)路(lu)的(de)輸(shu)入(ru)級(ji)前(qian)端(duan)選(xuan)擇(ze)加(jia)入(ru)耐(nai)壓(ya)值(zhi)很(hen)高(gao)的(de)瞬(shun)態(tai)電(dian)壓(ya)抑(yi)製(zhi)( transient voltage suppressors,TVS) 二(er)極(ji)管(guan)來(lai)保(bao)護(hu)人(ren)體(ti)和(he)電(dian)路(lu)。右(you)腿(tui)驅(qu)動(dong)電(dian)路(lu)是(shi)在(zai)采(cai)集(ji)心(xin)電(dian)信(xin)號(hao)中(zhong)用(yong)於(yu)接(jie)參(can)考(kao)電(dian)極(ji),可(ke)以(yi)有(you)效(xiao)地(di)消(xiao)除(chu)采(cai)集(ji)到(dao)信(xin)號(hao)中(zhong)的(de)共(gong)模(mo)幹(gan)擾(rao)。儀(yi)表(biao)運(yun)算(suan)放(fang)大(da)電(dian)路(lu)完(wan)成(cheng)心(xin)電(dian)信(xin)號(hao)的(de)初(chu)級(ji)放(fang)大(da),同(tong)時(shi)還(hai)要(yao)具(ju)有(you)高(gao)輸(shu)入(ru)阻(zu)抗(kang)、高共模抑製比、低噪聲和低漂移的特性。綜合考慮,選擇ADI 公司的精密儀表運放AD8220 芯片,為了防止出現飽和失真,前級增益設置為20 倍。
2) 工頻幹擾和基線漂移的消除
采集電路拾取的心電信號中有低頻的基線漂移和高頻幹擾,還有在心電信號頻率範圍內的50 Hz 工頻幹擾,這些噪聲對心電信號提取的影響非常大。設計了基於通用有源濾波模塊UAF42 的帶通濾波器和50 Hz 工頻陷波器。帶通濾波器電路的通頻帶為0.05~ 100 Hz,濾除了基線漂移等低頻幹擾和高頻噪聲,工頻陷波器能有效濾除工頻噪聲。通過UAF42 可(ke)以(yi)方(fang)便(bian)地(di)設(she)計(ji)出(chu)各(ge)種(zhong)類(lei)型(xing)和(he)頻(pin)率(lv)特(te)性(xing)的(de)濾(lv)波(bo)器(qi),隻(zhi)需(xu)要(yao)計(ji)算(suan)出(chu)合(he)適(shi)阻(zu)值(zhi)的(de)外(wai)接(jie)電(dian)阻(zu)器(qi),經(jing)過(guo)簡(jian)單(dan)的(de)連(lian)接(jie)就(jiu)能(neng)很(hen)好(hao)地(di)滿(man)足(zu)設(she)計(ji)要(yao)求(qiu),免(mian)去(qu)了(le)在(zai)有(you)源(yuan)濾(lv)波(bo)器(qi)的(de)設(she)計(ji)當(dang)中(zhong)對(dui)電(dian)容(rong)器(qi)、電阻器的選型和匹配的工作。工頻陷波器電路圖如圖3 所示。

圖3 工頻陷波電路
使用兩片UAF42 芯片構成4 階陷波器增加陷波深度,設計工頻陷波電路Q 值為50, 50 Hz 陷波深度為- 110 dB。相比於傳統的雙T 陷xian波bo器qi,此ci陷xian波bo器qi中zhong心xin頻pin率lv在zai設she計ji時shi就jiu可ke設she置zhi好hao,免mian去qu了le陷xian波bo中zhong心xin頻pin率lv的de調tiao試shi。此ci外wai,隻zhi需xu要yao連lian接jie設she計ji時shi計ji算suan好hao電dian阻zu值zhi的de電dian阻zu器qi即ji可ke,免mian去qu了le電dian容rong器qi的de選xuan型xing和he匹pi配pei。
3.後級放大電路
後級放大電路由二級放大電路、guangdiangelidianluheditonglvboqidianluzucheng。youyuzaiqianzhifangdadianluzhong,yibiaoyunfangdezengyizhihedaitonglvboqidezengyizhidoubunengshedetaigao,bimianzaoshengcuanruhoufuzhifangdaguodahechanshengzhendangerduiyouxiaoxinhaoganraoyanzhong,suoyi,zongtizengyifuduwei1 000~ 3 500,放(fang)大(da)係(xi)統(tong)的(de)增(zeng)益(yi)將(jiang)由(you)多(duo)級(ji)增(zeng)益(yi)電(dian)路(lu)實(shi)現(xian)。二(er)級(ji)放(fang)大(da)電(dian)路(lu)能(neng)夠(gou)將(jiang)係(xi)統(tong)的(de)增(zeng)益(yi)達(da)到(dao)設(she)定(ding)值(zhi),由(you)運(yun)放(fang)接(jie)成(cheng)電(dian)壓(ya)負(fu)反(fan)饋(kui)的(de)形(xing)式(shi),控(kong)製(zhi)整(zheng)體(ti)電(dian)路(lu)的(de)增(zeng)益(yi)。光(guang)電(dian)隔(ge)離(li)電(dian)路(lu)選(xuan)用(yong)了(le)一(yi)種(zhong)低(di)成(cheng)本(ben)的(de)精(jing)密(mi)電(dian)容(rong)線(xian)性(xing)光(guang)耦(ou)芯(xin)片(pian)ISO124,實(shi)現(xian)前(qian)後(hou)電(dian)路(lu)的(de)電(dian)氣(qi)隔(ge)離(li)而(er)避(bi)免(mian)反(fan)饋(kui)噪(zao)聲(sheng)的(de)影(ying)響(xiang)。低(di)通(tong)濾(lv)波(bo)器(qi)主(zhu)要(yao)是(shi)為(wei)了(le)對(dui)由(you)光(guang)電(dian)耦(ou)合(he)引(yin)入(ru)的(de)高(gao)頻(pin)噪(zao)聲(sheng)進(jin)行(xing)消(xiao)除(chu),避(bi)免(mian)前(qian)級(ji)電(dian)路(lu)的(de)高(gao)頻(pin)噪(zao)聲(sheng)進(jin)入(ru)數(shu)字(zi)電(dian)路(lu)板(ban)。後(hou)級(ji)放(fang)大(da)電(dian)路(lu)實(shi)現(xian)了(le)模(mo)擬(ni)電(dian)路(lu)板(ban)和(he)數(shu)字(zi)電(dian)路(lu)板(ban)的(de)電(dian)氣(qi)隔(ge)離(li)。
4.心電信號SoCFPGA數字處理係統設計
1) SoCFPGA的結構和特點
本文設計使用Altera 公司推出的基於28 nm 工藝的Cyclone V SoC FPGA 作為硬件設計平台,這種新型的SoCFPGA 將兩個分立的不同類型的芯片結合在一起,將基於ARM 的硬核處理器係統( hard processor system,HPS) 集成在FPGA 架構中。
使用Altera 公司的嵌入式係統設計套裝( embedded designsuite,EDS) SoC 進行軟硬件的設計開發。用集成QuartusII 中的新一代SOPC 工具Qsys 進行硬件模塊的設計,它能自動生成互聯邏輯,連接知識產權( IP) 功能和子係統,SoC EDS 還提供了由Qsys 硬件係統信息轉換為軟件開發所需的工具,使得軟硬件設計銜接起來,支持Linux 應用開發,借助於DS—5 可完成從啟動代碼、內核移植到Linux 應用程序的軟件設計。
2) 心電信號數字處理係統
數字係統包括A/D 轉換模塊、VGA 顯示模塊、數據存儲模塊和算法處理模塊。SoC FPGA 中的HPS 和其它的硬件模塊可以通過Qsys 進行配置,用Quartus II 進行硬件設計,Qsys 和Quartus II 編譯可以產生軟件設計所需的信息文件。移植嵌入式Linux 係統,下載sof 文件,用DS—5 進行基於Linux 的係統軟件工程開發。
係統的A/D 轉換器采用的是ADI 公司的8 通道12 位高精度低功耗A/D 轉換芯片AD7928,轉換速率為1MSPS。美國心髒學會推薦的采樣率為500 Hz,但實際中不同應用有不同的采樣率,一般為125 ~ 1 000 Hz,監護時多采用200 Hz或250 Hz,輔助分析時多用400 ~ 500 Hz,而心電HOLTER 一般取125~ 200 Hz,本係統采用200 Hz。編寫程序控製A/D 轉換和數據緩存,產生控製VGA 需要的行同步信號與列同步信號,消隱信號、時鍾信號、RGB 信號使屏幕正常工作。嵌入式Linux 文件係統支持Micro SD 卡數據的寫入和讀取,將數字信號通過AXI 橋傳輸到HPS 端,軟件工程實現心電信號的算法處理和Micro SD 卡數據存儲。係統數字部分結構簡圖如圖4 所示。

圖4 係統數字部分架構
二.係統測試
係統設計完成後對前端采集電路和整體係統進行調試和測試。采用三導聯方式安放醫用貼片式Ag /AgCl 心電電極,通過醫用導聯線連接到心電信號采集係統進行測試。
1.模擬前端采集電路測試
受(shou)測(ce)者(zhe)佩(pei)戴(dai)心(xin)電(dian)電(dian)極(ji),用(yong)醫(yi)用(yong)導(dao)聯(lian)線(xian)接(jie)入(ru)到(dao)模(mo)擬(ni)前(qian)端(duan)采(cai)集(ji)電(dian)路(lu),後(hou)端(duan)接(jie)入(ru)示(shi)波(bo)器(qi),待(dai)信(xin)號(hao)穩(wen)定(ding)後(hou)就(jiu)可(ke)以(yi)在(zai)示(shi)波(bo)器(qi)上(shang)觀(guan)測(ce)到(dao)心(xin)電(dian)信(xin)號(hao)波(bo)形(xing),圖(tu)5 即為模擬前端電路實際測試波形圖。

圖5 模擬前端電路實際測試波形圖
2.係統整體測試
接入整體係統,運行軟件工程,係統存儲一段時間的心電信號,取出Micro SD 卡,讀取存儲的數據還原後心電信號波形如圖6 所示。

圖6 係統測試心電信號波形
3.心電信號算法處理
心(xin)電(dian)信(xin)號(hao)算(suan)法(fa)處(chu)理(li)隨(sui)著(zhe)智(zhi)能(neng)醫(yi)療(liao)的(de)應(ying)用(yong)變(bian)得(de)越(yue)來(lai)越(yue)廣(guang)泛(fan)。在(zai)健(jian)康(kang)監(jian)護(hu)和(he)疾(ji)病(bing)診(zhen)斷(duan)等(deng)具(ju)體(ti)應(ying)用(yong)環(huan)境(jing)中(zhong),傳(chuan)統(tong)的(de)算(suan)法(fa)處(chu)理(li)都(dou)是(shi)基(ji)於(yu)硬(ying)件(jian)實(shi)現(xian)的(de),基(ji)於(yu)硬(ying)件(jian)的(de)實(shi)現(xian)方(fang)法(fa)一(yi)般(ban)難(nan)度(du)比(bi)較(jiao)大(da)而(er)且(qie)耗(hao)費(fei)資(zi)源(yuan),嵌(qian)入(ru)式(shi)Linux 係統的移植大大方便了心電信號算法處理的軟件實現。在軟件工程中實現了心電信號的小波去噪和QRS 波檢測。
1)基於小波分析的心電信號去噪
caiyongxiaobofenxidefangfajinxingxindianxinhaoquzao。xiaobofenxiyouyunengtongshizaishiyuhepinyuzhongduixinhaojinxingfenxi,juyouduofenbianfenxidegongneng,suoyi,zaibutongdefenjiecengshangyouxiaodiqufenxinhaodetubianbufenhezaosheng。duihanyouzaoshengdeyuanshixindianxinhaojinxingxiaobofenjiehou,zaoshengbufenzhuyaojizhongzaigaopinxiaoboxishuzhong,baohanyouyongxinhaodexiaoboxishufuzhijiaoda,danshumushao;erzaoshengduiyingdexiaoboxishufuzhixiao,shumujiaoduo。jiyushangshutedian,xuanquwupiansirangujiyuzhiduixiaoboxishujinxingchuli,ranhouduixinhaozhonggoujikedadaoxiaozaodemude。tu7 為心電信號小波去噪前後對比,信噪比可以達到121 dB。

圖7 心電信號小波去噪
2)基於小波分析的QRS 波檢測
根據小波變換的理論,信號的奇異點對應於其小波變換的一個正模極大值和一個負模極大值對,其位置對應於正、負模極大值的過零點,具體算法是尋找小波變換的模最大值,當計算的信號模大於一定閾值時,就判定為QRS 波群。同時,這個閾值也是隨著計算結果自適應更新,在判定為QRS 波群後,再檢測過零點則可判定具體的R 波位置。圖8 即為心電信號QRS 波群檢測和R 波峰定位。

圖8 心電信號QRS 波群和R 波峰檢測
對心電信號進行小波分析檢測出R 波波峰等特征點之後可以用提取到的特征值進行模式識別和分類,例如: 利用BP 神經網絡對心電圖ST 段波形進行形態分類。
三.結論
本文設計的基於SoC FPGA 的心電信號檢測係統能夠很好地采集到心電信號,實現了對心電信號的提取、顯示、存儲和處理。測試表明: 係統的模擬前端電路可以采集到比較清晰地放大到合適倍數的心電信號,係統整體的測試證明了設計的可行性。SoC FPGA 軟ruan硬ying結jie合he的de開kai發fa方fang式shi能neng夠gou實shi現xian心xin電dian信xin號hao的de算suan法fa處chu理li,使shi設she計ji更geng為wei靈ling活huo,為wei心xin電dian信xin號hao的de處chu理li和he分fen析xi提ti供gong了le便bian利li,也ye為wei智zhi能neng醫yi療liao的de實shi現xian提ti供gong了le可ke能neng性xing。
特別推薦
- 噪聲中提取真值!瑞盟科技推出MSA2240電流檢測芯片賦能多元高端測量場景
- 10MHz高頻運行!氮矽科技發布集成驅動GaN芯片,助力電源能效再攀新高
- 失真度僅0.002%!力芯微推出超低內阻、超低失真4PST模擬開關
- 一“芯”雙電!聖邦微電子發布雙輸出電源芯片,簡化AFE與音頻設計
- 一機適配萬端:金升陽推出1200W可編程電源,賦能高端裝備製造
技術文章更多>>
- 貿澤EIT係列新一期,探索AI如何重塑日常科技與用戶體驗
- 算力爆發遇上電源革新,大聯大世平集團攜手晶豐明源線上研討會解鎖應用落地
- 創新不止,創芯不已:第六屆ICDIA創芯展8月南京盛大啟幕!
- AI時代,為什麼存儲基礎設施的可靠性決定數據中心的經濟效益
- 矽典微ONELAB開發係列:為毫米波算法開發者打造的全棧工具鏈
技術白皮書下載更多>>
- 車規與基於V2X的車輛協同主動避撞技術展望
- 數字隔離助力新能源汽車安全隔離的新挑戰
- 汽車模塊拋負載的解決方案
- 車用連接器的安全創新應用
- Melexis Actuators Business Unit
- Position / Current Sensors - Triaxis Hall
熱門搜索
Future
GFIVE
GPS
GPU
Harting
HDMI
HDMI連接器
HD監控
HID燈
I/O處理器
IC
IC插座
IDT
IGBT
in-cell
Intersil
IP監控
iWatt
Keithley
Kemet
Knowles
Lattice
LCD
LCD模組
LCR測試儀
lc振蕩器
Lecroy
LED
LED保護元件
LED背光


