利用I2C總線實現模擬信號的數字傳輸就是這麼簡單!
發布時間:2015-02-24 責任編輯:echolady
【導讀】I2C是同步串行數據通信總線,其工作原理是由主器件發起通信,從器件以尋址的機製進行控製。I2C總線連接開漏形式的信號線即可連接節點。限製傳輸速率和節點距離的關鍵在於電容。要想實現模擬信號的數字傳輸,必須通過長距離I2C總線實現。
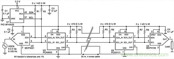
PCA9605是一種單片CMOS集成電路,可在包括I2C總線的應用中實現總線緩衝功能。該緩衝器可以通過緩衝驅動SCL和SDA線(xian)來(lai)擴(kuo)展(zhan)總(zong)線(xian)負(fu)載(zai),緩(huan)衝(chong)器(qi)兩(liang)側(ce)可(ke)達(da)到(dao)最(zui)大(da)允(yun)許(xu)的(de)總(zong)線(xian)電(dian)容(rong)。在(zai)其(qi)最(zui)基(ji)本(ben)的(de)實(shi)現(xian)中(zhong),該(gai)緩(huan)衝(chong)器(qi)允(yun)許(xu)擴(kuo)展(zhan)數(shu)量(liang)的(de)從(cong)器(qi)件(jian)連(lian)接(jie)到(dao)一(yi)個(ge)主(zhu)器(qi)件(jian)。在(zai)本(ben)例(li)設(she)計(ji)中(zhong),主(zhu)器(qi)件(jian)是(shi)PIC的微控製器,從器件是兩個數據轉換器,其中一個是模數轉換器,另一個是數模轉換器。PCA9605的方向引腳(DIR)固定接地,因為時鍾由主器件提供(單向時鍾模式)。圖1給出了總的原理圖。
U2 ADC捕獲來自信號發生器的模擬信號並轉換成數字信號,然後發送給緩衝器U3,由U3驅動後上電纜傳輸,並經U4中繼後繼續傳輸。SDA數據線需要雙向驅動,從U3到U4以及U4到U3。最終由U5 ADC產(chan)生(sheng)數(shu)字(zi)化(hua)後(hou)的(de)信(xin)號(hao)。如(ru)果(guo)需(xu)要(yao)經(jing)過(guo)更(geng)長(chang)距(ju)離(li)的(de)電(dian)纜(lan)傳(chuan)輸(shu),可(ke)以(yi)在(zai)電(dian)路(lu)中(zhong)間(jian)插(cha)入(ru)另(ling)一(yi)個(ge)緩(huan)衝(chong)器(qi)進(jin)行(xing)擴(kuo)展(zhan)。這(zhe)種(zhong)方(fang)法(fa)可(ke)以(yi)覆(fu)蓋(gai)長(chang)達(da)數(shu)百(bai)米(mi)的(de)有(you)線(xian)傳(chuan)輸(shu)距(ju)離(li)。

圖1:用擴展I2C總線連接兩個節點的電路原理圖。
圖2顯示了通過電纜總線以125kHz速率傳輸DAC地址(0xC0)。通道1連接的是總線側SDA線(U4的引腳6),該信號通過緩衝器驅動後可消除毛刺和來自時鍾線的容性幹擾以及由於使用上拉電阻的開路集成極和走線電容引起的RC效應。通道2顯示的是經過緩衝器驅動後的SDA數據信號(U4的引腳7),通道4(U4的引腳2)是經過驅動後的時鍾SCL。電纜上的時鍾信號(U4的引腳3)示於通道3,通道4是經過緩衝器驅動後的信號(U4的引腳2)。
如果係統測試時給ADC U2發送一個電壓幅度為滿輸入刻度的單極性模擬信號,在DAC U5的輸出負載上就可以得到圖3所示的波形。本設計充分利用了ADC和DAC電路的特性,允許它們處理軌到軌信號。這種低頻信號可以通過在DAC輸出端增加一個低通濾波器加以改進,因為低通濾波器可以降低采樣和重構噪聲。

圖2:緩衝器前後的從節點信號。

圖3:通過I2C發送的滿刻度輸入正弦信號。
特別推薦
- 噪聲中提取真值!瑞盟科技推出MSA2240電流檢測芯片賦能多元高端測量場景
- 10MHz高頻運行!氮矽科技發布集成驅動GaN芯片,助力電源能效再攀新高
- 失真度僅0.002%!力芯微推出超低內阻、超低失真4PST模擬開關
- 一“芯”雙電!聖邦微電子發布雙輸出電源芯片,簡化AFE與音頻設計
- 一機適配萬端:金升陽推出1200W可編程電源,賦能高端裝備製造
技術文章更多>>
- 貿澤EIT係列新一期,探索AI如何重塑日常科技與用戶體驗
- 算力爆發遇上電源革新,大聯大世平集團攜手晶豐明源線上研討會解鎖應用落地
- 創新不止,創芯不已:第六屆ICDIA創芯展8月南京盛大啟幕!
- AI時代,為什麼存儲基礎設施的可靠性決定數據中心的經濟效益
- 矽典微ONELAB開發係列:為毫米波算法開發者打造的全棧工具鏈
技術白皮書下載更多>>
- 車規與基於V2X的車輛協同主動避撞技術展望
- 數字隔離助力新能源汽車安全隔離的新挑戰
- 汽車模塊拋負載的解決方案
- 車用連接器的安全創新應用
- Melexis Actuators Business Unit
- Position / Current Sensors - Triaxis Hall
熱門搜索
Future
GFIVE
GPS
GPU
Harting
HDMI
HDMI連接器
HD監控
HID燈
I/O處理器
IC
IC插座
IDT
IGBT
in-cell
Intersil
IP監控
iWatt
Keithley
Kemet
Knowles
Lattice
LCD
LCD模組
LCR測試儀
lc振蕩器
Lecroy
LED
LED保護元件
LED背光


