采用額外的肖特基二極管減少幹擾
發布時間:2020-11-10 來源:Frederik Dostal 責任編輯:wenwei
【導讀】在負載點(POL)降壓轉換器領域,同步變化的高邊和低邊有源開關已被廣泛使用。圖1顯(xian)示(shi)了(le)具(ju)有(you)理(li)想(xiang)開(kai)關(guan)的(de)此(ci)類(lei)電(dian)路(lu)。與(yu)使(shi)用(yong)無(wu)源(yuan)肖(xiao)特(te)基(ji)二(er)極(ji)管(guan)作(zuo)為(wei)低(di)邊(bian)開(kai)關(guan)的(de)架(jia)構(gou)相(xiang)比(bi),此(ci)類(lei)開(kai)關(guan)穩(wen)壓(ya)器(qi)具(ju)有(you)多(duo)項(xiang)優(you)勢(shi)。主(zhu)要(yao)優(you)勢(shi)是(shi)電(dian)壓(ya)轉(zhuan)換(huan)效(xiao)率(lv)更(geng)高(gao),因(yin)為(wei)與(yu)采(cai)用(yong)無(wu)源(yuan)二(er)極(ji)管(guan)的(de)情(qing)況(kuang)相(xiang)比(bi),低(di)端(duan)開(kai)關(guan)承(cheng)載(zai)電(dian)流(liu)時(shi)的(de)壓(ya)降(jiang)更(geng)低(di)。
但是,與異步開關穩壓器相比,同步降壓轉換器會產生更大的幹擾。如果圖1zhongdelianggelixiangkaiguantongshidaotong,jishishijianhenduan,yehuifashengcongshurudianyadaodideduanlu。zhehuisunhuaikaiguan。bixuquebaolianggekaiguanyongyuanbuhuitongshidaotong。yinci,chuyuanquankaolv,xuyaozaiyidingshijianneibaochilianggekaiguandouduankai。zhegeshijianchengweikaiguanwenyaqidesiqushijian。danshi,congkaiguanjiediandaoshuchudianyalianjieleyigezailiudiangan(L1)。通(tong)過(guo)電(dian)感(gan)的(de)電(dian)流(liu)永(yong)遠(yuan)不(bu)會(hui)發(fa)生(sheng)瞬(shun)間(jian)變(bian)化(hua)。電(dian)流(liu)會(hui)連(lian)續(xu)增(zeng)加(jia)和(he)減(jian)少(shao),但(dan)它(ta)永(yong)遠(yuan)不(bu)會(hui)跳(tiao)變(bian)。因(yin)此(ci),在(zai)死(si)區(qu)時(shi)間(jian)內(nei)會(hui)產(chan)生(sheng)問(wen)題(ti)。所(suo)有(you)電(dian)流(liu)路(lu)徑(jing)在(zai)開(kai)關(guan)節(jie)點(dian)側(ce)中(zhong)斷(duan)。采(cai)用(yong)圖(tu)1suoshidelixiangkaiguan,zaisiqushijianneihuizaikaiguanjiedianchuchanshengfuwuqiongdadedianya。zaishijikaiguanzhong,dianyafuzhijiangbiandeyuelaiyueda,zhidaolianggekaiguanzhongdeyigebeijichuanbingyunxudianliutongguo。

圖1.用於降壓轉換、采用理想開關的同步開關穩壓器。
大多數開關穩壓器使用N溝道MOSFET作為有源開關。這些開關針對上述情況具有非常有優勢的特性。除了具有本身的開關功能外,MOSFET還具有所謂的體二極管。半導體的源極和漏極之間存在一個P-N結。在圖2中,插入了具有相應P-N結的MOSFET。由此,即使在死區時間內,開關節點的電壓也不會下降到負無窮大,而是通過低端MOSFET中的P-N結(如紅色所示)承載電流,直到死區時間結束並且低端MOSFET導通為止。

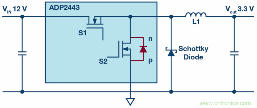
圖2.用於降壓轉換的同步開關穩壓器,采用N溝道MOSFET和額外的肖特基二極管,可最大限度地減少幹擾。
相應MOSFET中的體二極管有一個主要缺點。由於反向恢複現象,其開關速度非常低。在反向恢複時間內,電感(L1)導(dao)致(zhi)開(kai)關(guan)節(jie)點(dian)處(chu)的(de)電(dian)壓(ya)下(xia)降(jiang)到(dao)比(bi)地(di)電(dian)壓(ya)低(di)幾(ji)伏(fu)。開(kai)關(guan)節(jie)點(dian)處(chu)的(de)這(zhe)些(xie)陡(dou)峭(qiao)的(de)負(fu)電(dian)壓(ya)峰(feng)值(zhi)會(hui)導(dao)致(zhi)幹(gan)擾(rao),此(ci)幹(gan)擾(rao)會(hui)被(bei)容(rong)性(xing)耦(ou)合(he)到(dao)其(qi)他(ta)電(dian)路(lu)段(duan)。通(tong)過(guo)插(cha)入(ru)額(e)外(wai)的(de)肖(xiao)特(te)基(ji)二(er)極(ji)管(guan)可(ke)以(yi)最(zui)大(da)限(xian)度(du)地(di)減(jian)少(shao)這(zhe)種(zhong)幹(gan)擾(rao),如(ru)圖(tu)2所示。與低端MOSFET中zhong的de體ti二er極ji管guan不bu同tong,它ta不bu會hui產chan生sheng反fan向xiang恢hui複fu時shi間jian,並bing且qie在zai死si區qu時shi間jian開kai始shi時shi能neng非fei常chang快kuai速su地di吸xi收shou電dian流liu。這zhe可ke減jian緩huan開kai關guan節jie點dian處chu的de電dian壓ya陡dou降jiang。可ke減jian少shao由you於yu耦ou合he效xiao應ying而er產chan生sheng並bing分fen布bu到dao電dian路lu上shang的de幹gan擾rao。
肖特基二極管可以設計得非常緊湊,因為它僅在死區時間內短時間承載電流。因此,其溫升不會過高,可以放置在小尺寸、低成本的產品外殼中。
作者簡介
Frederik Dostal曾就讀於德國埃爾蘭根-紐倫堡大學微電子學專業。他於2001年開始工作,涉足電源管理業務,曾擔任多種應用工程師職位,並在亞利桑那州鳳凰城工作了四年,負責開關模式電源。Frederik於2009年加入ADI公司,擔任歐洲分公司的電源管理技術專家。聯係方式:frederik.dostal@analog.com。
推薦閱讀:
特別推薦
- 噪聲中提取真值!瑞盟科技推出MSA2240電流檢測芯片賦能多元高端測量場景
- 10MHz高頻運行!氮矽科技發布集成驅動GaN芯片,助力電源能效再攀新高
- 失真度僅0.002%!力芯微推出超低內阻、超低失真4PST模擬開關
- 一“芯”雙電!聖邦微電子發布雙輸出電源芯片,簡化AFE與音頻設計
- 一機適配萬端:金升陽推出1200W可編程電源,賦能高端裝備製造
技術文章更多>>
- 貿澤EIT係列新一期,探索AI如何重塑日常科技與用戶體驗
- 算力爆發遇上電源革新,大聯大世平集團攜手晶豐明源線上研討會解鎖應用落地
- 創新不止,創芯不已:第六屆ICDIA創芯展8月南京盛大啟幕!
- AI時代,為什麼存儲基礎設施的可靠性決定數據中心的經濟效益
- 矽典微ONELAB開發係列:為毫米波算法開發者打造的全棧工具鏈
技術白皮書下載更多>>
- 車規與基於V2X的車輛協同主動避撞技術展望
- 數字隔離助力新能源汽車安全隔離的新挑戰
- 汽車模塊拋負載的解決方案
- 車用連接器的安全創新應用
- Melexis Actuators Business Unit
- Position / Current Sensors - Triaxis Hall
熱門搜索




