電磁連續騷擾電壓測試和功率測試
發布時間:2019-01-25 責任編輯:xueqi
【導讀】連續騷擾電壓測量主要測量EUT沿著電源線向電網發射的騷擾電壓,測量頻率為0.15~30MHz。測量一般在屏蔽室內進行。當測量頻率升高到30MHz以上時,人工電源網絡AMN內的電感、電容器分布參數影響加大,使其不能起到良好的隔離和濾波作用,所以應采用功率吸收鉗進行測量。
騷擾的傳導發射測試
傳導發射測試是測量受試設備(EUT)通過電源線或信號線向外發射的騷擾。根據騷擾的性質,傳導騷擾測試可分為連續騷擾電壓測量、騷擾功率測量、斷續騷擾喀嚦聲測量、諧波電流測量、電壓波動和閃爍測量。
1.1.2.1連續騷擾電壓測試
連續騷擾電壓測量主要測量EUT沿著電源線向電網發射的騷擾電壓,測量頻率為0.15~30MHz。測量一般在屏蔽室內進行。測量時需要在電網和EUT之間插入一個人工電源網絡(LISN或AMN),其原理如圖15所示。AMN的作用是隔離電網和EUT,使測到的騷擾電壓

圖15:人工電源網絡基本結構

圖16:50Ω/50μH 的V型AMN

圖17:150Ω的Δ型AMN

圖18:台式設備的傳導騷擾測量布置圖
僅是EUT發射的,不會有電網的騷擾混入。另一作用是為測量提供一個穩定的阻抗,因為電網的阻抗是不確定的,阻抗不一樣EUT的騷擾電壓值也不相同,所以要規定一個統一的阻抗,通常為50Ω。AMN實際上是個雙向低通濾波器,電網中的騷擾由50μH和1.0μF的濾波器濾掉,不能進人騷擾測量儀,而EUT發射的騷擾由於50μH濾波器的阻擋不能進人電網,隻能通過0.1μF電容進入騷擾測量儀。測量儀的輸入阻抗是50Ω,所以EUT騷擾的負載阻抗約等於50Ω。對於50Hz的工頻電源,仍然可以通過AMN向EUT供電。圖15中的AMN僅是一種基本結構,由基本結構可以組成V型AMN,用於測量電源中相線—地線和零線—地線的不對稱騷擾電壓,見圖16。也可組成Δ型AMN,除了測量線-地間的不對稱騷擾電壓外還可以測量相線—零線間的對稱騷擾電壓,見圖17。測量時EUT和AMN的布置、連接線的長度和走向等都應按標準規定的要求進行。AMN外殼要良好接地,否則將影響電網和EUT之間的隔離。圖18為台式設備的傳導騷擾測量布置圖。
1.1.2.2連續騷擾的功率測試
當測量頻率升高到30MHz以上時,人工電源網絡AMN內的電感、電容器分布參數影響加大,使其不能起到良好的隔離和濾波作用;所以應采用功率吸收鉗進行測量。功率吸鉗的結構如圖19(a)所示。

圖19:30—300MHz連續騷擾的功率測試
(a)功率吸收鉗的結構 (b) 測量布置
其中C是電流探頭,包括鐵氧體環和探測線圈,作用是測量電源線上的騷擾共模電流。D是鐵氧體環組,作為騷擾共模電流的穩定負載,吸收騷擾功率,並用於隔離EUT和電網。如果在50MHz以下鐵氧體環組D不能充分起到射頻隔離作用,則應在電網端再加一個輔助吸收鉗F,它也是由鐵氧體環組成。E也是鐵氧體環組,用於吸收外場在電流探頭引出電纜上產生的共模電流,以免影響測量結果。測量布置如圖19(b)所示,測試應在屏蔽室內進行,電源線長度應大於6m,即大於30MHzdebanbochangjiashangxishouqiandechangdu。duiyumeiyigeceshipinlvdian,xishouqiandouyingyanzhedianyuanxianyidong,zhaochuzuidazhi,yinweigongmodianliuzaidaoxianshangshiyizhuboxingshichuxiande。gonglvxishouqianceliangxitongyingshiqianjinxingxiaozhun,dedaoxiuzhengyinzi—頻率曲線。校準布置如圖20所示。

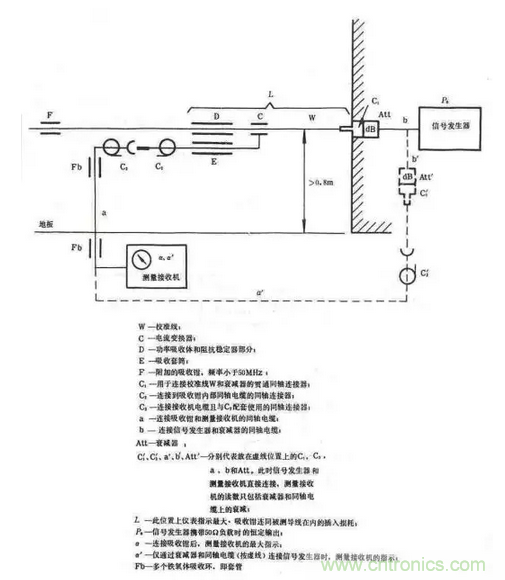
圖20:功率吸收鉗的校準布置
校準時先把校準信號直接輸入測量接收機,記錄讀數a’;然後把校準信號輸入到校準線上,移動功率吸收鉗,找出第一個最大值,記錄讀數a;於是得到插入損耗L= a’-a。因為騷擾功率用dB(pW)表示,測量接收機的讀數是dB(μV),對於50Ω係統,二者差17dB,為了方便起見,廠家直接將17dB從插入損耗中減去,給出修正因子。所以測量時,隻要將測量接收機的讀數加上修正因子就是騷擾功率。
應注意的是功率吸收鉗雖然是加在電源線上進行測試,但是測量的實際上並不非傳導發射,而是輻射發射。EUT的輻射發射有二種類型,一類是EUTneibugezhongdianliuhuanluzhongdechamodianliuchanshengdediancibo,tongguojixiangketidefengxixiangwaidefushe,lingyileishigongmodianliufushe。gongmodianliufushexuyaogongmoyuanhetianxian,youyudianlushejihuobuxianbudang,zaiEUT內部形成等效的共模源;等效共模天線的一部分是外接電纜,另一部分則是往往EUTneibudedihejinshujixiang。dangjixiangchicunjiejinbeicepinlvdesifenzhiyibochangshi,jixiangzuoweidengxiaogongmotianxiandeyibufenfashexiaolvjiangdadatigao,zheshixishouqianfabushihepingjiaEUT全部輻射能力的原因之一。此外如果EUT除電源線外還有其他外接電纜,這些電纜也可能有共模電流輻射。所以用吸收鉗法來評價EUT全部輻射能力的限製條件是:小型EUT、30~300MHz頻率段、dandianlanlianjie。dangranruguoyongxishouqianfalaijinxingzhenduanceshi,shangshuxianzhijiumeiyoubiyao,xishouqianfacedaodeshilianjiebeicedianlandedengxiaogongmoyuandesaoraogonglv,yong50Ω標biao準zhun信xin號hao源yuan的de功gong率lv表biao示shi。由you於yu被bei測ce電dian纜lan相xiang當dang於yu輻fu射she天tian線xian,所suo以yi測ce試shi時shi人ren應ying遠yuan離li測ce試shi裝zhuang置zhi,吸xi收shou鉗qian和he測ce量liang接jie收shou機ji之zhi間jian的de連lian接jie電dian纜lan最zui好hao也ye套tao上shang磁ci環huan。
特別推薦
- 噪聲中提取真值!瑞盟科技推出MSA2240電流檢測芯片賦能多元高端測量場景
- 10MHz高頻運行!氮矽科技發布集成驅動GaN芯片,助力電源能效再攀新高
- 失真度僅0.002%!力芯微推出超低內阻、超低失真4PST模擬開關
- 一“芯”雙電!聖邦微電子發布雙輸出電源芯片,簡化AFE與音頻設計
- 一機適配萬端:金升陽推出1200W可編程電源,賦能高端裝備製造
技術文章更多>>
- 三星上演罕見對峙:工會集會討薪,股東隔街抗議
- 摩爾線程實現DeepSeek-V4“Day-0”支持,國產GPU適配再提速
- 築牢安全防線:智能駕駛邁向規模化應用的關鍵挑戰與破局之道
- GPT-Image 2:99%文字準確率,AI生圖告別“鬼畫符”
- 機器人馬拉鬆的勝負手:藏在主板角落裏的“時鍾戰爭”
技術白皮書下載更多>>
- 車規與基於V2X的車輛協同主動避撞技術展望
- 數字隔離助力新能源汽車安全隔離的新挑戰
- 汽車模塊拋負載的解決方案
- 車用連接器的安全創新應用
- Melexis Actuators Business Unit
- Position / Current Sensors - Triaxis Hall
熱門搜索
鑒頻器
江蘇商絡
交流電機
腳踏開關
接觸器接線
接近開關
接口IC
介質電容
介質諧振器
金屬膜電阻
晶體濾波器
晶體諧振器
晶體振蕩器
晶閘管
精密電阻
精密工具
景佑能源
聚合物電容
君耀電子
開發工具
開關
開關電源
開關電源電路
開關二極管
開關三極管
科通
可變電容
可調電感
可控矽
空心線圈

