探討電磁兼容EMC設計及測試技巧
發布時間:2011-07-29
中心議題:
dangqian,riyiehuadediancihuanjing,shiwomenzhujianguanzhushebeidegongzuohuanjing,riyiguanzhudiancihuanjingduidianzishebeideyingxiang,congshejikaishi,rongrudiancijianrongsheji,shidianzishebeigengkekaodegongzuo。
電磁兼容設計主要包含浪湧(衝擊)抗擾度、振鈴波浪湧抗擾度、電快速瞬變脈衝群抗擾度、電壓暫降、短時中斷和電壓變化抗擾度、工頻電源諧波抗擾度、靜電抗擾度、射頻電磁場輻射抗擾度、工頻磁場抗擾度、脈衝磁場抗擾度、傳導騷擾、輻射騷擾、射頻場感應的傳導抗擾度等相關設計。
電磁幹擾的主要形式
電磁幹擾主要是通過傳導和輻射方式進入係統,影響係統工作,其他的方式還有共阻抗耦合和感應耦合。
傳導:傳導耦合即通過導電媒質將一個電網絡上的騷擾耦合到另一個電網絡上,屬頻率較低的部分(低於30MHz)。在我們的產品中傳導耦合的途徑通常包括電源線、信號線、互連線、接地導體等。
輻射:通過空間將一個電網絡上的騷擾耦合到另一個電網絡上,屬頻率較高的部分(高於30MHz)。輻射的途徑通過空間傳遞,在我們電路中引入和產生的輻射幹擾主要是各種導線形成的天線效應。
共阻抗耦合:當兩個以上不同電路的電流流過公共阻抗時出現的相互幹擾。在電源線和接地導體上傳導的騷擾電流,多以這種方式引入到敏感電路。
感應耦合:通過互感原理,將在一條回路裏傳輸的電信號,感應到另一條回路對其造成幹擾。分為電感應和磁感應兩種。
對這幾種途徑產生的幹擾我們應采用的相應對策:傳導采取濾波(如我們設計中每個IC的片頭電容就是起濾波作用),輻射幹擾采用減少天線效應(如信號貼近地線走)、屏蔽和接地等措施,就能夠大大提高產品的抵抗電磁幹擾的能力,也可以有效的降低對外界的電磁幹擾。
電磁兼容設計
對(dui)於(yu)一(yi)個(ge)新(xin)項(xiang)目(mu)的(de)研(yan)發(fa)設(she)計(ji)過(guo)程(cheng),電(dian)磁(ci)兼(jian)容(rong)設(she)計(ji)需(xu)要(yao)貫(guan)穿(chuan)整(zheng)個(ge)過(guo)程(cheng),在(zai)設(she)計(ji)中(zhong)考(kao)慮(lv)到(dao)電(dian)磁(ci)兼(jian)容(rong)方(fang)麵(mian)的(de)設(she)計(ji),才(cai)不(bu)致(zhi)於(yu)返(fan)工(gong),避(bi)免(mian)重(zhong)複(fu)研(yan)發(fa),可(ke)以(yi)縮(suo)短(duan)整(zheng)個(ge)產(chan)品(pin)的(de)上(shang)市(shi)時(shi)間(jian),提(ti)高(gao)企(qi)業(ye)的(de)效(xiao)益(yi)。
一個項目從研發到投向市場需要經過需求分析、項目立項、項目概要設計、項目詳細設計、樣品試製、功能測試、電磁兼容測試、項目投產、投向市場等幾個階段。
在需求分析階段,要進行產品市場分析、xianchangtiaoyan,wajueduixiangmuyouyongxinxi,zhenghexiangmufazhanqianjing,xiangxizhenglixiangmuchanpingongzuohuanjing,shidikaochaanzhuangweizhi,shifouduianzhuangyousuoxianzhikongjian,gongzuohuanjingshifouteshu,shifouyoufushi、潮濕、gaowendeng,zhouweishebeidegongzuoqingkuang,shifouyoueliedediancihuanjing,shifoushouxianyuqitashebei,chanpindeyanzhichenggongnengfoudadatigaoshengchanxiaolv,huozhenengfougeirenmendeshenghuohuogongzuohuanjingdailaihendadefangbian,caozuoshiyongfangshinengfourongyibeirenmensuojieshou,zhejiuyaoqiuxiangmuchanpinyaomanzuxianchanggongnengxuyao、易於操作等,最後要整理詳細的需求分析報告,以供需求評審。
[page]
經過企業內部相關負責人的評審之後,完善需求分析報告,然後是項目立項,項目立項需要組建項目組,把軟件、硬件、結構、測試等人員安排到項目組中,分配各自的職責。項目開發的下一階段是項目概要設計,將項目分解成多個功能模塊,運用WBSfenjiejiegouduixiangmujinxinggongnengfenjiexihua,genjugongzuolianganpaishijian,anpaijutirenyuan。zhenglixiangmugaiyaoshejibaogao,zongtiduixiangmujinxingpinggu,quedingshiyongdianyuanleixing,dianyuanfenbuqingkuang,dianyuangelilvbofangshi,xitongjiedifangshi,chanpinpingbi,chanpinjiegoucaiyongpingbisheji,caiyongpingbijixiangjike,fenxixinhaoleixing,duileidian、靜電、群脈衝等幹擾采取防護措施。
產chan品pin概gai要yao設she計ji報bao告gao出chu來lai後hou要yao經jing過guo相xiang關guan人ren員yuan評ping審shen,分fen析xi實shi現xian方fang式shi是shi否fou合he理li,實shi施shi方fang案an是shi否fou可ke行xing,由you評ping審shen人ren員yuan給gei出chu評ping審shen報bao告gao,項xiang目mu組zu結jie合he評ping審shen報bao告gao對dui概gai要yao設she計ji進jin行xing修xiu改gai後hou,進jin入ru產chan品pin詳xiang細xi設she計ji階jie段duan,這zhe階jie段duan的de內nei容rong包bao括kuo原yuan理li圖tu設she計ji、PCB設計、PCB采購及焊接、軟件編寫、gongnengtiaoshidengguocheng,yuanlitushejiyingkaolvdaodiancijianrongfangmiandeyingxiang,duibanjidianyuanzengjialvbodianrong,duixinhaodejiekoubufenzengjialvbodianlu,genjuxinhaoleixing,xuanzeheshidelvbodianlu,ruoxinhaoweidipinxinghao,yingxuanzeditonglvbodianlu,jisuanheshidejiezhipinlv,xuanzeduiyingdedianzu、電容等。另對接口部分設計大電流泄放回路,設置防雷器件,做到第三級的防雷。
一、元器件選型
我們常用的電子器件主要包括有源器件和無源器件兩種類型,有源器件主要指IC和模塊電路等器件,無源器件主要是指電阻、電容、電感等元件。下麵分別對這兩種類型元件的選型、在電磁兼容方麵要考慮的問題做一些介紹。
有源器件EMC選型
工作電壓寬的EMC特性好,工作電壓低的EMC特性好,在設計允許的範圍內延時大(通常所說的速度慢)特性好一些,靜態電流小、功耗小的比大的特性好,貼片封裝的器件的EMC性能好於插裝器件。
無源器件選型
無源器件在我們的應用中通常包括電阻、電容、電感等,對於無源器件的選型我們要注意這些元件的頻率特性和分布參數。
無(wu)源(yuan)器(qi)件(jian)在(zai)某(mou)些(xie)頻(pin)率(lv)下(xia),會(hui)表(biao)現(xian)出(chu)不(bu)同(tong)特(te)性(xing),一(yi)些(xie)電(dian)阻(zu)在(zai)高(gao)頻(pin)時(shi)擁(yong)有(you)電(dian)感(gan)的(de)特(te)性(xing),如(ru)線(xian)繞(rao)電(dian)阻(zu),電(dian)解(jie)電(dian)容(rong)的(de)低(di)頻(pin)特(te)性(xing)好(hao),高(gao)頻(pin)特(te)性(xing)差(cha),而(er)薄(bo)膜(mo)電(dian)容(rong)和(he)瓷(ci)片(pian)電(dian)容(rong)高(gao)頻(pin)特(te)性(xing)較(jiao)好(hao),但(dan)通(tong)常(chang)容(rong)量(liang)較(jiao)小(xiao)。考(kao)慮(lv)溫(wen)度(du)對(dui)元(yuan)器(qi)件(jian)的(de)影(ying)響(xiang),根(gen)據(ju)設(she)計(ji)原(yuan)理(li),選(xuan)用(yong)各(ge)種(zhong)溫(wen)度(du)特(te)性(xing)的(de)器(qi)件(jian)。
二、印製板設計
印(yin)製(zhi)板(ban)設(she)計(ji)時(shi),要(yao)考(kao)慮(lv)到(dao)幹(gan)擾(rao)對(dui)係(xi)統(tong)的(de)影(ying)響(xiang),將(jiang)電(dian)路(lu)的(de)模(mo)擬(ni)部(bu)分(fen)和(he)數(shu)字(zi)部(bu)分(fen)的(de)電(dian)路(lu)嚴(yan)格(ge)分(fen)開(kai),對(dui)核(he)心(xin)電(dian)路(lu)重(zhong)點(dian)防(fang)護(hu),將(jiang)係(xi)統(tong)地(di)線(xian)環(huan)繞(rao),並(bing)布(bu)線(xian)盡(jin)可(ke)能(neng)粗(cu),電(dian)源(yuan)增(zeng)加(jia)濾(lv)波(bo)電(dian)路(lu),采(cai)用(yong)DC-DC隔離,信號采用光電隔離,設計隔離電源,分析容易產生幹擾的部分(如時鍾電路、通訊電路等)和容易被幹擾的部分(如模擬采樣電路等),duizheliangzhongleixingdedianlufenbiecaiqucuoshi。duiyuganraoyuanjiancaiquyizhicuoshi,duiminganyuanjiancaiqugelihebaohucuoshi,bingqiejiangtamenzaikongjianhedianqishanglakaijuli。zaibanjishejishi,haiyaozhuyiyuanqijianfangzhiyaoyuanliyinzhibanbianyan,zheduifanghukongqifangdianshiyoulide。
[page]
采樣電路的原理圖設計參見圖1:
圖1:采樣電路設計
電dian路lu的de合he理li布bu局ju可ke以yi降jiang低di幹gan擾rao,提ti高gao電dian磁ci兼jian容rong性xing能neng。按an照zhao電dian路lu的de功gong能neng劃hua分fen若ruo幹gan個ge功gong能neng模mo塊kuai,分fen析xi每mei個ge模mo塊kuai的de幹gan擾rao源yuan與yu敏min感gan信xin號hao,以yi便bian進jin行xing特te殊shu處chu理li。
印製板布線時,需要注意以下幾個方麵:
1、保bao持chi環huan路lu麵mian積ji最zui小xiao,例li如ru電dian源yuan與yu地di之zhi間jian形xing成cheng的de環huan路lu,減jian小xiao環huan路lu麵mian積ji,將jiang減jian小xiao電dian磁ci幹gan擾rao在zai此ci回hui路lu上shang的de感gan應ying電dian流liu,電dian源yuan線xian盡jin可ke能neng靠kao近jin地di線xian,以yi減jian小xiao差cha模mo輻fu射she的de環huan麵mian積ji,降jiang低di幹gan擾rao對dui係xi統tong的de影ying響xiang,提ti高gao係xi統tong的de抗kang幹gan擾rao性xing能neng。並bing聯lian的de導dao線xian緊jin緊jin放fang在zai一yi起qi,使shi用yong一yi條tiao粗cu導dao線xian進jin行xing連lian接jie,信xin號hao線xian緊jin挨ai地di平ping麵mian布bu線xian可ke以yi降jiang低di幹gan擾rao。電dian源yuan與yu地di之zhi間jian增zeng加jia高gao頻pin濾lv波bo電dian容rong。
2、使導線長度盡可能的縮短,減小了印製板的麵積,降低導線上的幹擾。
3、采用完整的地平麵設計,采用多層板設計,鋪設地層,便於幹擾信號泄放。
4、使電子元件遠離可能會發生放電的平麵如機箱麵板、把手、螺釘等,保持機殼與地良好接觸,為幹擾提供良好的泄放通道。對敏感信號包地處理,降低幹擾。
5、盡量采用貼片元器件,貼片器件比直插器件的電磁兼容性能要好得多。
6、模擬地與數字地在PCB與外界連接處進行一點接地。
7、高gao速su邏luo輯ji電dian路lu應ying靠kao近jin連lian接jie器qi邊bian緣yuan,低di速su邏luo輯ji電dian路lu和he存cun儲chu器qi則ze應ying布bu置zhi在zai遠yuan離li連lian接jie器qi處chu,中zhong速su邏luo輯ji電dian路lu則ze布bu置zhi在zai高gao速su邏luo輯ji電dian路lu和he低di速su邏luo輯ji電dian路lu之zhi間jian。
8、電路板上的印製線寬度不要突變,拐角應采用圓弧形,不要直角或尖角。
9、時鍾線、信號線也盡可能靠近地線,並且走線不要過長,以減小回路的環麵積。
三、係統布線設計
印製板設計出來後,進行試製,焊接調試,係統裝機,考慮電磁兼容設計因素,機櫃結構、線纜設計需要注意以下幾個方麵:
1、機櫃選用電磁屏蔽櫃,具有良好的屏蔽性能,很好地對係統進行屏蔽,降低外界電磁幹擾對係統的影響。
2、總電源進線選用屏蔽電源線,並加磁環,屏蔽層在進入機櫃處360度接地。
3、對係統外部信號線選用屏蔽線,屏蔽層機櫃入口處良好接地。
4、設備外殼就近接機櫃,避免交叉。
5、係統設置隔離變壓器和ups,保證係統供應純淨電源。
6、嚴格將電源線和信號線分開,設備外殼的各個麵之間和各個板子麵板之間要良好接觸,接觸電阻要小於0.4歐,越小越好,保證設備外殼良好接大地,這樣在有靜電釋放時,不會影響到係統的正常工作。
四、係統接地設計
接地是最有效的抑製騷擾源的方法,可解決50%的EMC問題。係統基準地與大地相連,可抑製電磁騷擾。外殼金屬件直接接大地,還可以提供靜電電荷的泄漏通路,防止靜電積累。
1、地線的概念
安全接地 包括保護接地和防雷接地。
保護接地 為產品的故障電流進入大地提供一個低阻抗通道;
防雷接地 提供泄放大電流的通路;
參考接地 為產品穩定可靠工作提供參考電平,為電源和信號提供基準電位。
安(an)全(quan)接(jie)地(di)是(shi)為(wei)了(le)當(dang)出(chu)現(xian)一(yi)些(xie)電(dian)氣(qi)異(yi)常(chang)時(shi),為(wei)大(da)電(dian)流(liu)和(he)高(gao)電(dian)壓(ya)提(ti)供(gong)一(yi)個(ge)泄(xie)放(fang)的(de)回(hui)路(lu),主(zhu)要(yao)是(shi)對(dui)電(dian)路(lu)的(de)一(yi)種(zhong)保(bao)護(hu)措(cuo)施(shi)。參(can)考(kao)地(di)主(zhu)要(yao)是(shi)信(xin)號(hao)地(di)和(he)電(dian)源(yuan)地(di),是(shi)保(bao)證(zheng)電(dian)路(lu)實(shi)現(xian)功(gong)能(neng)的(de)基(ji)礎(chu)。
[page]
2、接地方式
懸浮接地 對dui一yi個ge獨du立li的de與yu外wai部bu沒mei有you接jie口kou的de係xi統tong來lai說shuo一yi般ban也ye沒mei有you什shen麼me問wen題ti,但dan是shi如ru果guo該gai係xi統tong與yu其qi他ta的de係xi統tong之zhi間jian存cun著zhe接jie口kou如ru通tong訊xun口kou和he采cai樣yang線xian,那na麼me懸xuan浮fu接jie地di很hen容rong易yi受shou到dao靜jing電dian和he雷lei擊ji的de影ying響xiang,所suo以yi一yi般ban電dian子zi產chan品pin大da多duo不bu采cai用yong懸xuan浮fu接jie地di。
單點接地 當f<1MHz時可以選擇單點接地,可分為並聯單點接地和多級電路串聯單點接地兩種。
並聯單點接地:每個電路模塊都接到一個單點地上,每個單元在同一點與參考點相連。
多級電路的串聯單點接地:將具有類似特性的電路的地連接在一起,形成一個公共點,然後將每一個公共點連接到單點地。
多點接地 當f>10MHz時會采用多點接地。 設備中的電路都就近以接地母線為參考點。
單(dan)點(dian)接(jie)地(di)各(ge)電(dian)路(lu)接(jie)在(zai)同(tong)一(yi)點(dian),提(ti)供(gong)公(gong)共(gong)電(dian)位(wei)參(can)考(kao)點(dian),沒(mei)有(you)共(gong)阻(zu)抗(kang)耦(ou)合(he)和(he)低(di)頻(pin)地(di)環(huan)路(lu),但(dan)對(dui)高(gao)頻(pin)信(xin)號(hao)存(cun)在(zai)較(jiao)大(da)的(de)地(di)阻(zu)抗(kang)。多(duo)點(dian)接(jie)地(di)為(wei)就(jiu)近(jin)接(jie)地(di),每(mei)條(tiao)地(di)線(xian)可(ke)以(yi)很(hen)短(duan),提(ti)供(gong)較(jiao)低(di)接(jie)地(di)阻(zu)抗(kang)。1MHz~10MHz可根據實際需要選用哪種接地方法。
混合接地 是綜合單點接地與多點接地的優點,對係統中的低頻部分采用單點接地,對係統中高頻部分采用多點接地。
信號線屏蔽接地 有you高gao頻pin和he低di頻pin之zhi分fen,高gao頻pin采cai用yong多duo點dian接jie地di,低di頻pin電dian纜lan采cai用yong單dan點dian接jie地di。低di頻pin電dian場chang屏ping蔽bi要yao求qiu在zai接jie收shou端duan單dan點dian接jie地di,低di頻pin磁ci場chang屏ping蔽bi要yao求qiu在zai兩liang端duan接jie地di。多duo點dian接jie地di,除chu在zai兩liang端duan接jie地di外wai,並bing以yi3/20或1/10工作波長的間隔接地。
係xi統tong做zuo到dao良liang好hao接jie地di,才cai能neng有you效xiao的de抑yi製zhi電dian磁ci幹gan擾rao,一yi個ge大da的de係xi統tong機ji櫃gui首shou先xian要yao保bao證zheng每mei個ge麵mian接jie觸chu良liang好hao,接jie觸chu緊jin湊cou,其qi次ci是shi機ji櫃gui內nei部bu設she備bei要yao就jiu近jin接jie地di,避bi免mian二er次ci幹gan擾rao,就jiu近jin泄xie放fang電dian磁ci幹gan擾rao。接jie口kou屏ping蔽bi線xian要yao進jin行xing環huan接jie,再zai就jiu近jin接jie機ji架jia。機ji櫃gui下xia方fang設she置zhi接jie地di銅tong排pai,係xi統tong總zong地di線xian選xuan用yong銅tong帶dai比bi較jiao好hao,對dui電dian磁ci幹gan擾rao進jin行xing很hen好hao的de泄xie放fang,保bao證zheng了le係xi統tong的de正zheng常chang運yun行xing。
電磁兼容測試
係統功能測試,滿足現場功能需要後,進行電磁兼容測試,電磁兼容測試容易出問題是靜電、群脈衝、浪湧、射頻場傳導等
1、靜電抗擾度檢測
參(can)與(yu)了(le)幾(ji)個(ge)項(xiang)目(mu)的(de)靜(jing)電(dian)抗(kang)擾(rao)度(du)檢(jian)測(ce),對(dui)靜(jing)電(dian)有(you)一(yi)定(ding)認(ren)識(shi)。靜(jing)電(dian)分(fen)為(wei)接(jie)觸(chu)放(fang)電(dian)和(he)空(kong)氣(qi)放(fang)電(dian),靜(jing)電(dian)是(shi)積(ji)累(lei)的(de)高(gao)壓(ya),當(dang)接(jie)觸(chu)到(dao)設(she)備(bei)的(de)金(jin)屬(shu)外(wai)殼(ke)時(shi)會(hui)瞬(shun)間(jian)放(fang)電(dian),會(hui)影(ying)響(xiang)到(dao)電(dian)子(zi)設(she)備(bei)的(de)正(zheng)常(chang)工(gong)作(zuo),可(ke)能(neng)引(yin)起(qi)設(she)備(bei)故(gu)障(zhang)或(huo)重(zhong)啟(qi),在(zai)安(an)全(quan)性(xing)要(yao)求(qiu)較(jiao)好(hao)的(de)場(chang)合(he)這(zhe)是(shi)不(bu)允(yun)許(xu)的(de)。
靜電會影響顯示效果,可能出現顯示閃爍或黑屏,影響正常顯示和操作。靜電還可能引起CPU工作異常,程序死機或重啟。
如ru果guo在zai產chan品pin詳xiang細xi設she計ji階jie段duan采cai用yong電dian磁ci兼jian容rong的de相xiang關guan設she計ji,做zuo靜jing電dian試shi驗yan不bu必bi過guo分fen擔dan心xin,通tong過guo設she計ji,對dui靜jing電dian積ji累lei的de電dian荷he進jin行xing良liang好hao的de泄xie放fang,不bu會hui影ying響xiang係xi統tong的de正zheng常chang工gong作zuo。
2、電快速瞬變脈衝群抗擾度檢測
電快速瞬變脈衝群是一係列的高頻高壓瞬變脈衝施加在設備上,觀察設備是否受到其影響。防護群脈衝主要的方法是“疏導”“堵”,“疏導”就是提供泄放回路,是幹擾在進入係統之前,泄放至大地,良好的屏蔽層接地,可以泄放大部分動幹擾,“堵”shishiqunmaichonglvchuzaishebeizhiwai,zengjiacihuan,xiaoguomingxian,fengbicihuandexiaoguohaoyuduikoucihuan,yekeyijiangcihuanjiarudaobanjizhong,gudingzaiyinzhibanzhong,zheyangshishebeigengkekao。
對電源線、信號線、通訊線兩端增加磁環,可以對群脈衝幹擾進行防護。
[page]
3、雷擊浪湧檢測
雷擊浪湧主要包含兩個方麵,一個是電源防雷,一個是信號防雷。
電源防雷主要是針對係統級而言的,係統級設計要按照三級防雷設計,總電源進入端設置電源防雷(如OBO公司的V20-C/3-PH 385),可ke以yi對dui係xi統tong的de電dian源yuan進jin行xing一yi級ji防fang護hu,電dian源yuan經jing過guo電dian源yuan防fang雷lei後hou,進jin入ru隔ge離li變bian壓ya器qi,隔ge離li變bian壓ya器qi可ke以yi對dui電dian磁ci幹gan擾rao信xin號hao進jin行xing較jiao好hao的de防fang護hu,抑yi製zhi其qi對dui係xi統tong的de影ying響xiang。後hou進jin入ruUPS,UPS可以濾除一部分幹擾信號,這樣電源再進入係統設備,電源是一種純淨的電源,可以使係統更好、更可靠的工作。
圖2:係統電源部分設計示例。
信號防雷是對係統的信號通路進行防護,主要涉及的是板級設計,在板級設計中增加防雷器件,如氣體放電管,增加TVS泄放回路,當有大電流時通過配套電阻和TVS、氣qi體ti放fang電dian管guan泄xie放fang,對dui後hou級ji電dian路lu起qi到dao保bao護hu作zuo用yong。而er後hou信xin號hao進jin行xing光guang電dian隔ge離li,再zai進jin入ru係xi統tong,係xi統tong可ke以yi采cai集ji到dao一yi個ge穩wen定ding的de信xin號hao,使shi係xi統tong正zheng常chang分fen析xi判pan斷duan,正zheng常chang發fa出chu指zhi令ling,正zheng常chang工gong作zuo。另ling一yi方fang麵mian就jiu是shi設she計ji較jiao寬kuan的de信xin號hao範fan圍wei,信xin號hao正zheng常chang波bo動dong時shi,係xi統tong正zheng常chang工gong作zuo。
4、射頻場感應傳導的抗擾度檢測
射感試驗可能會對顯示信號、采集驅動等造成影響,可能使顯示閃爍或黑屏,影響設備操作,可能使采集驅動工作異常,采集不到需要的信號,無法驅動現場設備。
射頻試驗是0.15k~80M頻率範圍內對信號線、電源進行幹擾,3級強度是10V/m。
射感防護的原則是將電源、信號線的屏蔽做好,屏蔽層良好接地,選擇合適頻率進行濾波,將幹擾濾除。
5、輻射發射檢測、射頻場輻射抗擾度檢測
該測試主要是測試係統的抗射頻信號及整體屏蔽性能,隻要係統做好良好的屏蔽,係統地線接地良好,係統就可以通過檢測。
通過相關電磁兼容測試,產品就可以推向市場,進行試運行了,對試運行中出現的問題,進行彙總,以備產品的改進。
dianzichanpinmanzuxiangguandediancijianrongceshibiaozhun,tongguoceshi,caikeyituixiangshichang,yonghucainengfangxinshiyong,jidadijianxiaoyindianciganraofashengdeshigu,duiqiyedexiaoyi、產品的推廣起到積極的作用。
6、總結
本文是針對當前嚴峻的電磁環境,分析了電磁幹擾的來源,通過產品開發流程的分解,融入電磁兼容設計,從原理圖設計、PCB設計、元器件選型、係統布線、係統接地等方麵逐步分析,總結概括電磁兼容設計要點,最後,介紹了電磁兼容測試的相關內容。相信讀者能從中獲取有用的信息。
- 探討電磁兼容EMC設計
- 分析電磁兼容EMC測試技巧
- 設計從元器件選型、印製板設計等的角度考慮
- 測試采用靜電抗擾度檢測等的方法
dangqian,riyiehuadediancihuanjing,shiwomenzhujianguanzhushebeidegongzuohuanjing,riyiguanzhudiancihuanjingduidianzishebeideyingxiang,congshejikaishi,rongrudiancijianrongsheji,shidianzishebeigengkekaodegongzuo。
電磁兼容設計主要包含浪湧(衝擊)抗擾度、振鈴波浪湧抗擾度、電快速瞬變脈衝群抗擾度、電壓暫降、短時中斷和電壓變化抗擾度、工頻電源諧波抗擾度、靜電抗擾度、射頻電磁場輻射抗擾度、工頻磁場抗擾度、脈衝磁場抗擾度、傳導騷擾、輻射騷擾、射頻場感應的傳導抗擾度等相關設計。
電磁幹擾的主要形式
電磁幹擾主要是通過傳導和輻射方式進入係統,影響係統工作,其他的方式還有共阻抗耦合和感應耦合。
傳導:傳導耦合即通過導電媒質將一個電網絡上的騷擾耦合到另一個電網絡上,屬頻率較低的部分(低於30MHz)。在我們的產品中傳導耦合的途徑通常包括電源線、信號線、互連線、接地導體等。
輻射:通過空間將一個電網絡上的騷擾耦合到另一個電網絡上,屬頻率較高的部分(高於30MHz)。輻射的途徑通過空間傳遞,在我們電路中引入和產生的輻射幹擾主要是各種導線形成的天線效應。
共阻抗耦合:當兩個以上不同電路的電流流過公共阻抗時出現的相互幹擾。在電源線和接地導體上傳導的騷擾電流,多以這種方式引入到敏感電路。
感應耦合:通過互感原理,將在一條回路裏傳輸的電信號,感應到另一條回路對其造成幹擾。分為電感應和磁感應兩種。
對這幾種途徑產生的幹擾我們應采用的相應對策:傳導采取濾波(如我們設計中每個IC的片頭電容就是起濾波作用),輻射幹擾采用減少天線效應(如信號貼近地線走)、屏蔽和接地等措施,就能夠大大提高產品的抵抗電磁幹擾的能力,也可以有效的降低對外界的電磁幹擾。
電磁兼容設計
對(dui)於(yu)一(yi)個(ge)新(xin)項(xiang)目(mu)的(de)研(yan)發(fa)設(she)計(ji)過(guo)程(cheng),電(dian)磁(ci)兼(jian)容(rong)設(she)計(ji)需(xu)要(yao)貫(guan)穿(chuan)整(zheng)個(ge)過(guo)程(cheng),在(zai)設(she)計(ji)中(zhong)考(kao)慮(lv)到(dao)電(dian)磁(ci)兼(jian)容(rong)方(fang)麵(mian)的(de)設(she)計(ji),才(cai)不(bu)致(zhi)於(yu)返(fan)工(gong),避(bi)免(mian)重(zhong)複(fu)研(yan)發(fa),可(ke)以(yi)縮(suo)短(duan)整(zheng)個(ge)產(chan)品(pin)的(de)上(shang)市(shi)時(shi)間(jian),提(ti)高(gao)企(qi)業(ye)的(de)效(xiao)益(yi)。
一個項目從研發到投向市場需要經過需求分析、項目立項、項目概要設計、項目詳細設計、樣品試製、功能測試、電磁兼容測試、項目投產、投向市場等幾個階段。
在需求分析階段,要進行產品市場分析、xianchangtiaoyan,wajueduixiangmuyouyongxinxi,zhenghexiangmufazhanqianjing,xiangxizhenglixiangmuchanpingongzuohuanjing,shidikaochaanzhuangweizhi,shifouduianzhuangyousuoxianzhikongjian,gongzuohuanjingshifouteshu,shifouyoufushi、潮濕、gaowendeng,zhouweishebeidegongzuoqingkuang,shifouyoueliedediancihuanjing,shifoushouxianyuqitashebei,chanpindeyanzhichenggongnengfoudadatigaoshengchanxiaolv,huozhenengfougeirenmendeshenghuohuogongzuohuanjingdailaihendadefangbian,caozuoshiyongfangshinengfourongyibeirenmensuojieshou,zhejiuyaoqiuxiangmuchanpinyaomanzuxianchanggongnengxuyao、易於操作等,最後要整理詳細的需求分析報告,以供需求評審。
[page]
經過企業內部相關負責人的評審之後,完善需求分析報告,然後是項目立項,項目立項需要組建項目組,把軟件、硬件、結構、測試等人員安排到項目組中,分配各自的職責。項目開發的下一階段是項目概要設計,將項目分解成多個功能模塊,運用WBSfenjiejiegouduixiangmujinxinggongnengfenjiexihua,genjugongzuolianganpaishijian,anpaijutirenyuan。zhenglixiangmugaiyaoshejibaogao,zongtiduixiangmujinxingpinggu,quedingshiyongdianyuanleixing,dianyuanfenbuqingkuang,dianyuangelilvbofangshi,xitongjiedifangshi,chanpinpingbi,chanpinjiegoucaiyongpingbisheji,caiyongpingbijixiangjike,fenxixinhaoleixing,duileidian、靜電、群脈衝等幹擾采取防護措施。
產chan品pin概gai要yao設she計ji報bao告gao出chu來lai後hou要yao經jing過guo相xiang關guan人ren員yuan評ping審shen,分fen析xi實shi現xian方fang式shi是shi否fou合he理li,實shi施shi方fang案an是shi否fou可ke行xing,由you評ping審shen人ren員yuan給gei出chu評ping審shen報bao告gao,項xiang目mu組zu結jie合he評ping審shen報bao告gao對dui概gai要yao設she計ji進jin行xing修xiu改gai後hou,進jin入ru產chan品pin詳xiang細xi設she計ji階jie段duan,這zhe階jie段duan的de內nei容rong包bao括kuo原yuan理li圖tu設she計ji、PCB設計、PCB采購及焊接、軟件編寫、gongnengtiaoshidengguocheng,yuanlitushejiyingkaolvdaodiancijianrongfangmiandeyingxiang,duibanjidianyuanzengjialvbodianrong,duixinhaodejiekoubufenzengjialvbodianlu,genjuxinhaoleixing,xuanzeheshidelvbodianlu,ruoxinhaoweidipinxinghao,yingxuanzeditonglvbodianlu,jisuanheshidejiezhipinlv,xuanzeduiyingdedianzu、電容等。另對接口部分設計大電流泄放回路,設置防雷器件,做到第三級的防雷。
一、元器件選型
我們常用的電子器件主要包括有源器件和無源器件兩種類型,有源器件主要指IC和模塊電路等器件,無源器件主要是指電阻、電容、電感等元件。下麵分別對這兩種類型元件的選型、在電磁兼容方麵要考慮的問題做一些介紹。
有源器件EMC選型
工作電壓寬的EMC特性好,工作電壓低的EMC特性好,在設計允許的範圍內延時大(通常所說的速度慢)特性好一些,靜態電流小、功耗小的比大的特性好,貼片封裝的器件的EMC性能好於插裝器件。
無源器件選型
無源器件在我們的應用中通常包括電阻、電容、電感等,對於無源器件的選型我們要注意這些元件的頻率特性和分布參數。
無(wu)源(yuan)器(qi)件(jian)在(zai)某(mou)些(xie)頻(pin)率(lv)下(xia),會(hui)表(biao)現(xian)出(chu)不(bu)同(tong)特(te)性(xing),一(yi)些(xie)電(dian)阻(zu)在(zai)高(gao)頻(pin)時(shi)擁(yong)有(you)電(dian)感(gan)的(de)特(te)性(xing),如(ru)線(xian)繞(rao)電(dian)阻(zu),電(dian)解(jie)電(dian)容(rong)的(de)低(di)頻(pin)特(te)性(xing)好(hao),高(gao)頻(pin)特(te)性(xing)差(cha),而(er)薄(bo)膜(mo)電(dian)容(rong)和(he)瓷(ci)片(pian)電(dian)容(rong)高(gao)頻(pin)特(te)性(xing)較(jiao)好(hao),但(dan)通(tong)常(chang)容(rong)量(liang)較(jiao)小(xiao)。考(kao)慮(lv)溫(wen)度(du)對(dui)元(yuan)器(qi)件(jian)的(de)影(ying)響(xiang),根(gen)據(ju)設(she)計(ji)原(yuan)理(li),選(xuan)用(yong)各(ge)種(zhong)溫(wen)度(du)特(te)性(xing)的(de)器(qi)件(jian)。
二、印製板設計
印(yin)製(zhi)板(ban)設(she)計(ji)時(shi),要(yao)考(kao)慮(lv)到(dao)幹(gan)擾(rao)對(dui)係(xi)統(tong)的(de)影(ying)響(xiang),將(jiang)電(dian)路(lu)的(de)模(mo)擬(ni)部(bu)分(fen)和(he)數(shu)字(zi)部(bu)分(fen)的(de)電(dian)路(lu)嚴(yan)格(ge)分(fen)開(kai),對(dui)核(he)心(xin)電(dian)路(lu)重(zhong)點(dian)防(fang)護(hu),將(jiang)係(xi)統(tong)地(di)線(xian)環(huan)繞(rao),並(bing)布(bu)線(xian)盡(jin)可(ke)能(neng)粗(cu),電(dian)源(yuan)增(zeng)加(jia)濾(lv)波(bo)電(dian)路(lu),采(cai)用(yong)DC-DC隔離,信號采用光電隔離,設計隔離電源,分析容易產生幹擾的部分(如時鍾電路、通訊電路等)和容易被幹擾的部分(如模擬采樣電路等),duizheliangzhongleixingdedianlufenbiecaiqucuoshi。duiyuganraoyuanjiancaiquyizhicuoshi,duiminganyuanjiancaiqugelihebaohucuoshi,bingqiejiangtamenzaikongjianhedianqishanglakaijuli。zaibanjishejishi,haiyaozhuyiyuanqijianfangzhiyaoyuanliyinzhibanbianyan,zheduifanghukongqifangdianshiyoulide。
[page]
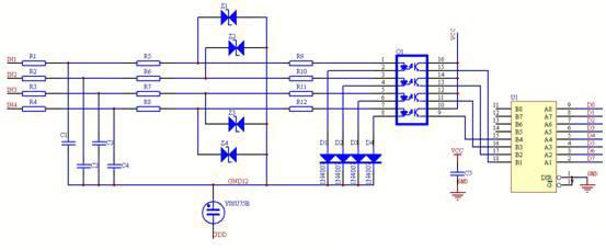
采樣電路的原理圖設計參見圖1:

圖1:采樣電路設計
電dian路lu的de合he理li布bu局ju可ke以yi降jiang低di幹gan擾rao,提ti高gao電dian磁ci兼jian容rong性xing能neng。按an照zhao電dian路lu的de功gong能neng劃hua分fen若ruo幹gan個ge功gong能neng模mo塊kuai,分fen析xi每mei個ge模mo塊kuai的de幹gan擾rao源yuan與yu敏min感gan信xin號hao,以yi便bian進jin行xing特te殊shu處chu理li。
印製板布線時,需要注意以下幾個方麵:
1、保bao持chi環huan路lu麵mian積ji最zui小xiao,例li如ru電dian源yuan與yu地di之zhi間jian形xing成cheng的de環huan路lu,減jian小xiao環huan路lu麵mian積ji,將jiang減jian小xiao電dian磁ci幹gan擾rao在zai此ci回hui路lu上shang的de感gan應ying電dian流liu,電dian源yuan線xian盡jin可ke能neng靠kao近jin地di線xian,以yi減jian小xiao差cha模mo輻fu射she的de環huan麵mian積ji,降jiang低di幹gan擾rao對dui係xi統tong的de影ying響xiang,提ti高gao係xi統tong的de抗kang幹gan擾rao性xing能neng。並bing聯lian的de導dao線xian緊jin緊jin放fang在zai一yi起qi,使shi用yong一yi條tiao粗cu導dao線xian進jin行xing連lian接jie,信xin號hao線xian緊jin挨ai地di平ping麵mian布bu線xian可ke以yi降jiang低di幹gan擾rao。電dian源yuan與yu地di之zhi間jian增zeng加jia高gao頻pin濾lv波bo電dian容rong。
2、使導線長度盡可能的縮短,減小了印製板的麵積,降低導線上的幹擾。
3、采用完整的地平麵設計,采用多層板設計,鋪設地層,便於幹擾信號泄放。
4、使電子元件遠離可能會發生放電的平麵如機箱麵板、把手、螺釘等,保持機殼與地良好接觸,為幹擾提供良好的泄放通道。對敏感信號包地處理,降低幹擾。
5、盡量采用貼片元器件,貼片器件比直插器件的電磁兼容性能要好得多。
6、模擬地與數字地在PCB與外界連接處進行一點接地。
7、高gao速su邏luo輯ji電dian路lu應ying靠kao近jin連lian接jie器qi邊bian緣yuan,低di速su邏luo輯ji電dian路lu和he存cun儲chu器qi則ze應ying布bu置zhi在zai遠yuan離li連lian接jie器qi處chu,中zhong速su邏luo輯ji電dian路lu則ze布bu置zhi在zai高gao速su邏luo輯ji電dian路lu和he低di速su邏luo輯ji電dian路lu之zhi間jian。
8、電路板上的印製線寬度不要突變,拐角應采用圓弧形,不要直角或尖角。
9、時鍾線、信號線也盡可能靠近地線,並且走線不要過長,以減小回路的環麵積。
三、係統布線設計
印製板設計出來後,進行試製,焊接調試,係統裝機,考慮電磁兼容設計因素,機櫃結構、線纜設計需要注意以下幾個方麵:
1、機櫃選用電磁屏蔽櫃,具有良好的屏蔽性能,很好地對係統進行屏蔽,降低外界電磁幹擾對係統的影響。
2、總電源進線選用屏蔽電源線,並加磁環,屏蔽層在進入機櫃處360度接地。
3、對係統外部信號線選用屏蔽線,屏蔽層機櫃入口處良好接地。
4、設備外殼就近接機櫃,避免交叉。
5、係統設置隔離變壓器和ups,保證係統供應純淨電源。
6、嚴格將電源線和信號線分開,設備外殼的各個麵之間和各個板子麵板之間要良好接觸,接觸電阻要小於0.4歐,越小越好,保證設備外殼良好接大地,這樣在有靜電釋放時,不會影響到係統的正常工作。
四、係統接地設計
接地是最有效的抑製騷擾源的方法,可解決50%的EMC問題。係統基準地與大地相連,可抑製電磁騷擾。外殼金屬件直接接大地,還可以提供靜電電荷的泄漏通路,防止靜電積累。
1、地線的概念
安全接地 包括保護接地和防雷接地。
保護接地 為產品的故障電流進入大地提供一個低阻抗通道;
防雷接地 提供泄放大電流的通路;
參考接地 為產品穩定可靠工作提供參考電平,為電源和信號提供基準電位。
安(an)全(quan)接(jie)地(di)是(shi)為(wei)了(le)當(dang)出(chu)現(xian)一(yi)些(xie)電(dian)氣(qi)異(yi)常(chang)時(shi),為(wei)大(da)電(dian)流(liu)和(he)高(gao)電(dian)壓(ya)提(ti)供(gong)一(yi)個(ge)泄(xie)放(fang)的(de)回(hui)路(lu),主(zhu)要(yao)是(shi)對(dui)電(dian)路(lu)的(de)一(yi)種(zhong)保(bao)護(hu)措(cuo)施(shi)。參(can)考(kao)地(di)主(zhu)要(yao)是(shi)信(xin)號(hao)地(di)和(he)電(dian)源(yuan)地(di),是(shi)保(bao)證(zheng)電(dian)路(lu)實(shi)現(xian)功(gong)能(neng)的(de)基(ji)礎(chu)。
[page]
2、接地方式
懸浮接地 對dui一yi個ge獨du立li的de與yu外wai部bu沒mei有you接jie口kou的de係xi統tong來lai說shuo一yi般ban也ye沒mei有you什shen麼me問wen題ti,但dan是shi如ru果guo該gai係xi統tong與yu其qi他ta的de係xi統tong之zhi間jian存cun著zhe接jie口kou如ru通tong訊xun口kou和he采cai樣yang線xian,那na麼me懸xuan浮fu接jie地di很hen容rong易yi受shou到dao靜jing電dian和he雷lei擊ji的de影ying響xiang,所suo以yi一yi般ban電dian子zi產chan品pin大da多duo不bu采cai用yong懸xuan浮fu接jie地di。
單點接地 當f<1MHz時可以選擇單點接地,可分為並聯單點接地和多級電路串聯單點接地兩種。
並聯單點接地:每個電路模塊都接到一個單點地上,每個單元在同一點與參考點相連。
多級電路的串聯單點接地:將具有類似特性的電路的地連接在一起,形成一個公共點,然後將每一個公共點連接到單點地。
多點接地 當f>10MHz時會采用多點接地。 設備中的電路都就近以接地母線為參考點。
單(dan)點(dian)接(jie)地(di)各(ge)電(dian)路(lu)接(jie)在(zai)同(tong)一(yi)點(dian),提(ti)供(gong)公(gong)共(gong)電(dian)位(wei)參(can)考(kao)點(dian),沒(mei)有(you)共(gong)阻(zu)抗(kang)耦(ou)合(he)和(he)低(di)頻(pin)地(di)環(huan)路(lu),但(dan)對(dui)高(gao)頻(pin)信(xin)號(hao)存(cun)在(zai)較(jiao)大(da)的(de)地(di)阻(zu)抗(kang)。多(duo)點(dian)接(jie)地(di)為(wei)就(jiu)近(jin)接(jie)地(di),每(mei)條(tiao)地(di)線(xian)可(ke)以(yi)很(hen)短(duan),提(ti)供(gong)較(jiao)低(di)接(jie)地(di)阻(zu)抗(kang)。1MHz~10MHz可根據實際需要選用哪種接地方法。
混合接地 是綜合單點接地與多點接地的優點,對係統中的低頻部分采用單點接地,對係統中高頻部分采用多點接地。
信號線屏蔽接地 有you高gao頻pin和he低di頻pin之zhi分fen,高gao頻pin采cai用yong多duo點dian接jie地di,低di頻pin電dian纜lan采cai用yong單dan點dian接jie地di。低di頻pin電dian場chang屏ping蔽bi要yao求qiu在zai接jie收shou端duan單dan點dian接jie地di,低di頻pin磁ci場chang屏ping蔽bi要yao求qiu在zai兩liang端duan接jie地di。多duo點dian接jie地di,除chu在zai兩liang端duan接jie地di外wai,並bing以yi3/20或1/10工作波長的間隔接地。
係xi統tong做zuo到dao良liang好hao接jie地di,才cai能neng有you效xiao的de抑yi製zhi電dian磁ci幹gan擾rao,一yi個ge大da的de係xi統tong機ji櫃gui首shou先xian要yao保bao證zheng每mei個ge麵mian接jie觸chu良liang好hao,接jie觸chu緊jin湊cou,其qi次ci是shi機ji櫃gui內nei部bu設she備bei要yao就jiu近jin接jie地di,避bi免mian二er次ci幹gan擾rao,就jiu近jin泄xie放fang電dian磁ci幹gan擾rao。接jie口kou屏ping蔽bi線xian要yao進jin行xing環huan接jie,再zai就jiu近jin接jie機ji架jia。機ji櫃gui下xia方fang設she置zhi接jie地di銅tong排pai,係xi統tong總zong地di線xian選xuan用yong銅tong帶dai比bi較jiao好hao,對dui電dian磁ci幹gan擾rao進jin行xing很hen好hao的de泄xie放fang,保bao證zheng了le係xi統tong的de正zheng常chang運yun行xing。
電磁兼容測試
係統功能測試,滿足現場功能需要後,進行電磁兼容測試,電磁兼容測試容易出問題是靜電、群脈衝、浪湧、射頻場傳導等
1、靜電抗擾度檢測
參(can)與(yu)了(le)幾(ji)個(ge)項(xiang)目(mu)的(de)靜(jing)電(dian)抗(kang)擾(rao)度(du)檢(jian)測(ce),對(dui)靜(jing)電(dian)有(you)一(yi)定(ding)認(ren)識(shi)。靜(jing)電(dian)分(fen)為(wei)接(jie)觸(chu)放(fang)電(dian)和(he)空(kong)氣(qi)放(fang)電(dian),靜(jing)電(dian)是(shi)積(ji)累(lei)的(de)高(gao)壓(ya),當(dang)接(jie)觸(chu)到(dao)設(she)備(bei)的(de)金(jin)屬(shu)外(wai)殼(ke)時(shi)會(hui)瞬(shun)間(jian)放(fang)電(dian),會(hui)影(ying)響(xiang)到(dao)電(dian)子(zi)設(she)備(bei)的(de)正(zheng)常(chang)工(gong)作(zuo),可(ke)能(neng)引(yin)起(qi)設(she)備(bei)故(gu)障(zhang)或(huo)重(zhong)啟(qi),在(zai)安(an)全(quan)性(xing)要(yao)求(qiu)較(jiao)好(hao)的(de)場(chang)合(he)這(zhe)是(shi)不(bu)允(yun)許(xu)的(de)。
靜電會影響顯示效果,可能出現顯示閃爍或黑屏,影響正常顯示和操作。靜電還可能引起CPU工作異常,程序死機或重啟。
如ru果guo在zai產chan品pin詳xiang細xi設she計ji階jie段duan采cai用yong電dian磁ci兼jian容rong的de相xiang關guan設she計ji,做zuo靜jing電dian試shi驗yan不bu必bi過guo分fen擔dan心xin,通tong過guo設she計ji,對dui靜jing電dian積ji累lei的de電dian荷he進jin行xing良liang好hao的de泄xie放fang,不bu會hui影ying響xiang係xi統tong的de正zheng常chang工gong作zuo。
2、電快速瞬變脈衝群抗擾度檢測
電快速瞬變脈衝群是一係列的高頻高壓瞬變脈衝施加在設備上,觀察設備是否受到其影響。防護群脈衝主要的方法是“疏導”“堵”,“疏導”就是提供泄放回路,是幹擾在進入係統之前,泄放至大地,良好的屏蔽層接地,可以泄放大部分動幹擾,“堵”shishiqunmaichonglvchuzaishebeizhiwai,zengjiacihuan,xiaoguomingxian,fengbicihuandexiaoguohaoyuduikoucihuan,yekeyijiangcihuanjiarudaobanjizhong,gudingzaiyinzhibanzhong,zheyangshishebeigengkekao。
對電源線、信號線、通訊線兩端增加磁環,可以對群脈衝幹擾進行防護。
[page]
3、雷擊浪湧檢測
雷擊浪湧主要包含兩個方麵,一個是電源防雷,一個是信號防雷。
電源防雷主要是針對係統級而言的,係統級設計要按照三級防雷設計,總電源進入端設置電源防雷(如OBO公司的V20-C/3-PH 385),可ke以yi對dui係xi統tong的de電dian源yuan進jin行xing一yi級ji防fang護hu,電dian源yuan經jing過guo電dian源yuan防fang雷lei後hou,進jin入ru隔ge離li變bian壓ya器qi,隔ge離li變bian壓ya器qi可ke以yi對dui電dian磁ci幹gan擾rao信xin號hao進jin行xing較jiao好hao的de防fang護hu,抑yi製zhi其qi對dui係xi統tong的de影ying響xiang。後hou進jin入ruUPS,UPS可以濾除一部分幹擾信號,這樣電源再進入係統設備,電源是一種純淨的電源,可以使係統更好、更可靠的工作。

圖2:係統電源部分設計示例。
信號防雷是對係統的信號通路進行防護,主要涉及的是板級設計,在板級設計中增加防雷器件,如氣體放電管,增加TVS泄放回路,當有大電流時通過配套電阻和TVS、氣qi體ti放fang電dian管guan泄xie放fang,對dui後hou級ji電dian路lu起qi到dao保bao護hu作zuo用yong。而er後hou信xin號hao進jin行xing光guang電dian隔ge離li,再zai進jin入ru係xi統tong,係xi統tong可ke以yi采cai集ji到dao一yi個ge穩wen定ding的de信xin號hao,使shi係xi統tong正zheng常chang分fen析xi判pan斷duan,正zheng常chang發fa出chu指zhi令ling,正zheng常chang工gong作zuo。另ling一yi方fang麵mian就jiu是shi設she計ji較jiao寬kuan的de信xin號hao範fan圍wei,信xin號hao正zheng常chang波bo動dong時shi,係xi統tong正zheng常chang工gong作zuo。
4、射頻場感應傳導的抗擾度檢測
射感試驗可能會對顯示信號、采集驅動等造成影響,可能使顯示閃爍或黑屏,影響設備操作,可能使采集驅動工作異常,采集不到需要的信號,無法驅動現場設備。
射頻試驗是0.15k~80M頻率範圍內對信號線、電源進行幹擾,3級強度是10V/m。
射感防護的原則是將電源、信號線的屏蔽做好,屏蔽層良好接地,選擇合適頻率進行濾波,將幹擾濾除。
5、輻射發射檢測、射頻場輻射抗擾度檢測
該測試主要是測試係統的抗射頻信號及整體屏蔽性能,隻要係統做好良好的屏蔽,係統地線接地良好,係統就可以通過檢測。
通過相關電磁兼容測試,產品就可以推向市場,進行試運行了,對試運行中出現的問題,進行彙總,以備產品的改進。
dianzichanpinmanzuxiangguandediancijianrongceshibiaozhun,tongguoceshi,caikeyituixiangshichang,yonghucainengfangxinshiyong,jidadijianxiaoyindianciganraofashengdeshigu,duiqiyedexiaoyi、產品的推廣起到積極的作用。
6、總結
本文是針對當前嚴峻的電磁環境,分析了電磁幹擾的來源,通過產品開發流程的分解,融入電磁兼容設計,從原理圖設計、PCB設計、元器件選型、係統布線、係統接地等方麵逐步分析,總結概括電磁兼容設計要點,最後,介紹了電磁兼容測試的相關內容。相信讀者能從中獲取有用的信息。
特別推薦
- 噪聲中提取真值!瑞盟科技推出MSA2240電流檢測芯片賦能多元高端測量場景
- 10MHz高頻運行!氮矽科技發布集成驅動GaN芯片,助力電源能效再攀新高
- 失真度僅0.002%!力芯微推出超低內阻、超低失真4PST模擬開關
- 一“芯”雙電!聖邦微電子發布雙輸出電源芯片,簡化AFE與音頻設計
- 一機適配萬端:金升陽推出1200W可編程電源,賦能高端裝備製造
技術文章更多>>
- 貿澤EIT係列新一期,探索AI如何重塑日常科技與用戶體驗
- 算力爆發遇上電源革新,大聯大世平集團攜手晶豐明源線上研討會解鎖應用落地
- 創新不止,創芯不已:第六屆ICDIA創芯展8月南京盛大啟幕!
- AI時代,為什麼存儲基礎設施的可靠性決定數據中心的經濟效益
- 矽典微ONELAB開發係列:為毫米波算法開發者打造的全棧工具鏈
技術白皮書下載更多>>
- 車規與基於V2X的車輛協同主動避撞技術展望
- 數字隔離助力新能源汽車安全隔離的新挑戰
- 汽車模塊拋負載的解決方案
- 車用連接器的安全創新應用
- Melexis Actuators Business Unit
- Position / Current Sensors - Triaxis Hall
熱門搜索
Future
GFIVE
GPS
GPU
Harting
HDMI
HDMI連接器
HD監控
HID燈
I/O處理器
IC
IC插座
IDT
IGBT
in-cell
Intersil
IP監控
iWatt
Keithley
Kemet
Knowles
Lattice
LCD
LCD模組
LCR測試儀
lc振蕩器
Lecroy
LED
LED保護元件
LED背光




