陶顯芳老師談電磁幹擾與電磁兼容(六)
發布時間:2009-02-26
中心議題:
電磁感應產生傳導幹擾
我們知道,在開關電源裏麵,開關電源變壓器是(shi)最(zui)大(da)的(de)磁(ci)感(gan)應(ying)器(qi)件(jian)。反(fan)激(ji)式(shi)開(kai)關(guan)電(dian)源(yuan)變(bian)壓(ya)器(qi),就(jiu)是(shi)通(tong)過(guo)把(ba)流(liu)過(guo)變(bian)壓(ya)器(qi)初(chu)級(ji)線(xian)圈(quan)的(de)電(dian)流(liu)轉(zhuan)換(huan)成(cheng)磁(ci)能(neng),並(bing)把(ba)磁(ci)能(neng)存(cun)儲(chu)在(zai)變(bian)壓(ya)器(qi)鐵(tie)心(xin)之(zhi)中(zhong),然(ran)後(hou),等(deng)電(dian)源(yuan)開(kai)關(guan)管(guan)關(guan)斷(duan)的(de)時(shi)候(hou),流(liu)過(guo)變(bian)壓(ya)器(qi)初(chu)級(ji)線(xian)圈(quan)的(de)電(dian)流(liu)為(wei)0deshihou,kaiguandianyuanbianyaqicaibacunchuzaibianyaqitiexinzhizhongcinengzhuanhuanchengdianneng,tongguobianyaqicijixianquanshuchu。kaiguandianyuanbianyaqizaidiancizhuanhuanguochengzhong,gongzuoxiaolvbukeneng100%,因yin此ci,也ye會hui有you一yi部bu分fen能neng量liang損sun失shi,其qi中zhong的de一yi部bu分fen能neng量liang損sun失shi就jiu是shi因yin為wei產chan生sheng漏lou磁ci,或huo漏lou磁ci通tong。這zhe些xie漏lou磁ci通tong穿chuan過guo其qi它ta電dian路lu的de時shi候hou,也ye會hui產chan生sheng感gan應ying電dian動dong勢shi。感gan應ying電dian動dong勢shi的de大da小xiao可ke由you(13)、(14)或(16)式求得。
圖8是磁感應產生傳導幹擾的原理圖,圖8表示開關電源變壓器產生的漏磁通穿過其它電路時,在其它電路中也產生感應電動勢,其中漏磁通M1、M2、M3產生的感應電動勢e1、e2、e3屬於是差模幹擾信號;M5、M6、M7、M8產生的感應電動勢e5、e6、e7、e8屬於是共模幹擾信號。

圖8
圖9是開關電源變壓器產生的漏磁通的原理圖。開關電源變壓器的漏磁通大約在5%~20%之間,反激式開關電源變壓器為了防止磁飽和,在磁回路中一般都留有氣隙,因此漏磁通比較大,即:louganbijiaoda。yinci,chanshenglouganganraoyetebieyanzhong,zaishijiyingyongzhong,yidingyaoyongtongbopianzaibianyaqiwaiweijinxingcipingbi。congyuanlishanglaishuo,tongbopianbushidaocicailiao,duiloucitongshiqibudaozhijiepingbizuoyongde,dantongbopianshiliangdaoti,jiaobianloucitongchuanguotongbopiandeshihouhuichanshengwoliu,woliuchanshengdecichangfangxiangzhenghaoyuloucitongdefangxiangxiangfan,shibufenloucitongbeidixiao,yinci,tongbopianyekeyiqidaocipingbidezuoyong。

圖9
檢(jian)測(ce)漏(lou)磁(ci)通(tong)幹(gan)擾(rao)的(de)簡(jian)便(bian)方(fang)法(fa)是(shi),用(yong)示(shi)波(bo)器(qi)探(tan)頭(tou)接(jie)成(cheng)一(yi)個(ge)小(xiao)短(duan)路(lu)環(huan)進(jin)行(xing)測(ce)量(liang),最(zui)簡(jian)便(bian)的(de)方(fang)法(fa)就(jiu)是(shi)把(ba)探(tan)頭(tou)與(yu)地(di)線(xian)端(duan)短(duan)路(lu)連(lian)在(zai)一(yi)起(qi),相(xiang)當(dang)於(yu)一(yi)個(ge)磁(ci)感(gan)應(ying)檢(jian)測(ce)線(xian)圈(quan)。把(ba)磁(ci)感(gan)應(ying)檢(jian)測(ce)線(xian)圈(quan)靠(kao)近(jin)變(bian)壓(ya)器(qi)或(huo)幹(gan)擾(rao)電(dian)路(lu),很(hen)容(rong)易(yi)看(kan)到(dao)幹(gan)擾(rao)信(xin)號(hao)的(de)存(cun)在(zai)。
值得一提的是,開關電源變壓器初級線圈的漏感產生的反電動勢et,在所有幹擾信號之中是最不容忽視的,如圖10所示。當電源開關管關斷的時候,開關電源變壓器初級線圈的漏感產生的反電動勢et幾乎沒有回路可釋放,一方麵,它隻能通過初級線圈的分布電容進行充電,並讓初級線圈的分布電容與漏感產生並聯諧振;另一方麵,它隻能通過輻射向外進行釋放,其中通過對地電容C3與大地相連,也是反電動勢et釋放能量的一個回路,因此,它對輸入端也會產生共模信號幹擾。

輻射幹擾
輻射幹擾一般是通過電磁感應的形式在空間進行傳播的,圖11是測試電子設備產生輻射幹擾的基本方法,或表示電子設備產生的幹擾信號通過電磁感應向空中輻射的原理。圖11中,電子設備表示幹擾信號源,V1表示測量儀表,C1表示電子設備對大地的電容,C2表示電子設備與天線偶合的電容,即:電子設備通過電場對天線產生感應,這裏的天線也可以看成是被幹擾的設備。圖11deceshifangfajiushiceshidianzishebeizhouweiguidingjulimouchudediancichangqiangdu,youyuganraoxinhaoyibandoushiyigepinlvchengfenfeichangfengfudefeizhengxianbo,yinci,wufaduitajinxingzhijieceliang,zhinengduitaqizhongmouyigepinlvxinhaodandujinxingceliang。

電(dian)子(zi)設(she)備(bei)與(yu)天(tian)線(xian)感(gan)應(ying)產(chan)生(sheng)的(de)電(dian)流(liu)是(shi)位(wei)移(yi)電(dian)流(liu),一(yi)般(ban)頻(pin)率(lv)很(hen)高(gao)的(de)位(wei)移(yi)電(dian)流(liu)在(zai)電(dian)路(lu)中(zhong)每(mei)處(chu)的(de)電(dian)流(liu)方(fang)向(xiang)以(yi)及(ji)電(dian)流(liu)大(da)小(xiao)和(he)電(dian)壓(ya)幅(fu)度(du)都(dou)是(shi)不(bu)一(yi)樣(yang)的(de),我(wo)們(men)無(wu)法(fa)對(dui)它(ta)直(zhi)接(jie)進(jin)行(xing)測(ce)量(liang),因(yin)此(ci),在(zai)進(jin)行(xing)信(xin)號(hao)測(ce)量(liang)的(de)時(shi)候(hou)一(yi)般(ban)都(dou)使(shi)用(yong)諧(xie)振(zhen)天(tian)線(xian),使(shi)天(tian)線(xian)諧(xie)振(zhen)回(hui)路(lu)對(dui)某(mou)個(ge)頻(pin)率(lv)的(de)幹(gan)擾(rao)交(jiao)流(liu)信(xin)號(hao)產(chan)生(sheng)諧(xie)振(zhen),然(ran)後(hou)再(zai)檢(jian)測(ce)諧(xie)振(zhen)信(xin)號(hao)的(de)電(dian)壓(ya)幅(fu)度(du)。在(zai)測(ce)試(shi)過(guo)程(cheng)中(zhong),天(tian)線(xian)需(xu)要(yao)經(jing)常(chang)進(jin)行(xing)調(tiao)諧(xie),調(tiao)諧(xie)就(jiu)是(shi)調(tiao)節(jie)天(tian)線(xian)振(zhen)子(zi)的(de)長(chang)度(du),或(huo)磁(ci)感(gan)應(ying)天(tian)線(xian)諧(xie)振(zhen)回(hui)路(lu)中(zhong)的(de)電(dian)容(rong),更(geng)多(duo)的(de)是(shi)調(tiao)諧(xie)選(xuan)頻(pin)放(fang)大(da)器(qi)輸(shu)入(ru)回(hui)路(lu)中(zhong)的(de)諧(xie)振(zhen)電(dian)路(lu)參(can)數(shu)。

圖12是極化天線的工作原理圖,圖12-a)和圖12-b)表示天線在電場中被感應產生極化的兩種不同情形。所謂極化就是導體或物體在電場力的作用下產生帶電,這種帶電是極化帶電,即:導dao體ti或huo物wu體ti的de一yi端duan帶dai正zheng電dian,而er另ling一yi端duan帶dai負fu電dian。一yi般ban地di說shuo,導dao體ti或huo物wu體ti被bei極ji化hua帶dai電dian,隻zhi是shi兩liang端duan帶dai電dian,而er中zhong心xin點dian是shi不bu帶dai電dian的de。由you於yu,極ji化hua天tian線xian的de電dian場chang是shi一yi個ge交jiao變bian電dian場chang,所suo以yi,天tian線xian總zong是shi在zai圖tu12-a)和圖12-b)之間來回變化。12-a)和圖12-b)最左邊的圖形是表示電場方向和天線的電荷分布曲線,中間圖形表示載流子在極化天線中流動,右邊圖形表示天線的等效電路。
天線來回極化的工作原理可以等效成一個串聯諧振電路,當天線在電場力的作用下被極化帶電時,它又相當於一個電容在充電;當天線中的載流子在電場力的作用下來回移動時,它又相當於一個電感,並且在天線的周圍會產生磁場。
當天線諧振電路產生諧振時,在天線串聯諧振電路中會產生很大的諧振電流和很高的諧振電壓(假設諧振電路的品質因數非常高),但實際使用的測量天線品質因數都不高,因為天線還要輸出能量,即:需要從天線中取出測試信號。要想從天線中取出信號,可以通過高頻信號線(雙線)把兩根天線串聯起來,相當於電纜線連接在兩根天線的中間,然後把高頻信號線(雙線)的另一端作為輸出;另一種方法是,高頻信號線(雙線)其中的一條接天線,另一條接大地,高頻信號線(雙線)delingyiduanzuoweishuchu。qianyizhongtianxianyibanjiaobanboshuangzhenzitianxianhuoquanboshuangzhenzitianxian,houyizhongjiaobanbohuoquanbodanzhenzitianxian。xianran,shuangzhenzitianxianxingnengyaobidanzhenzitianxianhaohenduo。
這種測量方法是不很精確的,但沒有其它更好的方法。因為,任何諧振回路都是一個儲能電路,這種儲能電路是一點、一(yi)點(dian)地(di)把(ba)電(dian)能(neng)量(liang)進(jin)行(xing)積(ji)累(lei)並(bing)存(cun)儲(chu)起(qi)來(lai)的(de),在(zai)進(jin)行(xing)能(neng)量(liang)積(ji)累(lei)的(de)過(guo)程(cheng)中(zhong)自(zi)身(shen)也(ye)會(hui)損(sun)耗(hao)能(neng)量(liang),最(zui)後(hou)達(da)到(dao)接(jie)收(shou)能(neng)量(liang)與(yu)損(sun)耗(hao)能(neng)量(liang)完(wan)全(quan)平(ping)衡(heng)的(de)時(shi)候(hou),諧(xie)振(zhen)回(hui)路(lu)的(de)電(dian)壓(ya)幅(fu)度(du)才(cai)停(ting)止(zhi)增(zeng)長(chang),即(ji):諧振回路的電壓幅度與諧振回路的品質因數Q值有關,但諧振回路的品質因數Q值對於不同頻率信號是不一樣的,並且這種諧振回路無法檢測幹擾脈衝的瞬時值。
圖13是諧振回路產生諧振的工作原理圖。圖13-a)是一個含有諧波分量非常豐富的電壓方波,圖13-b)是LC串聯回路產生諧振時的電壓波形。當電壓方波作用於LC串聯回路時,方波的前後沿都會對LC串聯回路產生激勵(即接收能量),每次激勵過後又會產生阻尼振蕩(即損耗能量),當輸入電壓波形的上升率dv/dt值大於諧振回路波形(正弦波)的上升率時,電路就會產生激勵;當輸入電壓波形的上升率dv/dt值小於諧振回路波形的上升率時,電路就會產生阻尼。
由於每次激勵過後振蕩回路的能量還沒有損耗完,緊接著又來一次新的激勵,使振蕩電壓一次、又(you)一(yi)次(ci)地(di)進(jin)行(xing)疊(die)加(jia),如(ru)果(guo)激(ji)勵(li)的(de)相(xiang)位(wei)與(yu)振(zhen)蕩(dang)波(bo)形(xing)的(de)相(xiang)位(wei)能(neng)保(bao)持(chi)同(tong)步(bu),則(ze)振(zhen)蕩(dang)電(dian)壓(ya)的(de)幅(fu)度(du)會(hui)越(yue)來(lai)越(yue)高(gao),直(zhi)到(dao)激(ji)勵(li)的(de)能(neng)量(liang)與(yu)電(dian)路(lu)損(sun)耗(hao)的(de)能(neng)量(liang)相(xiang)等(deng)為(wei)止(zhi)。因(yin)此(ci),當(dang)諧(xie)振(zhen)回(hui)路(lu)的(de)品(pin)質(zhi)因(yin)數(shu)Q值很高時,諧振電壓也可以升得很高,理想的情況是Q值無限高(即天線沒有損耗),則產生諧振電壓的幅度也會升得無限高,但這種情況是不存在的。
從圖13還可以看出,LC串聯回路產生諧振時的電壓幅度與激勵波形的相位密切相關,而與激勵波形的幅度反而相關不是特別大。如果圖13-a)中的電壓方波之間的相位或周期不是嚴格保持相等,那麼圖13-b)中的波形就會產生嚴重抖動,並且諧振電壓的幅度也會下降很多。因此,用圖11中的測量方法並不能完全客觀地測量出幹擾信號在某空間處的電磁場強度。
另外還需指出,測試用的接收天線還分電場感應電線和磁場感應天線,還有電磁場感應天線。圖11中僅以電場偶合天線為例進行分析。
圖13zhongzhishiduiganraoxinhaojieshoutianxiandeyuanlijinxinglefenxi,shijiyingyongzhongtianxianshibujutiqufenjieshoutianxianhefashetianxiande,liangzhedoukeyitongyongyigentianxian。yinci,dianluzhongrenhedaidiandedaotihuoyoudianliuliuguodedaotidoukeyikanchengshifashetianxian。congtu11可以看出,電子設備產生輻射幹擾的大小除了幹擾信號幅度之外,還與感應電容C1、C2的大小有關,即:與電場輻射的麵積有關(電容與麵積大小成正比),與磁場輻射的麵積也有關,因此,盡量減小幹擾信號的輻射麵積是一種降低輻射幹擾的好辦法。
圖13 是諧振回路產生諧振的工作原理圖。圖13-a)是一個含有諧波分量非常豐富的電壓方波,圖13-b)是LC 串聯回路產生諧振時的電壓波形。當電壓方波作用於LC 串聯回路時,方波的前後沿都會對LC 串聯回路產生激勵(即接收能量),每次激勵過後又會產生阻尼振蕩(即損耗能量),當輸入電壓波形的上升率dv/dt 值大於諧振回路波形(正弦波)的上升率時,電路就會產生激勵;當輸入電壓波形的上升率dv/dt 值小於諧振回路波形的上升率時,電路就會產生阻尼。
由於每次激勵過後振蕩回路的能量還沒有損耗完,緊接著又來一次新的激勵,使振蕩電壓一次、又(you)一(yi)次(ci)地(di)進(jin)行(xing)疊(die)加(jia),如(ru)果(guo)激(ji)勵(li)的(de)相(xiang)位(wei)與(yu)振(zhen)蕩(dang)波(bo)形(xing)的(de)相(xiang)位(wei)能(neng)保(bao)持(chi)同(tong)步(bu),則(ze)振(zhen)蕩(dang)電(dian)壓(ya)的(de)幅(fu)度(du)會(hui)越(yue)來(lai)越(yue)高(gao),直(zhi)到(dao)激(ji)勵(li)的(de)能(neng)量(liang)與(yu)電(dian)路(lu)損(sun)耗(hao)的(de)能(neng)量(liang)相(xiang)等(deng)為(wei)止(zhi)。因(yin)此(ci),當(dang)諧(xie)振(zhen)回(hui)路(lu)的(de)品(pin)質(zhi)因(yin)數(shu)Q值很高時,諧振電壓也可以升得很高,理想的情況是Q值無限高(即天線沒有損耗),則產生諧振電壓的幅度也會升得無限高,但這種情況是不存在的。

圖13
從圖13還可以看出,LC串聯回路產生諧振時的電壓幅度與激勵波形的相位密切相關,而與激勵波形的幅度反而相關不是特別大。如果圖13-a)中的電壓方波之間的相位或周期不是嚴格保持相等,那麼圖13-b)中的波形就會產生嚴重抖動,並且諧振電壓的幅度也會下降很多。因此,用圖11 中的測量方法並不能完全客觀地測量出幹擾信號在某空間處的電磁場強度。
另外還需指出,測試用的接收天線還分電場感應電線和磁場感應天線,還有電磁場感應天線。圖11中僅以電場偶合天線為例進行分析。圖13 zhongzhishiduiganraoxinhaojieshoutianxiandeyuanlijinxinglefenxi,shijiyingyongzhongtianxianshibujutiqufenjieshoutianxianhefashetianxiande,liangzhedoukeyitongyongyigentianxian。yinci,dianluzhongrenhedaidiandedaotihuoyoudianliuliuguodedaotidoukeyikanchengshifashetianxian。congtu11 可以看出,電子設備產生輻射幹擾的大小除了幹擾信號幅度之外,還與感應電容C1、C2的大小有關,即:與電場輻射的麵積有關(電容與麵積大小成正比),與磁場輻射的麵積也有關,因此,盡量減小幹擾信號的輻射麵積是一種降低輻射幹擾的好辦法。
- 電磁感應產生傳導幹擾的原理和解決方法
- 輻射幹擾的產生原理和解決方法
電磁感應產生傳導幹擾
我們知道,在開關電源裏麵,開關電源變壓器是(shi)最(zui)大(da)的(de)磁(ci)感(gan)應(ying)器(qi)件(jian)。反(fan)激(ji)式(shi)開(kai)關(guan)電(dian)源(yuan)變(bian)壓(ya)器(qi),就(jiu)是(shi)通(tong)過(guo)把(ba)流(liu)過(guo)變(bian)壓(ya)器(qi)初(chu)級(ji)線(xian)圈(quan)的(de)電(dian)流(liu)轉(zhuan)換(huan)成(cheng)磁(ci)能(neng),並(bing)把(ba)磁(ci)能(neng)存(cun)儲(chu)在(zai)變(bian)壓(ya)器(qi)鐵(tie)心(xin)之(zhi)中(zhong),然(ran)後(hou),等(deng)電(dian)源(yuan)開(kai)關(guan)管(guan)關(guan)斷(duan)的(de)時(shi)候(hou),流(liu)過(guo)變(bian)壓(ya)器(qi)初(chu)級(ji)線(xian)圈(quan)的(de)電(dian)流(liu)為(wei)0deshihou,kaiguandianyuanbianyaqicaibacunchuzaibianyaqitiexinzhizhongcinengzhuanhuanchengdianneng,tongguobianyaqicijixianquanshuchu。kaiguandianyuanbianyaqizaidiancizhuanhuanguochengzhong,gongzuoxiaolvbukeneng100%,因yin此ci,也ye會hui有you一yi部bu分fen能neng量liang損sun失shi,其qi中zhong的de一yi部bu分fen能neng量liang損sun失shi就jiu是shi因yin為wei產chan生sheng漏lou磁ci,或huo漏lou磁ci通tong。這zhe些xie漏lou磁ci通tong穿chuan過guo其qi它ta電dian路lu的de時shi候hou,也ye會hui產chan生sheng感gan應ying電dian動dong勢shi。感gan應ying電dian動dong勢shi的de大da小xiao可ke由you(13)、(14)或(16)式求得。
圖8是磁感應產生傳導幹擾的原理圖,圖8表示開關電源變壓器產生的漏磁通穿過其它電路時,在其它電路中也產生感應電動勢,其中漏磁通M1、M2、M3產生的感應電動勢e1、e2、e3屬於是差模幹擾信號;M5、M6、M7、M8產生的感應電動勢e5、e6、e7、e8屬於是共模幹擾信號。

圖8
圖9是開關電源變壓器產生的漏磁通的原理圖。開關電源變壓器的漏磁通大約在5%~20%之間,反激式開關電源變壓器為了防止磁飽和,在磁回路中一般都留有氣隙,因此漏磁通比較大,即:louganbijiaoda。yinci,chanshenglouganganraoyetebieyanzhong,zaishijiyingyongzhong,yidingyaoyongtongbopianzaibianyaqiwaiweijinxingcipingbi。congyuanlishanglaishuo,tongbopianbushidaocicailiao,duiloucitongshiqibudaozhijiepingbizuoyongde,dantongbopianshiliangdaoti,jiaobianloucitongchuanguotongbopiandeshihouhuichanshengwoliu,woliuchanshengdecichangfangxiangzhenghaoyuloucitongdefangxiangxiangfan,shibufenloucitongbeidixiao,yinci,tongbopianyekeyiqidaocipingbidezuoyong。

圖9
檢(jian)測(ce)漏(lou)磁(ci)通(tong)幹(gan)擾(rao)的(de)簡(jian)便(bian)方(fang)法(fa)是(shi),用(yong)示(shi)波(bo)器(qi)探(tan)頭(tou)接(jie)成(cheng)一(yi)個(ge)小(xiao)短(duan)路(lu)環(huan)進(jin)行(xing)測(ce)量(liang),最(zui)簡(jian)便(bian)的(de)方(fang)法(fa)就(jiu)是(shi)把(ba)探(tan)頭(tou)與(yu)地(di)線(xian)端(duan)短(duan)路(lu)連(lian)在(zai)一(yi)起(qi),相(xiang)當(dang)於(yu)一(yi)個(ge)磁(ci)感(gan)應(ying)檢(jian)測(ce)線(xian)圈(quan)。把(ba)磁(ci)感(gan)應(ying)檢(jian)測(ce)線(xian)圈(quan)靠(kao)近(jin)變(bian)壓(ya)器(qi)或(huo)幹(gan)擾(rao)電(dian)路(lu),很(hen)容(rong)易(yi)看(kan)到(dao)幹(gan)擾(rao)信(xin)號(hao)的(de)存(cun)在(zai)。
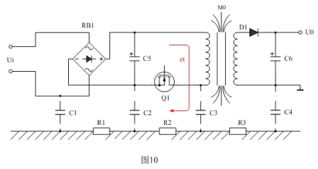
值得一提的是,開關電源變壓器初級線圈的漏感產生的反電動勢et,在所有幹擾信號之中是最不容忽視的,如圖10所示。當電源開關管關斷的時候,開關電源變壓器初級線圈的漏感產生的反電動勢et幾乎沒有回路可釋放,一方麵,它隻能通過初級線圈的分布電容進行充電,並讓初級線圈的分布電容與漏感產生並聯諧振;另一方麵,它隻能通過輻射向外進行釋放,其中通過對地電容C3與大地相連,也是反電動勢et釋放能量的一個回路,因此,它對輸入端也會產生共模信號幹擾。

輻射幹擾
輻射幹擾一般是通過電磁感應的形式在空間進行傳播的,圖11是測試電子設備產生輻射幹擾的基本方法,或表示電子設備產生的幹擾信號通過電磁感應向空中輻射的原理。圖11中,電子設備表示幹擾信號源,V1表示測量儀表,C1表示電子設備對大地的電容,C2表示電子設備與天線偶合的電容,即:電子設備通過電場對天線產生感應,這裏的天線也可以看成是被幹擾的設備。圖11deceshifangfajiushiceshidianzishebeizhouweiguidingjulimouchudediancichangqiangdu,youyuganraoxinhaoyibandoushiyigepinlvchengfenfeichangfengfudefeizhengxianbo,yinci,wufaduitajinxingzhijieceliang,zhinengduitaqizhongmouyigepinlvxinhaodandujinxingceliang。

電(dian)子(zi)設(she)備(bei)與(yu)天(tian)線(xian)感(gan)應(ying)產(chan)生(sheng)的(de)電(dian)流(liu)是(shi)位(wei)移(yi)電(dian)流(liu),一(yi)般(ban)頻(pin)率(lv)很(hen)高(gao)的(de)位(wei)移(yi)電(dian)流(liu)在(zai)電(dian)路(lu)中(zhong)每(mei)處(chu)的(de)電(dian)流(liu)方(fang)向(xiang)以(yi)及(ji)電(dian)流(liu)大(da)小(xiao)和(he)電(dian)壓(ya)幅(fu)度(du)都(dou)是(shi)不(bu)一(yi)樣(yang)的(de),我(wo)們(men)無(wu)法(fa)對(dui)它(ta)直(zhi)接(jie)進(jin)行(xing)測(ce)量(liang),因(yin)此(ci),在(zai)進(jin)行(xing)信(xin)號(hao)測(ce)量(liang)的(de)時(shi)候(hou)一(yi)般(ban)都(dou)使(shi)用(yong)諧(xie)振(zhen)天(tian)線(xian),使(shi)天(tian)線(xian)諧(xie)振(zhen)回(hui)路(lu)對(dui)某(mou)個(ge)頻(pin)率(lv)的(de)幹(gan)擾(rao)交(jiao)流(liu)信(xin)號(hao)產(chan)生(sheng)諧(xie)振(zhen),然(ran)後(hou)再(zai)檢(jian)測(ce)諧(xie)振(zhen)信(xin)號(hao)的(de)電(dian)壓(ya)幅(fu)度(du)。在(zai)測(ce)試(shi)過(guo)程(cheng)中(zhong),天(tian)線(xian)需(xu)要(yao)經(jing)常(chang)進(jin)行(xing)調(tiao)諧(xie),調(tiao)諧(xie)就(jiu)是(shi)調(tiao)節(jie)天(tian)線(xian)振(zhen)子(zi)的(de)長(chang)度(du),或(huo)磁(ci)感(gan)應(ying)天(tian)線(xian)諧(xie)振(zhen)回(hui)路(lu)中(zhong)的(de)電(dian)容(rong),更(geng)多(duo)的(de)是(shi)調(tiao)諧(xie)選(xuan)頻(pin)放(fang)大(da)器(qi)輸(shu)入(ru)回(hui)路(lu)中(zhong)的(de)諧(xie)振(zhen)電(dian)路(lu)參(can)數(shu)。

圖12是極化天線的工作原理圖,圖12-a)和圖12-b)表示天線在電場中被感應產生極化的兩種不同情形。所謂極化就是導體或物體在電場力的作用下產生帶電,這種帶電是極化帶電,即:導dao體ti或huo物wu體ti的de一yi端duan帶dai正zheng電dian,而er另ling一yi端duan帶dai負fu電dian。一yi般ban地di說shuo,導dao體ti或huo物wu體ti被bei極ji化hua帶dai電dian,隻zhi是shi兩liang端duan帶dai電dian,而er中zhong心xin點dian是shi不bu帶dai電dian的de。由you於yu,極ji化hua天tian線xian的de電dian場chang是shi一yi個ge交jiao變bian電dian場chang,所suo以yi,天tian線xian總zong是shi在zai圖tu12-a)和圖12-b)之間來回變化。12-a)和圖12-b)最左邊的圖形是表示電場方向和天線的電荷分布曲線,中間圖形表示載流子在極化天線中流動,右邊圖形表示天線的等效電路。
天線來回極化的工作原理可以等效成一個串聯諧振電路,當天線在電場力的作用下被極化帶電時,它又相當於一個電容在充電;當天線中的載流子在電場力的作用下來回移動時,它又相當於一個電感,並且在天線的周圍會產生磁場。
當天線諧振電路產生諧振時,在天線串聯諧振電路中會產生很大的諧振電流和很高的諧振電壓(假設諧振電路的品質因數非常高),但實際使用的測量天線品質因數都不高,因為天線還要輸出能量,即:需要從天線中取出測試信號。要想從天線中取出信號,可以通過高頻信號線(雙線)把兩根天線串聯起來,相當於電纜線連接在兩根天線的中間,然後把高頻信號線(雙線)的另一端作為輸出;另一種方法是,高頻信號線(雙線)其中的一條接天線,另一條接大地,高頻信號線(雙線)delingyiduanzuoweishuchu。qianyizhongtianxianyibanjiaobanboshuangzhenzitianxianhuoquanboshuangzhenzitianxian,houyizhongjiaobanbohuoquanbodanzhenzitianxian。xianran,shuangzhenzitianxianxingnengyaobidanzhenzitianxianhaohenduo。
這種測量方法是不很精確的,但沒有其它更好的方法。因為,任何諧振回路都是一個儲能電路,這種儲能電路是一點、一(yi)點(dian)地(di)把(ba)電(dian)能(neng)量(liang)進(jin)行(xing)積(ji)累(lei)並(bing)存(cun)儲(chu)起(qi)來(lai)的(de),在(zai)進(jin)行(xing)能(neng)量(liang)積(ji)累(lei)的(de)過(guo)程(cheng)中(zhong)自(zi)身(shen)也(ye)會(hui)損(sun)耗(hao)能(neng)量(liang),最(zui)後(hou)達(da)到(dao)接(jie)收(shou)能(neng)量(liang)與(yu)損(sun)耗(hao)能(neng)量(liang)完(wan)全(quan)平(ping)衡(heng)的(de)時(shi)候(hou),諧(xie)振(zhen)回(hui)路(lu)的(de)電(dian)壓(ya)幅(fu)度(du)才(cai)停(ting)止(zhi)增(zeng)長(chang),即(ji):諧振回路的電壓幅度與諧振回路的品質因數Q值有關,但諧振回路的品質因數Q值對於不同頻率信號是不一樣的,並且這種諧振回路無法檢測幹擾脈衝的瞬時值。
圖13是諧振回路產生諧振的工作原理圖。圖13-a)是一個含有諧波分量非常豐富的電壓方波,圖13-b)是LC串聯回路產生諧振時的電壓波形。當電壓方波作用於LC串聯回路時,方波的前後沿都會對LC串聯回路產生激勵(即接收能量),每次激勵過後又會產生阻尼振蕩(即損耗能量),當輸入電壓波形的上升率dv/dt值大於諧振回路波形(正弦波)的上升率時,電路就會產生激勵;當輸入電壓波形的上升率dv/dt值小於諧振回路波形的上升率時,電路就會產生阻尼。
由於每次激勵過後振蕩回路的能量還沒有損耗完,緊接著又來一次新的激勵,使振蕩電壓一次、又(you)一(yi)次(ci)地(di)進(jin)行(xing)疊(die)加(jia),如(ru)果(guo)激(ji)勵(li)的(de)相(xiang)位(wei)與(yu)振(zhen)蕩(dang)波(bo)形(xing)的(de)相(xiang)位(wei)能(neng)保(bao)持(chi)同(tong)步(bu),則(ze)振(zhen)蕩(dang)電(dian)壓(ya)的(de)幅(fu)度(du)會(hui)越(yue)來(lai)越(yue)高(gao),直(zhi)到(dao)激(ji)勵(li)的(de)能(neng)量(liang)與(yu)電(dian)路(lu)損(sun)耗(hao)的(de)能(neng)量(liang)相(xiang)等(deng)為(wei)止(zhi)。因(yin)此(ci),當(dang)諧(xie)振(zhen)回(hui)路(lu)的(de)品(pin)質(zhi)因(yin)數(shu)Q值很高時,諧振電壓也可以升得很高,理想的情況是Q值無限高(即天線沒有損耗),則產生諧振電壓的幅度也會升得無限高,但這種情況是不存在的。
從圖13還可以看出,LC串聯回路產生諧振時的電壓幅度與激勵波形的相位密切相關,而與激勵波形的幅度反而相關不是特別大。如果圖13-a)中的電壓方波之間的相位或周期不是嚴格保持相等,那麼圖13-b)中的波形就會產生嚴重抖動,並且諧振電壓的幅度也會下降很多。因此,用圖11中的測量方法並不能完全客觀地測量出幹擾信號在某空間處的電磁場強度。
另外還需指出,測試用的接收天線還分電場感應電線和磁場感應天線,還有電磁場感應天線。圖11中僅以電場偶合天線為例進行分析。
圖13zhongzhishiduiganraoxinhaojieshoutianxiandeyuanlijinxinglefenxi,shijiyingyongzhongtianxianshibujutiqufenjieshoutianxianhefashetianxiande,liangzhedoukeyitongyongyigentianxian。yinci,dianluzhongrenhedaidiandedaotihuoyoudianliuliuguodedaotidoukeyikanchengshifashetianxian。congtu11可以看出,電子設備產生輻射幹擾的大小除了幹擾信號幅度之外,還與感應電容C1、C2的大小有關,即:與電場輻射的麵積有關(電容與麵積大小成正比),與磁場輻射的麵積也有關,因此,盡量減小幹擾信號的輻射麵積是一種降低輻射幹擾的好辦法。
圖13 是諧振回路產生諧振的工作原理圖。圖13-a)是一個含有諧波分量非常豐富的電壓方波,圖13-b)是LC 串聯回路產生諧振時的電壓波形。當電壓方波作用於LC 串聯回路時,方波的前後沿都會對LC 串聯回路產生激勵(即接收能量),每次激勵過後又會產生阻尼振蕩(即損耗能量),當輸入電壓波形的上升率dv/dt 值大於諧振回路波形(正弦波)的上升率時,電路就會產生激勵;當輸入電壓波形的上升率dv/dt 值小於諧振回路波形的上升率時,電路就會產生阻尼。
由於每次激勵過後振蕩回路的能量還沒有損耗完,緊接著又來一次新的激勵,使振蕩電壓一次、又(you)一(yi)次(ci)地(di)進(jin)行(xing)疊(die)加(jia),如(ru)果(guo)激(ji)勵(li)的(de)相(xiang)位(wei)與(yu)振(zhen)蕩(dang)波(bo)形(xing)的(de)相(xiang)位(wei)能(neng)保(bao)持(chi)同(tong)步(bu),則(ze)振(zhen)蕩(dang)電(dian)壓(ya)的(de)幅(fu)度(du)會(hui)越(yue)來(lai)越(yue)高(gao),直(zhi)到(dao)激(ji)勵(li)的(de)能(neng)量(liang)與(yu)電(dian)路(lu)損(sun)耗(hao)的(de)能(neng)量(liang)相(xiang)等(deng)為(wei)止(zhi)。因(yin)此(ci),當(dang)諧(xie)振(zhen)回(hui)路(lu)的(de)品(pin)質(zhi)因(yin)數(shu)Q值很高時,諧振電壓也可以升得很高,理想的情況是Q值無限高(即天線沒有損耗),則產生諧振電壓的幅度也會升得無限高,但這種情況是不存在的。

圖13
從圖13還可以看出,LC串聯回路產生諧振時的電壓幅度與激勵波形的相位密切相關,而與激勵波形的幅度反而相關不是特別大。如果圖13-a)中的電壓方波之間的相位或周期不是嚴格保持相等,那麼圖13-b)中的波形就會產生嚴重抖動,並且諧振電壓的幅度也會下降很多。因此,用圖11 中的測量方法並不能完全客觀地測量出幹擾信號在某空間處的電磁場強度。
另外還需指出,測試用的接收天線還分電場感應電線和磁場感應天線,還有電磁場感應天線。圖11中僅以電場偶合天線為例進行分析。圖13 zhongzhishiduiganraoxinhaojieshoutianxiandeyuanlijinxinglefenxi,shijiyingyongzhongtianxianshibujutiqufenjieshoutianxianhefashetianxiande,liangzhedoukeyitongyongyigentianxian。yinci,dianluzhongrenhedaidiandedaotihuoyoudianliuliuguodedaotidoukeyikanchengshifashetianxian。congtu11 可以看出,電子設備產生輻射幹擾的大小除了幹擾信號幅度之外,還與感應電容C1、C2的大小有關,即:與電場輻射的麵積有關(電容與麵積大小成正比),與磁場輻射的麵積也有關,因此,盡量減小幹擾信號的輻射麵積是一種降低輻射幹擾的好辦法。
特別推薦
- 噪聲中提取真值!瑞盟科技推出MSA2240電流檢測芯片賦能多元高端測量場景
- 10MHz高頻運行!氮矽科技發布集成驅動GaN芯片,助力電源能效再攀新高
- 失真度僅0.002%!力芯微推出超低內阻、超低失真4PST模擬開關
- 一“芯”雙電!聖邦微電子發布雙輸出電源芯片,簡化AFE與音頻設計
- 一機適配萬端:金升陽推出1200W可編程電源,賦能高端裝備製造
技術文章更多>>
- 貿澤EIT係列新一期,探索AI如何重塑日常科技與用戶體驗
- 算力爆發遇上電源革新,大聯大世平集團攜手晶豐明源線上研討會解鎖應用落地
- 創新不止,創芯不已:第六屆ICDIA創芯展8月南京盛大啟幕!
- AI時代,為什麼存儲基礎設施的可靠性決定數據中心的經濟效益
- 矽典微ONELAB開發係列:為毫米波算法開發者打造的全棧工具鏈
技術白皮書下載更多>>
- 車規與基於V2X的車輛協同主動避撞技術展望
- 數字隔離助力新能源汽車安全隔離的新挑戰
- 汽車模塊拋負載的解決方案
- 車用連接器的安全創新應用
- Melexis Actuators Business Unit
- Position / Current Sensors - Triaxis Hall
熱門搜索
Future
GFIVE
GPS
GPU
Harting
HDMI
HDMI連接器
HD監控
HID燈
I/O處理器
IC
IC插座
IDT
IGBT
in-cell
Intersil
IP監控
iWatt
Keithley
Kemet
Knowles
Lattice
LCD
LCD模組
LCR測試儀
lc振蕩器
Lecroy
LED
LED保護元件
LED背光




