無需磁性元件的光伏調節器
發布時間:2024-09-10 責任編輯:lina
【導讀】光伏係統通常包括一種儲能方式——電池或超級電容器——在沒有陽光或電源瞬變時為負載提供電力。然而,在可行的情況下,無儲能係統是一種更環保的替代方案,具有更高的 MTBF。
光伏係統通常包括一種儲能方式——電池或超級電容器——在沒有陽光或電源瞬變時為負載提供電力。然而,在可行的情況下,無儲能係統是一種更環保的替代方案,具有更高的 MTBF。
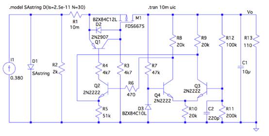
圖 1 所示的設計理念 是一種光伏穩壓器,采用Bang-Bang 式開關模式運行,可實現高效率。它易於擴展,並且僅使用分立元件。
PMOS管M1導通、截止,對輸出電容C1充電。M1開路時,光伏電源達到開路電壓,C1向負載放電;M1導通時,光伏電源被鉗位到輸出電壓V O,C1再次充電。
光伏電源的 SPICE 模型由 I1-D1-R1-R2 給出,代表一串 30 個串聯的低功率矽太陽能電池。
電路操作如下:由於 R3 和齊納二極管 D2 將 V GS設置 為 12V,因此M1 在啟動期間開啟。隨著 C1 充電,齊納二極管 D3 上的電壓上升直至達到 10V,從而設置電壓參考電平。V O 繼續上升,直到由 Q3 和 Q4 組成的差分放大器的輸出打開 Q2 和 Q1,從而關閉 M1。
然後V O 逐漸減小,直到差分放大器的輸出不足以保持 Q2 導通。調節器無限期地保持 Bang-Bang 模式,輸出電壓由下式給出:
(1)
輸出電壓紋波和開關頻率可通過輸出電容器 C1 和反饋網絡電容器 C2 進行調整。增加 C2 值(zhi)會(hui)減(jian)慢(man)電(dian)壓(ya)感(gan)測(ce)速(su)度(du),這(zhe)對(dui)於(yu)穩(wen)定(ding)性(xing)目(mu)的(de)而(er)言(yan)可(ke)能(neng)是(shi)必(bi)要(yao)的(de),但(dan)也(ye)會(hui)增(zeng)加(jia)輸(shu)出(chu)紋(wen)波(bo)。建(jian)議(yi)根(gen)據(ju)應(ying)用(yong)在(zai)開(kai)關(guan)頻(pin)率(lv)和(he)輸(shu)出(chu)電(dian)壓(ya)紋(wen)波(bo)之(zhi)間(jian)取(qu)得(de)平(ping)衡(heng)。
原型的波形如圖2所示。15V 輸出上的紋波小於 0.5 V P-P ,開關頻率略高於 25 kHz。
圖 2 穩壓器波形。藍色:輸出電壓;綠色:輸入電壓;青色:M1 電流。
總而言之,該電路是一種簡單但堅固且多功能的解決方案,可從光伏電源獲得穩定電壓。該設計可輕鬆適應其他電壓或電流需求。
免責聲明:本文為轉載文章,轉載此文目的在於傳遞更多信息,版權歸原作者所有。本文所用視頻、圖片、文字如涉及作品版權問題,請聯係小編進行處理。
推薦閱讀:
貿澤電子對FIRST創始人兼發明家Dean Kamen進行視頻專訪
- 噪聲中提取真值!瑞盟科技推出MSA2240電流檢測芯片賦能多元高端測量場景
- 10MHz高頻運行!氮矽科技發布集成驅動GaN芯片,助力電源能效再攀新高
- 失真度僅0.002%!力芯微推出超低內阻、超低失真4PST模擬開關
- 一“芯”雙電!聖邦微電子發布雙輸出電源芯片,簡化AFE與音頻設計
- 一機適配萬端:金升陽推出1200W可編程電源,賦能高端裝備製造
- 貿澤EIT係列新一期,探索AI如何重塑日常科技與用戶體驗
- 算力爆發遇上電源革新,大聯大世平集團攜手晶豐明源線上研討會解鎖應用落地
- 創新不止,創芯不已:第六屆ICDIA創芯展8月南京盛大啟幕!
- AI時代,為什麼存儲基礎設施的可靠性決定數據中心的經濟效益
- 矽典微ONELAB開發係列:為毫米波算法開發者打造的全棧工具鏈
- 車規與基於V2X的車輛協同主動避撞技術展望
- 數字隔離助力新能源汽車安全隔離的新挑戰
- 汽車模塊拋負載的解決方案
- 車用連接器的安全創新應用
- Melexis Actuators Business Unit
- Position / Current Sensors - Triaxis Hall




