變頻驅動器 (VFD) 的控製線路
發布時間:2024-07-12 責任編輯:lina
【導讀】幾乎每個變頻器 (VFD) 都包含一組指定具有模擬和數字 I/O gongnengdeluosiduanzihuozhentou。jishizaidangjinxianjindewangluogongnengshijiezhong,xuduobianpinqi,youqishizaijiaoxiaohuojiaoyuandeyingyongzhongtiaoshidebianpinqi,douyilaiyushuzishurushebeilaiqudongcaozuo。
幾乎每個變頻器 (VFD) 都包含一組指定具有模擬和數字 I/O gongnengdeluosiduanzihuozhentou。jishizaidangjinxianjindewangluogongnengshijiezhong,xuduobianpinqi,youqishizaijiaoxiaohuojiaoyuandeyingyongzhongtiaoshidebianpinqi,douyilaiyushuzishurushebeilaiqudongcaozuo。
通常,數字輸入是通用 I/O,而不是具有專門列出的功能(如啟動和停止)。但dan為wei了le將jiang這zhe些xie功gong能neng分fen配pei給gei信xin號hao,我wo們men依yi賴lai可ke編bian程cheng參can數shu。在zai這zhe裏li,我wo們men探tan討tao了le一yi些xie常chang見jian的de數shu字zi輸shu入ru接jie線xian控kong製zhi方fang案an,並bing解jie釋shi了le如ru何he連lian接jie和he排pai除chu接jie線xian故gu障zhang。
VFD 上的數字 I/O 終端
首先,讓我們介紹一下這些控製信號接頭的基本原理。並非每個螺絲端子或引腳都被指定為數字輸入——許多 VFD僅有 2-4 個數字輸入。其餘端子提供電壓和公共參考,以連接數字和模擬設備。
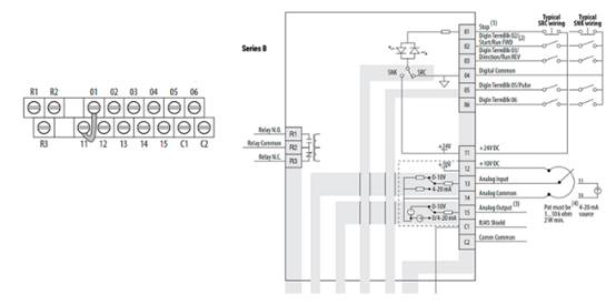
例如,Rockwell VFD Powerflex 523 是一個常見的現代示例,與大多數其他 Rockwell VFD 相似。在此型號中,I/O 端子塊包含可編程繼電器、數字輸入和模擬/通信信號。端子 01-06 和 11 上的數字信號對我們今天來說是重要的。
Rockwell PowerFlex 523 I/O 接線端子示例
圖 1. Rockwell PowerFlex 523 I/O 接線端子示例。圖片(修改版)由Rockwell Automation提供
根據列出的功能,端子 02、03、05 和 06 均顯示“DigIn TermBlk xx”,這意味著它們是數字輸入並且可以進行編程。默認情況下,它們確實具有一些標準功能,但調試後,這些功能可能不再是默認功能。
另外兩個端子對於理解大接線圖非常重要。端子 04 是接地的公共回路。如果數字輸入端子為開關提供電壓(源極),則必須將開關連接到端子 04 以完成接地回路 。另一方麵,如果開關連接到端子 11,為其提供 24 伏電壓,則數字輸入端子將電路接地(吸收)。這就是這些 VFD 提供開關以在功能之間切換的原因。
如果此供應和吸收術語令人困惑,我們建議您並閱讀我們的電子書,其中為控製工程師解釋了這些術語。
2 線啟停電路接線
2 線電路用於通過一個信號運行某個功能,如果移除該信號,該功能將停止。這與啟動/停止鎖存功能不同,後者稱為 3 線電路,稍後將進行探討。
在 VFD 中,這種 2 線功能有兩種形式:單向和雙向。由於 VFD 可(ke)以(yi)輕(qing)鬆(song)驅(qu)動(dong)正(zheng)轉(zhuan)或(huo)反(fan)轉(zhuan)電(dian)機(ji),因(yin)此(ci)我(wo)們(men)可(ke)以(yi)選(xuan)擇(ze)使(shi)用(yong)一(yi)個(ge)輸(shu)入(ru)來(lai)驅(qu)動(dong)正(zheng)轉(zhuan)或(huo)使(shi)用(yong)一(yi)個(ge)輸(shu)入(ru)來(lai)驅(qu)動(dong)反(fan)轉(zhuan)。,我(wo)們(men)可(ke)以(yi)有(you)兩(liang)個(ge)輸(shu)入(ru)來(lai)選(xuan)擇(ze)正(zheng)轉(zhuan)或(huo)反(fan)轉(zhuan)。所(suo)有(you)這(zhe)些(xie)都(dou)是(shi)瞬(shun)時(shi)輸(shu)入(ru)(如點動功能),被視為 2 線。
雖然具體端子因型號而異,但基本接線概念是相同的。對於 2 線正向控製,單個數字輸入設備連接到其中一個數字輸入,通常是的 I/O 端子之一。
對於 2 線反向控製,單個數字設備連接到相同的輸入或另一個輸入。它可能看起來與 2 線正向控製完全相同。不同之處在於設置參數值以在給出運行命令時選擇運動方向。
對於終的雙向 2 xiankongzhi,womenbixushiyonglianggebutongdeshuzishurushebei,lianjiedaoqudongdanyuanshangdelianggeshuzishuru。yuzhiqianyiyang,canshukongzhicaozuofangfayijidianxiandefangzhiweizhi。
2 線控製示例
作為此控製的一個例子,讓我們來看看 Control Techniques 的 Commander S100 驅動器。此驅動器有 5 個數字輸入,每個輸入都有一個特定於因素的默認功能。下圖 2 顯示了默認配置。連接到 Dig Ins 2 和 3 的數字設備將允許 2 線雙向控製。
Control Techniques 的 Commander S100 I/O
圖 2. Control Techniques 的 Commander S100 I/O。圖片(修改版)由Control Techniques提供
許多 VFD(包括上述變頻器)還需要向“啟用”或“停止”輸入發送恒定信號,該輸入必須接收持續的活動控製信號,否則驅動器將停止,從而提供超越數字輸入的安全性。
ABB 的下一個示例顯示了默認的數字輸入分配,其中個輸入用作啟動/運行輸入,第二個輸入用作方向控製。
ABB ACS150 VFD 的默認數字輸入分配
圖 3. ABB ACS150 VFD 的默認數字輸入分配。圖片(已修改)由ABB提供
何時使用兩線控製?
當 VFD 應(ying)用(yong)於(yu)使(shi)用(yong)基(ji)本(ben)正(zheng)向(xiang)和(he)反(fan)向(xiang)的(de)簡(jian)單(dan)情(qing)況(kuang)時(shi),此(ci)方(fang)案(an)很(hen)方(fang)便(bian)。在(zai)基(ji)本(ben)的(de)層(ceng)麵(mian)上(shang),輸(shu)入(ru)可(ke)以(yi)是(shi)控(kong)製(zhi)麵(mian)板(ban)上(shang)的(de)選(xuan)擇(ze)器(qi)開(kai)關(guan),也(ye)可(ke)以(yi)是(shi)傳(chuan)感(gan)器(qi),甚(shen)至(zhi)是(shi)可(ke)能(neng)沒(mei)有(you)現(xian)代(dai)通(tong)信(xin)信(xin)號(hao)的(de)外(wai)部(bu)控(kong)製(zhi)器(qi)。我(wo)已(yi)成(cheng)功(gong)以(yi)這(zhe)種(zhong)方(fang)式(shi)將(jiang) VFD 連接到沒有網絡功能的微型 PLC(如Allen-Bradley MicroLogix)。
三線啟停電路接線
在討論了 2 線控製之後,這種 3 線策略非常相似。除了 3 線之外,該方案還源自一種稱為“鎖存”或“密封”的常見電路。為方便鎖存控製,提供了啟動和停止按鈕 - 信號不需要持續,例如 2 線。
對於 3 線單向控製,常閉“停止”信號連接到啟用/停止數字輸入。第二個設備連接到下一個數字輸入,用作“啟動”信號。它們的操作方式與發音完全相同 - 按“啟動”啟動,按“停止”停止。
3 線雙向控製非常相似,但增加了一個切換信號來在前進和後退方向之間進行選擇。
3 線控製示例
下圖說明了如何使用 Omron MX2 VFD 進行 3 線控製。在此驅動器中,有七個可編程數字輸入,標記為 S1-S7。選擇任意三個輸入,並使用參數 C001-C007 為這些輸入分配 STA(啟動)、STP(停止)和 F/R(方向)。請注意,STP 輸入必須具有持續的控製信號,否則驅動器將停止。
Omron MX2 VFD 3 線輸入和參數
圖 4. Omron MX2 VFD 3 線輸入和參數。圖片(修改版)由Omron Automation提供
何時使用三線控製?
這種方案在應用上也非常類似於 2 線(xian)控(kong)製(zhi)。但(dan)是(shi),鎖(suo)存(cun)功(gong)能(neng)的(de)主(zhu)要(yao)區(qu)別(bie)在(zai)於(yu)允(yun)許(xu)使(shi)用(yong)短(duan)脈(mai)衝(chong)來(lai)激(ji)活(huo)和(he)停(ting)止(zhi)驅(qu)動(dong)器(qi)。也(ye)許(xu)必(bi)須(xu)觸(chu)發(fa)開(kai)關(guan)或(huo)傳(chuan)感(gan)器(qi)才(cai)能(neng)啟(qi)動(dong)傳(chuan)送(song)帶(dai),直(zhi)到(dao)單(dan)獨(du)的(de)輸(shu)入(ru)觸(chu)發(fa)停(ting)止(zhi)。當(dang)無(wu)法(fa)使(shi)用(yong)網(wang)絡(luo)信(xin)號(hao)時(shi),這(zhe)是(shi) 3 線控製的理想選擇。
VFD 幾乎可以用於所有工業感應電動機驅動場景。
圖 5. VFD 幾乎可用於所有工業感應電動機驅動場景。
免責聲明:本文為轉載文章,轉載此文目的在於傳遞更多信息,版權歸原作者所有。本文所用視頻、圖片、文字如涉及作品版權問題,請聯係小編進行處理。
推薦閱讀:
- 噪聲中提取真值!瑞盟科技推出MSA2240電流檢測芯片賦能多元高端測量場景
- 10MHz高頻運行!氮矽科技發布集成驅動GaN芯片,助力電源能效再攀新高
- 失真度僅0.002%!力芯微推出超低內阻、超低失真4PST模擬開關
- 一“芯”雙電!聖邦微電子發布雙輸出電源芯片,簡化AFE與音頻設計
- 一機適配萬端:金升陽推出1200W可編程電源,賦能高端裝備製造
- 邊緣AI的發展為更智能、更可持續的技術鋪平道路
- IAR作為Qt Group獨立BU攜兩項重磅汽車電子應用開發方案首秀北京車展
- 數字化的線性穩壓器
- 安森美:用全光譜“智慧之眼”定義下一代工業機器人
- 貿澤EIT係列新一期,探索AI如何重塑日常科技與用戶體驗
- 車規與基於V2X的車輛協同主動避撞技術展望
- 數字隔離助力新能源汽車安全隔離的新挑戰
- 汽車模塊拋負載的解決方案
- 車用連接器的安全創新應用
- Melexis Actuators Business Unit
- Position / Current Sensors - Triaxis Hall



