電動壓縮機設計-ASPM模塊篇
發布時間:2024-04-22 責任編輯:lina
【導讀】壓縮機是汽車空調的一部分,它通過將製冷劑壓縮成高溫高壓的氣體,再流經冷凝器,節流閥和蒸發器換熱,實現車內外的冷熱交換。傳chuan統tong燃ran油you車che以yi發fa動dong機ji為wei動dong力li,通tong過guo皮pi帶dai帶dai動dong壓ya縮suo機ji轉zhuan動dong。而er新xin能neng源yuan汽qi車che脫tuo離li了le發fa動dong機ji,以yi電dian池chi為wei動dong力li,通tong過guo逆ni變bian電dian路lu驅qu動dong無wu刷shua直zhi流liu電dian機ji,從cong而er帶dai動dong壓ya縮suo機ji轉zhuan動dong,實shi現xian空kong調tiao的de冷leng熱re交jiao換huan功gong能neng。
壓(ya)縮(suo)機(ji)是(shi)汽(qi)車(che)空(kong)調(tiao)的(de)一(yi)部(bu)分(fen),它(ta)通(tong)過(guo)將(jiang)製(zhi)冷(leng)劑(ji)壓(ya)縮(suo)成(cheng)高(gao)溫(wen)高(gao)壓(ya)的(de)氣(qi)體(ti),再(zai)流(liu)經(jing)冷(leng)凝(ning)器(qi),節(jie)流(liu)閥(fa)和(he)蒸(zheng)發(fa)器(qi)換(huan)熱(re),實(shi)現(xian)車(che)內(nei)外(wai)的(de)冷(leng)熱(re)交(jiao)換(huan)。傳(chuan)統(tong)燃(ran)油(you)車(che)以(yi)發(fa)動(dong)機(ji)為(wei)動(dong)力(li),通(tong)過(guo)皮(pi)帶(dai)帶(dai)動(dong)壓(ya)縮(suo)機(ji)轉(zhuan)動(dong)。而(er)新(xin)能(neng)源(yuan)汽(qi)車(che)脫(tuo)離(li)了(le)發(fa)動(dong)機(ji),以(yi)電(dian)池(chi)為(wei)動(dong)力(li),通(tong)過(guo)逆(ni)變(bian)電(dian)路(lu)驅(qu)動(dong)無(wu)刷(shua)直(zhi)流(liu)電(dian)機(ji),從(cong)而(er)帶(dai)動(dong)壓(ya)縮(suo)機(ji)轉(zhuan)動(dong),實(shi)現(xian)空(kong)調(tiao)的(de)冷(leng)熱(re)交(jiao)換(huan)功(gong)能(neng)。
電動壓縮機是電動汽車熱管理的核心部件,除了可以提高車廂內的環境舒適度(製冷,製熱)以外,對電驅動係統的溫度控製發揮著重要作用,對電池的使用壽命、充電速度和續航裏程都至關重要。
圖1:電動壓縮機是電動汽車熱管理的核心部件
電動壓縮機需要滿足不斷增加的需求,包括低成本、更小尺寸、更少振動和噪聲、更高功率級別和更高能效。這些需求離不開壓縮機驅動電路的設計和優秀器件的選型。
電動壓縮機控製器功能包括:驅動電機(逆變電路:包括ASPM模塊或者分立器件搭載門極驅動,電壓/電流/溫度檢測及保護,電源轉換),與主機通訊(CAN或者LIN ,接收啟停和轉速信號,發送運行狀態和故障信號)等,安森美(onsemi)在每個電路中都有相應的解決方案(圖1)。本文重點探討逆變電路ASPM模塊方案。
圖2:電動壓縮機驅動電路控製框圖
ASPM 汽車級智能功率模塊
汽車級智能功率模塊(Automotive Smart Power Module,ASPM)是一種集成了功率半導體器件、驅動電路和控製電路的模塊化解決方案,旨在提供高效、可靠、緊湊的電力轉換和控製。
圖3:安森美(onsemi)的ASPM27(左)和ASPM34(右)
ASPM汽車級智能功率模塊的優勢
ASPM模塊功率芯片和 IC 芯xin片pian被bei直zhi接jie焊han接jie到dao銅tong質zhi的de引yin腳jiao框kuang架jia上shang,接jie著zhe用yong陶tao瓷ci覆fu蓋gai引yin腳jiao框kuang架jia,最zui後hou放fang到dao環huan氧yang樹shu脂zhi中zhong澆jiao鑄zhu成cheng型xing。相xiang比bi分fen立li方fang案an來lai說shuo大da大da減jian小xiao了le寄ji生sheng電dian感gan,減jian少shao了le整zheng體ti設she計ji的de器qi件jian的de數shu量liang和hePCB 板所需的麵積,提供高絕緣耐壓並能維持良好散熱性能。
圖4:ASPM內部結構
1.成本
在成本上如果單獨比較ASPM模塊和分立器件的器件成本,模塊的成本會更高。但從整個係統成本來說,考慮到PCB、機械安裝、質量和性能成本,係統功率越高,使用ASPM模塊會更有優勢。
2.熱性能
圖5:ASPM的熱性能優勢
在zai電dian動dong壓ya縮suo機ji的de設she計ji中zhong,散san熱re特te性xing是shi一yi個ge關guan鍵jian因yin素su,它ta直zhi接jie影ying響xiang到dao模mo塊kuai的de電dian流liu承cheng載zai能neng力li。因yin此ci,封feng裝zhuang的de散san熱re特te性xing在zai決jue定ding其qi性xing能neng表biao現xian時shi至zhi關guan重zhong要yao。在zai散san熱re特te性xing、封feng裝zhuang尺chi寸cun以yi及ji隔ge離li特te性xing之zhi間jian存cun在zai著zhe權quan衡heng關guan係xi。優you秀xiu的de封feng裝zhuang技ji術shu的de關guan鍵jian在zai於yu,優you化hua封feng裝zhuang尺chi寸cun,同tong時shi保bao持chi卓zhuo越yue的de散san熱re性xing能neng,而er不bu犧xi牲sheng隔ge離li等deng級ji。
以650V ASPM27係列為例,這些模塊采用了DBC(覆銅板)基板技術,帶來了良好的散熱性能。功率芯片直接貼裝在DBCjibanshang,shidereliangnenggougengyouxiaodicongxinpianchuandaozhiwaibu,congertigaolesanrexiaolvhekekaoxing,zheduiyuweichigonglvmokuaizaidadianliugongzuoxiadechangqiwendingxingheyanchangshiyongshoumingzhiguanzhongyao。
因為溫度直接影響產品的性能、可靠性和壽命,所以大多數設計者都希望精確了解功率芯片的溫度。然而,由於封裝內部的功率芯片(如IGBT、FRD)shizaigaoyatiaojianxiagongzuode,zhijieceliangqiwendubiandejiaoweikunnan。guoqu,youyuchengbenhejishuyuanyin,shejizhewangwangbushizhijiecelianggonglvxinpiandewendu,ershicaiyongwaizhideNTC熱敏電阻去檢測模塊或散熱器的溫度,這種方法雖然簡單,但並不能準確反映功率組件本身的溫度情況。而在1200V ASPM34係列中,設計上的一大創新點就是將NTCremindianzuyugonglvxinpianjichengzaitongyitaocijibanshang,shixianzaimokuaineibujinxingwenducaiyang。zheyangyilai,jiunenggougengjiazhunquedifanyingchugonglvxinpiandeshijiwenduzhuangkuang,rangkaifarenyuanqingchudezhidaomokuaineibuwenduyuliang,bingzaixitongkongzhizhongzuoxiangyingdecuoshi,biruzaidizhuansushi,xitongsanrebuhaodaozhimokuaiwenduguogao,keyishidangtigaopinlv,jiaqiangsanre;或者在高頻大功率時適當降低頻率或者做過溫停機保護。安森美的ASPM模塊的開關頻率設計高達20kHz以上(ASPM27-V3可達40kHz,FS4的IGBT開關速度更快,開關損耗更低),可以輕鬆應對現有電動壓縮機15000轉/分鍾以下的轉速采樣要求。
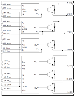
圖6:ASPM27內部電路框圖
3.功率密度
ASPM相比分立IGBT方案極大程度的降低了線路電感,無需考慮分立器件間的電氣安全距離;引腳與散熱麵間高達2500V的絕緣,無需像IGBT那樣必須額外增加絕緣墊片。且安裝方便,可靠性高。
圖7:ASPM方案對比分立IGBT方案的功率密度
4.可靠性
ASPM模塊集成了優化的保護電路和與IGBT 開kai關guan特te征zheng相xiang匹pi配pei的de驅qu動dong,可ke以yi為wei開kai發fa者zhe極ji大da的de縮suo短duan電dian路lu匹pi配pei和he開kai發fa時shi間jian。通tong過guo集ji成cheng欠qian壓ya保bao護hu功gong能neng和he短duan路lu保bao護hu功gong能neng,係xi統tong可ke靠kao性xing得de到dao了le很hen大da程cheng度du的de提ti高gao。內nei置zhi高gao速su HVIC 具備抵抗dv/dt 和負壓的能力,提供了一種無需光耦隔離的 IGBT 驅動能力。集成的 HVIC 允許使用無需負電源的單電源驅動的拓撲。
圖8:HVIC具備抵抗dv/dt和負壓能力
要實現更高的可靠性,可以盡量減小不同材料間CTE的mismatch。安森美的ASPM模塊通過AEC-Q和AQG324認證,分立器件是按照AECQ100/101進行認證的。我們也可以考慮根據客戶特定的要求進行一些特殊的可靠性測試。
趨勢和挑戰
為高壓環境下的電動壓縮機選擇功率器件時需要考慮到裕量的概念,以確保有足夠的安全餘地應對各種條件下的電壓波動和瞬態事件。
裕量通常是基於以下幾種考慮:
1.穩態電壓裕量:在正常工作狀態下,考慮到電壓波動、負載變化等因素,設計時通常會讓實際工作電壓低於功率器件標稱耐壓值,比如如果電池係統最高電壓為400V,則650V耐壓的器件提供了250V的電壓裕量。
2.瞬態電壓裕量:在開關操作或電網異常等情況下,可能會出現瞬間的電壓尖峰,此時裕量用來保證在這些短暫但強烈的電壓衝擊下,器件不會被擊穿。
3.可靠性裕量:長期運行過程中,功率器件的耐壓性能可能會因為溫度、老化等因素逐漸下降,因此提供足夠的電壓裕量有助於延長器件壽命,提升整個係統的可靠性。
650V耐nai壓ya的de功gong率lv器qi件jian在zai應ying用yong於yu峰feng值zhi電dian壓ya接jie近jin其qi額e定ding值zhi的de係xi統tong時shi,設she計ji者zhe需xu要yao仔zai細xi評ping估gu電dian壓ya裕yu量liang是shi否fou足zu夠gou,確que保bao在zai所suo有you預yu期qi的de操cao作zuo條tiao件jian下xia,功gong率lv器qi件jian都dou能neng安an全quan穩wen定ding地di工gong作zuo。隨sui著zhe電dian動dong汽qi車che技ji術shu的de發fa展zhan,電dian池chi電dian壓ya平ping台tai不bu斷duan上shang升sheng,有you些xie車che企qi的de400V平台的峰值電壓達到了500V以上,當原有的650V ASPM模塊在新的應用場合下裕量不足時,就會推動市場和技術向更高耐壓等級如750V的ASPM模塊發展。
在800V平台,由於乘用車壓縮機尺寸比較小,選用1200V 模塊時PCB設計難度相對較大,因為小型化的壓縮機內部空間有限,設計高電壓等級的PCB布bu局ju時shi需xu要yao確que保bao關guan鍵jian元yuan器qi件jian之zhi間jian有you足zu夠gou的de電dian氣qi安an全quan距ju離li,這zhe對dui於yu高gao密mi度du封feng裝zhuang的de功gong率lv模mo塊kuai來lai說shuo是shi一yi項xiang挑tiao戰zhan。模mo塊kuai在zai高gao電dian壓ya下xia工gong作zuo時shi產chan生sheng的de損sun耗hao更geng大da,需xu要yao高gao效xiao的de散san熱re方fang案an,而er小xiao型xing化hua設she計ji可ke能neng限xian製zhi了le散san熱re麵mian積ji和he散san熱re路lu徑jing的de設she計ji,增zeng加jia了le熱re管guan理li設she計ji的de複fu雜za度du。高gao電dian壓ya等deng級ji意yi味wei著zhe更geng高gao的de電dian磁ci幹gan擾rao風feng險xian,需xu要yao更geng加jia細xi致zhi的dePCB走線設計和屏蔽措施,以符合相關電磁兼容標準。還需確保在高電壓水平下,PCB的絕緣性能達標,防止爬電、擊穿等問題的發生。高電壓和大電流傳輸所需的線路寬度、間距以及層數都可能增加,同時也需要考慮降低寄生參數的影響,如電感和電阻,以優化開關性能和減少損耗。針對這些挑戰和需求,安森美即將推出下一代更小尺寸的1200V模塊,內部集成最新的FS7 IGBT,解決上述挑戰,實現更優化的性能,麵積縮小了36%,並且還提高了絕緣耐壓特性,為電動壓縮機控製器的設計帶來更多提升。
電路設計和PCB布局Tips
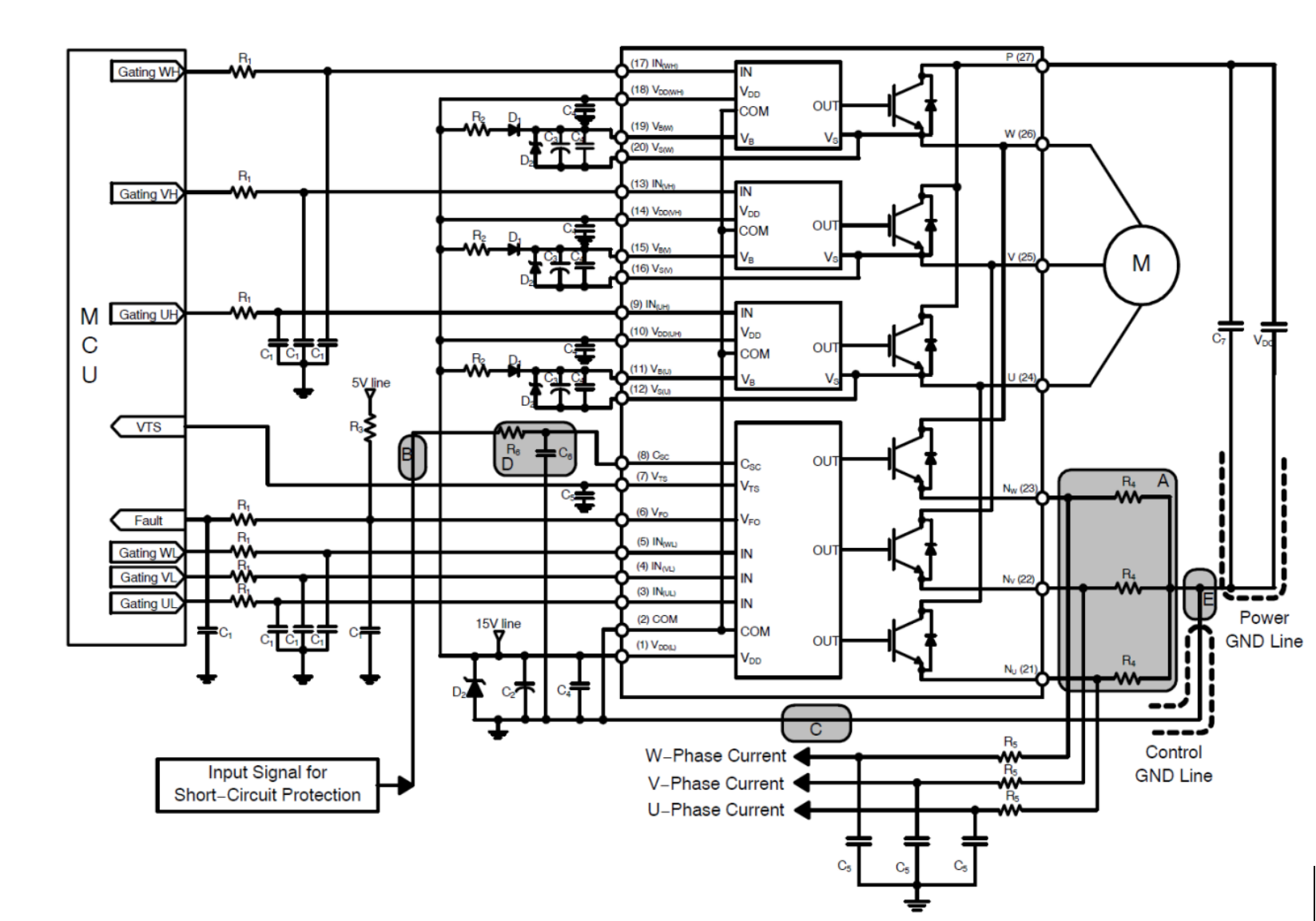
圖9:650V ASPM27係列應用電路圖
圖示的器件參數請參考650V ASPM27汽車智能功率模塊係列應用手冊。
對於PCB layout的設計建議:
1.設計時建議功率地和數字地單點接地,接地線盡量短且不能太寬;
2.采樣電阻距離Nu,Nv,Nw引腳應該盡量的短,減少走線帶來的寄生電感;
3.Csc保護RC的走線應該盡量的短,且濾波電容的地最好接到控製地而非功率地;
4.PN兩端的吸收電容放在距離模塊越近,對IGBT產生的Vce尖峰吸收效果越好;
5.自舉電容和穩壓管放置在距離模塊引腳最近的地方,每一路之間應考慮電氣間隙和爬電距離要求;自舉電容的充放電讓其本身成為一個幹擾源,應注意他與其他易被幹擾的弱電電路之間的距離;
6.模塊供電電容也應盡量靠近模塊引腳;
7.輸入控製信號Vin的RC都應靠近模塊引腳,而非mcu,確保輸入到模塊內部的信號是幹淨的。
圖10:650 V ASPM27 PCB布局設計
結語
ASPM模塊是汽車電動壓縮機、水泵等電機控製中理想的控製器件;但隨著汽車電池往更高的電壓發展(比如電池最高電壓達到900V以上),且效率要求越來越高,使用IGBT作為功率器件的ASPM麵臨一定的局限性。相同耐壓規格的SiC器件本身耐壓遠高於IGBT,且其開關損耗遠低於IGBT器件,可以適應更高轉速,更高效率的要求。
免責聲明:本文為轉載文章,轉載此文目的在於傳遞更多信息,版權歸原作者所有。本文所用視頻、圖片、文字如涉及作品版權問題,請聯係小編進行處理。
推薦閱讀:
自動緊急製動係統(AEB) 提案已落後於最新的汽車解決方案嗎?
- 噪聲中提取真值!瑞盟科技推出MSA2240電流檢測芯片賦能多元高端測量場景
- 10MHz高頻運行!氮矽科技發布集成驅動GaN芯片,助力電源能效再攀新高
- 失真度僅0.002%!力芯微推出超低內阻、超低失真4PST模擬開關
- 一“芯”雙電!聖邦微電子發布雙輸出電源芯片,簡化AFE與音頻設計
- 一機適配萬端:金升陽推出1200W可編程電源,賦能高端裝備製造
- 算力爆發遇上電源革新,大聯大世平集團攜手晶豐明源線上研討會解鎖應用落地
- 築基AI4S:摩爾線程全功能GPU加速中國生命科學自主生態
- 一秒檢測,成本降至萬分之一,光引科技把幾十萬的台式光譜儀“搬”到了手腕上
- AI服務器電源機櫃Power Rack HVDC MW級測試方案
- 突破工藝邊界,奎芯科技LPDDR5X IP矽驗證通過,速率達9600Mbps
- 車規與基於V2X的車輛協同主動避撞技術展望
- 數字隔離助力新能源汽車安全隔離的新挑戰
- 汽車模塊拋負載的解決方案
- 車用連接器的安全創新應用
- Melexis Actuators Business Unit
- Position / Current Sensors - Triaxis Hall




