驅動LED的好方法
發布時間:2022-10-27 責任編輯:lina
【導讀】LED技術推動照明領域的一場革命。因結合小型、低功耗、高可靠性和低成本,使得照明可以在不可能使用白熾燈或熒光燈技術的地方實現。因此,LED照明在辦公室、家庭甚至在汽車上激增。
LED技術推動照明領域的一場革命。因結合小型、低功耗、高可靠性和低成本,使得照明可以在不可能使用白熾燈或熒光燈技術的地方實現。因此,LED照明在辦公室、家庭甚至在汽車上激增。
目前固態照明方案的主要缺點不是LED本身,而是提供照明能量的電源。這些開關電源(Switched-Mode Power Supplies;SMPS)的預期壽命比LED短得多,主要是因為它們所含的磁性組件(magnetic components)和電解電容(electrolytic capacitors)的使用壽命。此外,含有風扇等主動(active)冷卻設備的開關電源尤其易受到在初期故障影響,而另一個缺點是SMPS的體積龐大,是電磁幹擾(Electro-Magnetic Interference;EMI)的主要原因。考慮到尺寸和有限的照明安裝空間,SMPS不太可能與LED安裝在相同的PCB上,因此需要互連和引線,這是另一個潛在的故障原因。
然而,電力技術和拓撲的最新進展包含交流直接驅動(Direct AC Drive;DACD)電源方案的出現。這種新方法完全無需傳統的SMPS,在成本、體積、使用壽命及可靠性方麵提供多種優勢,然而,並不是所有的DACD方案都相同。
DACD拓撲
所有DACD方案的共同之處是輸入橋式整流器(bridge rectifier),使用經典的4個二極管配置,將50/60Hz輸入交流波形(AC waveform),校正為100/120Hz半正弦波(half-sine wave)。峰值振幅(peak amplitude)從110V交流輸入的155V左右變化到230V交流輸入的325V,但原理保持不變。
用於LED驅動的DACD拓撲通常分為兩種配置,每一種都各有優缺點(圖1)。
圖1 典型的DACD拓撲及其主要的特點。
這兩種方法都支持采用單板(single board)方案,而不是SMPS方案所需的雙板方案。分流型(shunt type)DACD采用單片IC,降低物料清單(Bill of Material;BOM)成本,並且還具有可擴充的優點,但散熱性能相對較差。
相比之下,旁路類型(bypass type)傾向於使用多個IC,因而導致更高的BOM成本,這種方法更適合需要許多LED燈串的應用。與分流法相比,雖然擴展性有限,但電氣性能(electrical performance)更好,總諧波失真率(Total Harmonic Distortion;THD)通常小於10%,而分流法為30%左右。
雖然與傳統的開關電源法相比,DACD法有顯著的進步,但並不是驅動現代LED應用的理想方案。目前市場上仍有許多IC的DACD方案,但這些方案在線路電壓調整(line regulation)、散熱性能(thermal performance)、突波電阻(surge resistance)、調光能力和成本方麵都能改進。
圖2顯示DACD方案的基本工作模式。當交流線路電壓通過半正弦時,IC內的開關指示電流(ILEDn)照亮每個LED。但這種線性開關法有一個主要的缺點,即高THD。
圖2 基本工作波形和電路圖。
最新的好方法
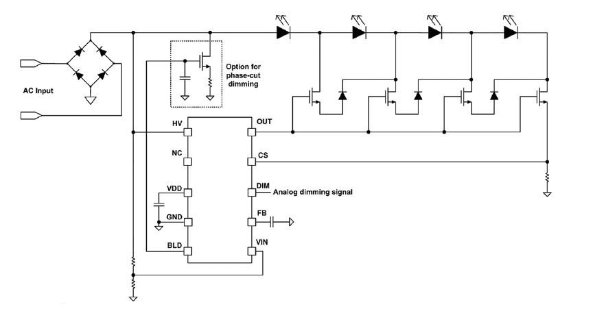
最新的DACD方案之一是安森美半導體的NCL30170。基於分流拓撲,它提供前述方法的所有優點,包含:是單個IC方案,具有較低的BOM成本及易於擴展功率。此種新方案的一個獨特性是能夠驅動多個外部MOSFET開關,支持多個LED燈串連接,功率能從10W擴展到200W,連接的LED燈串總數和外部開關僅受最高功率水平的限製。
圖3 NCL30170是單輸出、多串、分流DACD方案。
在大多數應用中,盡管電源電壓波動,但LED亮度保持不變是很重要的。通常,DACD驅動器能夠實現±10%的穩壓,而新組件可達到±1%,這是非常顯著的提升,因而確保連接LED的持續光輸出。
新組件用一種特有的方法來調節電流,而不是用於傳統DACD方案的線性方法。電壓觸發點保持不變,但以此種方式調節電流使其不再是一個階梯形狀,因而產生平滑的正弦波電流(sinusoidal current)(圖4右),導致低於10%的極佳THD水平。
圖4 專有的電流平滑/整形提供平滑的正弦波形。
除了極佳的THD,新CACD方案還提供較佳的功率因子校正(Power Factor Correction;PFC)性能,超過0.98。
有效調光的重要性
在許多應用中,能進行LED調光很重要,能透過脈衝寬度調變(Pulse Width Modulation;PWM)技術(通常稱為切相)或模擬控製來實現。PWM提供大範圍的調光能力,但亦有明顯的缺點,包括閃爍,這已被證實會造成處於這種視線環境的人頭痛,高電頻的PWM調光也會導致在室內使用時產生不受歡迎的聲頻噪聲(audible noise)。
雖然許多DACD方案能調低到10%,新方案能夠提供5%的模擬調光,進而滿足具有挑戰性的現代應用需求。該設備在整個亮度範圍內保持穩壓,進而確保即使在低功率下,從LED發出的光仍然保持不變。
對於使用TRIAC的切相調光器,新CACD方案的PWM性能確保照明方案非常適用於改裝應用。
總結
LED照明在目前照明方案中占很大比重。由於現代應用的低功耗、低成本和小尺寸的要求,將使這比例增長,用更加靈活和通用的LED照明汰換舊的白熾燈裝置亦將是未來成長的重要推力。
直到最近,SMPS一直被用於為LED裝置供電,但存在耐用性和使用壽命的問題,而且體積龐大,使得在受限空間安裝LED方案變得複雜與受限。
近期,DACD已成為一種為LED燈串供電的可行技術。這項技術解決SMPS的許多缺點,特別是耐用性和使用壽命、大小和成本,且未來將大幅促進更多的LED照明裝置。現在,業者開發的新CACD組件有助於交流直接技術提供應用所需的性能、靈活性和耐用性,應用於許多終端市場領域。
(來源:中電網)
免責聲明:本文為轉載文章,轉載此文目的在於傳遞更多信息,版權歸原作者所有。本文所用視頻、圖片、文字如涉及作品版權問題,請聯係小編進行處理。
推薦閱讀:
安森美和Ride Vision合作,為摩托車騎行者提供先進的安全方案
- 噪聲中提取真值!瑞盟科技推出MSA2240電流檢測芯片賦能多元高端測量場景
- 10MHz高頻運行!氮矽科技發布集成驅動GaN芯片,助力電源能效再攀新高
- 失真度僅0.002%!力芯微推出超低內阻、超低失真4PST模擬開關
- 一“芯”雙電!聖邦微電子發布雙輸出電源芯片,簡化AFE與音頻設計
- 一機適配萬端:金升陽推出1200W可編程電源,賦能高端裝備製造
- 算力爆發遇上電源革新,大聯大世平集團攜手晶豐明源線上研討會解鎖應用落地
- 築基AI4S:摩爾線程全功能GPU加速中國生命科學自主生態
- 一秒檢測,成本降至萬分之一,光引科技把幾十萬的台式光譜儀“搬”到了手腕上
- AI服務器電源機櫃Power Rack HVDC MW級測試方案
- 突破工藝邊界,奎芯科技LPDDR5X IP矽驗證通過,速率達9600Mbps
- 車規與基於V2X的車輛協同主動避撞技術展望
- 數字隔離助力新能源汽車安全隔離的新挑戰
- 汽車模塊拋負載的解決方案
- 車用連接器的安全創新應用
- Melexis Actuators Business Unit
- Position / Current Sensors - Triaxis Hall





