三種三相交流電動機正反轉互鎖電路的分析
發布時間:2022-10-26 責任編輯:lina
【導讀】作zuo電dian動dong機ji運yun行xing的de三san相xiang異yi步bu電dian機ji。三san相xiang異yi步bu電dian動dong機ji轉zhuan子zi的de轉zhuan速su低di於yu旋xuan轉zhuan磁ci場chang的de轉zhuan速su,轉zhuan子zi繞rao組zu因yin與yu磁ci場chang間jian存cun在zai著zhe相xiang對dui運yun動dong而er產chan生sheng電dian動dong勢shi和he電dian流liu,並bing與yu磁ci場chang相xiang互hu作zuo用yong產chan生sheng電dian磁ci轉zhuan矩ju,實shi現xian能neng量liang變bian換huan。
三相交流電動機正反轉互鎖電路的分析
作zuo電dian動dong機ji運yun行xing的de三san相xiang異yi步bu電dian機ji。三san相xiang異yi步bu電dian動dong機ji轉zhuan子zi的de轉zhuan速su低di於yu旋xuan轉zhuan磁ci場chang的de轉zhuan速su,轉zhuan子zi繞rao組zu因yin與yu磁ci場chang間jian存cun在zai著zhe相xiang對dui運yun動dong而er產chan生sheng電dian動dong勢shi和he電dian流liu,並bing與yu磁ci場chang相xiang互hu作zuo用yong產chan生sheng電dian磁ci轉zhuan矩ju,實shi現xian能neng量liang變bian換huan。
與(yu)單(dan)相(xiang)異(yi)步(bu)電(dian)動(dong)機(ji)相(xiang)比(bi),三(san)相(xiang)異(yi)步(bu)電(dian)動(dong)機(ji)運(yun)行(xing)性(xing)能(neng)好(hao),並(bing)可(ke)節(jie)省(sheng)各(ge)種(zhong)材(cai)料(liao)。按(an)轉(zhuan)子(zi)結(jie)構(gou)的(de)不(bu)同(tong),三(san)相(xiang)異(yi)步(bu)電(dian)動(dong)機(ji)可(ke)分(fen)為(wei)籠(long)式(shi)和(he)繞(rao)線(xian)式(shi)兩(liang)種(zhong)。籠(long)式(shi)轉(zhuan)子(zi)的(de)異(yi)步(bu)電(dian)動(dong)機(ji)結(jie)構(gou)簡(jian)單(dan)、運行可靠、重量輕、價格便宜,得到了廣泛的應用,其主要缺點是調速困難。繞線式三相異步電動機的轉子和定子一樣也設置了三相繞組並通過滑環、電刷與外部變阻器連接。調節變阻器電阻可以改善電動機的起動性能和調節電動機的轉速。
當向三相定子繞組中通入對稱的三相交流電時,就產生了一個以同步轉速n1沿定子和轉子內圓空間作順時針方向旋轉的旋轉磁場。由於旋轉磁場以n1轉速旋轉,轉子導體開始時是靜止的,故轉子導體將切割定子旋轉磁場而產生感應電動勢(感應電動勢的方向用右手定則判定)。youyuzhuanzidaotiliangduanbeiduanluhuanduanjie,zaiganyingdiandongshidezuoyongxia,zhuanzidaotizhongjiangchanshengyuganyingdiandongshifangxiangjibenyizhideganshengdianliu。zhuanzidezailiudaotizaidingzicichangzhongshoudaodiancilidezuoyong(力的方向用左手定則判定)。電磁力對轉子軸產生電磁轉矩,驅動轉子沿著旋轉磁場方向旋轉。
通過上述分析可以總結出電動機工作原理為:當電動機的三相定子繞組(各相差120度電角度),通入三相對稱交流電後,將產生一個旋轉磁場,該旋轉磁場切割轉子繞組,從而在轉子繞組中產生感應電流(轉子繞組是閉合通路),載zai流liu的de轉zhuan子zi導dao體ti在zai定ding子zi旋xuan轉zhuan磁ci場chang作zuo用yong下xia將jiang產chan生sheng電dian磁ci力li,從cong而er在zai電dian機ji轉zhuan軸zhou上shang形xing成cheng電dian磁ci轉zhuan矩ju,驅qu動dong電dian動dong機ji旋xuan轉zhuan,並bing且qie電dian機ji旋xuan轉zhuan方fang向xiang與yu旋xuan轉zhuan磁ci場chang方fang向xiang相xiang同tong。
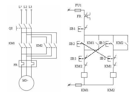
為了防止電動機在正轉(反轉)狀態時啟動反轉(正轉)。造成主電路短路的情況發生。在聯接控製電路時要進行硬件互鎖。互鎖電路分為三種,一是按鈕互鎖、二是接觸器互鎖,三是按鈕接觸器複合互鎖。下麵分別對三種電路進行分析。
1.按鈕互鎖電路
在電動機正反轉控製電路中通常用的按鈕開關有兩對觸點。一對常閉觸點、yiduichangkaichudian。anniuhusuojiushijiangzhengzhuanqidonganniudechangbichudianchuanliandaofanzhuanqidongkongzhidianluzhong。jiangfanzhuanqidonganniudechangbichudianchuanliandaozhengzhuanqidongkongzhidianluzhong。zhezhongkongzhifangshideyoudianshi,youxiaodebimianlezhengfanzhuanqidonganniutongshianxiaerzaochengdeduanlufasheng。quedianshizaijinxingzhengfanzhuanzhuangtaiqiehuanshi,yaoxiananxiatingzhianniucainengzaianlingwaideyigeqidonganniu。jinguanshizheyangcaozuo,ruguomouyigejiechuqidezhuchutoufashenglezhanlian,zaiqiehuanlingyizhongzhuangtaishiyehuifashengduanludeqingkuang。kongzhiyuanlituruxia:
2.接觸器互鎖電路
接jie觸chu器qi互hu鎖suo就jiu是shi有you效xiao的de利li用yong接jie觸chu器qi的de常chang閉bi輔fu助zhu觸chu點dian,防fang止zhi因yin接jie觸chu器qi主zhu觸chu頭tou粘zhan連lian而er發fa生sheng短duan路lu事shi故gu。假jia設she某mou一yi個ge接jie觸chu器qi的de主zhu觸chu頭tou因yin為wei電dian弧hu的de燒shao傷shang而er發fa生sheng了le粘zhan連lian。在zai按an下xia停ting止zhi按an鈕niu後hou,該gai接jie觸chu器qi的de輔fu助zhu常chang閉bi觸chu點dian不bu會hui複fu位wei。因yin此ci,另ling一yi種zhong狀zhuang態tai的de接jie觸chu器qi就jiu不bu會hui吸xi合he。在zai選xuan擇ze啟qi動dong按an鈕niu開kai關guan時shi,隻zhi需xu要yao有you一yi對dui常chang開kai觸chu點dian的de按an鈕niu開kai關guan就jiu可ke以yi使shi用yong。這zhe種zhong控kong製zhi電dian路lu在zai早zao期qi也ye有you一yi定ding的de應ying用yong。控kong製zhi原yuan理li圖tu如ru下xia:
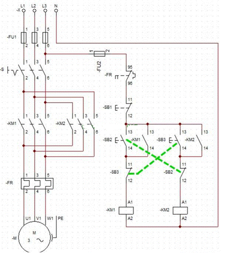
3.複合互鎖控製電路
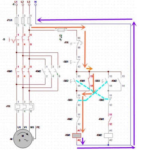
由(you)於(yu)生(sheng)產(chan)勞(lao)動(dong)的(de)經(jing)驗(yan)不(bu)斷(duan)的(de)豐(feng)富(fu),一(yi)種(zhong)安(an)全(quan)可(ke)靠(kao)的(de)控(kong)製(zhi)電(dian)路(lu)就(jiu)應(ying)運(yun)而(er)生(sheng)。那(na)就(jiu)是(shi)按(an)鈕(niu)和(he)接(jie)觸(chu)器(qi)複(fu)合(he)互(hu)鎖(suo)電(dian)路(lu)。它(ta)集(ji)前(qian)麵(mian)兩(liang)種(zhong)控(kong)製(zhi)電(dian)路(lu)的(de)優(you)點(dian)於(yu)一(yi)身(shen)。完(wan)全(quan)有(you)效(xiao)地(di)保(bao)障(zhang)了(le)操(cao)作(zuo)人(ren)員(yuan)和(he)設(she)備(bei)的(de)安(an)全(quan)。下(xia)麵(mian)兩(liang)張(zhang)圖(tu)為(wei)正(zheng)反(fan)轉(zhuan)模(mo)擬(ni)運(yun)行(xing)時(shi)控(kong)製(zhi)回(hui)路(lu)電(dian)流(liu)的(de)走(zou)向(xiang)。以(yi)及(ji)接(jie)觸(chu)器(qi)和(he)電(dian)機(ji)運(yun)行(xing)的(de)方(fang)向(xiang)。
4.電動機正轉啟動控製流程
當按下正轉啟動按鈕SB2時,電流通過保險FU2→熱繼電器常閉觸點95,96→停止按鈕SB1常閉觸點11、12→正轉啟動按鈕SB2常開觸點13、14→反轉啟動按鈕SB3常閉觸點11、12→反轉接觸器KM2常閉輔助觸點11、12→正轉接觸器KM1線圈A1、A2→零線形成回路。正轉接觸器KM1吸合。電動機正轉。與此同時,正轉接觸器KM1的常開輔助觸點也吸合形成自鎖。KM1的常閉輔助觸點11、12斷開形成互鎖。鬆開正轉啟動按鈕後,控製回路的電流則通過KM1的常開輔助觸點13、14形成回路。電動機繼續正轉運行。
5.電動機正轉切換反轉控製流程
電動機在正轉運行的時候按下反轉啟動按鈕SB3時,反轉啟動按鈕SB3的常閉觸點11、12首先斷開,切斷了正轉接觸器KM1線圈的供電回路。使正轉接觸器KM1線圈失電。從而KM1的主觸頭和常閉輔助觸點11、12複位。電流通過保險FU2→熱繼電器常閉觸點95,96→停止按鈕SB1常閉觸點11、12→反轉啟動按鈕SB3常開觸點13、14→正轉啟動按鈕SB2常閉觸點11、12→正轉接觸器KM1常閉輔助觸點11、12→反轉接觸器KM2線圈A1、A2→零線形成回路。反轉接觸器KM2吸合。電動機反轉。與此同時,反轉接觸器KM2的常開輔助觸點也吸合形成自鎖。鬆開反轉啟動按鈕後,控製回路的電流則通過KM2的常開輔助觸點13、14形成回路。電動機繼續反轉運行。
控製線路容易發生的故障
在電動機正反轉控製電路中,容易發生的故障部位有正反轉啟動按鈕轉、正反轉接觸器的主觸頭、熱繼電器、電(dian)動(dong)機(ji)軸(zhou)承(cheng)等(deng)。為(wei)什(shen)麼(me)以(yi)上(shang)部(bu)位(wei)容(rong)易(yi)發(fa)生(sheng)故(gu)障(zhang)呢(ne)?由(you)於(yu)啟(qi)動(dong)按(an)鈕(niu)是(shi)需(xu)要(yao)經(jing)常(chang)操(cao)作(zuo)的(de)部(bu)件(jian),在(zai)操(cao)作(zuo)的(de)過(guo)程(cheng)中(zhong)力(li)度(du)掌(zhang)握(wo)不(bu)好(hao)就(jiu)很(hen)容(rong)易(yi)損(sun)壞(huai)按(an)鈕(niu)開(kai)關(guan)。接(jie)觸(chu)器(qi)的(de)主(zhu)觸(chu)頭(tou)在(zai)吸(xi)合(he)和(he)斷(duan)開(kai)的(de)時(shi)候(hou)很(hen)容(rong)易(yi)被(bei)電(dian)弧(hu)燒(shao)傷(shang)。啟(qi)動(dong)電(dian)流(liu)大(da)也(ye)很(hen)容(rong)易(yi)使(shi)熱(re)繼(ji)電(dian)器(qi)的(de)雙(shuang)金(jin)屬(shu)板(ban)發(fa)生(sheng)疲(pi)勞(lao)而(er)產(chan)生(sheng)誤(wu)動(dong)作(zuo)。電(dian)動(dong)機(ji)在(zai)正(zheng)反(fan)轉(zhuan)的(de)切(qie)換(huan)時(shi)會(hui)產(chan)生(sheng)很(hen)大(da)的(de)扭(niu)矩(ju)而(er)損(sun)傷(shang)軸(zhou)承(cheng)。
(來源:中電網)
免責聲明:本文為轉載文章,轉載此文目的在於傳遞更多信息,版權歸原作者所有。本文所用視頻、圖片、文字如涉及作品版權問題,請聯係小編進行處理。
推薦閱讀:
- 噪聲中提取真值!瑞盟科技推出MSA2240電流檢測芯片賦能多元高端測量場景
- 10MHz高頻運行!氮矽科技發布集成驅動GaN芯片,助力電源能效再攀新高
- 失真度僅0.002%!力芯微推出超低內阻、超低失真4PST模擬開關
- 一“芯”雙電!聖邦微電子發布雙輸出電源芯片,簡化AFE與音頻設計
- 一機適配萬端:金升陽推出1200W可編程電源,賦能高端裝備製造
- 算力爆發遇上電源革新,大聯大世平集團攜手晶豐明源線上研討會解鎖應用落地
- 築基AI4S:摩爾線程全功能GPU加速中國生命科學自主生態
- 一秒檢測,成本降至萬分之一,光引科技把幾十萬的台式光譜儀“搬”到了手腕上
- AI服務器電源機櫃Power Rack HVDC MW級測試方案
- 突破工藝邊界,奎芯科技LPDDR5X IP矽驗證通過,速率達9600Mbps
- 車規與基於V2X的車輛協同主動避撞技術展望
- 數字隔離助力新能源汽車安全隔離的新挑戰
- 汽車模塊拋負載的解決方案
- 車用連接器的安全創新應用
- Melexis Actuators Business Unit
- Position / Current Sensors - Triaxis Hall



