近距離了解電動汽車應用中的緩衝吸收電容器
發布時間:2022-10-27 來源:Knowles樓氏電容 責任編輯:lina
【導讀】在之前的推文——樓氏電容|深shen入ru了le解jie電dian動dong汽qi車che應ying用yong中zhong的de直zhi流liu母mu線xian電dian容rong中zhong,我wo們men探tan討tao了le在zai電dian源yuan轉zhuan換huan器qi中zhong使shi用yong直zhi流liu母mu線xian電dian容rong作zuo為wei中zhong間jian緩huan衝chong器qi這zhe一yi主zhu題ti,今jin天tian的de主zhu題ti則ze是shi關guan於yu另ling一yi個ge有you用yong的de電dian源yuan模mo塊kuai元yuan件jian——緩衝吸收電容器。
在之前的推文——樓氏電容|深入了解電動汽車應用中的直流母線電容中,我們探討了在電源轉換器中使用直流母線電容作為中間緩衝器這一主題,今天的主題則是關於另一個有用的電源模塊元件——緩huan衝chong吸xi收shou電dian容rong器qi。緩huan衝chong電dian路lu是shi一yi種zhong能neng量liang吸xi收shou電dian路lu,用yong於yu保bao護hu功gong率lv器qi件jian免mian受shou寄ji生sheng電dian感gan引yin起qi的de電dian壓ya尖jian峰feng和he電dian磁ci瞬shun態tai幹gan擾rao的de影ying響xiang。開kai關guan打da開kai在zai本ben質zhi上shang會hui在zai設she備bei上shang引yin起qi尖jian峰feng電dian壓ya,而er緩huan衝chong器qi為wei多duo餘yu的de能neng量liang提ti供gong了le一yi個ge替ti代dai的de流liu動dong路lu徑jing,使shi其qi被bei緩huan衝chong電dian容rong器qi吸xi收shou,抑yi製zhi波bo形xing振zhen蕩dang並bing經jing由you電dian阻zu或huo其qi他ta負fu載zai耗hao散san。
在電動汽車子係統中,絕緣柵雙極型晶體管(IGBT)是三端子功率半導體器件,通常作為快速高效的開關用於如逆變器、轉換器和電源等電力電子應用中。IGBT經常與各種拓撲結構中的二極管模子結合在一起,形成更大的模塊。
圖 1. 基本的RC吸收電路(來源:維基百科)
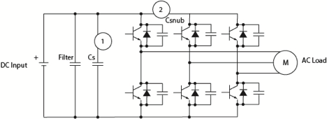
例如,圖2中zhong的de電dian動dong車che逆ni變bian器qi負fu責ze將jiang電dian池chi中zhong的de直zhi流liu電dian轉zhuan換huan為wei三san相xiang交jiao流liu電dian,以yi在zai加jia速su時shi驅qu動dong牽qian引yin電dian機ji,在zai製zhi動dong時shi逆ni變bian器qi則ze又you將jiang交jiao流liu電dian轉zhuan換huan回hui直zhi流liu電dian。一yi個ge驅qu動dong三san相xiang負fu載zai的de電dian源yuan模mo塊kuai至zhi少shao需xu要yao六liu個geIGBT和六個配套的緩衝吸收電容Csnub來保護半導體功率器件。
圖 2. 電機驅動電路中的逆變器
緩衝電容器會吸收100kHz至300kHz高頻工作環境中的噪聲從而保護電源開關模塊。理想的緩衝電容器應具備以下幾個特性:
●在高頻(100 kHz及以上)環境工作下的高電壓承受能力
●低ESR(等效串聯電阻)
●低損耗因子
●低自熱性
●高容量
針對以上特性要求,樓氏電容(KPD)推薦使用規格範圍在600V-2kV,nF-µF級的C0G或X7R電容器。電容器的直流電壓等級將取決於半導體開關的阻斷電壓。
正溫度係數(PTC)加熱控製器是另一個需要用到緩衝電容器的電動汽車子係統。與可以使用內燃機的廢熱加熱機艙的燃油車不同,電動汽車使用高壓PTC加熱控製器作為供暖、通風和空調(HVAC)係統的熱源。
PTC加熱器使用特殊的材料,在溫度較低時其電阻也較低,從而允許全電流流動並產生熱量;隨著溫度的升高,PTC材料的電阻也會增加——這一特性作為一種自動安全功能可對電流加以限製從而防止過熱。加熱控製器中的電源單元(PSU)電路需要高壓電容器以作緩衝和初級-次級隔離之用——樓氏電容(KPD)製造的型號為1206-3640,1kV-2kV,1nF-1µF的X7R電容器是您的理想之選。
鑒於IGBT和功率模塊在電動汽車應用中的不可或缺,設計師們選擇符合應用要求和行業認證的高壓緩衝電容器至關重要。
(來源:Knowles樓氏電容)
免責聲明:本文為轉載文章,轉載此文目的在於傳遞更多信息,版權歸原作者所有。本文所用視頻、圖片、文字如涉及作品版權問題,請聯係小編進行處理。
推薦閱讀:
安森美和Ride Vision合作,為摩托車騎行者提供先進的安全方案
- 噪聲中提取真值!瑞盟科技推出MSA2240電流檢測芯片賦能多元高端測量場景
- 10MHz高頻運行!氮矽科技發布集成驅動GaN芯片,助力電源能效再攀新高
- 失真度僅0.002%!力芯微推出超低內阻、超低失真4PST模擬開關
- 一“芯”雙電!聖邦微電子發布雙輸出電源芯片,簡化AFE與音頻設計
- 一機適配萬端:金升陽推出1200W可編程電源,賦能高端裝備製造
- 算力爆發遇上電源革新,大聯大世平集團攜手晶豐明源線上研討會解鎖應用落地
- 築基AI4S:摩爾線程全功能GPU加速中國生命科學自主生態
- 一秒檢測,成本降至萬分之一,光引科技把幾十萬的台式光譜儀“搬”到了手腕上
- AI服務器電源機櫃Power Rack HVDC MW級測試方案
- 突破工藝邊界,奎芯科技LPDDR5X IP矽驗證通過,速率達9600Mbps
- 車規與基於V2X的車輛協同主動避撞技術展望
- 數字隔離助力新能源汽車安全隔離的新挑戰
- 汽車模塊拋負載的解決方案
- 車用連接器的安全創新應用
- Melexis Actuators Business Unit
- Position / Current Sensors - Triaxis Hall



