繼電器控製電路與PLC梯形圖轉換詳解
發布時間:2019-01-18 責任編輯:xueqi
【導讀】繼電器接觸器控製係統經過長期的使用,已有一套能完成係統要求的控製功能並經過驗證的控製電路圖,而PLC控製的梯形圖和繼電器接觸器控製電路圖很相似,因此可以直接將經過驗證的繼電器接觸器控製電路圖轉換成梯形圖。
一、繼電器控製電路與PLC梯形圖詳解
1、點動電路
功能介紹:點則動,鬆則不動,即按下按鈕開,鬆開按鈕停

2、帶停止的自動保持電路
(1)、功能介紹
為保持電路狀態的一種基本形式,主要用於保持外部信號狀態

(2)、工作原理
開機 = 按下常開按鈕0 → 繼電器線圈J0得電 → J0常開主觸點閉合 → 電機得電開機、同時J0常開輔助觸點自鎖 → 電機繼續運行,如圖2-8。
停機 = 按下常閉按鈕1 → 繼電器線圈J0失電、同時J0輔助觸點斷開→ 電機失電停機,如圖2-7。
(3)、電路應用
下麵我們對繼電器線圈未通電和通電前後進行比較:

二、繼電器控製電路轉換為PLC梯形圖法
繼電器接觸器控製係統經過長期的使用,已有一套能完成係統要求的控製功能並經過驗證的控製電路圖,而PLC控製的梯形圖和繼電器接觸器控製電路圖很相似,因此可以直接將經過驗證的繼電器接觸器控製電路圖轉換成梯形圖。主要步驟如下:
1、熟悉現有的繼電器控製線路。
2、對照PLC的I/O端子接線圖,將繼電器電路圖上的被控器件(如接觸器線圈、指示燈、電磁閥等)換成接線圖上對應的輸出點的編號,將電路圖上的輸入裝置(如傳感器、按鈕開關、行程開關等)觸點都換成對應的輸入點的編號。
3、將繼電器電路圖中的中間繼電器、定時器,用PLC的輔助繼電器、定時器來代替。
4、畫出全部梯形圖,並予以簡化和修改。
這種方法對簡單的控製係統是可行的,比較方便,但較複雜的控製電路,就不適用了。
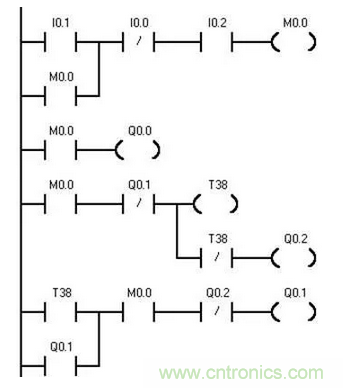
【例1】1-為電動機Y/△減壓起動控製主電路和電氣控製的原理圖。
1、工作原理如下:按下啟動按鈕SB2,KM1、KM3、KT通電並自保,電動機接成Y型起動,2s後,KT動作,使KM3斷電,KM2通電吸合,電動機接成△型運行。按下停止按扭SB1,電動機停止運行。

1- 電動機Y/△減壓起動控製主電路和電氣控製的原理圖
2、I/O分配
輸入 輸出
停止按鈕SB1:I0.0 KM1:Q0.0 KM2: Q0.1
起動按鈕SB2:I0.1 KM3:Q0.2
過載保護FR: I0.2
3、梯形圖程序
轉換後的梯形圖程序如圖2所(suo)示(shi)。按(an)照(zhao)梯(ti)形(xing)圖(tu)語(yu)言(yan)中(zhong)的(de)語(yu)法(fa)規(gui)定(ding)簡(jian)化(hua)和(he)修(xiu)改(gai)梯(ti)形(xing)圖(tu)。為(wei)了(le)簡(jian)化(hua)電(dian)路(lu),當(dang)多(duo)個(ge)線(xian)圈(quan)都(dou)受(shou)某(mou)一(yi)串(chuan)並(bing)聯(lian)電(dian)路(lu)控(kong)製(zhi)時(shi),可(ke)在(zai)梯(ti)形(xing)圖(tu)中(zhong)設(she)置(zhi)該(gai)電(dian)路(lu)控(kong)製(zhi)的(de)存(cun)儲(chu)器(qi)的(de)位(wei),如(ru)M0.0。簡化後的程序如圖3-所示。

2- 例1梯形圖程序

3-例1簡化後的梯形圖程序
特別推薦
- 噪聲中提取真值!瑞盟科技推出MSA2240電流檢測芯片賦能多元高端測量場景
- 10MHz高頻運行!氮矽科技發布集成驅動GaN芯片,助力電源能效再攀新高
- 失真度僅0.002%!力芯微推出超低內阻、超低失真4PST模擬開關
- 一“芯”雙電!聖邦微電子發布雙輸出電源芯片,簡化AFE與音頻設計
- 一機適配萬端:金升陽推出1200W可編程電源,賦能高端裝備製造
技術文章更多>>
- 貿澤EIT係列新一期,探索AI如何重塑日常科技與用戶體驗
- 算力爆發遇上電源革新,大聯大世平集團攜手晶豐明源線上研討會解鎖應用落地
- 創新不止,創芯不已:第六屆ICDIA創芯展8月南京盛大啟幕!
- AI時代,為什麼存儲基礎設施的可靠性決定數據中心的經濟效益
- 矽典微ONELAB開發係列:為毫米波算法開發者打造的全棧工具鏈
技術白皮書下載更多>>
- 車規與基於V2X的車輛協同主動避撞技術展望
- 數字隔離助力新能源汽車安全隔離的新挑戰
- 汽車模塊拋負載的解決方案
- 車用連接器的安全創新應用
- Melexis Actuators Business Unit
- Position / Current Sensors - Triaxis Hall
熱門搜索
Future
GFIVE
GPS
GPU
Harting
HDMI
HDMI連接器
HD監控
HID燈
I/O處理器
IC
IC插座
IDT
IGBT
in-cell
Intersil
IP監控
iWatt
Keithley
Kemet
Knowles
Lattice
LCD
LCD模組
LCR測試儀
lc振蕩器
Lecroy
LED
LED保護元件
LED背光



