探討運算放大器輸出相位反轉和輸入過壓保護
發布時間:2012-03-31
中心議題:
- 運算放大器輸出電壓相位反轉
- 輸入過壓保護和輸出相位反轉保護電路
- 消除輸出相位反轉
解決方案:
- 采用高共模電壓儀表放大器的共模過壓保護
- 內置過壓保護的ADA4091-2運算放大器
本文討論兩個與運算放大器相關的話題:輸出相位反轉和輸入過壓保護。
超過輸入共模電壓(CM)範(fan)圍(wei)時(shi),某(mou)些(xie)運(yun)算(suan)放(fang)大(da)器(qi)會(hui)發(fa)生(sheng)輸(shu)出(chu)電(dian)壓(ya)相(xiang)位(wei)反(fan)轉(zhuan)問(wen)題(ti)。其(qi)原(yuan)因(yin)通(tong)常(chang)是(shi)運(yun)算(suan)放(fang)大(da)器(qi)的(de)一(yi)個(ge)內(nei)部(bu)級(ji)不(bu)再(zai)具(ju)有(you)足(zu)夠(gou)的(de)偏(pian)置(zhi)電(dian)壓(ya)而(er)關(guan)閉(bi),導(dao)致(zhi)輸(shu)出(chu)電(dian)壓(ya)擺(bai)動(dong)到(dao)相(xiang)反(fan)電(dian)源(yuan)軌(gui),直(zhi)到(dao)輸(shu)入(ru)重(zhong)新(xin)回(hui)到(dao)共(gong)模(mo)範(fan)圍(wei)內(nei)為(wei)止(zhi)。圖(tu)1所(suo)示(shi)為(wei)電(dian)壓(ya)跟(gen)隨(sui)器(qi)的(de)輸(shu)出(chu)相(xiang)位(wei)反(fan)轉(zhuan)情(qing)況(kuang)。注(zhu)意(yi),輸(shu)入(ru)可(ke)能(neng)仍(reng)然(ran)在(zai)電(dian)源(yuan)電(dian)壓(ya)軌(gui)內(nei),隻(zhi)不(bu)過(guo)高(gao)於(yu)或(huo)低(di)於(yu)規(gui)定(ding)的(de)共(gong)模(mo)限(xian)值(zhi)之(zhi)一(yi)。這(zhe)通(tong)常(chang)發(fa)生(sheng)在(zai)負(fu)範(fan)圍(wei),最(zui)常(chang)發(fa)生(sheng)相(xiang)位(wei)反(fan)轉(zhuan)的(de)是(shi)JFET和/或BiFET放大器,但某些雙極性單電源放大器也有可能發生。

圖1:電壓跟隨器的輸出電壓相位反轉
相位反轉通常隻是暫時現象,但如果運算放大器在伺服環路內,相位反轉可能會引起災難性後果。
運(yun)算(suan)放(fang)大(da)器(qi)配(pei)置(zhi)為(wei)單(dan)位(wei)增(zeng)益(yi)電(dian)壓(ya)跟(gen)隨(sui)器(qi)時(shi),最(zui)有(you)可(ke)能(neng)發(fa)生(sheng)相(xiang)位(wei)反(fan)轉(zhuan)。在(zai)反(fan)相(xiang)模(mo)式(shi)下(xia),相(xiang)位(wei)反(fan)轉(zhuan)不(bu)是(shi)問(wen)題(ti),因(yin)為(wei)兩(liang)個(ge)輸(shu)入(ru)均(jun)恒(heng)定(ding)不(bu)變(bian),並(bing)且(qie)處(chu)於(yu)地(di)電(dian)位(wei)(某些單電源應用中則處於中間電源電壓)。
大多數現代運算放大器都會使用電路設計技術來防止相位反轉。如果運算放大器能夠避免相位反轉,其數據手冊的"主要特性"部分一般會說明這一點,但"技術規格"部分不一定會說明。
對於"軌到軌"輸入運算放大器,輸入共模電壓包括電源軌,因此,隻要輸入電壓不超過電源軌,運算放大器就不應發生相位反轉。
圖2顯示了AD8625(四通道)、AD8626(雙通道)和AD8627(單通道)運算放大器係列的"主要特性"和絕對最大值規格。這些放大器具有JFET輸入,采用+5 V單電源供電時,輸入共模電壓範圍為0 V至+3 V(最大值)。"無相位反轉"特性意味著:在+3 V至+5 V的共模區間,輸出不會發生相位反轉。

圖2:AD8625/AD8626/AD8627運算放大器的"主要特性"和絕對最大值規格
[page]
某mou些xie運yun算suan放fang大da器qi可ke能neng僅jin在zai輸shu入ru超chao過guo電dian源yuan軌gui時shi出chu現xian輸shu出chu電dian壓ya相xiang位wei反fan轉zhuan現xian象xiang。然ran而er,這zhe種zhong情qing況kuang違wei反fan了le輸shu入ru電dian壓ya的de絕jue對dui最zui大da值zhi要yao求qiu,應ying當dang避bi免mian。如ru果guo輸shu入ru過guo壓ya情qing況kuang可ke能neng發fa生sheng,則ze應ying增zeng加jia適shi當dang的de保bao護hu電dian路lu。多duo數shu情qing況kuang下xia,這zhe種zhong保bao護hu電dian路lu也ye能neng起qi到dao防fang止zhi輸shu出chu電dian壓ya相xiang位wei反fan轉zhuan的de作zuo用yong,如ru下xia文wen所suo述shu。
輸入過壓保護和輸出相位反轉保護電路
絕對最大額定值是IC運算放大器的電壓、電(dian)流(liu)和(he)溫(wen)度(du)限(xian)值(zhi),一(yi)旦(dan)超(chao)出(chu)該(gai)值(zhi),運(yun)算(suan)放(fang)大(da)器(qi)就(jiu)會(hui)受(shou)損(sun)。通(tong)常(chang)對(dui)輸(shu)入(ru)引(yin)腳(jiao)施(shi)加(jia)過(guo)大(da)的(de)電(dian)壓(ya)會(hui)破(po)壞(huai)或(huo)損(sun)毀(hui)運(yun)算(suan)放(fang)大(da)器(qi)。過(guo)壓(ya)狀(zhuang)況(kuang)可(ke)以(yi)分(fen)為(wei)兩(liang)類(lei):過壓和靜電放電(ESD)。
ESD電(dian)壓(ya)通(tong)常(chang)高(gao)達(da)數(shu)千(qian)伏(fu)。大(da)多(duo)數(shu)人(ren)都(dou)有(you)被(bei)靜(jing)電(dian)電(dian)擊(ji)的(de)體(ti)驗(yan)。在(zai)尼(ni)龍(long)地(di)毯(tan)上(shang)拖(tuo)著(zhe)腳(jiao)走(zou),特(te)別(bie)是(shi)在(zai)幹(gan)燥(zao)環(huan)境(jing)下(xia),並(bing)觸(chu)摸(mo)金(jin)屬(shu)門(men)把(ba)手(shou),就(jiu)有(you)可(ke)能(neng)被(bei)電(dian)到(dao),火(huo)花(hua)從(cong)指(zhi)尖(jian)飛(fei)出(chu)。CMOS電路特別容易因ESD損壞,雙極性電路同樣可能受損。多數運算放大器的輸入引腳內置ESD保護二極管,以便能夠在PC板裝配階段處理IC.為使電容和泄漏最小,這些二極管一般很小,不是用來應付數mA以上的持續輸入電流。
隻要運算放大器的輸入共模電壓超出其電源範圍,即使電源已關閉,運算放大器也可能受損,.因此,幾乎所有運算放大器的絕對最大輸入額定值都將最大輸入電壓限製在如下電平:正負電源電壓加上大約0.3 V(即+VS + 0.3 V或–VS – 0.3 V)。即使規定絕對最大輸入電壓等於電源電壓(如圖2所示的情況),這一經驗法則也仍然適用。
雖然可能存在一些例外,但務必注意:當發生超出電源軌0.3 V以上的過壓狀況時,多數IC運算放大器需要輸入保護。
導致故障的原因並非過壓本身,而是過壓引起的電流會流入輸入引腳。如果輸入電流不超過5 mA(經驗法則),zebuhuizaochengyanzhongpohuai。raner,ruguoshuruchixuchuyuguoyinglizhuangkuang,pianzhidianliuheshitiaodianyadengcanshukenenghuifashengbianhua。yinci,guoyasuiranbuyidinghuisunhuiyunsuanfangdaqi,danyingjilibimian。
過壓保護措施一般包括在輸入引腳與電源之間放置外部二極管,以及增加限流電阻(參見圖3)。
二極管通常是肖特基二極管,因為其正向電壓較低(通常為300 mV,矽二極管則為700 mV)。
應(ying)用(yong)這(zhe)些(xie)保(bao)護(hu)器(qi)件(jian)時(shi)必(bi)須(xu)謹(jin)慎(shen)。某(mou)些(xie)二(er)極(ji)管(guan)可(ke)能(neng)有(you)嚴(yan)重(zhong)泄(xie)漏(lou),額(e)外(wai)的(de)漏(lou)電(dian)流(liu)最(zui)終(zhong)會(hui)變(bian)成(cheng)運(yun)算(suan)放(fang)大(da)器(qi)的(de)偏(pian)置(zhi)電(dian)流(liu)。某(mou)些(xie)二(er)極(ji)管(guan)可(ke)能(neng)還(hai)有(you)相(xiang)當(dang)大(da)的(de)電(dian)容(rong),這(zhe)可(ke)能(neng)會(hui)限(xian)製(zhi)頻(pin)率(lv)響(xiang)應(ying),對(dui)高(gao)速(su)放(fang)大(da)器(qi)的(de)影(ying)響(xiang)尤(you)為(wei)嚴(yan)重(zhong)。此(ci)外(wai),外(wai)加(jia)限(xian)流(liu)電(dian)阻(zu)RLIMIT會增加噪聲。

圖3:使用肖特基箝位二極管和限流電阻的通用運放過壓保護網絡
除非數據手冊另有說明,運算放大器的輸入故障電流應等於或小於5 mA以免受損。這是一個保守的經驗法則,基於典型運放輸入的金屬走線寬度。更高的電流會引起"金屬遷移",zheshiyizhongleijixiaoying,ruguochixufashengdehua,zuizhonghuidaozhizouxiankailu。ruguocunzaiqianyixianxiang,guzhangkenengxuyaojingguohenchangshijianfashengduociguoyacaihuixianxian,zhezhongguzhangfeichangnanyifaxian。yinci,jishiyigefangdaqisihunenggouduanshijianchengshouyuangaoyu5 mA的過壓電流,也必須將最大電流限製在5 mA(或以下),以確保長期可靠性。
某些運算放大器,如OP27等(deng),內(nei)置(zhi)保(bao)護(hu)二(er)極(ji)管(guan),但(dan)仍(reng)然(ran)需(xu)要(yao)限(xian)流(liu)。如(ru)果(guo)運(yun)算(suan)放(fang)大(da)器(qi)具(ju)有(you)保(bao)護(hu)二(er)極(ji)管(guan),它(ta)通(tong)常(chang)會(hui)規(gui)定(ding)最(zui)大(da)差(cha)分(fen)輸(shu)入(ru)電(dian)流(liu)。原(yuan)理(li)示(shi)意(yi)圖(tu)上(shang)也(ye)應(ying)顯(xian)示(shi)該(gai)保(bao)護(hu)電(dian)路(lu)。
某些運算放大器的輸入還具有背靠背二極管,這不是用於輸入過壓保護,而是限製差分電壓。如果存在這種二極管,差分輸入電壓將有±700 mV的絕對最大額定值。
圖3所示電路是一個通用運算放大器共模保護電路。隻要元件選擇得當,大量運算放大器的輸入都能獲得有效保護。注意:運算放大器可能還有連接到電源的內部保護二極管(如圖所示),當正向電壓超出或低於相應電源軌大約0.6 V時(shi),該(gai)二(er)極(ji)管(guan)就(jiu)會(hui)導(dao)通(tong)。但(dan)在(zai)這(zhe)種(zhong)情(qing)況(kuang)下(xia),外(wai)部(bu)肖(xiao)特(te)基(ji)二(er)極(ji)管(guan)與(yu)內(nei)部(bu)二(er)極(ji)管(guan)並(bing)聯(lian),因(yin)而(er)內(nei)部(bu)單(dan)元(yuan)永(yong)遠(yuan)不(bu)會(hui)達(da)到(dao)其(qi)閾(yu)值(zhi)。將(jiang)故(gu)障(zhang)電(dian)流(liu)轉(zhuan)移(yi)到(dao)外(wai)部(bu)可(ke)以(yi)消(xiao)除(chu)潛(qian)在(zai)的(de)應(ying)力(li),從(cong)而(er)保(bao)護(hu)運(yun)算(suan)放(fang)大(da)器(qi)。
外部二極管還能帶來其它好處,有些可能不太明顯。例如,如果允許故障電流流入運算放大器,則必須選擇適當的RLIMIT,使得在最差情況的VIN下,最大電流不超過5 mA.這一要求可能導致RLIMIT值相當大,相關的噪聲和失調電壓增加可能是設計無法接受的。舉例來說,為了預防100 V的VIN,根據5 mA要求,RLIMIT必須大於或等於20 k.然而,如果有外部肖特基箝位二極管,則RLIMIT可以由最大容許的D1-D2電流決定,它可以大於5 mA.不過這裏應小心,對於非常高的電流,肖特基二極管壓降可能超過0.6 V,從而激活內部運放二極管。
為使失調電壓和噪聲誤差最小,必須使RLIMIT的值盡可能低。RLIMIT與yu運yun算suan放fang大da器qi輸shu入ru端duan串chuan聯lian,產chan生sheng一yi個ge與yu偏pian置zhi電dian流liu成cheng比bi例li的de壓ya降jiang。如ru果guo不bu校xiao正zheng,此ci電dian壓ya將jiang表biao現xian為wei電dian路lu失shi調tiao電dian壓ya增zeng加jia。因yin此ci,對dui於yu偏pian置zhi電dian流liu中zhong等deng且qie大da致zhi相xiang等deng的de運yun算suan放fang大da器qi(大部分是雙極性類型),補償電阻RFB用於平衡直流失調,使該誤差最小。對於低偏置電流運算放大器(Ib ≤10 nA或FET型),有可能不需要RFB.為使RFB相關噪聲最小,應利用一個電容CF將其旁路。
[page]
消除輸出相位反轉
許多情況下,增加合適的RLIMIT電阻可以防止輸出相位反轉。然而,許多運算放大器製造商未必始終能夠提供適合防止輸出相位反轉的RLIMIT電阻值。不過,可以通過一組測試以經驗來確定該值。通常,防止相位反轉的RLIMIT電阻值也會通過輸入共模箝位二極管來安全地限製故障電流。如果不確定,可以從1 k的標稱值開始測試。
通常而言,FET輸入運算放大器隻需要限流串聯電阻來提供保護,但雙極性輸入放大器最好同時用限流電阻和肖特基二極管來提供保護(如圖3所示的RLIMIT和D2)。
輸入差分保護
到目前為止的討論都是關於過壓共模狀況,它通常與輸入級結構固有的PN結正偏有關。
過guo壓ya保bao護hu還hai有you一yi點dian也ye同tong樣yang重zhong要yao,那na就jiu是shi過guo大da差cha分fen電dian壓ya引yin起qi的de過guo壓ya。將jiang過guo大da差cha分fen電dian壓ya施shi加jia於yu某mou些xie運yun算suan放fang大da器qi時shi,可ke能neng導dao致zhi其qi工gong作zuo性xing能neng降jiang低di。
這種性能降低是由"反向結擊穿"引發的,這是輸入級導通不良的第二種情況,發生在差分過壓狀況下。然而,對於PN結反向擊穿,問題的性質可能更加微妙,圖4所示為一個運放輸入級的一部分。

圖4:具有D1-D2輸入差分過壓保護網絡的運算放大器輸入級
該電路適用於OP27等低噪聲運算放大器,也是許多其它采用低噪聲雙極性晶體管來構成差分對Q1-Q2的放大器的典型保護電路。如果沒有任何保護,可以看出,兩個輸入間高於大約7 V的電壓將導致Q2或Q1(取決於相對極性)反向結擊穿。注意,如果是射極-基極擊穿,則很小的反向電流也會導致兩個晶體管的增益和噪聲性能下降。發生射極-基極擊穿後,運算放大器參數(如偏置電流和噪聲等)可(ke)能(neng)會(hui)超(chao)出(chu)額(e)定(ding)範(fan)圍(wei)。這(zhe)通(tong)常(chang)是(shi)永(yong)久(jiu)性(xing)的(de),逐(zhu)漸(jian)而(er)微(wei)妙(miao)地(di)發(fa)生(sheng),特(te)別(bie)是(shi)在(zai)由(you)瞬(shun)變(bian)觸(chu)發(fa)的(de)情(qing)況(kuang)下(xia)。因(yin)此(ci),幾(ji)乎(hu)所(suo)有(you)低(di)噪(zao)聲(sheng)運(yun)算(suan)放(fang)大(da)器(qi),無(wu)論(lun)是(shi)基(ji)於(yu)NPN還是PNP,都會采用保護二極管,如輸入上的D1-D2等。如果施加的電壓超過±0.6 V,這些二極管就會導通,從而保護晶體管。
虛線所示的串聯電阻起到限流作用(為保護二極管提供保護),但所有情況下均未使用。例如,AD797沒有這些電阻,因為它們會降低器件的1 nV/Hz額e定ding噪zao聲sheng性xing能neng。注zhu意yi,如ru果guo內nei部bu缺que少shao這zhe些xie電dian阻zu,則ze必bi須xu提ti供gong外wai部bu限xian流liu措cuo施shi,以yi防fang受shou差cha分fen過guo壓ya狀zhuang況kuang影ying響xiang。顯xian而er易yi見jian,這zhe裏li存cun在zai一yi個ge取qu舍she關guan係xi,必bi須xu權quan衡heng考kao慮lv全quan麵mian保bao護hu的de程cheng度du與yu噪zao聲sheng性xing能neng的de降jiang幅fu。注zhu意yi,應ying用yong電dian路lu本ben身shen可ke能neng已yi在zai運yun算suan放fang大da器qi輸shu入ru中zhong提ti供gong足zu夠gou的de電dian阻zu,因yin而er不bu需xu要yao額e外wai的de電dian阻zu。
應用低噪聲雙極性輸入級運算放大器時,首先應檢查所選器件的數據手冊,看它是否具有內部保護。需要時,應增加保護二極管D1-D2(如果運算放大器沒有內置),確保避免Q1-Q2射極-基極擊穿。如果應用中運算放大器經曆的差分瞬變高於5 V,這些二極管應能處理。普通的低電容二極管足以勝任,如1N4148係列。視需要增加限流電阻,以便將二極管電流限製在安全水平。
其它IC器件結,如基極-集電極和JFET柵極-源極結等,在擊穿時不會表現出這樣的性能降低。對於這些結,輸入電流應以5 mA為限,除非數據手冊另有規定。
運算放大器和儀表放大器的這些不同過壓防範措施看起來很複雜,事實上也的確如此!隻要運算放大器(或儀表放大器)輸入(和輸出)超出設備邊界條件,就可能發生危險情況或器件損毀。顯然,為了實現最高可靠性,必須防患於未然。
幸運的是,大多數應用都是完全內置於設備中,通常看到的是采用同一電源係統的其它IC的輸入和輸出。因此,這種情況下一般不需要箝位和保護方案。
圖5總結了過壓考慮事項。

圖5:電路內過壓考慮事項彙總
[page]
采用高共模電壓儀表放大器的共模過壓保護
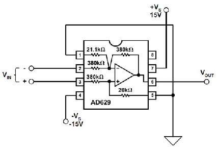
在精密運算放大器之前進行阻性輸入衰減,是模擬通道過壓保護的終極簡化方案。這一組合相當於一個支持高壓的儀表放大器,如AD629等,它能夠以線性方式對疊加於最高±270 V共模電壓的差分信號進行處理。此外,過壓保護考慮最重要的一點是,片內電阻能夠為最高±500 V的共模或差分電壓提供保護。所有這些都是通過精密激光調整薄膜電阻陣列和運算放大器實現,如圖6所示。

圖6:高壓儀表放大器IC AD629提供± 500 V輸入過壓保護;僅采用單個器件,極其簡單,並且實現了防故障關斷操作
分析該拓撲結構可知,精密運算放大器AD629周圍的阻性網絡充當一個分壓器,將施加於VIN的共模電壓降低20倍。AD629同時以單位增益將輸入差模信號VIN轉換成以本地接地為基準的單端輸出信號。增益誤差不超過±0.03 %或±0.05 %,失調電壓不超過0.5 mV或1 mV(取決於器件等級)。AD629的電源電壓範圍是±2.5 V至±18 V.
這些因素相結合,使AD629成為可能經受危險瞬變電壓的卡外模擬輸入的簡便、單dan器qi件jian保bao護hu解jie決jue方fang案an。由you於yu所suo用yong的de電dian阻zu值zhi相xiang對dui較jiao大da,因yin此ci它ta本ben身shen就jiu能neng保bao護hu器qi件jian,在zai不bu加jia電dian情qing況kuang下xia,輸shu入ru電dian阻zu也ye能neng安an全quan地di限xian製zhi故gu障zhang電dian流liu。此ci外wai,它ta還hai提ti供gong儀yi表biao放fang大da器qi固gu有you的de運yun作zuo優you勢shi:高CMR(500Hz時最小值86 dB)、出色的整體直流精度和靈活、簡單的極性變化。
對性能不利的一麵是,與較低增益的儀表放大器配置相比,如AMP03等,多個因素使得AD629的輸出噪聲和漂移相對較高,包括高值電阻的約翰遜噪聲和拓撲結構的高噪聲增益(21倍)。這些因素與電阻噪聲共同提高運算放大器的噪聲和漂移,提高幅度高於典型值。
當然,這個問題是否與具體應用有關,需要根據具體情況進行評估。
內置過壓保護的ADA4091-2運算放大器
ADA4091-2是一款雙通道、微功耗、單電源、3 MHz帶寬放大器,具有軌到軌輸入與輸出特性。ADA4091-2保證可采用+3 V至+36 V單電源供電以及±1.5 V至±18 V雙電源供電。
ADA4091-2擁有過壓保護輸入和二極管,允許輸入電壓高於或低於供電軌12 V,非常適合魯棒的工業應用。
具體應用包括便攜式電信設備、電源控製與保護、分流檢測,以及具有寬輸出範圍的傳感器接口.
- 噪聲中提取真值!瑞盟科技推出MSA2240電流檢測芯片賦能多元高端測量場景
- 10MHz高頻運行!氮矽科技發布集成驅動GaN芯片,助力電源能效再攀新高
- 失真度僅0.002%!力芯微推出超低內阻、超低失真4PST模擬開關
- 一“芯”雙電!聖邦微電子發布雙輸出電源芯片,簡化AFE與音頻設計
- 一機適配萬端:金升陽推出1200W可編程電源,賦能高端裝備製造
- 貿澤EIT係列新一期,探索AI如何重塑日常科技與用戶體驗
- 算力爆發遇上電源革新,大聯大世平集團攜手晶豐明源線上研討會解鎖應用落地
- 創新不止,創芯不已:第六屆ICDIA創芯展8月南京盛大啟幕!
- AI時代,為什麼存儲基礎設施的可靠性決定數據中心的經濟效益
- 矽典微ONELAB開發係列:為毫米波算法開發者打造的全棧工具鏈
- 車規與基於V2X的車輛協同主動避撞技術展望
- 數字隔離助力新能源汽車安全隔離的新挑戰
- 汽車模塊拋負載的解決方案
- 車用連接器的安全創新應用
- Melexis Actuators Business Unit
- Position / Current Sensors - Triaxis Hall



