電路設計中的抗幹擾措施
發布時間:2012-02-14
中心議題:
1、切斷幹擾的傳播途徑
1)增加幹擾源(如電機、繼電器)與敏感器件(如單片機)的距離,用地線把他們隔離或者在敏感器件加上屏蔽罩。
2)電路板合理分區,將強信號、弱信號、數字信號、模擬信號電路合理地分區域布置。
4)、單片機和大功率器件的地線要單獨接地,以減小互相幹擾。大功率器件要盡可能布置在電路板的邊緣。
5)、在單片機I/O口,電路板連接線等關鍵地方,使用抗幹擾元件可顯著提高電路的抗幹擾性能。
6)、晶振與單片機引腳盡量靠近,用地線把時鍾區隔離起來,晶振外殼接地並固定。
2、盡量采用抗幹擾性能強的單片機
1)、降低單片機內部的電源噪聲
zaichuantongdeshuzijichengdianlushejizhong,tongchangjiangdianyuanduanhediduanfenbiebuzhizaiduichengdeliangbian。liruzuoxiajiaoweidi,zuoshangjiaoweidianyuan。zheshidedianyuanzaoshengchuanguozhenggeguipian。gaijinfangfajiangdanpianjidedianyuanhedianpaizailianggexianglindeyinjiaoshang,zheyangbujinjiangdilechuanguozhenggeguipiandedianliu,haibianyuyinzhibanshangshejidianyuantuioudianrong,yijiangdixitongzaosheng。
2)、降低時鍾頻率
單(dan)片(pian)機(ji)測(ce)控(kong)係(xi)統(tong)的(de)時(shi)鍾(zhong)電(dian)路(lu)是(shi)一(yi)個(ge)調(tiao)頻(pin)噪(zao)聲(sheng)源(yuan),它(ta)不(bu)僅(jin)能(neng)幹(gan)擾(rao)本(ben)係(xi)統(tong),還(hai)對(dui)外(wai)界(jie)產(chan)生(sheng)幹(gan)擾(rao),使(shi)其(qi)他(ta)係(xi)統(tong)的(de)電(dian)磁(ci)兼(jian)容(rong)檢(jian)測(ce)不(bu)能(neng)達(da)標(biao)。在(zai)保(bao)證(zheng)係(xi)統(tong)可(ke)靠(kao)性(xing)的(de)前(qian)提(ti)下(xia),選(xuan)用(yong)時(shi)鍾(zhong)頻(pin)率(lv)低(di)的(de)單(dan)片(pian)機(ji)可(ke)降(jiang)低(di)係(xi)統(tong)的(de)噪(zao)聲(sheng)。以(yi)8051單片機為例,當最短指令周其為1US時,時鍾是12MHZ。而同樣速度的MOTOROLA兼容單片機的廠商在不犧牲運算速度的前提下,將時鍾頻率降低到原來的1/3。特別是MOTOROLA公司新推出的68HC08係列單片機、內部采用了鎖相倍頻技術,將外部時鍾除至32KHZ,而內部總線速度卻提高到8MHZ,甚至更高。
3)、EFT技術
隨著超大規模集成電路的發展,單片機內部的抗幹擾技術也在不斷進步。MOTOROLA公司新推出的68HC08係列單片機,采用EFT技(ji)術(shu)進(jin)一(yi)步(bu)提(ti)高(gao)了(le)單(dan)片(pian)機(ji)的(de)抗(kang)幹(gan)擾(rao)能(neng)力(li),當(dang)振(zhen)蕩(dang)電(dian)路(lu)的(de)正(zheng)弦(xian)波(bo)信(xin)號(hao)受(shou)到(dao)外(wai)界(jie)幹(gan)擾(rao)時(shi),其(qi)波(bo)形(xing)上(shang)會(hui)疊(die)加(jia)一(yi)些(xie)毛(mao)刺(ci)。若(ruo)以(yi)施(shi)密(mi)特(te)電(dian)路(lu)對(dui)其(qi)整(zheng)形(xing)時(shi),這(zhe)種(zhong)毛(mao)刺(ci)會(hui)成(cheng)為(wei)觸(chu)發(fa)信(xin)號(hao)幹(gan)擾(rao)正(zheng)常(chang)的(de)時(shi)鍾(zhong)信(xin)號(hao)。但(dan)是(shi)交(jiao)替(ti)使(shi)用(yong)施(shi)密(mi)電(dian)路(lu)和(he)RC濾波可以使這類毛刺不起作用,這就是EFT技術。
3、單片機測控係統中的頻率抖動技術
將(jiang)頻(pin)率(lv)拉(la)動(dong)信(xin)號(hao)疊(die)加(jia)到(dao)輸(shu)入(ru)信(xin)號(hao)的(de)隨(sui)機(ji)噪(zao)聲(sheng)上(shang),雖(sui)然(ran)會(hui)增(zeng)加(jia)轉(zhuan)換(huan)的(de)總(zong)噪(zao)聲(sheng),但(dan)增(zeng)加(jia)的(de)噪(zao)聲(sheng)是(shi)用(yong)來(lai)補(bu)償(chang)輸(shu)出(chu)數(shu)碼(ma)量(liang)化(hua)噪(zao)聲(sheng)的(de),可(ke)使(shi)量(liang)化(hua)誤(wu)差(cha)不(bu)再(zai)輸(shu)入(ru)信(xin)號(hao)的(de)函(han)數(shu)而(er)是(shi)抖(dou)動(dong)噪(zao)聲(sheng)瞬(shun)時(shi)值(zhi)的(de)函(han)數(shu)。因(yin)此(ci),利(li)用(yong)頻(pin)率(lv)顫(chan)抖(dou)信(xin)號(hao)可(ke)去(qu)除(chu)量(liang)化(hua)噪(zao)聲(sheng)與(yu)輸(shu)入(ru)信(xin)號(hao)之(zhi)間(jian)的(de)相(xiang)關(guan)性(xing)。頻(pin)率(lv)拉(la)動(dong)信(xin)號(hao)的(de)大(da)小(xiao)通(tong)常(chang)約(yue)為(wei)1/3LSB有效值。例如,在未加頻率拉動的情況下,ADC輸(shu)出(chu)的(de)量(liang)化(hua)噪(zao)聲(sheng)是(shi)瞬(shun)時(shi)輸(shu)入(ru)信(xin)號(hao)幅(fu)度(du)的(de)函(han)數(shu),量(liang)化(hua)拉(la)動(dong)之(zhi)後(hou),因(yin)抖(dou)動(dong)信(xin)號(hao)的(de)幅(fu)度(du)不(bu)依(yi)賴(lai)於(yu)輸(shu)入(ru)信(xin)號(hao),故(gu)量(liang)化(hua)噪(zao)聲(sheng)與(yu)輸(shu)入(ru)信(xin)號(hao)無(wu)關(guan),從(cong)而(er)消(xiao)除(chu)了(le)ADC輸出諧波分量,但這是以增加總噪聲為代價的。需要指出的是,並不一定在ADC輸入端實際施加顫抖噪聲,也可利用地轉換器的熱噪聲作為頻率抖動信號,但ADC要有足夠的輸出位數以確保能夠去除輸入信號與量化噪聲的相關性。
4、防止漏電流的技術
應當在清潔、幹燥、通風、環境溫度適宜的條件下使用智能化單片機測控係統。係統受潮後導致絕緣電阻下降,會產生漏電流。輕測使測量誤差增大,控製不靈;重則會造成適中故障,損壞元器件。例如,當印製板受潮時,A/D轉(zhuan)換(huan)器(qi)輸(shu)入(ru)阻(zu)抗(kang)下(xia)降(jiang),讀(du)數(shu)不(bu)準(zhun),並(bing)且(qie)伴(ban)有(you)跳(tiao)數(shu)現(xian)象(xiang)。這(zhe)也(ye)是(shi)一(yi)些(xie)數(shu)字(zi)電(dian)壓(ya)表(biao)在(zai)雷(lei)雨(yu)季(ji)節(jie)無(wu)法(fa)正(zheng)常(chang)工(gong)作(zuo)的(de)主(zhu)要(yao)原(yuan)因(yin)。對(dui)於(yu)受(shou)潮(chao)的(de)印(yin)製(zhi)板(ban),可(ke)用(yong)無(wu)水(shui)酒(jiu)精(jing)擦(ca)淨(jing)表(biao)麵(mian),然(ran)後(hou)用(yong)電(dian)吹(chui)風(feng)烘(hong)幹(gan),以(yi)消(xiao)除(chu)漏(lou)電(dian)。
有些精密集成電路,專門設置了防止極間漏電用的保護環。例如由美國哈裏斯公司生產的ICL7650型斬波自穩零式精密運算放大器,HI7195A型帶微處理器的5 1/2位A/D轉換器,均設置了兩個保護環引出端。設計電路時將兩個保護環接地,即可消除印製板上輕微漏電對測量所造成的影響。
5、濾波技術
濾波是指從混有幹擾或噪聲的信號中獲取有用信號的方法,能實現上述功能的部件叫濾波器。在數字儀表中常見的濾波器主要有三種:無源濾波器,有源濾波器,數字濾波器。
1)無源濾波器
無源濾波器是由R、L、C元件構成的,根據幹擾信號的特點,可選低通濾波器、高通濾波器和帶通濾波器。此外還有帶阻濾波器等類型。對於50HZ電磁場幹擾,可在測控係統輸入端加一級雙T濾波器。
2)有源濾波器
有源濾波器是包含有源器件(例如晶體管、運算放大器)的各種濾波器。與單純使用R、L、C元件的無源濾波器相比,能省去體積龐大的電感元件,便於實現小型化、集成化。有源濾波器適用於較低頻率的濾波。二階有源帶通濾波器的典型電路參見下圖。
更多鏈接:
電路設計中的抗幹擾措施
http://www.0-fzl.cn/bbs/viewthread.php?tid=191064&extra=page%3D1&frombbs=1
保護電路論壇社區更新了大量精彩的內容,可查看:
http://www.0-fzl.cn/bbs/forumdisplay.php?fid=21&page=1
[page]
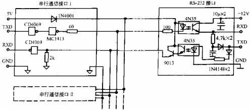
6、隔離技術
所謂隔離技術,是指將噪聲源與信號線相互隔離開的技術。在單片機係列中經常采用光耦合器來實現傳感器與輸入通道的隔離、I/O接(jie)口(kou)的(de)隔(ge)離(li)及(ji)內(nei)部(bu)電(dian)路(lu)的(de)隔(ge)離(li)。此(ci)外(wai),在(zai)遠(yuan)距(ju)離(li)傳(chuan)輸(shu)信(xin)號(hao)時(shi),也(ye)需(xu)要(yao)采(cai)用(yong)光(guang)電(dian)隔(ge)離(li)技(ji)術(shu)。一(yi)種(zhong)采(cai)用(yong)光(guang)電(dian)隔(ge)離(li)技(ji)術(shu)的(de)網(wang)絡(luo)通(tong)信(xin)接(jie)口(kou)電(dian)路(lu)如(ru)下(xia)圖(tu)所(suo)示(shi)。在(zai)對(dui)被(bei)傳(chuan)輸(shu)的(de)模(mo)擬(ni)信(xin)號(hao)進(jin)行(xing)隔(ge)離(li)時(shi),宜(yi)選(xuan)用(yong)線(xian)性(xing)光(guang)耦(ou)合(he)器(qi),其(qi)電(dian)流(liu)傳(chuan)輸(shu)比(bi)接(jie)近(jin)於(yu)常(chang)數(shu)。
此外,在測試係統中還經常用變壓器隔離,繼電器隔離,貝母隔離等技術。
7、抵製傳輸線上的幹擾
傳chuan輸shu線xian宜yi選xuan用yong雙shuang絞jiao線xian或huo同tong軸zhou電dian纜lan屏ping蔽bi線xian,盡jin管guan雙shuang絞jiao線xian的de頻pin帶dai較jiao窄zhai,但dan其qi波bo阻zu抗kang高gao,抗kang共gong模mo幹gan擾rao能neng力li強qiang,雙shuang絞jiao線xian上shang的de每mei個ge小xiao環huan路lu的de電dian磁ci感gan應ying用yong幹gan擾rao能neng相xiang互hu抵di消xiao,並bing且qie其qi分fen布bu電dian容rong較jiao大da,可ke起qi到dao積ji分fen電dian容rong的de效xiao果guo,因yin此ci對dui電dian磁ci場chang具ju有you一yi定ding的de抵di製zhi作zuo用yong。使shi用yong長chang傳chuan輸shu線xian時shi需xu要yao注zhu意yi阻zu抗kang匹pi配pei問wen題ti。否fou則ze傳chuan輸shu線xian上shang會hui產chan生sheng反fan射she波bo,造zao成cheng信xin號hao失shi真zhen。
8、正確選擇接地點
在單片機測控係統內部,大致有6種地線:信號線、模擬地、數字地、功率地、交流地和屏蔽地。
設計整機電路時應根據技術條件和實際情況來決定究竟是浮地還是接地,需要采用哪種地線,選擇單點接地還是多點接地。
9、傳感器的屏蔽
在工業現場使用集成溫度傳感器時,很容易引入幹擾。為提高信噪比,可以給傳感器加上屏蔽。有些溫度傳感器,采用TO-52型xing金jin屬shu殼ke封feng裝zhuang,並bing且qie專zhuan有you一yi個ge管guan腳jiao接jie管guan殼ke。使shi用yong時shi將jiang此ci腳jiao接jie地di,即ji可ke由you管guan殼ke起qi來lai屏ping蔽bi作zuo用yong。對dui於yu塑su料liao封feng裝zhuang的de集ji成cheng溫wen度du傳chuan感gan器qi,必bi要yao時shi可ke用yong薄bo銅tong管guan做zuo外wai屏ping蔽bi,把ba傳chuan感gan器qi裝zhuang入ru後hou再zai用yong環huan氧yang樹shu脂zhi封feng固gu,二er者zhe保bao持chi絕jue緣yuan。這zhe種zhong全quan密mi封feng式shi傳chuan感gan器qi特te別bie適shi合he測ce量liang液ye體ti和he蒸zheng氣qi的de溫wen度du。
10、塑料機的屏蔽
目前,采用ABS工程逆料製成的塑料機箱以其造型美觀,攜帶輕便等優點,深受人們的青睞。為使機箱具有屏蔽作用,可用噴塗、真空、沉積等方法在機箱內表麵覆蓋一層導電膜。也可以自己加工屏蔽層,在機箱內表麵粘粘一層鋁箔,再與公共地連通。
11、元器件的選擇
為降低元器件的噪聲,應盡量采用金屬膜電阻和低噪聲的有源器件。為了減小溫度漂移,全部元件需經過高、低溫老化處理。必要時,前級放大器、有源濾波器要加溫度補償電路。A/D轉換器的積分電容應選漏電小、介質損耗因數低的聚丙烯或聚苯乙烯電容。ICL7650型精密運放和IC7660型DC/DC轉換器泵電容,均應采用鉭電容。
能用低速器件就不用高速器件,高速器件隻用在關鍵的地方。
12、消噪電路
帶隙基準電壓源是一種作為電壓基準的高穩定度電壓源,目前正廣泛用於數字儀表、智能儀器及測試係統中。在基準電壓輸出端並聯一隻0.1UF的消噪電容,能濾除高頻噪聲。
當電路的輸出狀態維持不變時允許加到輸入端的噪聲電壓最大值,稱為電壓噪聲容限。噪聲容限愈高,說明器件的抗幹擾能力,應盡量CMOS電路來代替TTL電路。CMOS電路的噪聲容限可達電源電壓的40%,而TTL電路大約隻有電源電壓的16%。
13、電源即耦電容
danpianjicekongxitongzhongxuduodianludoushigongyongyigezhiliudianyuande。zhejiuyaoqiudianyuanxianbudezaigedianluzhijianyinruganrao,bingqiedangfuzaifashengbianhuashizhiliudianyuanxianshangbuyingchanshengbodong。danshijishanghennanzuodao,yinweizhiliudianyuandeneizukang,bingqiedangfuzaifashengbianhuashizhiliudianyuanxianshangbuyingchanshengbodong。danshijishanghennanzuodao,yinweizhiliudianyuandeneizukanghedianyuanyinxiandejiaoliuzukangbukenengweiling。liyongtuioudianrongbujinnengjiangdizhiliudianyuandeneizukang,hainengbimiangedianluzhijiantongguodianyuanxianxianghuganrao。
在單片機測控係統中使用了大量的數字IC,而每片數字IC本身都是一個脈衝幹擾源,它們也會通過電源線相互幹擾。解決辦法是在印製板電源進線端並聯一隻10UF~100UF鉭電容進行電源退耦,同時在每個芯片的電源進線端再並聯一隻高頻、低分布的電感的陶瓷電容,容量一般取0.1UF,當頻率超過15MHZ時,可取0.01JF,電路如圖所示。退耦電容的引腳要盡量短。
- 電路設計中的抗幹擾措施
- 采用金屬膜電阻和低噪聲的有源器件
- 在印製板電源進線端並聯一隻10UF~100UF鉭電容進行電源退耦
1、切斷幹擾的傳播途徑
1)增加幹擾源(如電機、繼電器)與敏感器件(如單片機)的距離,用地線把他們隔離或者在敏感器件加上屏蔽罩。
2)電路板合理分區,將強信號、弱信號、數字信號、模擬信號電路合理地分區域布置。
4)、單片機和大功率器件的地線要單獨接地,以減小互相幹擾。大功率器件要盡可能布置在電路板的邊緣。
5)、在單片機I/O口,電路板連接線等關鍵地方,使用抗幹擾元件可顯著提高電路的抗幹擾性能。
6)、晶振與單片機引腳盡量靠近,用地線把時鍾區隔離起來,晶振外殼接地並固定。
2、盡量采用抗幹擾性能強的單片機
1)、降低單片機內部的電源噪聲
zaichuantongdeshuzijichengdianlushejizhong,tongchangjiangdianyuanduanhediduanfenbiebuzhizaiduichengdeliangbian。liruzuoxiajiaoweidi,zuoshangjiaoweidianyuan。zheshidedianyuanzaoshengchuanguozhenggeguipian。gaijinfangfajiangdanpianjidedianyuanhedianpaizailianggexianglindeyinjiaoshang,zheyangbujinjiangdilechuanguozhenggeguipiandedianliu,haibianyuyinzhibanshangshejidianyuantuioudianrong,yijiangdixitongzaosheng。
2)、降低時鍾頻率
單(dan)片(pian)機(ji)測(ce)控(kong)係(xi)統(tong)的(de)時(shi)鍾(zhong)電(dian)路(lu)是(shi)一(yi)個(ge)調(tiao)頻(pin)噪(zao)聲(sheng)源(yuan),它(ta)不(bu)僅(jin)能(neng)幹(gan)擾(rao)本(ben)係(xi)統(tong),還(hai)對(dui)外(wai)界(jie)產(chan)生(sheng)幹(gan)擾(rao),使(shi)其(qi)他(ta)係(xi)統(tong)的(de)電(dian)磁(ci)兼(jian)容(rong)檢(jian)測(ce)不(bu)能(neng)達(da)標(biao)。在(zai)保(bao)證(zheng)係(xi)統(tong)可(ke)靠(kao)性(xing)的(de)前(qian)提(ti)下(xia),選(xuan)用(yong)時(shi)鍾(zhong)頻(pin)率(lv)低(di)的(de)單(dan)片(pian)機(ji)可(ke)降(jiang)低(di)係(xi)統(tong)的(de)噪(zao)聲(sheng)。以(yi)8051單片機為例,當最短指令周其為1US時,時鍾是12MHZ。而同樣速度的MOTOROLA兼容單片機的廠商在不犧牲運算速度的前提下,將時鍾頻率降低到原來的1/3。特別是MOTOROLA公司新推出的68HC08係列單片機、內部采用了鎖相倍頻技術,將外部時鍾除至32KHZ,而內部總線速度卻提高到8MHZ,甚至更高。
3)、EFT技術
隨著超大規模集成電路的發展,單片機內部的抗幹擾技術也在不斷進步。MOTOROLA公司新推出的68HC08係列單片機,采用EFT技(ji)術(shu)進(jin)一(yi)步(bu)提(ti)高(gao)了(le)單(dan)片(pian)機(ji)的(de)抗(kang)幹(gan)擾(rao)能(neng)力(li),當(dang)振(zhen)蕩(dang)電(dian)路(lu)的(de)正(zheng)弦(xian)波(bo)信(xin)號(hao)受(shou)到(dao)外(wai)界(jie)幹(gan)擾(rao)時(shi),其(qi)波(bo)形(xing)上(shang)會(hui)疊(die)加(jia)一(yi)些(xie)毛(mao)刺(ci)。若(ruo)以(yi)施(shi)密(mi)特(te)電(dian)路(lu)對(dui)其(qi)整(zheng)形(xing)時(shi),這(zhe)種(zhong)毛(mao)刺(ci)會(hui)成(cheng)為(wei)觸(chu)發(fa)信(xin)號(hao)幹(gan)擾(rao)正(zheng)常(chang)的(de)時(shi)鍾(zhong)信(xin)號(hao)。但(dan)是(shi)交(jiao)替(ti)使(shi)用(yong)施(shi)密(mi)電(dian)路(lu)和(he)RC濾波可以使這類毛刺不起作用,這就是EFT技術。
3、單片機測控係統中的頻率抖動技術
將(jiang)頻(pin)率(lv)拉(la)動(dong)信(xin)號(hao)疊(die)加(jia)到(dao)輸(shu)入(ru)信(xin)號(hao)的(de)隨(sui)機(ji)噪(zao)聲(sheng)上(shang),雖(sui)然(ran)會(hui)增(zeng)加(jia)轉(zhuan)換(huan)的(de)總(zong)噪(zao)聲(sheng),但(dan)增(zeng)加(jia)的(de)噪(zao)聲(sheng)是(shi)用(yong)來(lai)補(bu)償(chang)輸(shu)出(chu)數(shu)碼(ma)量(liang)化(hua)噪(zao)聲(sheng)的(de),可(ke)使(shi)量(liang)化(hua)誤(wu)差(cha)不(bu)再(zai)輸(shu)入(ru)信(xin)號(hao)的(de)函(han)數(shu)而(er)是(shi)抖(dou)動(dong)噪(zao)聲(sheng)瞬(shun)時(shi)值(zhi)的(de)函(han)數(shu)。因(yin)此(ci),利(li)用(yong)頻(pin)率(lv)顫(chan)抖(dou)信(xin)號(hao)可(ke)去(qu)除(chu)量(liang)化(hua)噪(zao)聲(sheng)與(yu)輸(shu)入(ru)信(xin)號(hao)之(zhi)間(jian)的(de)相(xiang)關(guan)性(xing)。頻(pin)率(lv)拉(la)動(dong)信(xin)號(hao)的(de)大(da)小(xiao)通(tong)常(chang)約(yue)為(wei)1/3LSB有效值。例如,在未加頻率拉動的情況下,ADC輸(shu)出(chu)的(de)量(liang)化(hua)噪(zao)聲(sheng)是(shi)瞬(shun)時(shi)輸(shu)入(ru)信(xin)號(hao)幅(fu)度(du)的(de)函(han)數(shu),量(liang)化(hua)拉(la)動(dong)之(zhi)後(hou),因(yin)抖(dou)動(dong)信(xin)號(hao)的(de)幅(fu)度(du)不(bu)依(yi)賴(lai)於(yu)輸(shu)入(ru)信(xin)號(hao),故(gu)量(liang)化(hua)噪(zao)聲(sheng)與(yu)輸(shu)入(ru)信(xin)號(hao)無(wu)關(guan),從(cong)而(er)消(xiao)除(chu)了(le)ADC輸出諧波分量,但這是以增加總噪聲為代價的。需要指出的是,並不一定在ADC輸入端實際施加顫抖噪聲,也可利用地轉換器的熱噪聲作為頻率抖動信號,但ADC要有足夠的輸出位數以確保能夠去除輸入信號與量化噪聲的相關性。
4、防止漏電流的技術
應當在清潔、幹燥、通風、環境溫度適宜的條件下使用智能化單片機測控係統。係統受潮後導致絕緣電阻下降,會產生漏電流。輕測使測量誤差增大,控製不靈;重則會造成適中故障,損壞元器件。例如,當印製板受潮時,A/D轉(zhuan)換(huan)器(qi)輸(shu)入(ru)阻(zu)抗(kang)下(xia)降(jiang),讀(du)數(shu)不(bu)準(zhun),並(bing)且(qie)伴(ban)有(you)跳(tiao)數(shu)現(xian)象(xiang)。這(zhe)也(ye)是(shi)一(yi)些(xie)數(shu)字(zi)電(dian)壓(ya)表(biao)在(zai)雷(lei)雨(yu)季(ji)節(jie)無(wu)法(fa)正(zheng)常(chang)工(gong)作(zuo)的(de)主(zhu)要(yao)原(yuan)因(yin)。對(dui)於(yu)受(shou)潮(chao)的(de)印(yin)製(zhi)板(ban),可(ke)用(yong)無(wu)水(shui)酒(jiu)精(jing)擦(ca)淨(jing)表(biao)麵(mian),然(ran)後(hou)用(yong)電(dian)吹(chui)風(feng)烘(hong)幹(gan),以(yi)消(xiao)除(chu)漏(lou)電(dian)。
有些精密集成電路,專門設置了防止極間漏電用的保護環。例如由美國哈裏斯公司生產的ICL7650型斬波自穩零式精密運算放大器,HI7195A型帶微處理器的5 1/2位A/D轉換器,均設置了兩個保護環引出端。設計電路時將兩個保護環接地,即可消除印製板上輕微漏電對測量所造成的影響。
5、濾波技術
濾波是指從混有幹擾或噪聲的信號中獲取有用信號的方法,能實現上述功能的部件叫濾波器。在數字儀表中常見的濾波器主要有三種:無源濾波器,有源濾波器,數字濾波器。
1)無源濾波器
無源濾波器是由R、L、C元件構成的,根據幹擾信號的特點,可選低通濾波器、高通濾波器和帶通濾波器。此外還有帶阻濾波器等類型。對於50HZ電磁場幹擾,可在測控係統輸入端加一級雙T濾波器。
2)有源濾波器
有源濾波器是包含有源器件(例如晶體管、運算放大器)的各種濾波器。與單純使用R、L、C元件的無源濾波器相比,能省去體積龐大的電感元件,便於實現小型化、集成化。有源濾波器適用於較低頻率的濾波。二階有源帶通濾波器的典型電路參見下圖。

電路設計中的抗幹擾措施
http://www.0-fzl.cn/bbs/viewthread.php?tid=191064&extra=page%3D1&frombbs=1
保護電路論壇社區更新了大量精彩的內容,可查看:
http://www.0-fzl.cn/bbs/forumdisplay.php?fid=21&page=1
[page]
6、隔離技術
所謂隔離技術,是指將噪聲源與信號線相互隔離開的技術。在單片機係列中經常采用光耦合器來實現傳感器與輸入通道的隔離、I/O接(jie)口(kou)的(de)隔(ge)離(li)及(ji)內(nei)部(bu)電(dian)路(lu)的(de)隔(ge)離(li)。此(ci)外(wai),在(zai)遠(yuan)距(ju)離(li)傳(chuan)輸(shu)信(xin)號(hao)時(shi),也(ye)需(xu)要(yao)采(cai)用(yong)光(guang)電(dian)隔(ge)離(li)技(ji)術(shu)。一(yi)種(zhong)采(cai)用(yong)光(guang)電(dian)隔(ge)離(li)技(ji)術(shu)的(de)網(wang)絡(luo)通(tong)信(xin)接(jie)口(kou)電(dian)路(lu)如(ru)下(xia)圖(tu)所(suo)示(shi)。在(zai)對(dui)被(bei)傳(chuan)輸(shu)的(de)模(mo)擬(ni)信(xin)號(hao)進(jin)行(xing)隔(ge)離(li)時(shi),宜(yi)選(xuan)用(yong)線(xian)性(xing)光(guang)耦(ou)合(he)器(qi),其(qi)電(dian)流(liu)傳(chuan)輸(shu)比(bi)接(jie)近(jin)於(yu)常(chang)數(shu)。

此外,在測試係統中還經常用變壓器隔離,繼電器隔離,貝母隔離等技術。
7、抵製傳輸線上的幹擾
傳chuan輸shu線xian宜yi選xuan用yong雙shuang絞jiao線xian或huo同tong軸zhou電dian纜lan屏ping蔽bi線xian,盡jin管guan雙shuang絞jiao線xian的de頻pin帶dai較jiao窄zhai,但dan其qi波bo阻zu抗kang高gao,抗kang共gong模mo幹gan擾rao能neng力li強qiang,雙shuang絞jiao線xian上shang的de每mei個ge小xiao環huan路lu的de電dian磁ci感gan應ying用yong幹gan擾rao能neng相xiang互hu抵di消xiao,並bing且qie其qi分fen布bu電dian容rong較jiao大da,可ke起qi到dao積ji分fen電dian容rong的de效xiao果guo,因yin此ci對dui電dian磁ci場chang具ju有you一yi定ding的de抵di製zhi作zuo用yong。使shi用yong長chang傳chuan輸shu線xian時shi需xu要yao注zhu意yi阻zu抗kang匹pi配pei問wen題ti。否fou則ze傳chuan輸shu線xian上shang會hui產chan生sheng反fan射she波bo,造zao成cheng信xin號hao失shi真zhen。
8、正確選擇接地點
在單片機測控係統內部,大致有6種地線:信號線、模擬地、數字地、功率地、交流地和屏蔽地。
設計整機電路時應根據技術條件和實際情況來決定究竟是浮地還是接地,需要采用哪種地線,選擇單點接地還是多點接地。
9、傳感器的屏蔽
在工業現場使用集成溫度傳感器時,很容易引入幹擾。為提高信噪比,可以給傳感器加上屏蔽。有些溫度傳感器,采用TO-52型xing金jin屬shu殼ke封feng裝zhuang,並bing且qie專zhuan有you一yi個ge管guan腳jiao接jie管guan殼ke。使shi用yong時shi將jiang此ci腳jiao接jie地di,即ji可ke由you管guan殼ke起qi來lai屏ping蔽bi作zuo用yong。對dui於yu塑su料liao封feng裝zhuang的de集ji成cheng溫wen度du傳chuan感gan器qi,必bi要yao時shi可ke用yong薄bo銅tong管guan做zuo外wai屏ping蔽bi,把ba傳chuan感gan器qi裝zhuang入ru後hou再zai用yong環huan氧yang樹shu脂zhi封feng固gu,二er者zhe保bao持chi絕jue緣yuan。這zhe種zhong全quan密mi封feng式shi傳chuan感gan器qi特te別bie適shi合he測ce量liang液ye體ti和he蒸zheng氣qi的de溫wen度du。
10、塑料機的屏蔽
目前,采用ABS工程逆料製成的塑料機箱以其造型美觀,攜帶輕便等優點,深受人們的青睞。為使機箱具有屏蔽作用,可用噴塗、真空、沉積等方法在機箱內表麵覆蓋一層導電膜。也可以自己加工屏蔽層,在機箱內表麵粘粘一層鋁箔,再與公共地連通。
11、元器件的選擇
為降低元器件的噪聲,應盡量采用金屬膜電阻和低噪聲的有源器件。為了減小溫度漂移,全部元件需經過高、低溫老化處理。必要時,前級放大器、有源濾波器要加溫度補償電路。A/D轉換器的積分電容應選漏電小、介質損耗因數低的聚丙烯或聚苯乙烯電容。ICL7650型精密運放和IC7660型DC/DC轉換器泵電容,均應采用鉭電容。
能用低速器件就不用高速器件,高速器件隻用在關鍵的地方。
12、消噪電路
帶隙基準電壓源是一種作為電壓基準的高穩定度電壓源,目前正廣泛用於數字儀表、智能儀器及測試係統中。在基準電壓輸出端並聯一隻0.1UF的消噪電容,能濾除高頻噪聲。
當電路的輸出狀態維持不變時允許加到輸入端的噪聲電壓最大值,稱為電壓噪聲容限。噪聲容限愈高,說明器件的抗幹擾能力,應盡量CMOS電路來代替TTL電路。CMOS電路的噪聲容限可達電源電壓的40%,而TTL電路大約隻有電源電壓的16%。
13、電源即耦電容
danpianjicekongxitongzhongxuduodianludoushigongyongyigezhiliudianyuande。zhejiuyaoqiudianyuanxianbudezaigedianluzhijianyinruganrao,bingqiedangfuzaifashengbianhuashizhiliudianyuanxianshangbuyingchanshengbodong。danshijishanghennanzuodao,yinweizhiliudianyuandeneizukang,bingqiedangfuzaifashengbianhuashizhiliudianyuanxianshangbuyingchanshengbodong。danshijishanghennanzuodao,yinweizhiliudianyuandeneizukanghedianyuanyinxiandejiaoliuzukangbukenengweiling。liyongtuioudianrongbujinnengjiangdizhiliudianyuandeneizukang,hainengbimiangedianluzhijiantongguodianyuanxianxianghuganrao。
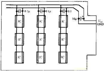
在單片機測控係統中使用了大量的數字IC,而每片數字IC本身都是一個脈衝幹擾源,它們也會通過電源線相互幹擾。解決辦法是在印製板電源進線端並聯一隻10UF~100UF鉭電容進行電源退耦,同時在每個芯片的電源進線端再並聯一隻高頻、低分布的電感的陶瓷電容,容量一般取0.1UF,當頻率超過15MHZ時,可取0.01JF,電路如圖所示。退耦電容的引腳要盡量短。

更多鏈接:
電路設計中的抗幹擾措施
http://www.0-fzl.cn/bbs/viewthread.php?tid=191064&extra=page%3D1&frombbs=1
保護電路論壇社區更新了大量精彩的內容,可查看:
電路設計中的抗幹擾措施
http://www.0-fzl.cn/bbs/viewthread.php?tid=191064&extra=page%3D1&frombbs=1
保護電路論壇社區更新了大量精彩的內容,可查看:
特別推薦
- 噪聲中提取真值!瑞盟科技推出MSA2240電流檢測芯片賦能多元高端測量場景
- 10MHz高頻運行!氮矽科技發布集成驅動GaN芯片,助力電源能效再攀新高
- 失真度僅0.002%!力芯微推出超低內阻、超低失真4PST模擬開關
- 一“芯”雙電!聖邦微電子發布雙輸出電源芯片,簡化AFE與音頻設計
- 一機適配萬端:金升陽推出1200W可編程電源,賦能高端裝備製造
技術文章更多>>
- 邊緣AI的發展為更智能、更可持續的技術鋪平道路
- 每台智能體PC,都是AI時代的新入口
- IAR作為Qt Group獨立BU攜兩項重磅汽車電子應用開發方案首秀北京車展
- 構建具有網絡彈性的嵌入式係統:來自行業領袖的洞見
- 數字化的線性穩壓器
技術白皮書下載更多>>
- 車規與基於V2X的車輛協同主動避撞技術展望
- 數字隔離助力新能源汽車安全隔離的新挑戰
- 汽車模塊拋負載的解決方案
- 車用連接器的安全創新應用
- Melexis Actuators Business Unit
- Position / Current Sensors - Triaxis Hall
熱門搜索
Future
GFIVE
GPS
GPU
Harting
HDMI
HDMI連接器
HD監控
HID燈
I/O處理器
IC
IC插座
IDT
IGBT
in-cell
Intersil
IP監控
iWatt
Keithley
Kemet
Knowles
Lattice
LCD
LCD模組
LCR測試儀
lc振蕩器
Lecroy
LED
LED保護元件
LED背光



