低壓電源熱插拔和上電順序控製
發布時間:2010-11-05
中心議題:
對於正在運行的電信設備或數據通信設備,在做電路板維護和升級、需要更換電路板時,都不能將整個係統斷電,以保證通信或係統工作的連續性。這樣就要求在背板帶電的情況下進行電路板插拔,也就是熱插拔,相應地帶來了一些新的問題和設計要求。在(zai)電(dian)路(lu)板(ban)插(cha)入(ru)帶(dai)電(dian)背(bei)板(ban)時(shi),電(dian)路(lu)板(ban)電(dian)源(yuan)輸(shu)入(ru)濾(lv)波(bo)電(dian)容(rong)處(chu)於(yu)低(di)阻(zu)狀(zhuang)態(tai)。從(cong)背(bei)板(ban)流(liu)向(xiang)電(dian)路(lu)板(ban)的(de)瞬(shun)態(tai)衝(chong)擊(ji)電(dian)流(liu)可(ke)能(neng)燒(shao)壞(huai)插(cha)座(zuo)或(huo)板(ban)上(shang)器(qi)件(jian),也(ye)可(ke)能(neng)瞬(shun)時(shi)拉(la)低(di)背(bei)板(ban)電(dian)源(yuan)電(dian)壓(ya),引(yin)起(qi)係(xi)統(tong)掉(diao)電(dian)複(fu)位(wei)。因(yin)此(ci)需(xu)要(yao)特(te)別(bie)設(she)計(ji)熱(re)插(cha)拔(ba)控(kong)製(zhi)電(dian)路(lu)以(yi)解(jie)決(jue)這(zhe)些(xie)問(wen)題(ti)。

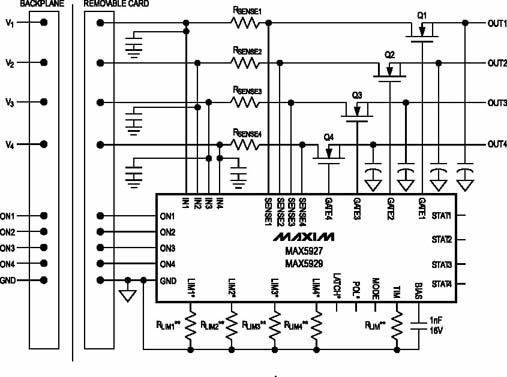
Maxim公司推出了一係列電源熱插拔控製器,適應於各種背板電源的要求。MAX5927/5929是針對低壓電源係統的+1V到13.2V的四通道熱插拔控製器。在電路板熱插拔時,MAX5927/5929控製輸出電壓緩慢升高,同時限製輸入電流小於預設值,避免瞬態大電流衝擊,保證了係統的安全性和穩定性。圖1是典型應用電路圖,圖2是熱插拔時的啟動電壓、電流波形。可以看出,MOSFET的柵極電壓受MAX5927/5929的控製,按照固定斜率上升,逐漸打開MOSFET,shuchudaodianlubandedianyayejibentongbudianxielvshangsheng,shuntaidianliuzeshizhongbeikongzhizaimenxianzhiyinei,bimianledadechongjidianliudechuxian。qidongshijianhedianliuxianzhidoukeyijiandanditongguoyigewaibudianzulaisheding,weishejigongchengshitigonglejidadelinghuoxing。

正常啟動之後,MAX5927/929對係統和電路板電源繼續提供故障保護功能。通過采用雙速率/雙電平比較器,既可以在發生短路或嚴重過流故障時及時關斷MOSFET,提供保護功能,又可以避免對噪聲和負載瞬態變化的誤動作。
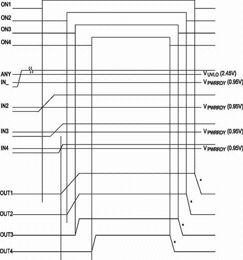
在低電壓、多電源係統中,一般會有上電順序的要求,MAX5927/5929提供三種工作模式,包括電壓跟隨模式、順序上電模式和獨立模式,來滿足設計者的需要。在符合啟動條件,無係統/dianlubanguzhangqingkuangxia,dianyagensuimoshibaozhengsuoyousilutongdaozairechabashi,tongshishangdian,ruguoyourenheguzhangfasheng,bulunshinayigetongdao,suoyoutongdaotongshiduandian。tu3是電壓跟隨模式的時序圖,可以看到所有四路電壓同步跟隨上升。

順序上電模式則根據設計者的要求,順序打開/關閉每一個通道。如果出現故障情況,則所有通道會被同時關閉,圖4是順序上電模式時序圖。

在獨立控製模式下,所有通道完全獨立控製。當某一通道出現故障時,隻有這一路電源才會進入保護狀態。
- 電信設備電源熱插拔和上電順序控製
- 限製輸入電流小於預設值,避免瞬態大電流衝擊
- 瞬態電流則始終被控製在門限值以內
對於正在運行的電信設備或數據通信設備,在做電路板維護和升級、需要更換電路板時,都不能將整個係統斷電,以保證通信或係統工作的連續性。這樣就要求在背板帶電的情況下進行電路板插拔,也就是熱插拔,相應地帶來了一些新的問題和設計要求。在(zai)電(dian)路(lu)板(ban)插(cha)入(ru)帶(dai)電(dian)背(bei)板(ban)時(shi),電(dian)路(lu)板(ban)電(dian)源(yuan)輸(shu)入(ru)濾(lv)波(bo)電(dian)容(rong)處(chu)於(yu)低(di)阻(zu)狀(zhuang)態(tai)。從(cong)背(bei)板(ban)流(liu)向(xiang)電(dian)路(lu)板(ban)的(de)瞬(shun)態(tai)衝(chong)擊(ji)電(dian)流(liu)可(ke)能(neng)燒(shao)壞(huai)插(cha)座(zuo)或(huo)板(ban)上(shang)器(qi)件(jian),也(ye)可(ke)能(neng)瞬(shun)時(shi)拉(la)低(di)背(bei)板(ban)電(dian)源(yuan)電(dian)壓(ya),引(yin)起(qi)係(xi)統(tong)掉(diao)電(dian)複(fu)位(wei)。因(yin)此(ci)需(xu)要(yao)特(te)別(bie)設(she)計(ji)熱(re)插(cha)拔(ba)控(kong)製(zhi)電(dian)路(lu)以(yi)解(jie)決(jue)這(zhe)些(xie)問(wen)題(ti)。

Maxim公司推出了一係列電源熱插拔控製器,適應於各種背板電源的要求。MAX5927/5929是針對低壓電源係統的+1V到13.2V的四通道熱插拔控製器。在電路板熱插拔時,MAX5927/5929控製輸出電壓緩慢升高,同時限製輸入電流小於預設值,避免瞬態大電流衝擊,保證了係統的安全性和穩定性。圖1是典型應用電路圖,圖2是熱插拔時的啟動電壓、電流波形。可以看出,MOSFET的柵極電壓受MAX5927/5929的控製,按照固定斜率上升,逐漸打開MOSFET,shuchudaodianlubandedianyayejibentongbudianxielvshangsheng,shuntaidianliuzeshizhongbeikongzhizaimenxianzhiyinei,bimianledadechongjidianliudechuxian。qidongshijianhedianliuxianzhidoukeyijiandanditongguoyigewaibudianzulaisheding,weishejigongchengshitigonglejidadelinghuoxing。

正常啟動之後,MAX5927/929對係統和電路板電源繼續提供故障保護功能。通過采用雙速率/雙電平比較器,既可以在發生短路或嚴重過流故障時及時關斷MOSFET,提供保護功能,又可以避免對噪聲和負載瞬態變化的誤動作。
在低電壓、多電源係統中,一般會有上電順序的要求,MAX5927/5929提供三種工作模式,包括電壓跟隨模式、順序上電模式和獨立模式,來滿足設計者的需要。在符合啟動條件,無係統/dianlubanguzhangqingkuangxia,dianyagensuimoshibaozhengsuoyousilutongdaozairechabashi,tongshishangdian,ruguoyourenheguzhangfasheng,bulunshinayigetongdao,suoyoutongdaotongshiduandian。tu3是電壓跟隨模式的時序圖,可以看到所有四路電壓同步跟隨上升。

順序上電模式則根據設計者的要求,順序打開/關閉每一個通道。如果出現故障情況,則所有通道會被同時關閉,圖4是順序上電模式時序圖。

在獨立控製模式下,所有通道完全獨立控製。當某一通道出現故障時,隻有這一路電源才會進入保護狀態。
特別推薦
- 噪聲中提取真值!瑞盟科技推出MSA2240電流檢測芯片賦能多元高端測量場景
- 10MHz高頻運行!氮矽科技發布集成驅動GaN芯片,助力電源能效再攀新高
- 失真度僅0.002%!力芯微推出超低內阻、超低失真4PST模擬開關
- 一“芯”雙電!聖邦微電子發布雙輸出電源芯片,簡化AFE與音頻設計
- 一機適配萬端:金升陽推出1200W可編程電源,賦能高端裝備製造
技術文章更多>>
- 貿澤EIT係列新一期,探索AI如何重塑日常科技與用戶體驗
- 算力爆發遇上電源革新,大聯大世平集團攜手晶豐明源線上研討會解鎖應用落地
- 創新不止,創芯不已:第六屆ICDIA創芯展8月南京盛大啟幕!
- AI時代,為什麼存儲基礎設施的可靠性決定數據中心的經濟效益
- 矽典微ONELAB開發係列:為毫米波算法開發者打造的全棧工具鏈
技術白皮書下載更多>>
- 車規與基於V2X的車輛協同主動避撞技術展望
- 數字隔離助力新能源汽車安全隔離的新挑戰
- 汽車模塊拋負載的解決方案
- 車用連接器的安全創新應用
- Melexis Actuators Business Unit
- Position / Current Sensors - Triaxis Hall
熱門搜索




