正負脈衝電源用雙重保護電路的研究
發布時間:2010-10-25 來源:現代電子技術
中心議題:
- 針對正負脈衝電源中對IGBT保護的要求
- 保護電路的控製電路
正負脈衝電源的解決方案:
- 雙重保護控製電路
摘 要:針對正負脈衝電源中對IGBT保護的要求,提出並分析了一種廉價而簡潔的、適用於各種保護電路的控製電路,給出了設計時需要注意的問題。該控製電路對於實際操作中可能遇到的過載、瞬時過流、短路等現象能進行很好的監測和控製。
在材料保護領域,等離子體表麵處理、陽極氧化、微弧氧化、maichongdiandudengxinjishuzhengzaiguoneixingqi。gongyeshengchanxuyaodetezhongdianyuanyidagonglvzhengfumaichongdianyuanweixianjindeyizhong。dianyuandeyanzhiguochengzhong,jueyuanzhashuangjixingjingtiguan(IGBT)始終是功率開關器件的首選。他集MOSFET的輸入阻抗高、驅動容易、開關速度快、無二次擊穿和GTR的通態壓降低、高壓大電流化容易等優點於一體,是目前脈衝電源中的主要功率開關器件。IGBT的可靠工作是脈衝電源可靠工作的基礎,在對IGBT的保護中,過流保護是關鍵技術之一,脈衝電源能否穩定、可靠地工作,很大程度上取決於過流檢測保護電路設計的優劣。
1 典型控製方案
1.1 IGBT的失效機理
IGBT在短路和過流時,如不迅速加以保護就會導致器件失效,其主要原因有:超過熱極限、發生擎住效應、器件過壓擊穿等。
(1)超過熱極限 器件短路時的功耗將導致器件芯片溫度迅速上升。若溫度超過250℃,由於芯片材料矽的本征化將會導致IGBT迅速熱擊穿而損壞。
(2)發生擎住效應 IGBT結構上存在寄生晶閘管,在極大的短路電流下關斷IGBT時極易發生動態擎住導致器件損壞。
(3)器件過壓擊穿 大電流下關斷IGBT時極大的dI/dt在回路電路中產生的關斷電壓尖峰有可能使IGBT因雪崩擊穿而損壞。
1.2 IGBT的特性曲線

圖1是IGBT短路時的輸出特性。他說明IGBT的短路電流Isc隨電源電壓VCC增加而增加,同時也隨柵極驅動電壓VGE增加而增加,因此柵極驅動電壓VGE的幅值不宜過大。

圖2是IGBT的允許短路時間tSC,短路電流Isc與柵極驅動電壓的關係,由圖2可知,當IGBT短路時,及時減小VGE可以使ISC減小和延長。

圖3是IGBT的飽和導通壓降VCES和集電極電流Ic的關係。該圖表明,VCES和Ic近似成線性關係,因此,可以通過檢測集電極電位來判斷IGBT是否過流。
[page]
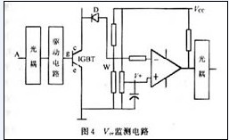
1.3 常用檢測電路
根據以上IGBT的3個特性曲線,利用通過檢測集電極飽和壓降來判斷IGBT是否過流這一原理,可以派生出很多檢測電路。其中較為常見的電路如圖4所示[1]。

此電路由一比較器實現。圖4中D為高反壓快速恢複二極管,電位器W用於調整V+。當管子正常導通不過流時,Vce+Vd(Vd為二極管D的正向導通壓降)低於V+,比較器輸出高電平;當發生過流時,Ic急劇增加,使 Vce上升很多,有Vce+Vd高於V+,比較器輸出低電平,通過光耦產生過流保護信號(低電平有效)。
雖然通過檢測其集電極電壓來判斷IGBT工作電流是否過大的方法最直接,但在電路設計時遇到2個問題:
(1)IGBT通態時,Vce隻有幾伏電壓,IGBT關斷時,Vce卻que有you幾ji百bai伏fu電dian壓ya,相xiang差cha如ru此ci大da的de檢jian測ce信xin號hao怎zen樣yang協xie調tiao統tong一yi。因yin檢jian測ce電dian路lu直zhi接jie與yu控kong製zhi電dian路lu相xiang連lian,所suo以yi不bu希xi望wang有you強qiang電dian信xin號hao進jin入ru,以yi免mian幹gan擾rao和he衝chong擊ji控kong製zhi電dian路lu。
(2)由於IGBT管在快速大電流能斷狀態下工作,要求檢測電路輸入阻抗高,輸入電容小。鑒於以上兩點,選擇舍棄通過檢測集電極電壓來判斷IGBT工作電流是否過大的方法,而考慮在主回路上直接進行檢測。
2 雙重保護控製電路
2.1 主電路原理圖
主電路為載波電路,如圖5所示。

圖5中I1,I2為采樣電流,V1,V2為采樣電壓。I1,V1分別為正向電流和正向電壓;I2,V2分別為反向電流和反向電壓。
2.2 控製係統原理圖控製電路如圖6所示。

圖6中LM358為反向放大器,LM324為比較器,PT為保護電路的控製信號(高電平有效)。這裏,比較器選擇的依據是:由圖2中IGBT的驅動柵壓 VGE與Isc和允許過流時間tsc的關係知,當VGE=15 V時,該器件承受250 A的過流衝擊時間僅為5μs。如果在過流開始時,將柵壓降低到10 V,則承受過流的時間可延長到15μs,並且過流幅值也由原來的250 A下降到100 A。當然,由於VGE的降低,將導致IGBTdaotongyajiangshenggao,zhejiangshiguanzideshunshiresunhaojijuzengda。weilefangzhiresunhuai,zhegeshijianyingzugouduan,buyunxuyincieryinqiresunhuai。shishishang,guoliubaohudianludezhenggexiangyingshijiantongchangxiaoyu10μs。因此,選用廉價的LM324基本可以滿足設計要求,他的具體指標如下:單電源供電,工作電壓 3~ 30 V,輸入失調電壓低於5 mV,輸入到輸出傳輸時延5μs,100 dB帶寬大於1 MHz。
2.3 實現功能
這裏以反向采樣電流I2這一支路為例進行說明。
采樣電流I2經LM358反向放大後在1腳輸出,這裏分別記LM358的管腳1,2,3,5,6的電壓為V1,V2,V3,V5,V6,從圖中顯然有V1=V2=V6。這裏V3為瞬時過流保護控製點,V5為持續過流保護控製點。
當V2<V3時,即沒有過流信號出現,此時比較器1腳,7腳輸出高電平,D1,D2截止,控製電路不工作。
當V3<V2<V5時,即有瞬時過流信號出現,比較器1腳輸出低電平,7腳仍是高電平,D1導通,D2截止,即隻有第一級比較起作用,此時,Q1,Q5導通,LED發光,PT為高電平,啟動保護電路。在這種情況下,主回路每瞬時過流一次,LED便亮一下,而後熄滅。也就是說,當過流信號介於比較點V3和 V5之間時,可以實現過流一次保護一次的功能。
[page]
當V2>V5時,即有持續過流信號出現(如短路時),比較器 1,7腳為低電平,D1,D2導通,兩級比較都起作用,但起決定性作用的還是第2級比較。因為Q2,Q3組成可控矽式結構,當D2導通後,相當於給“可控矽”一個觸發信號,Q3馬上導通,緊接著Q2也導通,則有LED發光,PT為高電平。此時,即便取樣電流I2恢複正常,D1,D2截止,但Q3與Q2仍是導通的,LED一直發光,PT一直處於高電平狀態。這也就是說,當過流信號大於短路電流保護控製點V5時,可以實現短路後長期保護的功能。
控製電路中D4的作用是:由於PT外接保護電路,電路中的導線上存在著分布電感,而分布電感上的電流又會反向加在Q2,Q3上,導致Q2,Q3的損壞,故在此加上一個二極管,緩解導線分布電感上電流對開關的衝擊。
當檢測到瞬時過流信號時,可以通過延時關斷一個周期的驅動信號,隨後恢複之,進行保護;當檢測到短路信號時,可以通過慢降柵壓技術[4]來關斷IGBT,從而進行保護。對於正向取樣電流I1工作原理的分析與反向電流I2相同,在此不加贅述。
2.4 需要注意的問題
(1)電路中要求放大器LM358放大100~200倍,並且他存在失調電壓,通常是10 mV左右,而待放大的信號也是很微弱的,一般情況下有幾十個mV,但不能排除輸入信號低於10 mV的情況。當這種情況發生時,可以在放大前先給輸入信號疊加一個10 mV左右的信號以抵消失調電壓的影響。如果實際應用中需要穩定性更好、精度更高、放大倍數更大的放大器,則可將LM358換成有正負電源供電的 TL082。
(2)在實際應用中,發現比較器LM324的響應速度還是不理想的,對於頻率更高,功率更大的脈衝電源,建議使用 NJU7119(單電源CMOS比較器,工作電壓1.8~5.5 V,工作電流100 mA,輸出能驅動TTL,CMOS和各種電壓電平,輸入失調電壓低於7 mV,傳輸延遲時間(tplh/tphl)為160/70 ns)或AD53519(雙超快電壓比較器,有很強的輸入保護,輸入到輸出傳輸時延300 ps,差分ECL兼容輸出,差分鎖存控製,3.0 dB帶寬大於2.5 GHz,輸出端上升/下降時間為150 ps)。
(3)Q1和Q3的基極和發射極間的電阻選取很重要,也就是R3和 R22的阻值是嚴格要求的,他們和比較點輸出電壓(如LM324的1腳和7腳)有密切聯係。因為比較器和三極管的供電電壓是一樣的,而電路要求比較器輸出的高電平VH與二極管管壓降之和一定要大於Q1和Q3的基極電壓VB,即:VH+VD>VB,所以可以根據實際需要來選擇R3和R22的大小。
3 實驗與結論
在本所自行研製的30 kW微wei弧hu氧yang化hua用yong正zheng負fu脈mai衝chong電dian源yuan中zhong,此ci控kong製zhi電dian路lu起qi到dao了le很hen好hao的de監jian測ce和he控kong製zhi作zuo用yong,對dui於yu瞬shun時shi過guo流liu和he短duan路lu情qing況kuang的de發fa生sheng,都dou能neng給gei予yu及ji時shi的de識shi別bie和he相xiang應ying的de保bao護hu。經jing過guo長chang時shi間jian的de運yun行xing和he現xian場chang工gong藝yi的de特te殊shu要yao求qiu,本ben設she備bei完wan全quan能neng夠gou應ying付fu各ge種zhong過guo流liu現xian象xiang的de產chan生sheng,確que保bao電dian源yuan安an全quan可ke靠kao工gong作zuo。
本文介紹的避開檢測集電極電位來判斷IGBT是(shi)否(fou)過(guo)流(liu)的(de)方(fang)法(fa),改(gai)用(yong)直(zhi)接(jie)檢(jian)測(ce)主(zhu)回(hui)路(lu)分(fen)流(liu)器(qi)上(shang)電(dian)流(liu)來(lai)判(pan)斷(duan)和(he)控(kong)製(zhi)過(guo)流(liu),實(shi)現(xian)電(dian)路(lu)簡(jian)單(dan),成(cheng)本(ben)低(di),可(ke)靠(kao)性(xing)高(gao),動(dong)態(tai)性(xing)能(neng)好(hao),已(yi)用(yong)於(yu)脈(mai)衝(chong)電(dian)源(yuan)的(de)控(kong)製(zhi)單(dan)元(yuan)。
- 噪聲中提取真值!瑞盟科技推出MSA2240電流檢測芯片賦能多元高端測量場景
- 10MHz高頻運行!氮矽科技發布集成驅動GaN芯片,助力電源能效再攀新高
- 失真度僅0.002%!力芯微推出超低內阻、超低失真4PST模擬開關
- 一“芯”雙電!聖邦微電子發布雙輸出電源芯片,簡化AFE與音頻設計
- 一機適配萬端:金升陽推出1200W可編程電源,賦能高端裝備製造
- 貿澤EIT係列新一期,探索AI如何重塑日常科技與用戶體驗
- 算力爆發遇上電源革新,大聯大世平集團攜手晶豐明源線上研討會解鎖應用落地
- 創新不止,創芯不已:第六屆ICDIA創芯展8月南京盛大啟幕!
- AI時代,為什麼存儲基礎設施的可靠性決定數據中心的經濟效益
- 矽典微ONELAB開發係列:為毫米波算法開發者打造的全棧工具鏈
- 車規與基於V2X的車輛協同主動避撞技術展望
- 數字隔離助力新能源汽車安全隔離的新挑戰
- 汽車模塊拋負載的解決方案
- 車用連接器的安全創新應用
- Melexis Actuators Business Unit
- Position / Current Sensors - Triaxis Hall





