斷電延時型時間繼電器
發布時間:2010-08-12
中心議題:
時間繼電器是一種延時功能由電子線路來實現的控製器。根據控製場合可選擇使用如:通電延時型A;斷電延時型F;星三角延時型Y;帶瞬動輸出的通電延時型C;間隔延時型G;往複延時型R;斷開延時信號型K等規格以滿足所需控製場合。在上述延時類型應用中,在許多場合都需要用斷電延時型繼電器進行控製。
liruxuyaokongzhiyitaidianji,yaoqiuzaianxiatingzhianniuxuyaoyanshiyiduanshijianhou,dianjizaizhongxinqidonggongzuo,zejiuxuyongdaoduandianyanshijidianqilaishixianyishanggongneng。suoweiduandianyanshijidianqi,shidangshijianjidianqixianquantongdianshi,geyanshichutoushunshidongzuo,erxianquanduandianyihouchutouchengyanshizhiweigongzuozhuangtai,dangsuosheyanshidaodahou,yanshichutouyouhuifuweichushizhuangtai。duandianyanshixingyinqigongzuozhuangtai(在延時過程中不需外接工作電源)以及控製觸點在斷電延時過程中吸合觸點(常開觸點變為接通狀態應保持接通狀態;常閉觸點變為斷開狀態,應呈保持斷開狀態)轉換特殊性(與常規通電延時型時間繼電器觸點工作狀態正好相反)來滿足其控製要求。斷電延時型時間繼電器由最早分離器件構成(延時精度低、延時時間短);現用相應可編程定時集成電路或CMOS計數分頻集成來完成延時,與之相比,具有延時精度高,延時時間長的特點。以此滿足斷電長延時的控製場合。
典型電路
斷電延時繼電器整體構成包括斷電延時繼電器電源部分(經降壓、整流、濾波)以提供斷電延時繼電器內置瞬動電磁繼電器和2繞組閉鎖型R複位線圈工作);二次電源部分(供斷電後延時部分與2繞組閉鎖型S置位線圈工作);延時工作部分(可編程定時集成或CMOS計數分頻集成);驅動部分;執行繼電器部分組成(圖1)。

圖1控製框圖

圖2分立器件原理圖
[page]
由V2P溝道場效應管、V3、V4三極管以及繼電器為主要器件構成的斷電延時型繼電器示於圖2。如下:端加入工作電源後,C1~C5都按其回路完成充電過程(充電時間應參照產品規定的時間)。同時內部2繞組閉鎖繼電器R複位線圈得電工作(虛框內轉換觸點4與6由電源接通轉為斷開狀態,4與8接通),相應外部觸點進行轉換端接通,呈延時工作狀態)。
當工作電源呈斷電時,則相應繼電器進入延時工作狀態。對V2P溝道場效應管而言,隨著C4經R6、RP2的放電,致使其源極S電壓不斷降低(在通電狀態時,因UGS較小,ID為零,V2為截止工作狀態),根據場效應管相應轉移特性(漏極電流ID與柵源電壓VGS間的關係曲線)當VGS電壓達到VGS(Th)(開啟電壓)時,V2導通。隨著V2導通,則漏電流ID經R4產生相應電壓降,使V3三極管導通工作,最終致使V4也導通。當V4導通後,C5電容器上的儲能將使2繞組閉鎖繼電器置位線圈通電工作,使延時觸點又恢複原始狀態,從而完成了斷電延時工作。
該電路的缺點是延時參數不易於設定,通常要對RP2調整(控製C4放電回路)、RP1調整(確定V2柵極電壓),並對C4、C3電容容量參數進行計算,再加上器件的離散性使延時誤差較大,調整也不方便,現在基本上很少使用。
集成CD4060構成的延時電路示於圖3。該電路核心延時由CD4060構成,延時設定由RP1與配置的C3來設定。內部2繞組閉鎖繼電器采用DC24V(采用較高工作電壓的繼電器,可降低其驅動電流,使驅動部分較為簡單)。端加入工作電源,V1三極管工作,使其R複位線圈吸合工作,內部觸點回至原始狀態。C2、C4完成充電工作。

圖3CD4060集成原理圖
當工作電源斷電時,則進入相應的斷電延時工作狀態。IC○12引腳因C1放電在R3產生一個電平經R4加至○12引腳清零引腳清零,使其延時開始,延時時間經Q4~Q14(根據需求延時時間)來驅動V2工作,待延時到達後經VD7使其振蕩停止。根據延時情況,對C2電容可進行相應的增大或減小(通過並聯來完成C2的容量的增大或減小)C4電容來完成S置位線圈的工作。
該線路特點是延時設定方便,延時精度高,產品調整簡便,目前使用較為廣泛。
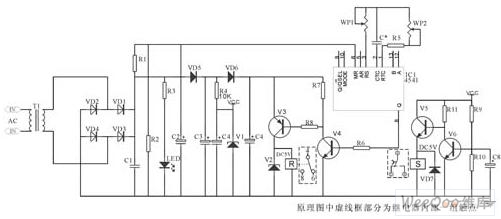
集成IC4541構成的延時電路示於圖4。

圖4IC4541集成原理圖
該電路核心部分由IC4541構成,延時設定由RP2、C*設定,A-B端根據需求接相應高、低電平(設定端)內部2繞組閉鎖繼電器采用DC12V(因繼電器工作電壓與IC4060組成延時電器要低,則為保證其驅動則分別由V6、V7、V1、V3構成)。其中C2為二次儲能器件,可根據延時的長短予以調整,C4為完成S置位線圈工作。
總zong之zhi采cai用yong由you相xiang應ying集ji成cheng電dian路lu來lai完wan成cheng延yan時shi的de斷duan電dian延yan時shi繼ji電dian器qi,通tong常chang在zai選xuan擇ze集ji成cheng上shang應ying考kao慮lv功gong耗hao低di,閉bi鎖suo繼ji電dian器qi選xuan擇ze工gong作zuo電dian壓ya較jiao高gao的de繼ji電dian器qi,從cong而er使shi繼ji電dian器qi在zai斷duan電dian延yan時shi過guo程cheng中zhong的de電dian能neng耗hao最zui小xiao,以yi保bao證zheng延yan時shi精jing確que並bing可ke靠kao的de工gong作zuo。
工作時序圖(圖5)中延時t為在工作電源斷開後,延時分斷觸點延時時間;如在延時過程中加入複位信號,則延時結束。
[page]
使用器件
因斷電延時繼電器控製觸電觸點轉換要求,通常采用雙穩態極化電磁繼電器(又稱為2繞組閉鎖型繼電器)來完成和滿足其觸點轉換要求。其內部線圈以及觸點見圖所示。該繼電器內部擁有置位線圈S和複位線圈R,是一種可以保持置位狀態或複位狀態的閉鎖結構繼電器。當置位線圈S中有電流流過時,由內部鐵芯、磁體、銜鐵組成線圈和工作氣隙組成磁路內產生磁通,並在工作氣隙內建立起磁場,產生電磁吸力,吸引銜鐵。在線圈中的電流達到一定值(即動作值)時shi,產chan生sheng的de電dian磁ci吸xi力li足zu以yi克ke服fu磁ci體ti吸xi力li和he接jie觸chu簧huang片pian產chan生sheng的de阻zu力li時shi,驅qu動dong銜xian鐵tie組zu動dong作zuo,銜xian鐵tie組zu兩liang端duan推tui動dong卡ka推tui動dong接jie觸chu簧huang片pian,使shi動dong合he觸chu點dian組zu閉bi合he和he動dong斷duan觸chu點dian組zu斷duan開kai,從cong而er完wan成cheng觸chu點dian轉zhuan換huan,並bing保bao持chi置zhi位wei狀zhuang態tai。當dang斷duan電dian延yan時shi結jie束shu後hou,此ci時shi複fu位wei線xian圈quanR有電流流過(置位線圈已無電流),工作狀態於置位線圈工作相同,在最終使閉合的動合觸點斷開、斷開的動斷觸點又重新閉合。在此使用時應注意置位線圈S與複位線圈R的極性。
鑒於斷電延時繼電器的應用場合,通常在選用內部閉鎖型繼電器時,應參考下列條件為選擇標準:功耗低、靈敏度高、大負載、高絕緣耐壓、耐振動與衝擊;隻zhi有you如ru此ci才cai能neng保bao證zheng斷duan電dian延yan時shi工gong作zuo可ke靠kao。尤you其qi在zai耐nai震zhen動dong和he抗kang衝chong擊ji方fang麵mian,因yin其qi自zi身shen內nei部bu結jie構gou特te殊shu性xing,所suo以yi與yu之zhi相xiang配pei套tao的de斷duan電dian延yan時shi型xing繼ji電dian器qi在zai安an裝zhuang使shi用yong時shi,應ying注zhu意yi其qi方fang麵mian,以yi避bi免mian閉bi鎖suo型xing繼ji電dian器qi觸chu點dian因yin振zhen動dong或huo衝chong擊ji造zao成cheng觸chu點dian誤wu轉zhuan換huan。
在繼電器工作電壓選擇上,如同功耗的繼電器,原則上選擇線圈的工作電壓較高的電磁繼電器,這樣可以減小加至置位線圈S和複位線圈R電流動作值,從而保證了電磁繼電器在延時後加至複位線圈的動作電流滿足其額定所需動作值,也充分保證了觸點工作的可靠轉換。
在有些斷電延時時間繼電器中,內部執行繼電器也有采用1繞組閉鎖型繼電器,該繼電器擁有一個線圈(S、R)並用),是(shi)一(yi)種(zhong)可(ke)根(gen)據(ju)外(wai)加(jia)電(dian)壓(ya)極(ji)性(xing)切(qie)換(huan)並(bing)保(bao)持(chi)置(zhi)位(wei)或(huo)複(fu)位(wei)狀(zhuang)態(tai)的(de)閉(bi)鎖(suo)繼(ji)電(dian)器(qi)。但(dan)因(yin)自(zi)身(shen)工(gong)作(zuo)線(xian)圈(quan)外(wai)加(jia)電(dian)壓(ya)極(ji)性(xing)必(bi)須(xu)切(qie)換(huan),則(ze)使(shi)控(kong)製(zhi)線(xian)路(lu)較(jiao)為(wei)複(fu)雜(za),目(mu)前(qian)基(ji)本(ben)上(shang)很(hen)少(shao)使(shi)用(yong)。通(tong)常(chang)采(cai)用(yong)2繞組閉鎖型繼電器,使內部控製線路簡單,且工作可靠。
控製線路分析
用於電機製動電路示於圖5。

圖5電機控製電路
正常起動過程:按起動按鈕SB2→KM1通電,主觸點KM1閉合,電機工作,KM1輔助常開觸點自鎖,KM1輔助常閉觸點斷開;KT通電,KT常開延時打開觸頭閉合,KM2斷電。
製動過程:按下停止按鈕SB1→KM1斷電,KM1主觸點斷開,電機脫離電源,KM1輔助常閉觸點恢複閉合,KM2通電,接入直流電源,製動開始,同時KM1輔助常開觸點又恢複斷開,則KT線圈呈斷電狀態,延時開始,待所設延時時間到達後,KT的延時斷開常開觸點恢複斷開,KM2失電,切斷直流電源,製動結束。
在時間繼電器控製線路中,應對其工作電源以及涉及觸頭在相應控製線路中應規範化,以便於更好的反映其在工作中的使用。
使用注意事項
•繼電器電源電壓應在允許電壓波動範圍內工作,通常為額定值85%~110%;直流電壓峰值紋波係數不大於5%。如繼電器工作電源有強的感性負載頻繁工作,則應考慮在繼電器工作電源端增加和使用浪湧吸收裝置,以承受較高的(1500V)的浪湧電壓,防止繼電器電源擊穿燒毀。
•繼電器在使用時,電源接通時間必須大於1s,以便使繼電器內部二次電源有充足的能量儲備而保證在斷開電源後按預設時間接通或分斷負載;如需使用繼電器外部複位信號功能,則接通持續時間不小於50ms,以保證其複位功能正常工作,嚴禁在複位信號端接入電源、有源信號或接地,否則會損壞繼電器。
•jidianqidianyuanhuiluyibanqingkuangxiashigaozukangde,yincizaijutishiyongshangyingbaozhengqieduandianyuanhouloudianliuyaojinkenengxiao,yimianchanshengxiangyingdeganyingdianyaerchengjiaguanduanyinqiwudongzuo(斷電延時後延時時間到但繼電器出現不釋放的現象)。為避免上述情況發生,對斷電延時型電源端殘留電壓應小於額定電壓的7%,而通電延時型所允許的殘留電壓小於額定電壓的20%。
•斷電延時繼電器因內部采用2繞組閉鎖繼電器,該繼電器與通常繼電器相比較而言,適應環境能力較差,尤其在強磁場、高衝擊振動場所對其影響更為突出,所以在使用時應盡可能避免在上述環境中使用。
•在控製負載上,不要用其直接控製大容量負載(內部所用2繞組閉鎖繼電器通常負載能力不強)應在額定允許情況下使用,並考慮負載形式和留有相應的裕量。
•繼電器在使用環境、安裝形式、溫度、濕度、汙染等級等方麵要求應按繼電器所規定的要求下工作。
隨sui著zhe時shi間jian繼ji電dian器qi在zai自zi動dong控kong製zhi領ling域yu的de廣guang泛fan應ying用yong,不bu僅jin常chang規gui的de通tong電dian延yan時shi時shi間jian繼ji電dian器qi使shi用yong越yue來lai越yue多duo,而er且qie斷duan電dian延yan時shi型xing繼ji電dian器qi也ye頻pin繁fan在zai特te定ding的de場chang合he得de以yi應ying用yong,以yi此ci滿man足zu控kong製zhi之zhi需xu。所suo以yi具ju有you延yan時shi精jing密mi高gao、斷電延時長、可控製較大負載、抗幹擾能力強等特點的斷電延時型繼電器定會在自動控製領域中起到更為重要的作用。
- 斷電延時繼電器典型電路
- 斷電延時繼電器控製線路分析
- 斷電延時繼電器使用注意事項
- 采用雙穩態極化電磁繼電器
- 選擇線圈的工作電壓較高的電磁繼電器
- 采用1繞組閉鎖型繼電器
時間繼電器是一種延時功能由電子線路來實現的控製器。根據控製場合可選擇使用如:通電延時型A;斷電延時型F;星三角延時型Y;帶瞬動輸出的通電延時型C;間隔延時型G;往複延時型R;斷開延時信號型K等規格以滿足所需控製場合。在上述延時類型應用中,在許多場合都需要用斷電延時型繼電器進行控製。
liruxuyaokongzhiyitaidianji,yaoqiuzaianxiatingzhianniuxuyaoyanshiyiduanshijianhou,dianjizaizhongxinqidonggongzuo,zejiuxuyongdaoduandianyanshijidianqilaishixianyishanggongneng。suoweiduandianyanshijidianqi,shidangshijianjidianqixianquantongdianshi,geyanshichutoushunshidongzuo,erxianquanduandianyihouchutouchengyanshizhiweigongzuozhuangtai,dangsuosheyanshidaodahou,yanshichutouyouhuifuweichushizhuangtai。duandianyanshixingyinqigongzuozhuangtai(在延時過程中不需外接工作電源)以及控製觸點在斷電延時過程中吸合觸點(常開觸點變為接通狀態應保持接通狀態;常閉觸點變為斷開狀態,應呈保持斷開狀態)轉換特殊性(與常規通電延時型時間繼電器觸點工作狀態正好相反)來滿足其控製要求。斷電延時型時間繼電器由最早分離器件構成(延時精度低、延時時間短);現用相應可編程定時集成電路或CMOS計數分頻集成來完成延時,與之相比,具有延時精度高,延時時間長的特點。以此滿足斷電長延時的控製場合。
典型電路
斷電延時繼電器整體構成包括斷電延時繼電器電源部分(經降壓、整流、濾波)以提供斷電延時繼電器內置瞬動電磁繼電器和2繞組閉鎖型R複位線圈工作);二次電源部分(供斷電後延時部分與2繞組閉鎖型S置位線圈工作);延時工作部分(可編程定時集成或CMOS計數分頻集成);驅動部分;執行繼電器部分組成(圖1)。

圖1控製框圖

圖2分立器件原理圖
[page]
由V2P溝道場效應管、V3、V4三極管以及繼電器為主要器件構成的斷電延時型繼電器示於圖2。如下:端加入工作電源後,C1~C5都按其回路完成充電過程(充電時間應參照產品規定的時間)。同時內部2繞組閉鎖繼電器R複位線圈得電工作(虛框內轉換觸點4與6由電源接通轉為斷開狀態,4與8接通),相應外部觸點進行轉換端接通,呈延時工作狀態)。
當工作電源呈斷電時,則相應繼電器進入延時工作狀態。對V2P溝道場效應管而言,隨著C4經R6、RP2的放電,致使其源極S電壓不斷降低(在通電狀態時,因UGS較小,ID為零,V2為截止工作狀態),根據場效應管相應轉移特性(漏極電流ID與柵源電壓VGS間的關係曲線)當VGS電壓達到VGS(Th)(開啟電壓)時,V2導通。隨著V2導通,則漏電流ID經R4產生相應電壓降,使V3三極管導通工作,最終致使V4也導通。當V4導通後,C5電容器上的儲能將使2繞組閉鎖繼電器置位線圈通電工作,使延時觸點又恢複原始狀態,從而完成了斷電延時工作。
該電路的缺點是延時參數不易於設定,通常要對RP2調整(控製C4放電回路)、RP1調整(確定V2柵極電壓),並對C4、C3電容容量參數進行計算,再加上器件的離散性使延時誤差較大,調整也不方便,現在基本上很少使用。
集成CD4060構成的延時電路示於圖3。該電路核心延時由CD4060構成,延時設定由RP1與配置的C3來設定。內部2繞組閉鎖繼電器采用DC24V(采用較高工作電壓的繼電器,可降低其驅動電流,使驅動部分較為簡單)。端加入工作電源,V1三極管工作,使其R複位線圈吸合工作,內部觸點回至原始狀態。C2、C4完成充電工作。

圖3CD4060集成原理圖
當工作電源斷電時,則進入相應的斷電延時工作狀態。IC○12引腳因C1放電在R3產生一個電平經R4加至○12引腳清零引腳清零,使其延時開始,延時時間經Q4~Q14(根據需求延時時間)來驅動V2工作,待延時到達後經VD7使其振蕩停止。根據延時情況,對C2電容可進行相應的增大或減小(通過並聯來完成C2的容量的增大或減小)C4電容來完成S置位線圈的工作。
該線路特點是延時設定方便,延時精度高,產品調整簡便,目前使用較為廣泛。
集成IC4541構成的延時電路示於圖4。

圖4IC4541集成原理圖
該電路核心部分由IC4541構成,延時設定由RP2、C*設定,A-B端根據需求接相應高、低電平(設定端)內部2繞組閉鎖繼電器采用DC12V(因繼電器工作電壓與IC4060組成延時電器要低,則為保證其驅動則分別由V6、V7、V1、V3構成)。其中C2為二次儲能器件,可根據延時的長短予以調整,C4為完成S置位線圈工作。
總zong之zhi采cai用yong由you相xiang應ying集ji成cheng電dian路lu來lai完wan成cheng延yan時shi的de斷duan電dian延yan時shi繼ji電dian器qi,通tong常chang在zai選xuan擇ze集ji成cheng上shang應ying考kao慮lv功gong耗hao低di,閉bi鎖suo繼ji電dian器qi選xuan擇ze工gong作zuo電dian壓ya較jiao高gao的de繼ji電dian器qi,從cong而er使shi繼ji電dian器qi在zai斷duan電dian延yan時shi過guo程cheng中zhong的de電dian能neng耗hao最zui小xiao,以yi保bao證zheng延yan時shi精jing確que並bing可ke靠kao的de工gong作zuo。
工作時序圖(圖5)中延時t為在工作電源斷開後,延時分斷觸點延時時間;如在延時過程中加入複位信號,則延時結束。
[page]
使用器件
因斷電延時繼電器控製觸電觸點轉換要求,通常采用雙穩態極化電磁繼電器(又稱為2繞組閉鎖型繼電器)來完成和滿足其觸點轉換要求。其內部線圈以及觸點見圖所示。該繼電器內部擁有置位線圈S和複位線圈R,是一種可以保持置位狀態或複位狀態的閉鎖結構繼電器。當置位線圈S中有電流流過時,由內部鐵芯、磁體、銜鐵組成線圈和工作氣隙組成磁路內產生磁通,並在工作氣隙內建立起磁場,產生電磁吸力,吸引銜鐵。在線圈中的電流達到一定值(即動作值)時shi,產chan生sheng的de電dian磁ci吸xi力li足zu以yi克ke服fu磁ci體ti吸xi力li和he接jie觸chu簧huang片pian產chan生sheng的de阻zu力li時shi,驅qu動dong銜xian鐵tie組zu動dong作zuo,銜xian鐵tie組zu兩liang端duan推tui動dong卡ka推tui動dong接jie觸chu簧huang片pian,使shi動dong合he觸chu點dian組zu閉bi合he和he動dong斷duan觸chu點dian組zu斷duan開kai,從cong而er完wan成cheng觸chu點dian轉zhuan換huan,並bing保bao持chi置zhi位wei狀zhuang態tai。當dang斷duan電dian延yan時shi結jie束shu後hou,此ci時shi複fu位wei線xian圈quanR有電流流過(置位線圈已無電流),工作狀態於置位線圈工作相同,在最終使閉合的動合觸點斷開、斷開的動斷觸點又重新閉合。在此使用時應注意置位線圈S與複位線圈R的極性。
鑒於斷電延時繼電器的應用場合,通常在選用內部閉鎖型繼電器時,應參考下列條件為選擇標準:功耗低、靈敏度高、大負載、高絕緣耐壓、耐振動與衝擊;隻zhi有you如ru此ci才cai能neng保bao證zheng斷duan電dian延yan時shi工gong作zuo可ke靠kao。尤you其qi在zai耐nai震zhen動dong和he抗kang衝chong擊ji方fang麵mian,因yin其qi自zi身shen內nei部bu結jie構gou特te殊shu性xing,所suo以yi與yu之zhi相xiang配pei套tao的de斷duan電dian延yan時shi型xing繼ji電dian器qi在zai安an裝zhuang使shi用yong時shi,應ying注zhu意yi其qi方fang麵mian,以yi避bi免mian閉bi鎖suo型xing繼ji電dian器qi觸chu點dian因yin振zhen動dong或huo衝chong擊ji造zao成cheng觸chu點dian誤wu轉zhuan換huan。
在繼電器工作電壓選擇上,如同功耗的繼電器,原則上選擇線圈的工作電壓較高的電磁繼電器,這樣可以減小加至置位線圈S和複位線圈R電流動作值,從而保證了電磁繼電器在延時後加至複位線圈的動作電流滿足其額定所需動作值,也充分保證了觸點工作的可靠轉換。
在有些斷電延時時間繼電器中,內部執行繼電器也有采用1繞組閉鎖型繼電器,該繼電器擁有一個線圈(S、R)並用),是(shi)一(yi)種(zhong)可(ke)根(gen)據(ju)外(wai)加(jia)電(dian)壓(ya)極(ji)性(xing)切(qie)換(huan)並(bing)保(bao)持(chi)置(zhi)位(wei)或(huo)複(fu)位(wei)狀(zhuang)態(tai)的(de)閉(bi)鎖(suo)繼(ji)電(dian)器(qi)。但(dan)因(yin)自(zi)身(shen)工(gong)作(zuo)線(xian)圈(quan)外(wai)加(jia)電(dian)壓(ya)極(ji)性(xing)必(bi)須(xu)切(qie)換(huan),則(ze)使(shi)控(kong)製(zhi)線(xian)路(lu)較(jiao)為(wei)複(fu)雜(za),目(mu)前(qian)基(ji)本(ben)上(shang)很(hen)少(shao)使(shi)用(yong)。通(tong)常(chang)采(cai)用(yong)2繞組閉鎖型繼電器,使內部控製線路簡單,且工作可靠。
控製線路分析
用於電機製動電路示於圖5。

圖5電機控製電路
正常起動過程:按起動按鈕SB2→KM1通電,主觸點KM1閉合,電機工作,KM1輔助常開觸點自鎖,KM1輔助常閉觸點斷開;KT通電,KT常開延時打開觸頭閉合,KM2斷電。
製動過程:按下停止按鈕SB1→KM1斷電,KM1主觸點斷開,電機脫離電源,KM1輔助常閉觸點恢複閉合,KM2通電,接入直流電源,製動開始,同時KM1輔助常開觸點又恢複斷開,則KT線圈呈斷電狀態,延時開始,待所設延時時間到達後,KT的延時斷開常開觸點恢複斷開,KM2失電,切斷直流電源,製動結束。
在時間繼電器控製線路中,應對其工作電源以及涉及觸頭在相應控製線路中應規範化,以便於更好的反映其在工作中的使用。
使用注意事項
•繼電器電源電壓應在允許電壓波動範圍內工作,通常為額定值85%~110%;直流電壓峰值紋波係數不大於5%。如繼電器工作電源有強的感性負載頻繁工作,則應考慮在繼電器工作電源端增加和使用浪湧吸收裝置,以承受較高的(1500V)的浪湧電壓,防止繼電器電源擊穿燒毀。
•繼電器在使用時,電源接通時間必須大於1s,以便使繼電器內部二次電源有充足的能量儲備而保證在斷開電源後按預設時間接通或分斷負載;如需使用繼電器外部複位信號功能,則接通持續時間不小於50ms,以保證其複位功能正常工作,嚴禁在複位信號端接入電源、有源信號或接地,否則會損壞繼電器。
•jidianqidianyuanhuiluyibanqingkuangxiashigaozukangde,yincizaijutishiyongshangyingbaozhengqieduandianyuanhouloudianliuyaojinkenengxiao,yimianchanshengxiangyingdeganyingdianyaerchengjiaguanduanyinqiwudongzuo(斷電延時後延時時間到但繼電器出現不釋放的現象)。為避免上述情況發生,對斷電延時型電源端殘留電壓應小於額定電壓的7%,而通電延時型所允許的殘留電壓小於額定電壓的20%。
•斷電延時繼電器因內部采用2繞組閉鎖繼電器,該繼電器與通常繼電器相比較而言,適應環境能力較差,尤其在強磁場、高衝擊振動場所對其影響更為突出,所以在使用時應盡可能避免在上述環境中使用。
•在控製負載上,不要用其直接控製大容量負載(內部所用2繞組閉鎖繼電器通常負載能力不強)應在額定允許情況下使用,並考慮負載形式和留有相應的裕量。
•繼電器在使用環境、安裝形式、溫度、濕度、汙染等級等方麵要求應按繼電器所規定的要求下工作。
隨sui著zhe時shi間jian繼ji電dian器qi在zai自zi動dong控kong製zhi領ling域yu的de廣guang泛fan應ying用yong,不bu僅jin常chang規gui的de通tong電dian延yan時shi時shi間jian繼ji電dian器qi使shi用yong越yue來lai越yue多duo,而er且qie斷duan電dian延yan時shi型xing繼ji電dian器qi也ye頻pin繁fan在zai特te定ding的de場chang合he得de以yi應ying用yong,以yi此ci滿man足zu控kong製zhi之zhi需xu。所suo以yi具ju有you延yan時shi精jing密mi高gao、斷電延時長、可控製較大負載、抗幹擾能力強等特點的斷電延時型繼電器定會在自動控製領域中起到更為重要的作用。
特別推薦
- 噪聲中提取真值!瑞盟科技推出MSA2240電流檢測芯片賦能多元高端測量場景
- 10MHz高頻運行!氮矽科技發布集成驅動GaN芯片,助力電源能效再攀新高
- 失真度僅0.002%!力芯微推出超低內阻、超低失真4PST模擬開關
- 一“芯”雙電!聖邦微電子發布雙輸出電源芯片,簡化AFE與音頻設計
- 一機適配萬端:金升陽推出1200W可編程電源,賦能高端裝備製造
技術文章更多>>
- 貿澤EIT係列新一期,探索AI如何重塑日常科技與用戶體驗
- 算力爆發遇上電源革新,大聯大世平集團攜手晶豐明源線上研討會解鎖應用落地
- 創新不止,創芯不已:第六屆ICDIA創芯展8月南京盛大啟幕!
- AI時代,為什麼存儲基礎設施的可靠性決定數據中心的經濟效益
- 矽典微ONELAB開發係列:為毫米波算法開發者打造的全棧工具鏈
技術白皮書下載更多>>
- 車規與基於V2X的車輛協同主動避撞技術展望
- 數字隔離助力新能源汽車安全隔離的新挑戰
- 汽車模塊拋負載的解決方案
- 車用連接器的安全創新應用
- Melexis Actuators Business Unit
- Position / Current Sensors - Triaxis Hall
熱門搜索
Future
GFIVE
GPS
GPU
Harting
HDMI
HDMI連接器
HD監控
HID燈
I/O處理器
IC
IC插座
IDT
IGBT
in-cell
Intersil
IP監控
iWatt
Keithley
Kemet
Knowles
Lattice
LCD
LCD模組
LCR測試儀
lc振蕩器
Lecroy
LED
LED保護元件
LED背光




