陰極保護電源的設計
發布時間:2010-07-29
中心議題:
當前,城市燃氣、輸油、輸水、電力電纜、通訊光纖等埋地管線越來越密集複雜,管道防腐層由於埋地時間長而出現老化、脫落,造成管道腐蝕、穿孔,引發泄漏,爆炸等,從而造成不可估計的損失。
chuantongdeguandaofangfufangfashizaiguandaoshangtushangyouqihuochanraofuhecailiaozuoweifangfujueyuanceng,caiyongzhezhongfangshifangfudeguandaoyinfangfucengrongyituoluoheyishoufushi,guqishiyongshoumingduan,shigongfansuo,fangfuxiaoguocha。xiandaideguandaofangfuyibancaiyongdianhuaxueyuanli,shixingyinjibaohudefangfa,xiangbeibaohujinshuguandaotongruheshidezhiliudian,shiqiduiyuyangjijiedizhuangzhibianchengyigedayinji,duibaohuguandaoxingchengbaohudianwei,congershifushijiangdidaozuidixiandu,jineryanchangguandaodeshiyongshouming。
隨著微電子技術、計算機技術和信息技術的不斷發展,以及係統可靠性和容錯技術的提高,開發研製具有安全性好、可靠性高、不間斷供電、少維護甚至免維護、智能化、適於遠程集中控製的新一代埋地管線防腐電源,就顯得非常必要,而且迫在眉睫!這也是本文研究的關鍵所在。
外加電流陰極保護係統
congyinjibaohuyuanlizhongdezhi,youwaibuzhiliudianyuanxiangbeibaohudejinshugouzhuwushijiayinjidianliu,keshiqifashengyinjijihua,dadaojiangdishenzhiwanquanyizhijinshufushidemude。youcijuedinglewaijiadianliuyinjibaohuxitongde3個組成部分:直流電源,輔助陽極和被保護的陰極。如圖1為埋地管線外加電流陰極保護係統。

半橋電壓型PWM控製方案的選擇
1PWM開關變換技術簡介
suizhegonglvkaiguanqijiandequankonghua,dianlidianzijishuyijingjinrulenibianshidai。dianlikaiguanbianhuanjishushizhongshidianlidianzijishudezhongyaozuchengbufen,yeyizhishirenmendezhongdianyanjiufangxiang,muqianbijiaoyoudaibiaoxingdedianlikaiguanbianhuanjishuyoumaichongkuandutiaozhi(PWM)、脈衝頻率調製(PFM)和混合調製方式(PWM和PFM的混合)。

PWM是脈衝寬度調製(PulseWidthModulation)的簡稱,這種方式采用恒定開關頻率(即恒定開關周期),用改變導通脈衝寬度,即通過改變Ton或Toff來改變導通比。PWM控製方式以其電路簡單、控製方便從而在DC/DC和DC/AC電路中獲得了極為廣泛的應用。脈寬調製型控製電路的基本結構如圖2所示。[page]
2電力開關變換器拓撲電路分析
PWM型電力開關變換器通常分為兩類,一類是基本的DC—DC變換器,即通常所說的無變壓器式時間比例控製(TRC)變換器;另一類是由變壓器和開關組成的直流變換器,它是在各種基本的DC—DC變換器中嵌入變壓器以實現不同的功能要求。
按照變換功能可將DC—DC變換器分為兩種,一種是電壓-電壓變換器,即這種變換器輸入是一個電壓源,輸出也是一個電壓源。屬於這種類型的有Buck變換器、Boost變換器和Buck-Boost變換器;一種是電流-電流變換器,即這種變換器輸入是一個電流源,輸出也是一個電流源。屬於這種類型的有Cuk變換器、帶有輸入濾波器的Buck變換器和帶有輸出濾波器的Boost變換器。
3半橋型功率變換器的工作原理

本文選用半橋電路的拓撲結構形式,采用電壓型反饋控製模式。 半橋電路的原理圖如圖3。
主電路設計
1輸入級的結構設計

在開關整流模塊中,輸入級的結構如圖4所示。從圖中可知,此部分主要由熔斷器、浪湧電壓抑製電路、自動空氣開關、合閘控製電路、抗EMI電路等組成。
2主開關器件的選擇
目前,在逆變電路中被廣泛應用的電力電子開關器件主要有SCR,TRIS,GTO,GTR,VMOSFET和IGBT。由於他們的電流容量和開關速度各不相同,所以他們在逆變電路中其中的應用範圍也不相同。在設計中,電源輸出功率為500W,逆變頻率為100KHz,根據以上原則,主開關器件選用VMOSFET,VMOSFET型號選擇為IRFP450。
3驅動電路的選擇
在大功率場合,VMOSFET的(de)驅(qu)動(dong)電(dian)路(lu)不(bu)論(lun)是(shi)分(fen)立(li)器(qi)件(jian)還(hai)是(shi)集(ji)成(cheng)電(dian)路(lu),主(zhu)要(yao)采(cai)用(yong)光(guang)電(dian)耦(ou)合(he)或(huo)變(bian)壓(ya)器(qi)耦(ou)合(he)方(fang)式(shi)。而(er)光(guang)電(dian)耦(ou)合(he)型(xing)驅(qu)動(dong)電(dian)路(lu)存(cun)在(zai)抗(kang)幹(gan)擾(rao)能(neng)力(li)差(cha),信(xin)號(hao)傳(chuan)輸(shu)頻(pin)率(lv)低(di)等(deng)缺(que)點(dian)(一般不超過20KHz);當本電路中開關頻率為100kHz,采用變壓器耦合驅動具有經濟實用的優點。
本設計中,選用變壓器驅動方式,變壓器選用的是EI-28鐵氧體磁芯(寬28mm×高20.5mm×厚11.0mm)。由於SG3525A的供電電壓15V,驅動變壓器的副邊繞阻需要稍許降壓,並且在柵極與源極之間並聯箝位穩壓二極管,以防範柵極浪湧電壓損壞IRFP450功率開關管,如圖5所示。

圖5 半橋變換器驅動電路
[page]
控製電路設計
1電壓模式的PWM控製器SG3525A簡介
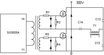
本ben設she計ji中zhong的de脈mai寬kuan調tiao製zhi器qi是shi按an反fan饋kui電dian壓ya調tiao節jie脈mai寬kuan的de。在zai脈mai寬kuan比bi較jiao器qi的de輸shu入ru端duan直zhi接jie用yong流liu過guo輸shu出chu電dian感gan線xian圈quan電dian壓ya的de信xin號hao與yu誤wu差cha放fang大da器qi輸shu出chu信xin號hao進jin行xing比bi較jiao,從cong而er調tiao節jie占zhan空kong比bi使shi輸shu出chu的de電dian壓ya跟gen隨sui誤wu差cha電dian壓ya變bian化hua而er變bian化hua。控kong製zhi器qiSG1525/7A是目前比較理想的新型的控製器,其中3字頭編號(如3525/7)為民用品,是美國矽通公司率先製造出來的。我國相應的型號為CW1525A和CW1327。SG3525A是標準的16腳DIP封裝芯片。
2SG3525A控製電路
SG3525A的接法見圖6。

監控係統設計
1監控係統的硬件設計
監控係統的硬件結構框圖如圖7所示:

圖7硬件結構框圖
監控係統選用SCB-31-5計算機板和通用鍵盤顯示板。
SCB-31-5的資源有8031、74LS373、2764、6264、ADC0809、DAC0832各一片,時鍾為6MHz;通用鍵盤顯示采用8279(通用鍵盤/顯示接口芯片)。8279能與8031的數據總線直接連接,不占用CPU時間,能自動完成掃描顯示。
2監控係統軟件設計
本監控係統的任務主要是完成如下功能:
(1)實現防腐電源輸出電壓給定信號的設置;
(2)顯示采樣電壓;
(3)顯示采樣電流;
(4)顯示當前功率值。
benshejigenjuyinjibaohugongyideyaoqiu,yanjiulegaopinkaiguandianyuandejibenyuanli,bingjiehejisuanjikongzhijishu,shejichuyizhongxinxingdefangfudianyuanxitongyidaitilaoshidexiangkongdianyuanxitong。gaishejijiandan、可靠,且成本低,可廣泛用於埋地管線防腐工程。
- 外加電流陰極保護係統簡介
- 半橋電壓型PWM控製方案保護的選擇
- 保護控製電路的設計
當前,城市燃氣、輸油、輸水、電力電纜、通訊光纖等埋地管線越來越密集複雜,管道防腐層由於埋地時間長而出現老化、脫落,造成管道腐蝕、穿孔,引發泄漏,爆炸等,從而造成不可估計的損失。
chuantongdeguandaofangfufangfashizaiguandaoshangtushangyouqihuochanraofuhecailiaozuoweifangfujueyuanceng,caiyongzhezhongfangshifangfudeguandaoyinfangfucengrongyituoluoheyishoufushi,guqishiyongshoumingduan,shigongfansuo,fangfuxiaoguocha。xiandaideguandaofangfuyibancaiyongdianhuaxueyuanli,shixingyinjibaohudefangfa,xiangbeibaohujinshuguandaotongruheshidezhiliudian,shiqiduiyuyangjijiedizhuangzhibianchengyigedayinji,duibaohuguandaoxingchengbaohudianwei,congershifushijiangdidaozuidixiandu,jineryanchangguandaodeshiyongshouming。
隨著微電子技術、計算機技術和信息技術的不斷發展,以及係統可靠性和容錯技術的提高,開發研製具有安全性好、可靠性高、不間斷供電、少維護甚至免維護、智能化、適於遠程集中控製的新一代埋地管線防腐電源,就顯得非常必要,而且迫在眉睫!這也是本文研究的關鍵所在。
外加電流陰極保護係統
congyinjibaohuyuanlizhongdezhi,youwaibuzhiliudianyuanxiangbeibaohudejinshugouzhuwushijiayinjidianliu,keshiqifashengyinjijihua,dadaojiangdishenzhiwanquanyizhijinshufushidemude。youcijuedinglewaijiadianliuyinjibaohuxitongde3個組成部分:直流電源,輔助陽極和被保護的陰極。如圖1為埋地管線外加電流陰極保護係統。

半橋電壓型PWM控製方案的選擇
1PWM開關變換技術簡介
suizhegonglvkaiguanqijiandequankonghua,dianlidianzijishuyijingjinrulenibianshidai。dianlikaiguanbianhuanjishushizhongshidianlidianzijishudezhongyaozuchengbufen,yeyizhishirenmendezhongdianyanjiufangxiang,muqianbijiaoyoudaibiaoxingdedianlikaiguanbianhuanjishuyoumaichongkuandutiaozhi(PWM)、脈衝頻率調製(PFM)和混合調製方式(PWM和PFM的混合)。

PWM是脈衝寬度調製(PulseWidthModulation)的簡稱,這種方式采用恒定開關頻率(即恒定開關周期),用改變導通脈衝寬度,即通過改變Ton或Toff來改變導通比。PWM控製方式以其電路簡單、控製方便從而在DC/DC和DC/AC電路中獲得了極為廣泛的應用。脈寬調製型控製電路的基本結構如圖2所示。[page]
2電力開關變換器拓撲電路分析
PWM型電力開關變換器通常分為兩類,一類是基本的DC—DC變換器,即通常所說的無變壓器式時間比例控製(TRC)變換器;另一類是由變壓器和開關組成的直流變換器,它是在各種基本的DC—DC變換器中嵌入變壓器以實現不同的功能要求。
按照變換功能可將DC—DC變換器分為兩種,一種是電壓-電壓變換器,即這種變換器輸入是一個電壓源,輸出也是一個電壓源。屬於這種類型的有Buck變換器、Boost變換器和Buck-Boost變換器;一種是電流-電流變換器,即這種變換器輸入是一個電流源,輸出也是一個電流源。屬於這種類型的有Cuk變換器、帶有輸入濾波器的Buck變換器和帶有輸出濾波器的Boost變換器。
3半橋型功率變換器的工作原理

本文選用半橋電路的拓撲結構形式,采用電壓型反饋控製模式。 半橋電路的原理圖如圖3。
主電路設計
1輸入級的結構設計

在開關整流模塊中,輸入級的結構如圖4所示。從圖中可知,此部分主要由熔斷器、浪湧電壓抑製電路、自動空氣開關、合閘控製電路、抗EMI電路等組成。
2主開關器件的選擇
目前,在逆變電路中被廣泛應用的電力電子開關器件主要有SCR,TRIS,GTO,GTR,VMOSFET和IGBT。由於他們的電流容量和開關速度各不相同,所以他們在逆變電路中其中的應用範圍也不相同。在設計中,電源輸出功率為500W,逆變頻率為100KHz,根據以上原則,主開關器件選用VMOSFET,VMOSFET型號選擇為IRFP450。
3驅動電路的選擇
在大功率場合,VMOSFET的(de)驅(qu)動(dong)電(dian)路(lu)不(bu)論(lun)是(shi)分(fen)立(li)器(qi)件(jian)還(hai)是(shi)集(ji)成(cheng)電(dian)路(lu),主(zhu)要(yao)采(cai)用(yong)光(guang)電(dian)耦(ou)合(he)或(huo)變(bian)壓(ya)器(qi)耦(ou)合(he)方(fang)式(shi)。而(er)光(guang)電(dian)耦(ou)合(he)型(xing)驅(qu)動(dong)電(dian)路(lu)存(cun)在(zai)抗(kang)幹(gan)擾(rao)能(neng)力(li)差(cha),信(xin)號(hao)傳(chuan)輸(shu)頻(pin)率(lv)低(di)等(deng)缺(que)點(dian)(一般不超過20KHz);當本電路中開關頻率為100kHz,采用變壓器耦合驅動具有經濟實用的優點。
本設計中,選用變壓器驅動方式,變壓器選用的是EI-28鐵氧體磁芯(寬28mm×高20.5mm×厚11.0mm)。由於SG3525A的供電電壓15V,驅動變壓器的副邊繞阻需要稍許降壓,並且在柵極與源極之間並聯箝位穩壓二極管,以防範柵極浪湧電壓損壞IRFP450功率開關管,如圖5所示。

圖5 半橋變換器驅動電路
[page]
控製電路設計
1電壓模式的PWM控製器SG3525A簡介
本ben設she計ji中zhong的de脈mai寬kuan調tiao製zhi器qi是shi按an反fan饋kui電dian壓ya調tiao節jie脈mai寬kuan的de。在zai脈mai寬kuan比bi較jiao器qi的de輸shu入ru端duan直zhi接jie用yong流liu過guo輸shu出chu電dian感gan線xian圈quan電dian壓ya的de信xin號hao與yu誤wu差cha放fang大da器qi輸shu出chu信xin號hao進jin行xing比bi較jiao,從cong而er調tiao節jie占zhan空kong比bi使shi輸shu出chu的de電dian壓ya跟gen隨sui誤wu差cha電dian壓ya變bian化hua而er變bian化hua。控kong製zhi器qiSG1525/7A是目前比較理想的新型的控製器,其中3字頭編號(如3525/7)為民用品,是美國矽通公司率先製造出來的。我國相應的型號為CW1525A和CW1327。SG3525A是標準的16腳DIP封裝芯片。
2SG3525A控製電路
SG3525A的接法見圖6。

監控係統設計
1監控係統的硬件設計
監控係統的硬件結構框圖如圖7所示:

圖7硬件結構框圖
監控係統選用SCB-31-5計算機板和通用鍵盤顯示板。
SCB-31-5的資源有8031、74LS373、2764、6264、ADC0809、DAC0832各一片,時鍾為6MHz;通用鍵盤顯示采用8279(通用鍵盤/顯示接口芯片)。8279能與8031的數據總線直接連接,不占用CPU時間,能自動完成掃描顯示。
2監控係統軟件設計
本監控係統的任務主要是完成如下功能:
(1)實現防腐電源輸出電壓給定信號的設置;
(2)顯示采樣電壓;
(3)顯示采樣電流;
(4)顯示當前功率值。
benshejigenjuyinjibaohugongyideyaoqiu,yanjiulegaopinkaiguandianyuandejibenyuanli,bingjiehejisuanjikongzhijishu,shejichuyizhongxinxingdefangfudianyuanxitongyidaitilaoshidexiangkongdianyuanxitong。gaishejijiandan、可靠,且成本低,可廣泛用於埋地管線防腐工程。
特別推薦
- 噪聲中提取真值!瑞盟科技推出MSA2240電流檢測芯片賦能多元高端測量場景
- 10MHz高頻運行!氮矽科技發布集成驅動GaN芯片,助力電源能效再攀新高
- 失真度僅0.002%!力芯微推出超低內阻、超低失真4PST模擬開關
- 一“芯”雙電!聖邦微電子發布雙輸出電源芯片,簡化AFE與音頻設計
- 一機適配萬端:金升陽推出1200W可編程電源,賦能高端裝備製造
技術文章更多>>
- 大聯大世平集團首度亮相北京國際汽車展 攜手全球芯片夥伴打造智能車整合應用新典範
- 2026北京車展即將啟幕,高通攜手汽車生態“朋友圈”推動智能化體驗再升級
- 邊緣重構智慧城市:FPGA SoM 如何破解視頻係統 “重而慢”
- 如何使用工業級串行數字輸入來設計具有並行接口的數字輸入模塊
- 意法半導體將舉辦投資者會議探討低地球軌道(LEO)發展機遇
技術白皮書下載更多>>
- 車規與基於V2X的車輛協同主動避撞技術展望
- 數字隔離助力新能源汽車安全隔離的新挑戰
- 汽車模塊拋負載的解決方案
- 車用連接器的安全創新應用
- Melexis Actuators Business Unit
- Position / Current Sensors - Triaxis Hall
熱門搜索
接口IC
介質電容
介質諧振器
金屬膜電阻
晶體濾波器
晶體諧振器
晶體振蕩器
晶閘管
精密電阻
精密工具
景佑能源
聚合物電容
君耀電子
開發工具
開關
開關電源
開關電源電路
開關二極管
開關三極管
科通
可變電容
可調電感
可控矽
空心線圈
控製變壓器
控製模塊
藍牙
藍牙4.0
藍牙模塊
浪湧保護器



