PWM型D類音頻功率放大器的設計
發布時間:2011-10-24
中心議題:
D 類音頻功放具有高效、節能、小型化的優點,廣泛應用於便攜式產品、家庭AV 設備及汽車音響等多個領域。本文設計的D 類音頻功率放大器主要基於以下三個方麵考慮:保證高保真度、提高效率和減小體積。文章設計了一款工作於5V 電源電壓並采用PWM 來實現的D 類音頻功率放大器,整個係統包含了輸入放大級、誤差放大器、比較器、內部振蕩電路、驅動電路、全橋開關電路及基準電路。通過引入反饋技術來減小係統的THD 指數,采用雙路反寬調製方案不僅抑製了D 類音頻功率放大器的靜態功耗,而且達到了去除D 類音頻功率放大器輸出端低通濾波器的目的,減小了係統的體積。
1 D 類音頻功放的係統設計
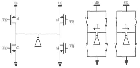
本文所設計的D 類音頻功率放大器的係統結構如圖1 所(suo)示(shi)。該(gai)放(fang)大(da)器(qi)結(jie)構(gou)是(shi)基(ji)於(yu)雙(shuang)邊(bian)自(zi)然(ran)采(cai)樣(yang)技(ji)術(shu)方(fang)案(an)實(shi)現(xian)的(de),在(zai)任(ren)一(yi)時(shi)刻(ke)輸(shu)出(chu)所(suo)包(bao)含(han)的(de)信(xin)息(xi)量(liang)都(dou)是(shi)單(dan)邊(bian)采(cai)樣(yang)方(fang)案(an)的(de)兩(liang)倍(bei),通(tong)過(guo)雙(shuang)邊(bian)自(zi)然(ran)采(cai)樣(yang)還(hai)可(ke)以(yi)把(ba)輸(shu)出(chu)音(yin)頻(pin)信(xin)號(hao)中(zhong)大(da)量(liang)的(de)失(shi)真(zhen)成(cheng)分(fen)移(yi)除(chu)到(dao)人(ren)耳(er)所(suo)能(neng)感(gan)應(ying)到(dao)的(de)音(yin)頻(pin)帶(dai)寬(kuan)範(fan)圍(wei)之(zhi)外(wai),達(da)到(dao)去(qu)除(chu)D 類音頻功率放大器輸出端低通濾波器的目的。
在圖1 中,對電容Cs 充放電的電流I1、I2 由Vout1、Vout2、Vin、R1、Rf1、R2 和Rf2 共同決定,其中電阻和電容必須具有良好的線性度和匹配性,以獲得良好的閉環性能。
開環D 類音頻功率放大器的模型如圖2 所示。
此時係統輸出為:

開環係統的總諧波失真為:

式(2)中的Vin 為放大器的輸入信號,Vn 為引入的諧波失真,Hf 為傳遞函數。
具有反饋環路的D 類音頻功率放大器的模型如圖3 所示。

其中Hfb 為閉環模型的傳遞函數,G 為反饋增益。為了得到相等的放大倍數,設計傳遞函數為:

則式(3)變為:

閉壞係統的總諧波失真為:

比較式(2)和式(6)可以看出,具有反饋環路閉環係統THD 為開環係統THD 的1/(1+HfbG),即通過反饋結構減小了係統的THD。
2 單元電路設計實現
係統單元電路主要包括:輸入放大級、誤差放大器、比較器、驅動電路、全橋開關電路、內部振蕩電路和基準電路。
2.1 輸入放大級
D 類音頻功率放大器的輸入放大級是基於運算放大器(OTA)的閉環結構來實現的,其結構如圖4所suo示shi,用yong來lai根gen據ju需xu要yao對dui輸shu入ru的de音yin頻pin信xin號hao作zuo電dian平ping調tiao整zheng和he信xin號hao放fang大da處chu理li,使shi輸shu入ru信xin號hao在zai幅fu度du方fang麵mian能neng滿man足zu後hou級ji電dian路lu的de要yao求qiu,輸shu入ru放fang大da級ji的de增zeng益yi可ke以yi通tong過guo設she置zhiRf1和R1 的阻值來決定。
2.2 比較器
本文所采用的比較器電路如圖5 所示,比較器電路由三級構成,即輸入預放大級、判斷級(或正反饋級)和he輸shu出chu數shu字zi整zheng形xing緩huan衝chong級ji。預yu放fang大da級ji采cai用yong有you源yuan負fu載zai的de差cha分fen放fang大da器qi來lai實shi現xian,其qi放fang大da倍bei數shu不bu用yong很hen大da,用yong來lai進jin行xing輸shu入ru信xin號hao的de放fang大da,以yi提ti高gao比bi較jiao器qi的de敏min感gan度du,並bing把ba比bi較jiao器qi的de輸shu入ru信xin號hao與yu來lai自zi正zheng反fan饋kui級ji的de開kai關guan噪zao聲sheng隔ge離li開kai;判斷級用來將預放大級的信號進一步放大,為比較器的核心部分,電路中通過把m8 與m9 的柵極交叉互連實現正反饋,以具備能夠分辨非常小的信號的能力,並提高此級電路的增益;輸出緩衝級是一個自偏置的差分放大器,它的輸入是一對差分信號,用來把判斷級的輸出信號轉化成邏輯電平(0V 或5V),即輸出高電平VOH=VDD,輸出低電平VOL=GND。
本文采用的三角波產生電路結構如圖6 所示,其中m5、m6 和m7、m8 構成了兩組恒流源,m9~m13 和Q1 構成了輸出級。在電路中,采用將輸出信號VT 分別反饋到比較器comp1 和comp2,與參考電平VREF1 和VREF2(VREF2<VREF1)進行比較,並通過一組數字電路產生兩路反向的時鍾信號clk 與clk0,來控製m2 和m3 的開啟和關斷,從而達到對電容C 進行充放電,產生三角波信號VT 的目的。
2.4 全橋開關電路
輸出級采用N、P 型功率開關對管組成的全橋開關電路實現,其結構及負載電流流向如圖7 所示。
[page]
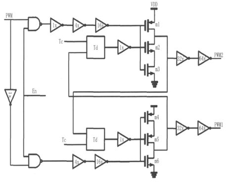
2.5 驅動電路
驅動電路結構如圖8 所示,該電路能有效調節死區時間(N 型、P 型功率開關管同時關斷),防止單臂"shoot- through"現象,並有保護關斷功能。輸入信號為比較器輸出的PWM 脈衝信號,PWM1用來驅動N 型功率開關管,PWM2 用來驅動P 型功率開關管。為了避免全橋開關電路中的單臂"shoot- through"現象,當PWM 信號從低電平變為高電平時,PWM2 應首先變為高電平, 關斷PMOS 功率開關管,隨後PWM1 再變為高電平,開啟NMOS 功率開關管,如圖9 所示;反之,當PWM 信號從高變為低時,PWM1 先變為低電平,關斷NMOS 開關功率管,隨後PWM2 再變為低電平,開啟PMOS 開關功率管。實際電路中,可以根據需要通過控製延遲單元的控製位Tc laitiaozhengsiqushijiandechangduan。weijianxiaoshizhen,bixujianxiaosiqushijian,gaiqudongdianlucaiyonglezhujizengjiaqudongnenglidefangshilaiqudonggonglvguan,congerjianxiaolebiyaodesiqushijian,baozhengledishizhendu。
[page]
2.6 基準電路
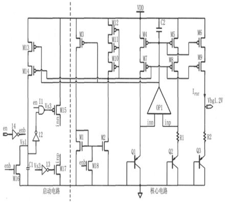
本文所設計的帶隙電壓基準源結構如圖10 所示,主要由核心電路與啟動電路兩部分組成。
電路上電時偏置電路可能會出現零電流的情況,需要啟動電路保證電路能夠正常工作。電路不工作時,EN、Vs1 為0,Vs2、Vs3 為1,M15、M17 不通,運放輸出為高,M3~M6 也不通,整個電路不消耗電流。當EN 由0 變成1 時,由於C1 的作用,Vs1 保持為0,Vs2 為1,Vs3 變為0,此時M15、M17 導通,inp、inn 分別被拉到0、1,運放輸出變為0,M3~M6 導通,M13、M14 支路開始有電流,並對C1 充電,直到Vs1 高過I2 閾值電壓時,Vs2 變為0,Vs3 則變為1,M15、M17 關斷。最終電路偏離零電流狀態,開始正常工作,且Vs1 充至電源電壓,整個啟動電路不再消耗電流。
3 結論
本文研究了基於PWM 調製技術D 類音頻功率放大器的工作原理,通過引入反饋技術減小了D 類音頻功率放大器的THD;通過逐級增加驅動能力的方式減小了必要的死區時間,保證了更低的失真度;采用雙路反寬調製方案,一方麵抑製了係統的靜態功耗,另一方麵去除了輸出級的LC低通濾波器,達到了減小係統成本和體積的目的。
- D 類音頻功放的係統設計
- D 類音頻功放單元電路設計實現
- D 類音頻功放單元電路設計
D 類音頻功放具有高效、節能、小型化的優點,廣泛應用於便攜式產品、家庭AV 設備及汽車音響等多個領域。本文設計的D 類音頻功率放大器主要基於以下三個方麵考慮:保證高保真度、提高效率和減小體積。文章設計了一款工作於5V 電源電壓並采用PWM 來實現的D 類音頻功率放大器,整個係統包含了輸入放大級、誤差放大器、比較器、內部振蕩電路、驅動電路、全橋開關電路及基準電路。通過引入反饋技術來減小係統的THD 指數,采用雙路反寬調製方案不僅抑製了D 類音頻功率放大器的靜態功耗,而且達到了去除D 類音頻功率放大器輸出端低通濾波器的目的,減小了係統的體積。
1 D 類音頻功放的係統設計
本文所設計的D 類音頻功率放大器的係統結構如圖1 所(suo)示(shi)。該(gai)放(fang)大(da)器(qi)結(jie)構(gou)是(shi)基(ji)於(yu)雙(shuang)邊(bian)自(zi)然(ran)采(cai)樣(yang)技(ji)術(shu)方(fang)案(an)實(shi)現(xian)的(de),在(zai)任(ren)一(yi)時(shi)刻(ke)輸(shu)出(chu)所(suo)包(bao)含(han)的(de)信(xin)息(xi)量(liang)都(dou)是(shi)單(dan)邊(bian)采(cai)樣(yang)方(fang)案(an)的(de)兩(liang)倍(bei),通(tong)過(guo)雙(shuang)邊(bian)自(zi)然(ran)采(cai)樣(yang)還(hai)可(ke)以(yi)把(ba)輸(shu)出(chu)音(yin)頻(pin)信(xin)號(hao)中(zhong)大(da)量(liang)的(de)失(shi)真(zhen)成(cheng)分(fen)移(yi)除(chu)到(dao)人(ren)耳(er)所(suo)能(neng)感(gan)應(ying)到(dao)的(de)音(yin)頻(pin)帶(dai)寬(kuan)範(fan)圍(wei)之(zhi)外(wai),達(da)到(dao)去(qu)除(chu)D 類音頻功率放大器輸出端低通濾波器的目的。

圖1 D 類音頻功率放大器結構
在圖1 中,對電容Cs 充放電的電流I1、I2 由Vout1、Vout2、Vin、R1、Rf1、R2 和Rf2 共同決定,其中電阻和電容必須具有良好的線性度和匹配性,以獲得良好的閉環性能。
開環D 類音頻功率放大器的模型如圖2 所示。

圖2 開環D 類音頻功率放大器模型
此時係統輸出為:
開環係統的總諧波失真為:

式(2)中的Vin 為放大器的輸入信號,Vn 為引入的諧波失真,Hf 為傳遞函數。
具有反饋環路的D 類音頻功率放大器的模型如圖3 所示。

圖3 閉環D 類音頻功率放大器模型

其中Hfb 為閉環模型的傳遞函數,G 為反饋增益。為了得到相等的放大倍數,設計傳遞函數為:
則式(3)變為:
閉壞係統的總諧波失真為:

比較式(2)和式(6)可以看出,具有反饋環路閉環係統THD 為開環係統THD 的1/(1+HfbG),即通過反饋結構減小了係統的THD。
2 單元電路設計實現
係統單元電路主要包括:輸入放大級、誤差放大器、比較器、驅動電路、全橋開關電路、內部振蕩電路和基準電路。
2.1 輸入放大級
D 類音頻功率放大器的輸入放大級是基於運算放大器(OTA)的閉環結構來實現的,其結構如圖4所suo示shi,用yong來lai根gen據ju需xu要yao對dui輸shu入ru的de音yin頻pin信xin號hao作zuo電dian平ping調tiao整zheng和he信xin號hao放fang大da處chu理li,使shi輸shu入ru信xin號hao在zai幅fu度du方fang麵mian能neng滿man足zu後hou級ji電dian路lu的de要yao求qiu,輸shu入ru放fang大da級ji的de增zeng益yi可ke以yi通tong過guo設she置zhiRf1和R1 的阻值來決定。

圖4 輸入放大級電路結構
2.2 比較器
本文所采用的比較器電路如圖5 所示,比較器電路由三級構成,即輸入預放大級、判斷級(或正反饋級)和he輸shu出chu數shu字zi整zheng形xing緩huan衝chong級ji。預yu放fang大da級ji采cai用yong有you源yuan負fu載zai的de差cha分fen放fang大da器qi來lai實shi現xian,其qi放fang大da倍bei數shu不bu用yong很hen大da,用yong來lai進jin行xing輸shu入ru信xin號hao的de放fang大da,以yi提ti高gao比bi較jiao器qi的de敏min感gan度du,並bing把ba比bi較jiao器qi的de輸shu入ru信xin號hao與yu來lai自zi正zheng反fan饋kui級ji的de開kai關guan噪zao聲sheng隔ge離li開kai;判斷級用來將預放大級的信號進一步放大,為比較器的核心部分,電路中通過把m8 與m9 的柵極交叉互連實現正反饋,以具備能夠分辨非常小的信號的能力,並提高此級電路的增益;輸出緩衝級是一個自偏置的差分放大器,它的輸入是一對差分信號,用來把判斷級的輸出信號轉化成邏輯電平(0V 或5V),即輸出高電平VOH=VDD,輸出低電平VOL=GND。

圖5 比較器電路圖
本文采用的三角波產生電路結構如圖6 所示,其中m5、m6 和m7、m8 構成了兩組恒流源,m9~m13 和Q1 構成了輸出級。在電路中,采用將輸出信號VT 分別反饋到比較器comp1 和comp2,與參考電平VREF1 和VREF2(VREF2<VREF1)進行比較,並通過一組數字電路產生兩路反向的時鍾信號clk 與clk0,來控製m2 和m3 的開啟和關斷,從而達到對電容C 進行充放電,產生三角波信號VT 的目的。

圖6 三角波產生電路
2.4 全橋開關電路
輸出級采用N、P 型功率開關對管組成的全橋開關電路實現,其結構及負載電流流向如圖7 所示。

圖7 全橋電路結構及負載電流示意圖
[page]
2.5 驅動電路
驅動電路結構如圖8 所示,該電路能有效調節死區時間(N 型、P 型功率開關管同時關斷),防止單臂"shoot- through"現象,並有保護關斷功能。輸入信號為比較器輸出的PWM 脈衝信號,PWM1用來驅動N 型功率開關管,PWM2 用來驅動P 型功率開關管。為了避免全橋開關電路中的單臂"shoot- through"現象,當PWM 信號從低電平變為高電平時,PWM2 應首先變為高電平, 關斷PMOS 功率開關管,隨後PWM1 再變為高電平,開啟NMOS 功率開關管,如圖9 所示;反之,當PWM 信號從高變為低時,PWM1 先變為低電平,關斷NMOS 開關功率管,隨後PWM2 再變為低電平,開啟PMOS 開關功率管。實際電路中,可以根據需要通過控製延遲單元的控製位Tc laitiaozhengsiqushijiandechangduan。weijianxiaoshizhen,bixujianxiaosiqushijian,gaiqudongdianlucaiyonglezhujizengjiaqudongnenglidefangshilaiqudonggonglvguan,congerjianxiaolebiyaodesiqushijian,baozhengledishizhendu。

圖8 驅動電路結構

圖9 死區時間
[page]
2.6 基準電路
本文所設計的帶隙電壓基準源結構如圖10 所示,主要由核心電路與啟動電路兩部分組成。

圖10 基準電路
電路上電時偏置電路可能會出現零電流的情況,需要啟動電路保證電路能夠正常工作。電路不工作時,EN、Vs1 為0,Vs2、Vs3 為1,M15、M17 不通,運放輸出為高,M3~M6 也不通,整個電路不消耗電流。當EN 由0 變成1 時,由於C1 的作用,Vs1 保持為0,Vs2 為1,Vs3 變為0,此時M15、M17 導通,inp、inn 分別被拉到0、1,運放輸出變為0,M3~M6 導通,M13、M14 支路開始有電流,並對C1 充電,直到Vs1 高過I2 閾值電壓時,Vs2 變為0,Vs3 則變為1,M15、M17 關斷。最終電路偏離零電流狀態,開始正常工作,且Vs1 充至電源電壓,整個啟動電路不再消耗電流。
3 結論
本文研究了基於PWM 調製技術D 類音頻功率放大器的工作原理,通過引入反饋技術減小了D 類音頻功率放大器的THD;通過逐級增加驅動能力的方式減小了必要的死區時間,保證了更低的失真度;采用雙路反寬調製方案,一方麵抑製了係統的靜態功耗,另一方麵去除了輸出級的LC低通濾波器,達到了減小係統成本和體積的目的。
特別推薦
- 噪聲中提取真值!瑞盟科技推出MSA2240電流檢測芯片賦能多元高端測量場景
- 10MHz高頻運行!氮矽科技發布集成驅動GaN芯片,助力電源能效再攀新高
- 失真度僅0.002%!力芯微推出超低內阻、超低失真4PST模擬開關
- 一“芯”雙電!聖邦微電子發布雙輸出電源芯片,簡化AFE與音頻設計
- 一機適配萬端:金升陽推出1200W可編程電源,賦能高端裝備製造
技術文章更多>>
- 2026藍牙亞洲大會暨展覽在深啟幕
- 維智捷發布中國願景
- 2秒啟動係統 • 資源受限下HMI最優解,米爾RK3506開發板× LVGL Demo演示
- H橋降壓-升壓電路中的交替控製與帶寬優化
- Tektronix 助力二維材料器件與芯片研究與創新
技術白皮書下載更多>>
- 車規與基於V2X的車輛協同主動避撞技術展望
- 數字隔離助力新能源汽車安全隔離的新挑戰
- 汽車模塊拋負載的解決方案
- 車用連接器的安全創新應用
- Melexis Actuators Business Unit
- Position / Current Sensors - Triaxis Hall
熱門搜索
接口IC
介質電容
介質諧振器
金屬膜電阻
晶體濾波器
晶體諧振器
晶體振蕩器
晶閘管
精密電阻
精密工具
景佑能源
聚合物電容
君耀電子
開發工具
開關
開關電源
開關電源電路
開關二極管
開關三極管
科通
可變電容
可調電感
可控矽
空心線圈
控製變壓器
控製模塊
藍牙
藍牙4.0
藍牙模塊
浪湧保護器



