TPS92633-Q1在汽車LED尾燈/小燈中的應用
發布時間:2021-05-08 來源:Hong, Holly 責任編輯:wenwei
【導讀】目前市麵上,汽車大燈的光源主要有鹵素,氙氣和LED大da燈deng三san種zhong。鹵lu素su車che燈deng,鹵lu素su是shi車che燈deng填tian充chong物wu的de主zhu要yao元yuan素su,這zhe其qi中zhong應ying用yong於yu汽qi車che車che燈deng的de主zhu要yao是shi碘dian或huo者zhe是shi溴xiu。它ta的de優you點dian在zai於yu製zhi造zao成cheng本ben低di,缺que點dian在zai於yu熱re量liang過guo大da,使shi用yong壽shou命ming不bu長chang。
xianqichedeng,xianqishiyizhongduoxingqiti,beitianchongzaichedengli,erhoujingguocheneibuzengyaqidezengya,chanshengdeyalikeyishunjianjiangxianqidianlicongerchanshengguangliang,qiyoudianzaiyujiagedilian,zhaomingduliangdubilusuyaogao;缺點在於一些極端天氣下,射出的光線並不足以穿透大霧,這就有可能造成安全隱患。
LED車燈,今年來,LED作為新型照明光源具有優良的性能,其應用正在迅猛增長。其主要優點在於壽命長,高效率、低能耗。缺點在於成本高,散熱不好。從LED車燈技術發展現狀與趨勢來講,其價格正在穩步下降, LED車燈向個性化和藝術化方向發展,同時LED智能控製係統也將快速發展。
TPS92633-Q1的特點
TPS92633-Q1是TI新推出的LED驅動,可用於汽車尾燈,內/外部小燈上。TPS92633-Q1 是一款線性驅動器,可承受4.5V到40V的寬壓輸入,每通道輸出電流達150mA。該芯片的診斷功能包括LED開路,LED對地短路和單 LED 短路檢測。 TPS92633-Q1 的one-fails-all-fail功能能夠與其他 LED 驅動器 (如 TPS9261x-Q1 ,TPS92630/8-Q1 和 TPS92830-Q1) 配合使用。除此以外,TPS92633-Q1還有三點獨特的設計。
1. 獨特的熱管理設計,避免設備高溫。
TPS92633-Q1的每個通道提供兩個電流輸出路徑,電流從電源流經 R(SNSx)進入集成的電流調節電路,並通過 OUTx 針腳和 Resx 針腳流向 LED。 OUTx 引腳和 Resx 引腳上的電流輸出都是獨立調節的,以實現所需的總電流。輸出 OUTx 和 Resx 的總和電流等於流過 R(SNSx) 的電流。
OUTx 連接LED 負載的陽極,但是 Resx 通過外部電阻連到 LED ,利用外部電阻實現熱分享,其方式如圖1所示。當供電電壓低於或者接近於LED需要的正向電壓時,電流主要通過圖1的紅色路徑;當供電電壓高於LED需要的正向電壓,電流路徑轉為綠色,通過R(SHUNT)分壓以實現熱分散。圖2 顯示了R (resx) 為 68.5 Ω 時的功耗分配曲線,由圖可知輸出功耗的分配主要取決於供電電壓。

圖1 電流流向示意圖

圖2 輸出功耗分配和供電電壓的關係
2. 跨板調節LED亮度。
TPS92633-Q1有模擬調光功能,通過等式1可知通過調整ICTRL腳上電阻的大小,可以調整輸出電流,從而實現LED 的亮度調節。為了抑製噪聲,建議使用兩個電阻,其中一個固定電阻放置的離ICTRL腳越近越好,另外一個調光電阻可以放在另外一個放置LED的PCB板上,如圖3所示。

圖3 跨板調節示意圖
3. NTC熱敏電阻調整輸出電流。
模擬電流控製功能還允許在 ICTRL 引腳上連接 NTC 熱敏電阻,根據測量的 PCB 板溫度或 LED 單元溫度實現輸出電流的調整。 NTC 熱敏電阻隨著溫度升高而降低。它導致 ICTRL 引腳上的 R(ICTRL) 等效電阻降低,根據等式1可得出隨著R(ICTRL)降低輸出電流降低。圖4中, R1 和 R2 的電阻值與 NTC 熱敏電阻配合使用,以實現高溫下,輸出電流的調整。具體輸出電流隨溫度變化曲線如圖5所示。

圖4 外部NTC熱敏電阻應用原理圖

圖5 輸出電流隨溫度變化曲線
典型應用及PCB Layout
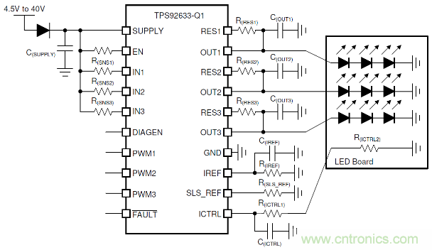
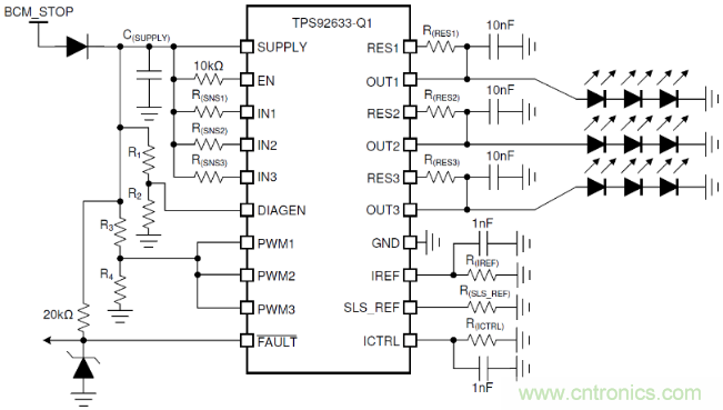
TPS92633-Q1可以用來驅動汽車的尾燈和內部小燈,其典型應用如圖6所示。圖7是TPS92633-Q1的PCB布局示例,主要考慮兩大要素:
散熱是TPS92633-Q1布局的主要考慮因素。
在PCB的頂層和底層都建議有較大的散熱麵積。因為R(RESx)與TPS92633-Q1一樣有功耗,建議將R(RESx)電阻器放置在距離TPS92633-Q1設備20 mm以上的位置。在R(RESx)周圍還需要較大的銅澆注區域,以幫助散熱。
抗噪性是TPS92633-Q1布局的次要考慮因素。
SUPPLY、ICTRL和IREF引腳的噪聲去耦電容放置在盡可能靠近引腳的位置。R(RESx)電阻器放置在盡可能靠近INx管腳的位置,並通過最短的PCB連線到SUPPLY腳。

圖6 TPS92633-Q1的典型應用

圖7 TPS92633-Q1的PCB布局示例
參考資料:
[1] 車燈的市場空間、技術升級與企業布局(證券研究報告)
[2] TPS92633-Q1 Three-Channel Automotive High-Side LED Driver with Thermal Sharing and Off-Board Binning datasheet
免責聲明:本文為轉載文章,轉載此文目的在於傳遞更多信息,版權歸原作者所有。本文所用視頻、圖片、文字如涉及作品版權問題,請聯係小編進行處理。
推薦閱讀:
特別推薦
- 噪聲中提取真值!瑞盟科技推出MSA2240電流檢測芯片賦能多元高端測量場景
- 10MHz高頻運行!氮矽科技發布集成驅動GaN芯片,助力電源能效再攀新高
- 失真度僅0.002%!力芯微推出超低內阻、超低失真4PST模擬開關
- 一“芯”雙電!聖邦微電子發布雙輸出電源芯片,簡化AFE與音頻設計
- 一機適配萬端:金升陽推出1200W可編程電源,賦能高端裝備製造
技術文章更多>>
- 貿澤EIT係列新一期,探索AI如何重塑日常科技與用戶體驗
- 算力爆發遇上電源革新,大聯大世平集團攜手晶豐明源線上研討會解鎖應用落地
- 創新不止,創芯不已:第六屆ICDIA創芯展8月南京盛大啟幕!
- AI時代,為什麼存儲基礎設施的可靠性決定數據中心的經濟效益
- 矽典微ONELAB開發係列:為毫米波算法開發者打造的全棧工具鏈
技術白皮書下載更多>>
- 車規與基於V2X的車輛協同主動避撞技術展望
- 數字隔離助力新能源汽車安全隔離的新挑戰
- 汽車模塊拋負載的解決方案
- 車用連接器的安全創新應用
- Melexis Actuators Business Unit
- Position / Current Sensors - Triaxis Hall
熱門搜索





