車載充電器的拓撲結構介紹和技術建議
發布時間:2020-10-14 責任編輯:wenwei
【導讀】近年來,電動汽車的數量在全球範圍內不斷增長,如純電動汽車(BEV)或插電式混合動力汽車(PHEV)。此外,還有許多因素引起了人們的懷疑,比如說,目前每個終端用戶的碳排放量仍然很低(除此之外,還有一些因素可以降低終端用戶的碳排放量)。haowuyiwen,diandongqichedexiyinliqujueyudianchi。zhexiecheliangdepujiheshiyingnengli,yijizheyixifenshichangdezengchangqianli,douqujueyugaokekaoxinghechijiuxingdedianchixingneng。dianchixingnenghenaijiuxingzaihendachengdushangqujueyuchongdianjishuhefangfa。zaibenwenzhong,womenjianggengshenrudiyanjiuchezaichongdianxitongdetixijiegou,bingxiangxijieshaoPFC和DC-DC拓撲中最流行的結構。
經典升壓PFC
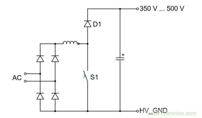
實現功率因數校正功能的最簡單拓撲是使用簡單的boost轉換器拓撲,如圖1所示。這種拓撲結構也被稱為經典PFC或經典boost PFC。電路由高頻開關和二極管、電dian感gan和he交jiao流liu輸shu入ru側ce的de二er極ji管guan橋qiao式shi整zheng流liu器qi組zu成cheng。在zai直zhi流liu輸shu出chu端duan,通tong常chang使shi用yong緩huan衝chong帽mao來lai穩wen定ding輸shu出chu電dian壓ya。實shi現xian高gao功gong率lv因yin數shu的de最zui常chang見jian的de工gong作zuo模mo式shi是shi連lian續xu導dao通tong模mo式shi(CCM),它是通過開關和二極管之間的電流源換流來實現的。這種拓撲提供了從交流輸入到直流輸出的單向功率流。

圖1:boost PFC的工作原理(為了更好地理解原理操作,建議在S1上加一個二極管,但省略了)
由於難換相,要求半導體能夠承受連續換流。因此,一個合理的選擇是使用合格的CoolSiC™ 肖特基二極管650 V Gen5器件,用於位置“D1”,而各種開關適合作為功率因數校正級的電源開關。例如,英飛淩的TRENCHSTOP™ AUTO 5 IGBT提供高速開關功能,擊穿電壓為650 V。這些igbt可作為單個igbt或帶有集成反並聯Si或SiC二極管的igbt。如果選擇的器件是單個IGBT,我們建議在集電極和發射極節點之間使用一個小的反並聯PN二極管,以避免IGBT上出現負電壓尖峰。當目標是在簡單的PFC拓撲中實現最高效率時,我們建議使用MOSFET而不是IGBT。最新的汽車CoolMOS™ 一代,CoolMOS™ CFD7A,完美地配合了SiC二極管作為對應物的拓撲結構。這種MOSFET的優點是在溝道中具有電阻行為,不受尾流的影響,並且比IGBT具有更低的開關損耗。所有這些優點轉化為更低的功率損耗,因此,更高的轉換效率。
在這種拓撲結構中也可以使用寬帶隙晶體管;但是,這不會帶來顯著的好處,因為SiC和GaN晶體管由於拓撲的自然性能而不能被充分利用。

圖2:單相車載充電器功率因數校正級示例:a)集成SiC二極管的IGBT,b)帶外部保護二極管的單個IGBT,c)CoolMOS™ CFD7A(帶本征體二極管)
圖騰柱PFC
雙向車載充電器的常見拓撲結構是所謂的圖騰極PFC(圖3)。zaicishezhizhong,suoyouerjiguandoubeiyouyuangonglvkaiguanqudai,yishixianshuangxianggonglvliunengli。shiyongyouyuankaiguandaitierjiguandelingyigeyoudianshixiaolvtigao。jinguanruci,zhezhongxiugaiyezengjialefuzaxing,yinweibixuzaidianluzhongkongzhigengduodekaiguan。

圖3:圖騰極PFC拓撲
圖騰極PFC由快速切換段(“S1”和“S2”)和慢速切換段(“S3”和“S4”)組成。“S1”和“S2”要求半導體能夠承受高頻下兩個有源開關之間負載電流的硬換相。因此,“S1”和“S2”的最佳選擇是使用TRENCHSTOP™ H5 IGBT或CoolSiC™ MOSFETs。慢開關段(“S3”和“S4”)中的開關實現相位校正功能。因此,在交流輸入的過零點(零電壓開關)期間,它們會隨著交流頻率接通和斷開。

圖4:a)IGBT,b)SiC MOSFET,c)IGBT和CoolMOS的圖騰極PFC™ CFD7A(相位整流器)
實現圖騰極PFC的一種常見方法是在位置“S1”、“S2”、“S3”和“S4”使用IGBT開關。英飛淩的高速TRENCHSTOP™ IGBT是車載充電器係統的最佳IGBT選擇。CoolMOS™ CFD7A建議用於慢開關半橋(“S3”和“S4”),以進一步提高效率。由於交流頻率下的軟開關特性,將超級連接mosfet設計成相位整流橋是可能的。用四個CoolSiC實現硬開關圖騰極PFC是可能的,因為CoolMOS™ MOSFET具有超低的反向恢複電荷。CoolSiC ™ mosfet的另一個優勢是擊穿電壓為1200v,支持更高的直流鏈電壓(高於650v)。
移相全橋
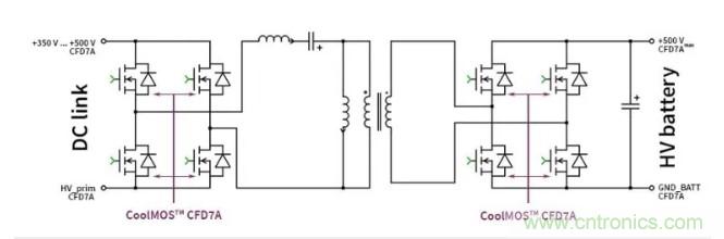
一種常用的DC-DC拓撲是所謂的移相全橋(圖5),由DC-DC變換器初級側的全橋、諧振電感器、隔離變壓器和次級側的整流組成。基於這種拓撲結構的最先進的車載充電器使用基於矽或碳化矽的mosfet。由於緊湊型DC-DC變換器對開關頻率的要求很高,IGBT不適合這種拓撲結構。

圖5:相移全橋拓撲結構,包括二次側的二極管
這種拓撲的一個顯著優點是效率高,因為它可以在較寬的負載範圍內進行軟交換。這意味著,儲存在mosfet寄生電容中的能量可以重新循環,降低功率損耗,減少散熱,提高轉換效率。一次側的附加電感器(Lr)確保了mosfet的軟開關。然而,由於這種拓撲結構的固有特性,不能在整個輸出範圍內實現所有mosfet的全ZVS。通常,不同mosfet的硬開關發生在輕負載條件下(當諧振能量不足以維持ZVS時)。這種硬開關現象也是英飛淩推薦具有快速二極管特性的矽mosfet(如CoolMOS™ CFD7A)的原因或像CoolSiC™ MOSFET這樣的寬禁帶係列用於汽車應用,確保長期可靠運行。
這種拓撲的另一個優點是與LLC變換器相比,控製工作量相對較低。功率流的調節是通過控製兩個半橋腿之間的相移來實現的,而不需要修改頻率或占空比。此外,PSFB拓撲能夠獲得比LLC變換器更大的轉換比。
二次側的任務是對一次側傳輸的能量進行校正。有幾種方法可以實現這一點。一種方法是使用全橋整流(如圖5所示)或中心抽頭變壓器。對於這兩種變體,二極管或有源mosfet是最常見的選擇。
雙向移相全橋拓撲

圖6:雙向使用的移相全橋拓撲
如果DC-DC的二次側采用有源開關,並且采用適當的控製策略,則移相全橋拓撲也可以用於雙向車載充電器。圖6說明了雙向PSFB的概念。如圖所示,不需要進一步修改硬件組件來支持雙向功率流。
LLC拓撲
LLC拓撲是達到最高轉換效率的理想選擇。與PSFB相比,LLC拓撲允許實現更高的效率,從而在運行期間降低損耗,並實現更高的功率密度轉換器。車載充電器中使用的大多數LLC轉換器都是全橋LLC轉換器。一次側的全橋配置有助於減少通過功率開關的電流,因為變壓器的一次側繞組驅動的電壓是半橋LLC轉換器的兩倍。由於電壓加倍,在給定的變壓器尺寸下,可以傳輸雙倍的功率。盡管如此,這一原則適用於所有半橋/全橋變換器,而不是LLC變換器的獨特性,但由於將半橋LLC變換器用於低功率應用更為常見,因此我們在這裏重點討論這一點。
設計良好的LLC拓撲結構的另一個優點是可以在滿負荷範圍內實現零電壓開關。然而,mosfet的硬開關很容易在啟動時發生,並且僅在某些關鍵條件下(即“電容模式”操作)。
除了優點之外,LLC拓撲還有一個缺點:功(gong)率(lv)流(liu)是(shi)通(tong)過(guo)可(ke)變(bian)頻(pin)率(lv)而(er)不(bu)是(shi)通(tong)過(guo)脈(mai)寬(kuan)調(tiao)製(zhi)控(kong)製(zhi)信(xin)號(hao)的(de)可(ke)變(bian)占(zhan)空(kong)比(bi)來(lai)控(kong)製(zhi)的(de)。由(you)於(yu)所(suo)需(xu)的(de)頻(pin)率(lv)範(fan)圍(wei),電(dian)磁(ci)幹(gan)擾(rao)濾(lv)波(bo)器(qi)的(de)設(she)計(ji)可(ke)能(neng)變(bian)得(de)更(geng)具(ju)挑(tiao)戰(zhan)性(xing)。此(ci)外(wai),由(you)於(yu)很(hen)難(nan)規(gui)定(ding)均(jun)流(liu),LLC變換器並聯級的同步變得更加複雜。圖7顯示了車載充電器中使用的典型全橋LLC轉換器,其中轉換器的二次側也設計為全橋。

圖7:單向運行的全橋LLC變換器(二次側帶有源同步整流)
結論
diandongqichedexiyinliqujueyudianchi。bandaotijishudejinbuxuyaoshixiangenggaodexiaolvhezuigaodexingneng,shidiandongqichechengweichuantongjiaotonggongjudebianjiehehuanbaodetidaipin。weilemanzuxiandaifeichezaichongdianqishejideyaoqiu,gezhongtuopujiegouhejishuzaijintianshikeyongde。suoyi,womenderenwushishitamenwanmeipipei。
推薦閱讀:
特別推薦
- 噪聲中提取真值!瑞盟科技推出MSA2240電流檢測芯片賦能多元高端測量場景
- 10MHz高頻運行!氮矽科技發布集成驅動GaN芯片,助力電源能效再攀新高
- 失真度僅0.002%!力芯微推出超低內阻、超低失真4PST模擬開關
- 一“芯”雙電!聖邦微電子發布雙輸出電源芯片,簡化AFE與音頻設計
- 一機適配萬端:金升陽推出1200W可編程電源,賦能高端裝備製造
技術文章更多>>
- 貿澤EIT係列新一期,探索AI如何重塑日常科技與用戶體驗
- 算力爆發遇上電源革新,大聯大世平集團攜手晶豐明源線上研討會解鎖應用落地
- 創新不止,創芯不已:第六屆ICDIA創芯展8月南京盛大啟幕!
- AI時代,為什麼存儲基礎設施的可靠性決定數據中心的經濟效益
- 矽典微ONELAB開發係列:為毫米波算法開發者打造的全棧工具鏈
技術白皮書下載更多>>
- 車規與基於V2X的車輛協同主動避撞技術展望
- 數字隔離助力新能源汽車安全隔離的新挑戰
- 汽車模塊拋負載的解決方案
- 車用連接器的安全創新應用
- Melexis Actuators Business Unit
- Position / Current Sensors - Triaxis Hall
熱門搜索
Future
GFIVE
GPS
GPU
Harting
HDMI
HDMI連接器
HD監控
HID燈
I/O處理器
IC
IC插座
IDT
IGBT
in-cell
Intersil
IP監控
iWatt
Keithley
Kemet
Knowles
Lattice
LCD
LCD模組
LCR測試儀
lc振蕩器
Lecroy
LED
LED保護元件
LED背光



