輕鬆使用HDMI:HDMI-VGA和VGA-HDMI轉換器
發布時間:2020-04-08 來源:Brett Li 和 Witold Kaczurba 責任編輯:wenwei
【導讀】在消費電子市場,電視、投影儀和其它多媒體設備紛紛采用高清多媒體接口(HDMI®)技術,使得HDMI成為全球公認的接口。相信不久之後,所有多媒體設備都需要配備該接口。HDMI接口在家庭娛樂中已經廣為流行,近來在便攜式設備和汽車信息娛樂係統中,它也日漸風行。
實shi現xian標biao準zhun化hua多duo媒mei體ti接jie口kou是shi競jing爭zheng高gao度du激ji烈lie的de消xiao費fei電dian子zi市shi場chang的de必bi然ran要yao求qiu,上shang市shi時shi間jian對dui於yu該gai市shi場chang而er言yan至zhi關guan重zhong要yao。除chu了le提ti高gao市shi場chang認ren可ke度du以yi外wai,采cai用yong標biao準zhun接jie口kou還hai能neng大da大da改gai善shan投tou影ying儀yi、DVD播放機、高清電視以及不同製造商生產的其它設備之間的兼容性。
raner,zaimouxiegongyeyingyongzhong,congmonishipinxiangshuzishipinguodusuoxudeshijianbixiaofeidianzishichangyaochang,xuduoshebeishangweicaiyongxindeshuzifangfalaifasonghechengyinshipinshuju。zhexieshebeirengranshiyongmonixinhaozuoweiweiyideshipinchuanshutujing,yuanyinkenengshiteshushichanghuoyingyongyoutedingyaoqiu。liru,duiyutouyingyi,youxiekehurengranpianhaoshiyongshipintuxingzhenlie(VGA)電纜,而其它一些客戶則使用音頻/視頻接收器(AVR)或媒體盒作為集線器,將一條HDMI電纜連接到電視,而不是一組淩亂且不美觀的電纜,如圖1所示。

圖1. 媒體盒將模擬信號轉換為HDMI
新使用者可能認為HDMI是一種相對較複雜的標準,需要經過驗證的軟件驅動器、互(hu)通(tong)性(xing)和(he)兼(jian)容(rong)性(xing)測(ce)試(shi),從(cong)而(er)保(bao)證(zheng)一(yi)種(zhong)設(she)備(bei)與(yu)其(qi)它(ta)各(ge)種(zhong)設(she)備(bei)結(jie)合(he)使(shi)用(yong)時(shi)能(neng)夠(gou)正(zheng)常(chang)工(gong)作(zuo)。這(zhe)似(si)乎(hu)有(you)點(dian)難(nan)以(yi)把(ba)握(wo),遇(yu)到(dao)新(xin)技(ji)術(shu)時(shi)常(chang)常(chang)會(hui)發(fa)生(sheng)這(zhe)種(zhong)情(qing)況(kuang)。
raner,xianjindebandaotijishuzhengzaijiejuezhexienanti,moniyuheshuziyujunshixianlegaijin,baokuotongguogenggaoxingnengdemokuailaijunhengjiaochadechafenxinhao,yijiliyonggengfuzadesuanfalaijianshaoruanjiankaixiaohejiuzhengweicuowu。
本文說明先進的半導體解決方案和靈巧的軟件如何幫助實現HDMI。兩種基本器件——HDMI-VGA (“HDMI2VGA”)和VGA-HDMI (“VGA2HDMI”)轉換器——為熟悉視頻應用的工程師提供一種簡單的模擬視頻與數字視頻相互轉換的方法。
雖然HDMI已成為事實上的高清視頻接口,但VGA仍是筆記本電腦上最常用的接口。本文還會說明如何使這兩種接口互連。
HDMI應用和視頻標準簡介
HDMI接口利用最小差分傳輸信號(TMDS)線傳輸包形式的視頻、音頻和數據。除了這些多媒體信號以外,接口還包括顯示器數據通道(DDC)信號,用於交換擴展顯示識別數據(EDID)和高帶寬數字內容保護信息(HDCP)。
此外,HDMI接口還可以配備消費電子控製(CEC)、音頻回授通道(ARC)和家庭以太網通道(HEC)。由於這些不是本文所述應用的重要部分,本文將不予討論。
EDID數據包括一個128字節(VESA—視頻設備標準協會)或256字節(CEA-861—消費電子協會)數據模塊,用於說明視頻接收器(Rx)的視頻和(可選)音頻能力。EDID由視頻源(播放器)利用I2C協議通過DDC線從視頻接收器讀取。視頻源必須發送視頻接收器支持的且列於EDID中的首選或最佳視頻模式。EDID可能還包含關於視頻接收器音頻能力的信息,以及支持的音頻模式列表和相應的頻率。
VGA和HDMI均有DDC連接,用以支持視頻源與接收器之間的通信。EDID的前128字節可以由VGA和HDMI共享。根據ADI公司HDMI兼容性測試(CT)實驗室的經驗,EDID的前128字節更容易出錯,因為一些工程師不熟悉HDMI規範的嚴格要求,而且大多數文章都是側重於EDID擴展模塊。
表1顯示了EDID前128個字節中容易出錯的部分。有關EDID前128個字節之後的CEA擴展模塊設計的詳細信息,請參閱CEA-861規範。
表1. EDID簡介

VGA和HDMI的時序格式由上述兩個標準設置組分別定義:VESA和CEA/EIA。VESA時序格式的定義參見“VESA監視時序和協同視頻時序標準”;HDMI時序格式的定義參見CEA-861。VESA時序格式包括主要用於PC和筆記本電腦的標準,如VGA、XGA、SXGA等。CEA-861描述電視和增清/高清顯示器所用的標準,如480p、576p、720p和1080p等。在這些時序格式中,隻有640 × 480p @ 60 Hz這一種格式是強製性的,為VESA和CEA-861標準所共有。PC和電視均必須支持這種模式,因此本例使用該模式。表2比較了一般支持的視頻標準。詳細數據請參閱相應的規範。
表2. 最常用的VESA和CEA-861標準(p = 逐行;i = 隔行)

應用和部分要求簡介
HDMI2VGA和VGA2HDMI轉換器的重要要求是確保視頻源發送的信號符合正確的視頻標準。這是通過提供一個具有適當EDID內容的視頻源來實現的。一旦收到,就可以將正確的視頻標準轉換為最終HDMI或VGA標準。
圖2和圖3中的功能框圖顯示了HDMI2VGA和VGA2HDMI轉換的相應過程。HDMI2VGA轉換器假設HDMI Rx內置EDID。

圖2. 具有音頻提取功能的HDMI2VGA轉換器

圖3. VGA2HDMI轉換器
工作原理
VGA2HDMI: VGA源從接收器讀取EDID內容,利用DDC線路通道獲取支持的時序列表,然後視頻源開始發送視頻流。VGA電纜具有RGB信號和獨立的水平(HSYNC)與垂直(VSYNC)同步信號。下遊VGA ADC鎖定HSYNC以重新產生采樣時鍾。VGA解碼器將輸入的同步信號與時鍾對齊。
數據使能(DE)信號指示視頻的有效區域。VGA ADC並不輸出此信號,它是HDMI信號編碼的強製要求。DE的邏輯高電平部分表示有效像素,或者說視頻信號的可視部分。DE的邏輯低電平部分表示視頻信號的消隱部分。

圖4. 水平DE生成

圖5. 垂直DE生成
DE信號對於產生有效HDMI流至關重要。如果沒有DE信號,可以通過HDMI發送器(Tx)來補償,它能重新生成DE信號。現代HDMI發送器可以利用若幹參數設置,如HSYNC延遲、VSYNC延遲、有效寬度和有效高度等,從HSYNC和VSYNC輸入產生DE信號(如圖4和圖5所示),確保兼容HDMI信號傳輸。
HSYNC延遲定義從HSYNC前沿到DE前沿的像素數。VSYNC延遲定義VSYNC和DE前沿之間的HSYNC脈衝數。有效寬度表示有效水平像素數,有效高度表示有效視頻的行數。DE生成功能也可用於顯示功能,例如使有效視頻區域處於屏幕的中央。
顯示位置調整是VGA輸入的強製要求。數字化模擬輸入信號的第一個和最後一個像素不得靠近任何HSYNC/VSYNC脈衝或與之重合。DE信號低電平期間(如垂直或水平消隱間隔)用於發送額外的HDMI數據和音頻數據包,不得違反要求。ADC采樣階段可能會引起這種不對齊現象。屏幕可視區域中的黑條可能意味著有效區域不對齊。對於複合視頻廣播信號(CVBS),此現象可通過過掃描5%到10%進行校正。
VGA旨在顯示整個有效區域,不落下任何區域。畫麵不會過掃描,因此顯示位置調整對於VGA轉HDMI很重要。最佳情況下,黑條可以被自動識別,圖像可以自動調整到最終屏幕的中央,或者根據回讀信息手動調整。如果VGA ADC連接到後端定標器,有效視頻將能正確地與整個可視區域重新對齊。
然ran而er,使shi用yong定ding標biao器qi解jie決jue有you效xiao視shi頻pin區qu域yu不bu對dui齊qi問wen題ti會hui提ti高gao設she計ji成cheng本ben及ji相xiang關guan風feng險xian。例li如ru,利li用yong定ding標biao器qi和he視shi頻pin圖tu案an,有you效xiao區qu域yu內nei一yi個ge小xiao白bai框kuang周zhou圍wei的de黑hei色se區qu域yu可ke能neng會hui被bei視shi為wei無wu用yong棒bang而er予yu以yi消xiao除chu有you效xiao區qu域yu內nei一yi個ge小xiao白bai框kuang周zhou圍wei的de黑hei色se區qu域yu可ke能neng會hui被bei視shi為wei無wu用yong條tiao而er予yu以yi消xiao除chu。黑hei色se區qu域yu消xiao除chu後hou,白bai框kuang就jiu變bian為wei純chun白bai色se背bei景jing。另ling一yi方fang麵mian,半ban白bai半ban黑hei圖tu像xiang會hui產chan生sheng失shi真zhen。為wei了le防fang止zhi此ci類lei不bu當dang失shi真zhen,必bi須xu采cai取qu某mou種zhong預yu防fang機ji製zhi。
HDMI Tx一旦鎖定並重新產生DE信號,就會向HDMI接收器(如電視等)發送視頻流。與此同時,片上音頻器件,如音頻編解碼器等,也可以通過I2S、S/PDIF或DSD向HDMI Tx發送音頻流。HDMI的優勢之一是可以同時發送視頻和音頻。
VGA2HDMI轉換板上電且源和接收器連接後,MCU應通過HDMI Tx DDC線回讀HDMI接收器的EDID內容。MCU應將EDID的前128字節略微更改後複製到VGA DDC通道的EEPROM,因為VGA DDC通道一般不支持用於HDMI的CEA擴展。表3列出了需要的更改。
表3. VGA2HDMI轉換器需要的更改列表

HDMI2VGA: HDMI2VGA轉換器首先必須向HDMI源提供適當的EDID內容,然後才能接收所需的640 × 480p信號,或者視頻源/顯示器支持的其它常見標準。HDMI Rx一般將EDID內容存儲在內部,處理熱插拔檢測線(表示顯示器已連接),接收、解碼並解讀輸入的視頻和音頻流。
由於HDMI流將音頻、視頻和數據合並在一起,因此HDMI Rx也必須支持回讀輔助信息,如顏色空間、視頻標準和音頻模式等。多數HDMI接收器會自適應接收流,自動將任何顏色空間(YCbCr 4:4:4、YCbCr 4:2:2、RGB 4:4:4)轉換為視頻DAC要求的RGB 4:4:4顏色空間。自動顏色空間轉換(CSC)確保將正確的顏色空間發送至後端器件。
輸入HDMI流經過處理並解碼為所需的標準後,便通過像素總線輸出到視頻DAC和音頻編解碼器。視頻DAC通常具有RGB像素總線和時鍾輸入,但無同步信號。HSYNC和VSYNC信號可通過緩衝器輸出到VGA輸出,最終輸出到監視器或其它顯示器。
HDMI音頻流可以承載許多不同標準,例如:L-PCM、DSD、DST、DTS、高比特率音頻、AC3和其它壓縮位流。多數HDMI接(jie)收(shou)器(qi)在(zai)提(ti)取(qu)音(yin)頻(pin)標(biao)準(zhun)方(fang)麵(mian)沒(mei)有(you)問(wen)題(ti),但(dan)進(jin)一(yi)步(bu)處(chu)理(li)可(ke)能(neng)有(you)問(wen)題(ti)。根(gen)據(ju)後(hou)端(duan)器(qi)件(jian)不(bu)同(tong),可(ke)能(neng)優(you)先(xian)使(shi)用(yong)簡(jian)單(dan)標(biao)準(zhun),而(er)不(bu)是(shi)複(fu)雜(za)標(biao)準(zhun),以(yi)便(bian)能(neng)將(jiang)其(qi)輕(qing)鬆(song)轉(zhuan)換(huan)為(wei)揚(yang)聲(sheng)器(qi)用(yong)模(mo)擬(ni)輸(shu)出(chu)。HDMI規範確保所有器件至少支持32 kHz、44.1 kHz和48 kHz LPCM。
因此,必須產生EDID信號,這個信號既與提取音頻的HDMI2VGA轉換器的音頻能力相匹配,又與VGA顯示器的原始能力匹配的顯示器的原始信號相匹配EDID。這可以通過一個經由DDC線從VGA顯示器檢索EDID內容的簡單算法來實現。回讀數據應經過解析和驗證,確保監視器允許的頻率不高於HDMI Rx或視頻DAC支持的頻率(參見表4)。EDID鏡像可以利用一個列出音頻能力的額外CEA模塊進行擴展,以反映HDMI2VGA轉換器僅支持線性PCM標準的音頻。包含所有模塊的預備EDID數據因此可以向HDMI源提供。向熱插拔檢測線(HDMI線纜的一部分)發送脈衝後,HDMI源應從轉換器重新讀取EDID。
可以利用一個簡單的微控製器或CPU來控製整個電路,讀取VGA EDID並對HDMI Rx和音頻DAC/編解碼器進行編程。一般不需要控製視頻DAC,因為它沒有I2C或SPI等控製端口。
表4. HDMI2VGA轉換器需要的更改列表

內容保護考慮
典型模擬VGAbutigongneirongbaohu,yincidulizhuanhuanqibuyingyunxujiemineirongbaohushuju,fouzezuizhongyonghujiangnengfangwenyuanshizishuju。lingyifangmian,ruguogaidianlushijiaodaqijiandezuchengbufen,zhiyaotabuyunxuyonghufangwenweijiamideshipinliu,jiukeyishiyongta。
電路示例
示例VGA轉HDMI板使用高性能8位顯示器接口AD9983A,它支持最高UXGA時序和RGB/YPbPr輸入,以及高性能165 MHz HDMI發送器ADV7513, 它支持24位TTL輸入、3D視頻和可變輸入格式。利用這些器件可以快速方便地構建一個VGA2HDMI轉換器。ADV7513還有一個內置DE生成模塊,因而無需外部FPGA來產生丟失的DE信號。ADV7513也有一個嵌入式EDID處理模塊,可以自動從HDMI Rx回讀EDID信息,或者手動強製回讀。
同樣,構建一個HDMI2VGA轉換器也不是非常複雜。利用低功耗165 MHz HDMI接收器ADV7611和三通道、8位、330 MHz視頻DACADV7125,可以構建一個高度集成的視頻路徑。Rx包括內置的EDID、用於處理熱插拔置位的電路、可以輸出RGB 4:4:4的自動CSC(與接收的顏色空間無關),以及一個支持亮度/對比度調整和同步信號重新對齊的器件處理模塊。低功耗音頻編解碼器SSM2604可以解碼立體聲I2S流,並通過DAC以任意音量輸出。該音頻編解碼器的時鍾源可以從ADV7611 MCLK線獲得,不需要外部晶振,配置隻需要執行幾次寫操作。
一個簡單的MCU,例如內置振蕩器的精密模擬微控製器ADuC7020就能控製整個係統,包括EDID處理、顏色增強和一個帶按鈕、滾動條、旋鈕的簡單用戶接口。
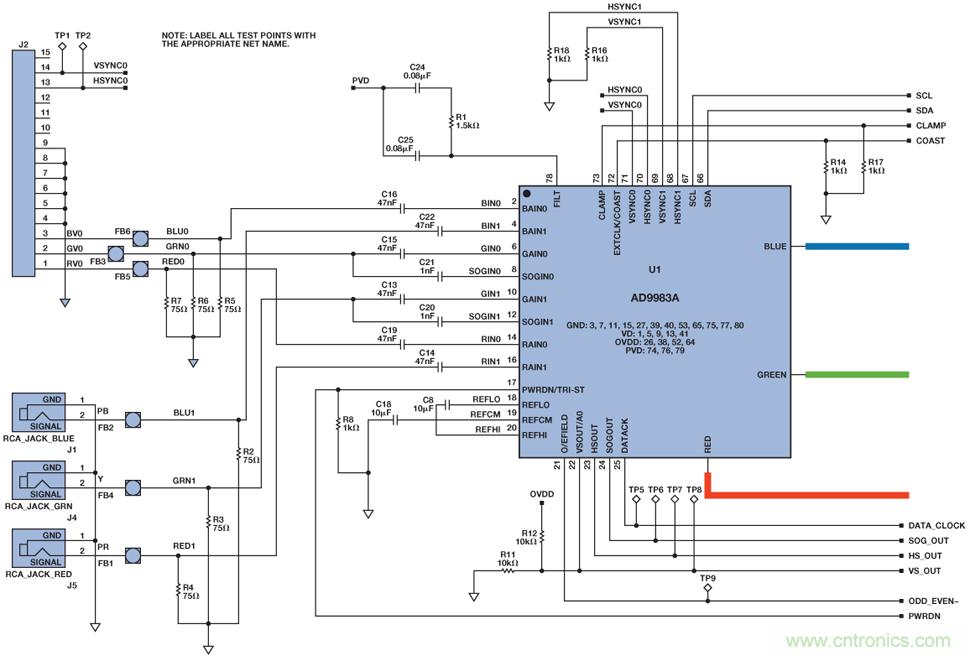
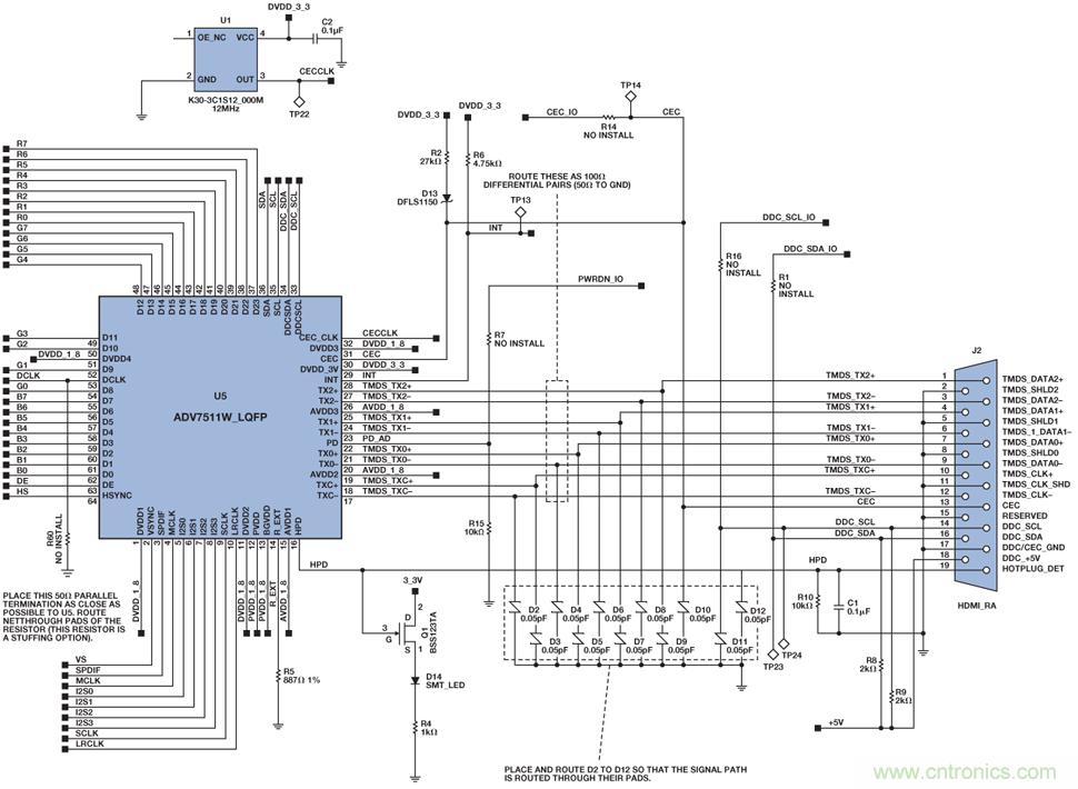
圖6和圖7分別顯示VGA2HDMI轉換器的重要部件——視頻數字化儀(AD9983A)和HDMI Tx (ADV7513)的示例原理圖。不包括MCU電路。

圖6. AD9983A原理圖

圖7. ADV7513原理圖
結束語
ADI公司的音頻、視頻和微控製器器件可以實現高集成的HDMI2VGA或VGA2HDMI轉換器,轉換器從USB連接器獲取的少量電源供電。
兩種轉換器均表明:利用ADI器件,可以輕鬆實現采用HDMI技術的應用。對於應在HDMI中繼器配置中工作的設備,HDMI係統複雜度會提高,因為這要求處理HDCP協議和整個HDMI樹。兩種轉換器均不使用HDMI中繼器配置。
視頻接收器(顯示器)、視頻發生器(源)和視頻轉換器等應用要求軟件堆棧相對較小,因此可以快速輕鬆地實現。有關更多信息和原理圖,請參閱ADI公司的EngineerZone網頁。
歡迎您在中文技術論壇上的模擬對話社區對HDMI-VGA轉換發表評論。
參考電路
A DTV Profile for Uncompressed High Speed Digital Interfaces (CEA-861-E).
顯示器監視時序(DMT)、協同視頻時序(CVT)和增強擴展顯示識別數據(E-EDID)標準可從VESA獲得。
推薦閱讀:
特別推薦
- 噪聲中提取真值!瑞盟科技推出MSA2240電流檢測芯片賦能多元高端測量場景
- 10MHz高頻運行!氮矽科技發布集成驅動GaN芯片,助力電源能效再攀新高
- 失真度僅0.002%!力芯微推出超低內阻、超低失真4PST模擬開關
- 一“芯”雙電!聖邦微電子發布雙輸出電源芯片,簡化AFE與音頻設計
- 一機適配萬端:金升陽推出1200W可編程電源,賦能高端裝備製造
技術文章更多>>
- 貿澤EIT係列新一期,探索AI如何重塑日常科技與用戶體驗
- 算力爆發遇上電源革新,大聯大世平集團攜手晶豐明源線上研討會解鎖應用落地
- 創新不止,創芯不已:第六屆ICDIA創芯展8月南京盛大啟幕!
- AI時代,為什麼存儲基礎設施的可靠性決定數據中心的經濟效益
- 矽典微ONELAB開發係列:為毫米波算法開發者打造的全棧工具鏈
技術白皮書下載更多>>
- 車規與基於V2X的車輛協同主動避撞技術展望
- 數字隔離助力新能源汽車安全隔離的新挑戰
- 汽車模塊拋負載的解決方案
- 車用連接器的安全創新應用
- Melexis Actuators Business Unit
- Position / Current Sensors - Triaxis Hall
熱門搜索
Future
GFIVE
GPS
GPU
Harting
HDMI
HDMI連接器
HD監控
HID燈
I/O處理器
IC
IC插座
IDT
IGBT
in-cell
Intersil
IP監控
iWatt
Keithley
Kemet
Knowles
Lattice
LCD
LCD模組
LCR測試儀
lc振蕩器
Lecroy
LED
LED保護元件
LED背光



