史上最全麵解析:開關電源各功能電路
發布時間:2019-10-14 責任編輯:wenwei
【導讀】開關電源的主要電路是由輸入電磁幹擾濾波器(EMI)、整流濾波電路、功率變換電路、PWM控製器電路、輸出整流濾波電路組成。輔助電路有輸入過欠壓保護電路、輸出過欠壓保護電路、輸出過流保護電路、輸出短路保護電路等。
一、開關電源的電路組成
開關電源的主要電路是由輸入電磁幹擾濾波器(EMI)、整流濾波電路、功率變換電路、PWM控製器電路、輸出整流濾波電路組成。輔助電路有輸入過欠壓保護電路、輸出過欠壓保護電路、輸出過流保護電路、輸出短路保護電路等。
開關電源的電路組成方框圖如下:

二、輸入電路的原理及常見電路
1、AC 輸入整流濾波電路原理:

①防雷電路:當有雷擊,產生高壓經電網導入電源時,由MOV1、MOV2、MOV3:F1、F2、F3、FDG1 組成的電路進行保護。當加在壓敏電阻兩端的電壓超過其工作電壓時,其阻值降低,使高壓能量消耗在壓敏電阻上,若電流過大,F1、F2、F3 會燒毀保護後級電路。
②輸入濾波電路:C1、L1、C2、C3組成的雙πxinglvbowangluozhuyaoshiduishurudianyuandediancizaoshengjizaboxinhaojinxingyizhi,fangzhiduidianyuanganrao,tongshiyefangzhidianyuanbenshenchanshengdegaopinzaboduidianwangganrao。dangdianyuankaiqishunjian,yaodui C5充電,由於瞬間電流大,加RT1(熱敏電阻)就能有效的防止浪湧電流。因瞬時能量全消耗在RT1電阻上,一定時間後溫度升高後RT1阻值減小(RT1是負溫係數元件),這時它消耗的能量非常小,後級電路可正常工作。
③整流濾波電路:交流電壓經BRG1整流後,經C5濾波後得到較為純淨的直流電壓。若C5容量變小,輸出的交流紋波將增大。
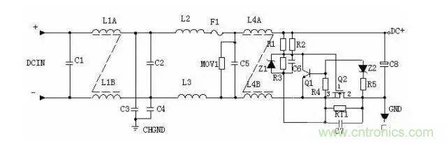
2、 DC 輸入濾波電路原理:

①輸入濾波電路:C1、L1、C2組成的雙π型濾波網絡主要是對輸入電源的電磁噪聲及雜波信號進行抑製,防止對電源幹擾,同時也防止電源本身產生的高頻雜波對電網幹擾。C3、C4 為安規電容,L2、L3為差模電感。
② R1、R2、R3、Z1、C6、Q1、Z2、R4、R5、Q2、RT1、C7組成抗浪湧電路。在起機的瞬間,由於 C6的存在Q2不導通,電流經RT1構成回路。當C6上的電壓充至Z1的穩壓值時Q2導通。如果C8漏電或後級電路短路現象,在起機的瞬間電流在RT1上產生的壓降增大,Q1導通使 Q2沒有柵極電壓不導通,RT1將會在很短的時間燒毀,以保護後級電路。
三、功率變換電路
1、 MOS管的工作原理:
目前應用最廣泛的絕緣柵場效應管是MOSFET(MOS管),是(shi)利(li)用(yong)半(ban)導(dao)體(ti)表(biao)麵(mian)的(de)電(dian)聲(sheng)效(xiao)應(ying)進(jin)行(xing)工(gong)作(zuo)的(de)。也(ye)稱(cheng)為(wei)表(biao)麵(mian)場(chang)效(xiao)應(ying)器(qi)件(jian)。由(you)於(yu)它(ta)的(de)柵(zha)極(ji)處(chu)於(yu)不(bu)導(dao)電(dian)狀(zhuang)態(tai),所(suo)以(yi)輸(shu)入(ru)電(dian)阻(zu)可(ke)以(yi)大(da)大(da)提(ti)高(gao),最(zui)高(gao)可(ke)達(da)105歐姆,MOS管是利用柵源電壓的大小,來改變半導體表麵感生電荷的多少,從而控製漏極電流的大小。
2、常見的原理圖:

3、工作原理:
R4、C3、R5、R6、C4、D1、D2組成緩衝器,和開關MOS管並接,使開關管電壓應力減少,EMI減少,不發生二次擊穿。在開關管Q1關斷時,變壓器的原邊線圈易產生尖峰電壓和尖峰電流,這些元件組合一起,能很好地吸收尖峰電壓和電流。從R3測得的電流峰值信號參與當前工作周波的占空比控製,因此是當前工作周波的電流限製。
當R5上的電壓達到1V時,UC3842停止工作,開關管Q1立即關斷。 R1和Q1中的結電容CGS、CGD一起組成RC網絡,電容的充放電直接影響著開關管的開關速度。R1過小,易引起振蕩,電磁幹擾也會很大;R1過大,會降低開關管的開關速度。Z1通常將MOS管的GS電壓限製在18V以下,從而保護了MOS管。
Q1的柵極受控電壓為鋸形波,當其占空比越大時,Q1導通時間越長,變壓器所儲存的能量也就越多;當Q1截止時,變壓器通過D1、D2、R5、R4、C3釋放能量,同時也達到了磁場複位的目的,為變壓器的下一次存儲、傳遞能量做好了準備。IC根據輸出電壓和電流時刻調整著⑥腳鋸形波占空比的大小,從而穩定了整機的輸出電流和電壓。 C4和R6為尖峰電壓吸收回路。
4、推挽式功率變換電路:
Q1和Q2將輪流導通。

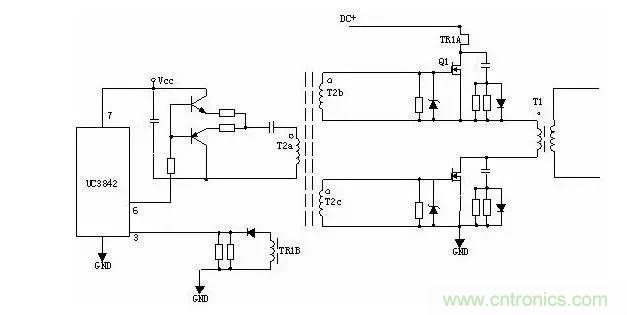
5、有驅動變壓器的功率變換電路:
T2為驅動變壓器,T1為開關變壓器,TR1為電流環。

四、輸出整流濾波電路:
1、正激式整流電路:

T1為開關變壓器,其初極和次極的相位同相。D1為整流二極管,D2為續流二極管,R1、C1、R2、C2為削尖峰電路。L1為續流電感,C4、L2、C5組成π型濾波器。
2、反激式整流電路:

T1為開關變壓器,其初極和次極的相位相反。D1為整流二極管,R1、C1為削尖峰電路。L1為續流電感,R2為假負載,C4、L2、C5組成π型濾波器。
3、同步整流電路:

工作原理:當變壓器次級上端為正時,電流經 C2、R5、R6、R7使Q2導通,電路構成回路,Q2 為整流管。Q1柵極由於處於反偏而截止。當變壓器次級下端為正時,電流經C3、R4、R2使 Q1導通,Q1為續流管。Q2柵極由於處於反偏而截止。L2為續流電感,C6、L1、C7組成π 型濾波器。R1、C1、R9、C4為削尖峰電路。
五、穩壓環路原理
1、反饋電路原理圖:

2、工作原理:
當輸出 U0升高,經取樣電阻R7、R8、R10、VR1分壓後,U1③腳電壓升高,當其超過U1②腳基準電壓後 U1①腳輸出高電平,使Q1導通,光耦OT1發光二極管發光,光電三極管導通,UC3842①腳電位相應變低,從而改變U1⑥腳輸出占空比減小,U0降低。當輸出 U0降低時,U1③腳電壓降低,當其低過U1②腳基準電壓後U1①腳輸出低電平,Q1不導通,光耦OT1發光二極管不發光,光電三極管不導通,UC3842①腳電位升高,從而改變U1⑥腳輸出占空比增大,U0降低。周而複始,從而使輸出電壓保持穩定。調節VR1可改變輸出電壓值。
反饋環路是影響開關電源穩定性的重要電路。如反饋電阻電容錯、漏、虛焊等,會產生自激振蕩,故障現象為:波形異常,空、滿載振蕩,輸出電壓不穩定等。
六、短路保護電路
1、在輸出端短路的情況下,PWM控kong製zhi電dian路lu能neng夠gou把ba輸shu出chu電dian流liu限xian製zhi在zai一yi個ge安an全quan範fan圍wei內nei,它ta可ke以yi用yong多duo種zhong方fang法fa來lai實shi現xian限xian流liu電dian路lu,當dang功gong率lv限xian流liu在zai短duan路lu時shi不bu起qi作zuo用yong時shi,隻zhi有you另ling增zeng設she一yi部bu分fen電dian路lu。
2、短路保護電路通常有兩種,下圖是小功率短路保護電路,其原理簡述如下:

當輸出電路短路,輸出電壓消失,光耦OT1不導通,UC3842①腳電壓上升至5V左右,R1與R2的分壓超過TL431基準,使之導通,UC3842⑦腳VCC電位被拉低,IC停止工作。UC3842停止工作後①腳電位消失,TL431不導通UC3842⑦腳電位上升,UC3842重新啟動,周而複始。當短路現象消失後,電路可以自動恢複成正常工作狀態。
3、下圖是中功率短路保護電路,其原理簡述如下:

當輸出短路,UC3842①腳電壓上升,U1 ③腳電位高於②腳時,比較器翻轉①腳輸出高電位,給 C1充電,當C1兩端電壓超過⑤腳基準電壓時 U1⑦腳輸出低電位,UC3842①腳低於1V,UCC3842 停止工作,輸出電壓為0V,周而複始,當短路消失後電路正常工作。R2、C1是充放電時間常數,阻值不對時短路保護不起作用。
4、下圖是常見的限流、短路保護電路。其工作原理簡述如下:

當輸出電路短路或過流,變壓器原邊電流增大,R3 兩端電壓降增大,③腳電壓升高,UC3842⑥腳輸出占空比逐漸增大,③腳電壓超過1V時,UC3842關閉無輸出。
5、下圖是用電流互感器取樣電流的保護電路,有著功耗小,但成本高和電路較為複雜,其工作原理簡述如下:

輸出電路短路或電流過大,TR1次級線圈感應的電壓就越高,當UC3842③腳超過1伏,UC3842停止工作,周而複始,當短路或過載消失,電路自行恢複。
七、輸出端限流保護

上圖是常見的輸出端限流保護電路,其工作原理簡述如上圖:當輸出電流過大時,RS(錳銅絲)兩端電壓上升,U1③腳電壓高於②腳基準電壓,U1①腳輸出高電壓,Q1導通,光耦發生光電效應,UC3842①腳電壓降低,輸出電壓降低,從而達到輸出過載限流的目的。
八、輸出過壓保護電路的原理
輸出過壓保護電路的作用是:當dang輸shu出chu電dian壓ya超chao過guo設she計ji值zhi時shi,把ba輸shu出chu電dian壓ya限xian定ding在zai一yi安an全quan值zhi的de範fan圍wei內nei。當dang開kai關guan電dian源yuan內nei部bu穩wen壓ya環huan路lu出chu現xian故gu障zhang或huo者zhe由you於yu用yong戶hu操cao作zuo不bu當dang引yin起qi輸shu出chu過guo壓ya現xian象xiang時shi,過guo壓ya保bao護hu電dian路lu進jin行xing保bao護hu以yi防fang止zhi損sun壞huai後hou級ji用yong電dian設she備bei。應ying用yong最zui為wei普pu遍bian的de過guo壓ya保bao護hu電dian路lu有you如ru下xia幾ji種zhong:
1、可控矽觸發保護電路:

如上圖,當Uo1輸出升高,穩壓管(Z3)擊穿導通,可控矽(SCR1)的控製端得到觸發電壓,因此可控矽導通。Uo2電(dian)壓(ya)對(dui)地(di)短(duan)路(lu),過(guo)流(liu)保(bao)護(hu)電(dian)路(lu)或(huo)短(duan)路(lu)保(bao)護(hu)電(dian)路(lu)就(jiu)會(hui)工(gong)作(zuo),停(ting)止(zhi)整(zheng)個(ge)電(dian)源(yuan)電(dian)路(lu)的(de)工(gong)作(zuo)。當(dang)輸(shu)出(chu)過(guo)壓(ya)現(xian)象(xiang)排(pai)除(chu),可(ke)控(kong)矽(gui)的(de)控(kong)製(zhi)端(duan)觸(chu)發(fa)電(dian)壓(ya)通(tong)過(guo)R對地泄放,可控矽恢複斷開狀態。
2、光電耦合保護電路:

如上圖,當Uo有過壓現象時,穩壓管擊穿導通,經光耦(OT2)R6到地產生電流流過,光電耦合器的發光二極管發光,從而使光電耦合器的光敏三極管導通。Q1基極得電導通, 3842的③腳電降低,使IC關閉,停止整個電源的工作,Uo為零,周而複始。
3、輸出限壓保護電路:
輸出限壓保護電路如下圖,當輸出電壓升高,穩壓管導通光耦導通,Q1基極有驅動電壓而道通,UC3842③電壓升高,輸出降低,穩壓管不導通,UC3842③電壓降低,輸出電壓升高。周而複始,輸出電壓將穩定在一範圍內(取決於穩壓管的穩壓值)。

4、輸出過壓鎖死電路:

圖A的工作原理是,當輸出電壓Uo升高,穩壓管導通,光耦導通,Q2基極得電導通,由於Q2的導通Q1基極電壓降低也導通,Vcc電壓經R1、Q1、R2使Q2始終導通,UC3842③腳始終是高電平而停止工作。在圖B中,UO升高U1③腳電壓升高,①腳輸出高電平,由於D1、R1的存在,U1①腳始終輸出高電平Q1始終導通,UC3842①腳始終是低電平而停止工作。正反饋?
九、功率因數校正電路(PFC)
1、原理示意圖:

2、工作原理:
輸入電壓經L1、L2、L3等組成的EMI濾波器,BRG1整流一路送PFC電感,另一路經R1、R2分壓後送入PFC控製器作為輸入電壓的取樣,用以調整控製信號的占空比,即改變Q1的導通和關斷時間,穩定PFC輸出電壓。L4是PFC電感,它在Q1導通時儲存能量,在Q1關斷時施放能量。D1是啟動二極管。D2是PFC整流二極管,C6、C7濾波。PFC電壓一路送後級電路,另一路經R3、R4分壓後送入PFC控製器作為PFC輸出電壓的取樣,用以調整控製信號的占空比,穩定PFC輸出電壓。
十、輸入過欠壓保護
1、原理圖:

2、工作原理:
AC輸入和DC輸入的開關電源的輸入過欠壓保護原理大致相同。保護電路的取樣電壓均來自輸入濾波後的電壓。取樣電壓分為兩路,一路經R1、R2、R3、R4分壓後輸入比較器3腳,如取樣電壓高於2腳基準電壓,比較器1腳輸出高電平去控製主控製器使其關斷,電源無輸出。另一路經R7、R8、R9、R10分壓後輸入比較器6腳,如取樣電壓低於5腳基準電壓,比較器7腳輸出高電平去控製主控製器使其關斷,電源無輸出。
推薦閱讀:
特別推薦
- 噪聲中提取真值!瑞盟科技推出MSA2240電流檢測芯片賦能多元高端測量場景
- 10MHz高頻運行!氮矽科技發布集成驅動GaN芯片,助力電源能效再攀新高
- 失真度僅0.002%!力芯微推出超低內阻、超低失真4PST模擬開關
- 一“芯”雙電!聖邦微電子發布雙輸出電源芯片,簡化AFE與音頻設計
- 一機適配萬端:金升陽推出1200W可編程電源,賦能高端裝備製造
技術文章更多>>
- 築基AI4S:摩爾線程全功能GPU加速中國生命科學自主生態
- 一秒檢測,成本降至萬分之一,光引科技把幾十萬的台式光譜儀“搬”到了手腕上
- AI服務器電源機櫃Power Rack HVDC MW級測試方案
- 突破工藝邊界,奎芯科技LPDDR5X IP矽驗證通過,速率達9600Mbps
- 通過直接、準確、自動測量超低範圍的氯殘留來推動反滲透膜保護
技術白皮書下載更多>>
- 車規與基於V2X的車輛協同主動避撞技術展望
- 數字隔離助力新能源汽車安全隔離的新挑戰
- 汽車模塊拋負載的解決方案
- 車用連接器的安全創新應用
- Melexis Actuators Business Unit
- Position / Current Sensors - Triaxis Hall
熱門搜索



