油氣田中氣體流量傳感器的應用
發布時間:2018-09-25 責任編輯:wenwei
【導讀】對於在油氣田中氣體流量傳感器的應用,工釆網提供了FS5001B係列氣體流量傳感器是專門為各類小流量氣體的測量和過程控製而設計的。這一係列傳感器均采用本公司自主研發的微機電係統(MEMS)流量傳感器芯片來製作,適用於各類清潔、幹燥氣體。
油氣田是指受單一局部構造單位所控製的同一麵積內的油藏、氣藏、油氣藏的總和。如果在這個局部構造範圍內隻有油藏,稱為油田;隻有氣藏,稱為氣田。但是油氣聚集的場所一般不是油氣生成的地方,油氣藏是油氣經過運移、聚(ju)集(ji)才(cai)形(xing)成(cheng)的(de)。油(you)氣(qi)田(tian)是(shi)油(you)氣(qi)現(xian)在(zai)聚(ju)集(ji)的(de)場(chang)所(suo)。石(shi)油(you)和(he)天(tian)然(ran)氣(qi)之(zhi)所(suo)以(yi)能(neng)夠(gou)聚(ju)集(ji)起(qi)來(lai),是(shi)由(you)於(yu)這(zhe)裏(li)受(shou)局(ju)部(bu)構(gou)造(zao)單(dan)位(wei)控(kong)製(zhi),形(xing)成(cheng)了(le)各(ge)種(zhong)圈(quan)閉(bi)。

這類局部構造單位可以是穹隆、背斜、單斜、刺穿構造等等,在它們所控製的範圍內往往伴生多種圈閉,從而形成多種油氣藏。這些受同一局部構造單位控製的麵積內油藏、氣藏的總稱,就是一個油氣田。
如(ru)果(guo)說(shuo)油(you)藏(zang)是(shi)勘(kan)探(tan)是(shi)尋(xun)找(zhao)原(yuan)料(liao),油(you)田(tian)開(kai)發(fa)和(he)采(cai)油(you)是(shi)提(ti)供(gong)原(yuan)料(liao)那(na)麼(me)集(ji)氣(qi)站(zhan)的(de)功(gong)能(neng)是(shi)收(shou)集(ji)氣(qi)井(jing)的(de)天(tian)然(ran)氣(qi),對(dui)收(shou)集(ji)的(de)天(tian)然(ran)氣(qi)進(jin)行(xing)氣(qi)液(ye)分(fen)離(li)處(chu)理(li)後(hou),處(chu)理(li)後(hou)分(fen)別(bie)對(dui)氣(qi)液(ye)進(jin)行(xing)計(ji)量(liang);分離出的天然氣需進行壓力控製,使之滿足集氣管線的輸送壓力要求。為此集氣站的工藝流程通常為集氣、分離、計量、清管等。
為了提高油田計量的準確性,氣田集氣站都采用氣體流量傳感器來計算油田計量,氣體流量傳感器主要由殼體、前導向架、葉輪、後導向架、壓緊圈和帶放大器的磁電感應轉換器等組成,吸取國內外先進技術進行設計,綜合氣體動力學、流體力學、電磁學等理論而自行研製開發的新一代高精度、高可靠性的緊密氣體流量傳感器,具有出色的低壓和高壓計量性能,多種信號輸出方式以及對流體擾動的低敏感性,廣泛適用於天然氣、煤製氣、液化氣、輕烴氣等氣體的計量。
氣(qi)體(ti)流(liu)量(liang)傳(chuan)感(gan)器(qi)工(gong)作(zuo)原(yuan)理(li)當(dang)被(bei)測(ce)流(liu)體(ti)流(liu)經(jing)傳(chuan)感(gan)器(qi)時(shi),傳(chuan)感(gan)器(qi)內(nei)的(de)葉(ye)輪(lun)借(jie)助(zhu)於(yu)流(liu)體(ti)的(de)動(dong)能(neng)而(er)產(chan)生(sheng)旋(xuan)轉(zhuan),葉(ye)輪(lun)即(ji)周(zhou)期(qi)性(xing)地(di)改(gai)變(bian)磁(ci)電(dian)感(gan)應(ying)係(xi)統(tong)中(zhong)的(de)磁(ci)電(dian)阻(zu),使(shi)通(tong)過(guo)線(xian)圈(quan)的(de)磁(ci)通(tong)量(liang)周(zhou)期(qi)性(xing)地(di)發(fa)生(sheng)變(bian)化(hua)而(er)產(chan)生(sheng)電(dian)脈(mai)衝(chong)信(xin)號(hao),經(jing)放(fang)大(da)器(qi)放(fang)大(da)後(hou)傳(chuan)送(song)至(zhi)相(xiang)應(ying)的(de)流(liu)量(liang)積(ji)算(suan)儀(yi)表(biao),進(jin)行(xing)流(liu)量(liang)或(huo)總(zong)量(liang)的(de)測(ce)量(liang)。

因而對於在油氣田中氣體流量傳感器的應用工釆網提供了FS5001B係列氣體流量傳感器是專門為各類小流量氣體的測量和過程控製而設計的。這一係列傳感器均采用本公司自主研發的微機電係統(MEMS)流量傳感器芯片來製作,適用於各類清潔、幹燥氣體。傳感器采用標貼式安裝,使安裝尺寸更加緊湊,可以很容易的實現在小空間內的多傳感器集成。
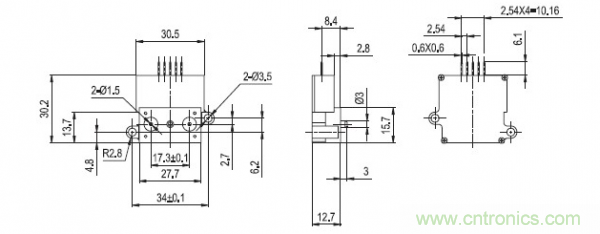
FS5001B係列氣體流量傳感器機械尺寸

FS5001B係列氣體流量傳感器技術參數

FS5001B係列氣體流量傳感器產品選型

推薦閱讀:
特別推薦
- 噪聲中提取真值!瑞盟科技推出MSA2240電流檢測芯片賦能多元高端測量場景
- 10MHz高頻運行!氮矽科技發布集成驅動GaN芯片,助力電源能效再攀新高
- 失真度僅0.002%!力芯微推出超低內阻、超低失真4PST模擬開關
- 一“芯”雙電!聖邦微電子發布雙輸出電源芯片,簡化AFE與音頻設計
- 一機適配萬端:金升陽推出1200W可編程電源,賦能高端裝備製造
技術文章更多>>
- 貿澤EIT係列新一期,探索AI如何重塑日常科技與用戶體驗
- 算力爆發遇上電源革新,大聯大世平集團攜手晶豐明源線上研討會解鎖應用落地
- 創新不止,創芯不已:第六屆ICDIA創芯展8月南京盛大啟幕!
- AI時代,為什麼存儲基礎設施的可靠性決定數據中心的經濟效益
- 矽典微ONELAB開發係列:為毫米波算法開發者打造的全棧工具鏈
技術白皮書下載更多>>
- 車規與基於V2X的車輛協同主動避撞技術展望
- 數字隔離助力新能源汽車安全隔離的新挑戰
- 汽車模塊拋負載的解決方案
- 車用連接器的安全創新應用
- Melexis Actuators Business Unit
- Position / Current Sensors - Triaxis Hall
熱門搜索
Future
GFIVE
GPS
GPU
Harting
HDMI
HDMI連接器
HD監控
HID燈
I/O處理器
IC
IC插座
IDT
IGBT
in-cell
Intersil
IP監控
iWatt
Keithley
Kemet
Knowles
Lattice
LCD
LCD模組
LCR測試儀
lc振蕩器
Lecroy
LED
LED保護元件
LED背光




