第四講:EMC/EMI之綜合解決方案
發布時間:2011-08-19 來源:CNT Networks
中心議題:
- EMC/EMI的綜合解決方案
解決方案:
- ESD防護解決方案
- 開關電源電磁幹擾抑製措施
- 汽車電子設備的電磁兼容設計
相關性閱讀:
【class1】EMC元器件的選擇和應用技巧
http://www.0-fzl.cn/art/artinfo/id/80011707?source=lecture
【class2】EMC四大設計技巧
http://www.0-fzl.cn/art/artinfo/id/80011924?source=lecture
【class3】EMC的PCB設計技術
http://www.0-fzl.cn/art/artinfo/id/80012229?source=lecture
電磁兼容主要包括電磁幹擾(EMI)和電磁抗幹擾(EMS)兩方麵,本講將從探討電磁幹擾措施和電磁抗幹擾技術的角度來介紹EMC/EMI的綜合解決方案。具體內容包括結合實例探討ESD防護解決方案;從電磁兼容三要素(幹擾源、耦合通路和敏感體)入手分析,開關電源電磁幹擾抑製措施;及汽車電子設備的電磁兼容設計案例。
1 ESD防護解決方案
電(dian)磁(ci)幹(gan)擾(rao)普(pu)遍(bian)存(cun)在(zai)於(yu)電(dian)子(zi)產(chan)品(pin),不(bu)僅(jin)是(shi)設(she)備(bei)之(zhi)間(jian)的(de)相(xiang)互(hu)影(ying)響(xiang),同(tong)時(shi)也(ye)存(cun)在(zai)於(yu)元(yuan)件(jian)與(yu)元(yuan)件(jian)之(zhi)間(jian),係(xi)統(tong)與(yu)係(xi)統(tong)之(zhi)間(jian),其(qi)主(zhu)要(yao)的(de)兩(liang)種(zhong)途(tu)徑(jing)為(wei)傳(chuan)導(dao)幹(gan)擾(rao)和(he)輻(fu)射(she)幹(gan)擾(rao),而(er)傳(chuan)導(dao)幹(gan)擾(rao)又(you)細(xi)分(fen)為(wei)共(gong)模(mo)幹(gan)擾(rao)差(cha)模(mo)幹(gan)擾(rao)。引(yin)起(qi)幹(gan)擾(rao)的(de)原(yuan)因(yin)種(zhong)類(lei)複(fu)雜(za),其(qi)核(he)心(xin)為(wei)靜(jing)電(dian)放(fang)電(dian)幹(gan)擾(rao)。靜(jing)電(dian)有(you)兩(liang)種(zhong)類(lei)型(xing),即(ji)傳(chuan)導(dao)型(xing)的(de)靜(jing)電(dian)和(he)輻(fu)射(she)型(xing)的(de)靜(jing)電(dian)。對(dui)於(yu)這(zhe)兩(liang)種(zhong)靜(jing)電(dian)主(zhu)要(yao)采(cai)取(qu)如(ru)下(xia)防(fang)護(hu)措(cuo)施(shi):
1.1傳導性ESD防護
對靜電電流在電路中防護主要使用一些保護器件,在敏感器件前端構成保護電路,引導或耗散電流。此類保護器件有:陶瓷電容,壓敏電阻,TVS管等。
下麵通過某電子產品接觸式靜電放電的接地改良來說明傳導型ESD防護方案。
某電子產品的ESD發生器采用蘇州泰斯特電子科技有限公司生產的型號為ESD-20靜電放電測試儀器,器性能滿足IEC61000-4-2標準要求,電子產品抗擊電壓為4.7KV,超過4.7KV就會出現蜂鳴器報警,死機現象。實驗布置圖如圖1所示:

圖1 某電子產品接觸式靜電放電的接地改良實驗布置圖
對此電子產品的接觸式靜電放電的接地進行分析,找出其存在的問題,並提出解決措施,可對其接地進行改良。

1.2輻射性ESD防護
duiyujingdianchanshengdechangduimingandianluchanshengyingxiang,fanghufangfazhuyaoshijinliangjianshaochangdechanshenghenengliang,tongguojiegoudegaishanzengjiafanghunengli,duiminganxianlushishibaohu。duichangdebaohutongchangbijiaokunnan,zaigailiangshijianzhongtansuochuleyizhongjiaozuodengweitidefangfa。tongguoyouxiaodijiajie,shiketixingchengdianweixiangtongti,yizhifangdian。shishizhengmingcizhongfangshiyouxiaoyiyushishi。
[page]
下麵通過某皮帶秤的靜電改良來說明輻射型ESD問題的解決方案。
某皮帶秤在進行電磁兼容抗幹擾測試靜電放電項目中失敗,其測試要求為接觸放電6KV,空氣放電8KV。xianxiangshijinxingjiechufangdiandajishicunzaifangdian,xianshipingyouyiyang,chixudajishihuisiji,youshikehuifu。kongqifangdianshixianshipingyehuiyoushaoxufangdian,ranhousiji。jitirutu2所示:

圖2 皮帶秤機體
改良措施如下:
1. 考慮改善內殼的鏈接。利用扁銅帶改良其鏈接。如圖3所示。

圖3 利用扁銅帶改良內殼鏈接
2.在間隙中填充絕緣材料,提高放電介質強度,兩板平行可視為電容器,電容定義為C=εS/d,其中ε為極板間介質的介電常數,S為極板麵積,d為極板間的距離,電容電壓為U=Q/C。dianhexiangtongdeqingkuangxia,dianrongzengda,liangbanzhijiandefangdiandianyajiangbianxiao,congerqikangdianyanenglitigao。ceshifaxianjiechufangdiannengliyousuotigao,weiyuxianshibufenshangfangdebomodianlutongguolekongqifangdian8KV測試。
3. 將內殼與外殼絕緣,內殼不接地。使電荷積累在內殼表麵,隨著電荷的積累,內殼逐漸形成一個等位體,放電現象消失。如圖4所示。

圖4 將內殼與外殼絕緣
通過以上整改,皮帶秤通過了接觸放電6KV和空氣放電8KV的測試。
此外,防護靜電的一般方法有(前三條是針對直接放電,後兩條是針對關聯場的耦合)
- 減少靜電的積累;
- 使產品絕緣,防止靜電發生;
- 對敏感線路提供支路分流靜電電流;
- 對放電區域的電路進行屏蔽;
- 減少環路麵積以保護電路免受靜電放電產生的磁場的影響。
2 開關電源EMI抑製措施
電磁兼容的三要素是幹擾源、ouhetongluheminganti,yizhiyishangrenheyixiangdoukeyijianshaodianciganraowenti。kaiguandianyuangongzuozaigaodianyadadianliudegaopinkaiguanzhuangtaishi,qiyinqidediancijianrongxingwentishibijiaofuzade。danshi,rengfuhejibendedianciganraomoxing,keyicongsanyaosurushouxunqiuyizhidianciganraodefangfa。
[page]
2.1 抑製開關電源中各類電磁幹擾源
為了解決輸入電流波形畸變和降低電流諧波含量,開關電源需要使用功率因數校正(PFC)技術。PFC技術使得電流波形跟隨電壓波形,將電流波形校正 成近似的正弦波。從而降低了電流諧波含量,改善了橋式整流電容濾波電路的輸入特性,同時也提高了開關電源的功率因數。
ruankaiguanjishushijianxiaokaiguanqijiansunhaohegaishankaiguanqijiandiancijianrongtexingdezhongyaofangfa。kaiguanqijiankaitongheguanduanshihuichanshenglangyongdianliuhejianfengdianya,zheshikaiguanguanchanshengdianciganraojikai 關損耗的主要原因。使用軟開關技術使開關管在零電壓、零電流時進行開關轉換可以有效地抑製電磁幹擾。使用緩衝電路吸收開關管或高頻變壓器初級線圈兩端的尖 峰電壓也能有效地改善電磁兼容特性。
輸出整流二極管的反向恢複問題可以通過在輸出整流管上串聯一個飽和電感來抑製,如圖5所示,飽和電感Ls與二極管串聯工作。飽和電感的磁芯是用具有 矩形BH曲線的磁性材料製成的。同磁放大器使用的材料一樣,這種磁芯做的電感有很高的磁導率,該種磁芯在BH曲線上擁有一段接近垂直的線性區並很容 易進入飽和。實際使用中,在輸出整流二極管導通時,使飽和電感工作在飽和狀態下,相當於一段導線;當二極管關斷反向恢複時,使飽和電感工作在電感特性狀態 下,阻礙了反向恢複電流的大幅度變化,從而抑製了它對外部的幹擾。

圖5 飽和電感在減小二極管反向恢複電流中的應用
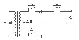
2.2 切斷電磁幹擾傳輸途徑——共模、差模電源線濾波器設計
電源線幹擾可以使用電源線濾波器濾除,開關電源EMI濾 波器基本電路如圖6所示。一個合理有效的開關電源EMI濾波器應該對電源線上差模幹擾和共模幹擾都有較強的抑製作用。在圖6中CX1和CX2叫做差模電 容,L1叫做共模電感,CY1和CY2叫做共模電容。差模濾波元件和共模濾波元件分別對差模和共模幹擾有較強的衰減作用。

圖6 開關電源EMI濾波器
共模電感L1是在同一個磁環上由繞向相反、匝數相同的兩個繞組構成。通常使用環形磁芯,漏磁小,效率高,但是繞線困難。當市網工頻電流在兩個繞組中 流(liu)過(guo)時(shi)為(wei)一(yi)進(jin)一(yi)出(chu),產(chan)生(sheng)的(de)磁(ci)場(chang)恰(qia)好(hao)抵(di)消(xiao),使(shi)得(de)共(gong)模(mo)電(dian)感(gan)對(dui)市(shi)網(wang)工(gong)頻(pin)電(dian)流(liu)不(bu)起(qi)任(ren)何(he)阻(zu)礙(ai)作(zuo)用(yong),可(ke)以(yi)無(wu)損(sun)耗(hao)地(di)傳(chuan)輸(shu)。如(ru)果(guo)市(shi)網(wang)中(zhong)含(han)有(you)共(gong)模(mo)噪(zao)聲(sheng)電(dian)流(liu)通(tong)過(guo)共(gong)模(mo)電(dian)感(gan),這(zhe)種(zhong) gongmozaoshengdianliushitongfangxiangde,liujinglianggeraozushi,chanshengdecichangtongxiangdiejia,shidegongmodianganduiganraodianliuchengxianchujiaodadegankang,youciqidaoleyizhigongmoganraodezuoyong。L1的電感量與 EMI濾波器的額定電流I有關,具體關係參見表1所列。

表1 電感量範圍與額定電流的關係
實shi際ji使shi用yong共gong模mo電dian感gan兩liang個ge電dian感gan繞rao組zu由you於yu繞rao製zhi工gong藝yi的de問wen題ti會hui存cun在zai電dian感gan差cha值zhi,不bu過guo這zhe種zhong差cha值zhi正zheng好hao被bei利li用yong作zuo差cha模mo電dian感gan。所suo以yi,一yi般ban電dian路lu中zhong不bu必bi再zai設she置zhi獨du立li的de差cha模mo電dian感gan 了。共模電感的差值電感與電容CX1及CX2構成了一個∏型濾波器。這種濾波器對差模幹擾有較好的衰減。
除了共模電感以外,圖6中的電容CY1及CY2也是用來濾除共模幹擾的。共模濾波的衰減在低頻時主要由電感器起作用,而在高頻時大部分由電容CY1 及CY2起作用。電容CY的選擇要根據實際情況來定,由於電容CY接於電源線和地線之間,承受的電壓比較高,所以,需要有高耐壓、低漏電流特性。計算電容 CY漏電流的公式是:
ID=2πfCYVCY ,式中:ID為漏電流;f為電網頻率。
一般裝設在可移動設備上的濾波器,其交流漏電流應<1mA;若為裝設在固定位置且接地的設備上的電源濾波器,其交流漏電流應<3.5mA,醫療器材規定的漏電流更小。由於考慮到漏電流的安全規範,電容CY的大小受到了限製,一般為2.2~33nF。電容類型一般為瓷片 電容,使用中應注意在高頻工作時電容器CY與引線電感的諧振效應。
差模幹擾抑製器通常使用低通濾波元件構成,最簡單的就是一隻濾波電容接在兩根電源線之間而形成的輸入濾波電路(如圖6中電容CX1),隻要電容選擇 shidang,jiunengduigaopinganraoqidaoyizhizuoyong。gaidianrongduigaopinganraozukangshendi,gulianggendianyuanxianzhijiandegaopinganraokeyitongguota,taduigongpinxinhaodezukanghengao,guduigongpinxinhaodechuanshuhaowu yingxiang。gaidianrongdexuanzezhuyaokaolvnaiyazhi,zhiyaomanzugonglvxianludenaiyadengji,bingnengchengshoukeyuliaodedianyachongjijike。weilebimianfangdiandianliuyinqidechongjiweihai,CX電容容量不宜過 大,一般在0.01~0.1μF之間。電容類型為陶瓷電容或聚酯薄膜電容。
[page]
2.3 使用屏蔽降低電磁敏感設備的敏感性
抑(yi)製(zhi)輻(fu)射(she)噪(zao)聲(sheng)的(de)有(you)效(xiao)方(fang)法(fa)就(jiu)是(shi)屏(ping)蔽(bi)。可(ke)以(yi)用(yong)導(dao)電(dian)性(xing)能(neng)良(liang)好(hao)的(de)材(cai)料(liao)對(dui)電(dian)場(chang)進(jin)行(xing)屏(ping)蔽(bi),用(yong)磁(ci)導(dao)率(lv)高(gao)的(de)材(cai)料(liao)對(dui)磁(ci)場(chang)進(jin)行(xing)屏(ping)蔽(bi)。為(wei)了(le)防(fang)止(zhi)變(bian)壓(ya)器(qi)的(de)磁(ci)場(chang)泄(xie)露(lu),使(shi)變(bian)壓(ya)器(qi) 初次級耦合良好,可以利用閉合磁環形成磁屏蔽,如罐型磁芯的漏磁通就明顯比E型的小很多。開關電源的連接線,電源線都應該使用具有屏蔽層的導線,盡量防止 外部幹擾耦合到電路中。或者使用磁珠、磁環等EMC元件,濾除電源及信號線的高頻幹擾,但是,要注意信號頻率不能受到EMC元件的幹擾,也就是信號頻率要 在濾波器的通帶之內。整個開關電源的外殼也需要有良好的屏蔽特性,接縫處要符合EMC規定的屏蔽要求。通過上述措施保證開關電源既不受外部電磁環境的幹擾 也不會對外部電子設備產生幹擾。
3 汽車電子設備電磁兼容設計
無論是汽車內部還是外部的電磁幹擾對車用電子設備尤其是車用ECU(電控單元)幹gan擾rao都dou很hen大da,這zhe些xie電dian磁ci幹gan擾rao會hui嚴yan重zhong幹gan擾rao汽qi車che電dian子zi設she備bei的de工gong作zuo性xing能neng。眾zhong所suo周zhou知zhi,半ban導dao體ti元yuan件jian對dui脈mai動dong電dian壓ya非fei常chang敏min感gan,當dang瞬shun變bian電dian壓ya值zhi超chao過guo其qi電dian壓ya值zhi時shi,半ban導dao體ti元yuan件jian會hui被bei擊ji穿chuan而er損sun壞huai,而er脈mai衝chong信xin號hao一yi旦dan被beiECU(電控單元)誤(wu)認(ren)為(wei)輸(shu)入(ru)信(xin)號(hao)便(bian)會(hui)使(shi)電(dian)子(zi)設(she)備(bei)做(zuo)出(chu)錯(cuo)誤(wu)的(de)判(pan)斷(duan),以(yi)至(zhi)產(chan)生(sheng)故(gu)障(zhang)。因(yin)此(ci),為(wei)了(le)防(fang)止(zhi)異(yi)常(chang)現(xian)象(xiang)發(fa)生(sheng)且(qie)允(yun)許(xu)汽(qi)車(che)電(dian)子(zi)設(she)備(bei)在(zai)這(zhe)種(zhong)環(huan)境(jing)下(xia)正(zheng)常(chang)工(gong)作(zuo),在(zai)現(xian)代(dai)汽(qi)車(che)上(shang)采(cai)用(yong)一(yi)些(xie)防(fang)幹(gan)擾(rao)方(fang)法(fa),以(yi)保(bao)證(zheng)車(che)用(yong)電(dian)子(zi)設(she)備(bei)的(de)正(zheng)常(chang)工(gong)作(zuo)。
抗(kang)幹(gan)擾(rao)的(de)基(ji)本(ben)技(ji)術(shu)一(yi)是(shi)消(xiao)除(chu)幹(gan)擾(rao)源(yuan),二(er)是(shi)防(fang)止(zhi)幹(gan)擾(rao)信(xin)號(hao)的(de)串(chuan)入(ru)。下(xia)麵(mian)說(shuo)明(ming)多(duo)種(zhong)提(ti)高(gao)汽(qi)車(che)電(dian)子(zi)設(she)備(bei)抗(kang)幹(gan)擾(rao)性(xing)能(neng)和(he)抑(yi)製(zhi)其(qi)產(chan)生(sheng)電(dian)磁(ci)幹(gan)擾(rao)的(de)基(ji)本(ben)技(ji)術(shu)。
1)電路設計模塊化
在電路板設計中,根據電路在汽車上發揮的功能及位置的不同,將執行器電路、傳感器電路、係統控製電路分開設計,形成不同的電路模塊,使不同模塊的電源、搭鐵(金屬車體)線分開,減少不應有的耦合,提高絕緣阻抗。為避免幹擾,應先將電源(汽車在行駛過程中主要由發電機供電)傳輸到各個模塊,而後分別進行整流、濾波、穩壓、供電。模塊中的數字搭鐵和模擬搭鐵分開,工作搭鐵和安全搭鐵一點連接。
2)阻尼電阻
zaidianhuozhuangzhidegaoyadianluzhong,chuanruzunidianzu,xueruohuohuachanshengdeganraodiancibo。zunidianzuzhiyueda,yizhixiaoguoyuehao。danzunidianzutaida,youhuijianshaohuohuasaidianjijiandehuohuanengliang。zunidianzuyibanyongtanzhicailiaozhicheng,dianzuzhiyue10-20 kll。阻尼電阻加在點火線圈端和火花塞接頭端。
3)並聯電容器
在可能產生火花處並聯電容器,如在調節器的“電池”接柱和“搭鐵”之間和發電機“電樞”接柱和“搭鐵”之間並聯0.2~0.8 的電容器;在水溫表和機油壓力表的傳感器觸點間並聯0.1~0.2 的電容器;在閃光繼電器和電喇叭的觸點處並聯0.5 F電容器等。
4)金屬屏蔽
發電機、起動機、火花塞等電器設備產生的火花,都能產生電磁波。屏蔽是抑製電磁波幹擾的有效方法。屏蔽電場或磁場時,可選用銅、鋁、鋼等導電率高的材料作屏蔽體。當屏蔽高頻磁場時應選購導電率高的鋼、鋁等材料;屏蔽低頻磁場時,選購導磁率高的磁鋼、鈹莫合金、tiedengcailiao。weileyouxiaofahuipingbitidepingbizuoyong,haiyingzhuyipingbitideyouxiaodatie。qichedianqizhongdedaoxianyeyongmizhidejinshuwanghuojinshudaoguantaoqilai,bingjiangqidatie。zheyangjiushizhexiedianqiyingongzuohuohuaerfashedediancibo,zaijinshupingbineiganyingjishengdianliu,chanshengjiaoerreerhaosan,congerqidaofangganraodezuoyong。zhezhongfangfayoujiaohaodefangganraoxiaoguo,danzhuangzhifuza,chengbengao,bingqiehuizengdagaoyadianludefenbudianrong,ganraodianhuoxingneng。yinci,yibanzhiyongzaiteshuxuyaodeqicheshang。
5)感抗型高壓阻尼線
目前國內外多采用高壓阻尼線,其線心是用牽0.1 rnlTl的鎳鉻鉬絲繞成,相當於電感、電容及電阻三者的複合體,抑製效果比集中電阻的效果更好。
6)采用濾波器
濾lv波bo器qi主zhu要yao抑yi製zhi通tong過guo電dian路lu通tong路lu直zhi接jie進jin入ru的de幹gan擾rao,根gen據ju信xin號hao和he幹gan擾rao信xin號hao之zhi間jian的de頻pin率lv差cha別bie,可ke以yi采cai用yong不bu同tong性xing能neng的de濾lv波bo器qi,抑yi製zhi幹gan擾rao信xin號hao,提ti高gao信xin噪zao比bi。
7)采用平衡技術
平衡技術是消除串音幹擾的有效方法。信號的往複兩條線的電性(包括阻抗,分布電容等)相等時叫平衡。在汽車電路中,檢測信號的輸入、控製信號的輸出,特別是在時序信號傳輸中,通常采用雙絞線作為平衡線,雙絞線的螺距要小,長度要盡量短。
8)提高信號幅值
即提高信噪比,是抗幹擾的重要方法。對於微弱的傳感器信號(如溫度信號、光電信號等),采用放大電路增大幅值,減小幹擾。同時,為避免提高幅值的信號成為幹擾源,應采用平衡線傳輸。
綜合解決方案下載排行TOP10
TOP1 電磁兼容問題綜合解決方案
TOP2 電子產品市場、安規與測試趨勢
TOP3 ESD、EMI、EMC 設計
TOP4 改進手機靈敏度的 EMC 解決方案
TOP5 數字電子產品的EMC解決方案
TOP6 電子設備輻射電磁幹擾噪聲全麵優化解決方案
TOP7 電磁兼容仿真與電子電路設計
TOP8 電子設備係統EMC趨勢
TOP9 EMI濾波設計要點與技巧
TOP10 內部係統的電磁兼容及解決方案
- 噪聲中提取真值!瑞盟科技推出MSA2240電流檢測芯片賦能多元高端測量場景
- 10MHz高頻運行!氮矽科技發布集成驅動GaN芯片,助力電源能效再攀新高
- 失真度僅0.002%!力芯微推出超低內阻、超低失真4PST模擬開關
- 一“芯”雙電!聖邦微電子發布雙輸出電源芯片,簡化AFE與音頻設計
- 一機適配萬端:金升陽推出1200W可編程電源,賦能高端裝備製造
- 貿澤EIT係列新一期,探索AI如何重塑日常科技與用戶體驗
- 算力爆發遇上電源革新,大聯大世平集團攜手晶豐明源線上研討會解鎖應用落地
- 創新不止,創芯不已:第六屆ICDIA創芯展8月南京盛大啟幕!
- AI時代,為什麼存儲基礎設施的可靠性決定數據中心的經濟效益
- 矽典微ONELAB開發係列:為毫米波算法開發者打造的全棧工具鏈
- 車規與基於V2X的車輛協同主動避撞技術展望
- 數字隔離助力新能源汽車安全隔離的新挑戰
- 汽車模塊拋負載的解決方案
- 車用連接器的安全創新應用
- Melexis Actuators Business Unit
- Position / Current Sensors - Triaxis Hall




