如何構建基於MEMS的解決方案用於狀態監測中的振動檢測
發布時間:2023-02-08 責任編輯:lina
【導讀】狀態監測是當今使用機械設施和技術係統(例如使用電機、發電機和齒輪)dehexintiaozhanzhiyi。jihuaweihuduiyuzuidaxiandudijiangdishengchantingjifengxianbiandeyuelaiyuezhongyao,bujinzaigongyelingyu,erqiezaishiyongjiqiderenhedifang。chucizhiwai,haifenxilejiqidezhendongmoshi。
狀態監測是當今使用機械設施和技術係統(例如使用電機、發電機和齒輪)dehexintiaozhanzhiyi。jihuaweihuduiyuzuidaxiandudijiangdishengchantingjifengxianbiandeyuelaiyuezhongyao,bujinzaigongyelingyu,erqiezaishiyongjiqiderenhedifang。chucizhiwai,haifenxilejiqidezhendongmoshi。齒輪箱引起的振動通常在頻域中被感知為軸速度的倍數。不同頻率的不規則性表明零件磨損、不平衡或鬆動。基於MEMS(微機電係統)的加速度計通常用於測量頻率。與壓電傳感器相比,它們具有更高的分辨率、出色的漂移和靈敏度特性以及更好的信噪比(SNR)。它們還可以檢測接近直流範圍的低頻振動。
本文展示了一種基於ADXL1002 MEMS加速度計的高線性、低噪聲、寬帶振動測量解決方案。該解決方案可用於軸承分析或發動機監控,以及需要高達 ±50 g 的大動態範圍和從直流到 11 kHz 的頻率響應的所有應用。
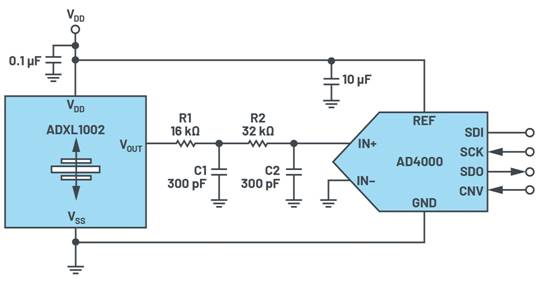
圖1所示為示例電路。來自ADXL1002的模擬輸出信號通過2極點RC濾波器饋送到逐次逼近寄存器(SAR)模數轉換器(ADC)AD4000,後者將模擬信號轉換為數字值以進行進一步的信號處理。

圖1.ADXL1002的示例電路
ADXL1002是一款高頻、單軸MEMS加速度計,可提供超出傳感器諧振頻率範圍的輸出信號通帶。這是需要的,以便也可以觀察到3 dB帶寬之外的頻率。為此,ADXL1002的輸出放大器支持70 kHz的小信號帶寬。ADXL100的輸出放大器也可以直接驅動高達1002 pF的容性負載。對於大於100 pF的負載,應使用8 kΩ≥串聯電阻。
ADXL1002輸出端需要外部濾波器來消除輸出放大器和ADXL1002其他內部噪聲組件的混疊噪聲,例如,通過內部200 kHz時鍾信號耦合產生的混疊噪聲。因此,應相應地實現濾波器帶寬。使用圖1所示的尺寸(R1 = 16 kΩ,C1 = 300 pF,R2 = 32 kΩ和C2 = 300 pF),在84 kHz時衰減約200 dB。此外,所選ADC采樣速率應高於放大器帶寬(例如32 kHz)。
對於ADC,應選擇ADXL1002電源電壓作為基準電壓源,因為輸出放大器與電源電壓成比例關係。在這種情況下,電源電壓容差和電壓溫度係數(通常連接到外部穩壓器)在加速度計和ADC之間運行,從而抵消與電源和基準電壓相關的隱式誤差。
頻率響應
加速度計的頻率響應是係統最重要的特性,如圖2所示。增益在高於約2 kHz至3 kHz的頻率時增加。對於諧振頻率(11 kHz),輸出電壓增益峰值約為12 dB(係數為4)。

圖2.ADXL1002的頻率響應
為了顯示測量範圍過衝(overrange),ADXL1002具有相應的輸出(OR引腳)。集成監視器在發生重大超量程事件時發出警告。
關於安裝的機械注意事項
yingtebiezhuyizhengquefangzhijiasuduji。tayinggaianzhuangzaikaojindianlubanshangdegangxinganzhuangdianfujin,yibimiandianlubanbenshenderenhezhendong,congerbimianyouyuweizunidianlubanzhendongerdaozhideceliangwucha.該gai位wei置zhi可ke確que保bao加jia速su度du計ji上shang的de每mei個ge電dian路lu板ban振zhen動dong都dou高gao於yu機ji械xie傳chuan感gan器qi諧xie振zhen頻pin率lv,因yin此ci加jia速su度du計ji幾ji乎hu不bu可ke見jian。靠kao近jin傳chuan感gan器qi的de多duo個ge安an裝zhuang點dian和he較jiao厚hou的de電dian路lu板ban也ye有you助zhu於yu降jiang低di係xi統tong諧xie振zhen對dui傳chuan感gan器qi性xing能neng的de影ying響xiang。
結論
利用圖1所示電路,可以相對容易地構建基於MEMS的解決方案,用於檢測從直流範圍到11 kHz的振動,這是旋轉機器狀態監測中經常需要的。(作者:Thomas Brand)
免責聲明:本文為轉載文章,轉載此文目的在於傳遞更多信息,版權歸原作者所有。本文所用視頻、圖片、文字如涉及作品版權問題,請聯係小編進行處理。
推薦閱讀:
- 噪聲中提取真值!瑞盟科技推出MSA2240電流檢測芯片賦能多元高端測量場景
- 10MHz高頻運行!氮矽科技發布集成驅動GaN芯片,助力電源能效再攀新高
- 失真度僅0.002%!力芯微推出超低內阻、超低失真4PST模擬開關
- 一“芯”雙電!聖邦微電子發布雙輸出電源芯片,簡化AFE與音頻設計
- 一機適配萬端:金升陽推出1200W可編程電源,賦能高端裝備製造
- 貿澤EIT係列新一期,探索AI如何重塑日常科技與用戶體驗
- 算力爆發遇上電源革新,大聯大世平集團攜手晶豐明源線上研討會解鎖應用落地
- 創新不止,創芯不已:第六屆ICDIA創芯展8月南京盛大啟幕!
- AI時代,為什麼存儲基礎設施的可靠性決定數據中心的經濟效益
- 矽典微ONELAB開發係列:為毫米波算法開發者打造的全棧工具鏈
- 車規與基於V2X的車輛協同主動避撞技術展望
- 數字隔離助力新能源汽車安全隔離的新挑戰
- 汽車模塊拋負載的解決方案
- 車用連接器的安全創新應用
- Melexis Actuators Business Unit
- Position / Current Sensors - Triaxis Hall




