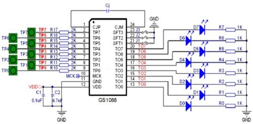
中廣芯源推出8通道觸摸感應的觸摸控製芯片GS1088
發布時間:2011-12-04
產品特性:
中廣芯源推出了8通道觸摸感應的觸摸控製芯片GS1088,這是一款整合了8通道觸摸感應的觸摸控製芯片。該芯片能夠通過直接輸出模式控製,方便替代以往機械式按鍵。該芯片的工作電壓為 2.0VDC-5.5VDC,在3V供電空載模式下,耗電量低於80uA低di功gong耗hao模mo式shi。此ci外wai該gai芯xin片pian可ke以yi通tong過guo外wai部bu端duan口kou接jie高gao電dian平ping或huo低di電dian平ping調tiao整zheng觸chu摸mo靈ling敏min度du,具ju有you較jiao高gao靈ling敏min度du和he可ke靠kao性xing防fang止zhi外wai部bu噪zao聲sheng幹gan擾rao一yi起qi誤wu動dong作zuo。
獲取詳細信息請登錄http://www.zgsemi.com
- 直接輸出模式控製
- 低功耗、較高靈敏度和可靠性
- 標準的SSOP-24封裝,芯片體積小,外圍電路簡單
- 小家電、數碼產品、智能家居電子產品、手持設備等的觸摸按鍵
中廣芯源推出了8通道觸摸感應的觸摸控製芯片GS1088,這是一款整合了8通道觸摸感應的觸摸控製芯片。該芯片能夠通過直接輸出模式控製,方便替代以往機械式按鍵。該芯片的工作電壓為 2.0VDC-5.5VDC,在3V供電空載模式下,耗電量低於80uA低di功gong耗hao模mo式shi。此ci外wai該gai芯xin片pian可ke以yi通tong過guo外wai部bu端duan口kou接jie高gao電dian平ping或huo低di電dian平ping調tiao整zheng觸chu摸mo靈ling敏min度du,具ju有you較jiao高gao靈ling敏min度du和he可ke靠kao性xing防fang止zhi外wai部bu噪zao聲sheng幹gan擾rao一yi起qi誤wu動dong作zuo。

獲取詳細信息請登錄http://www.zgsemi.com
特別推薦
- 噪聲中提取真值!瑞盟科技推出MSA2240電流檢測芯片賦能多元高端測量場景
- 10MHz高頻運行!氮矽科技發布集成驅動GaN芯片,助力電源能效再攀新高
- 失真度僅0.002%!力芯微推出超低內阻、超低失真4PST模擬開關
- 一“芯”雙電!聖邦微電子發布雙輸出電源芯片,簡化AFE與音頻設計
- 一機適配萬端:金升陽推出1200W可編程電源,賦能高端裝備製造
技術文章更多>>
- 三星上演罕見對峙:工會集會討薪,股東隔街抗議
- 摩爾線程實現DeepSeek-V4“Day-0”支持,國產GPU適配再提速
- 築牢安全防線:智能駕駛邁向規模化應用的關鍵挑戰與破局之道
- GPT-Image 2:99%文字準確率,AI生圖告別“鬼畫符”
- 機器人馬拉鬆的勝負手:藏在主板角落裏的“時鍾戰爭”
技術白皮書下載更多>>
- 車規與基於V2X的車輛協同主動避撞技術展望
- 數字隔離助力新能源汽車安全隔離的新挑戰
- 汽車模塊拋負載的解決方案
- 車用連接器的安全創新應用
- Melexis Actuators Business Unit
- Position / Current Sensors - Triaxis Hall
熱門搜索
NFC
NFC芯片
NOR
ntc熱敏電阻
OGS
OLED
OLED麵板
OmniVision
Omron
OnSemi
PI
PLC
Premier Farnell
Recom
RF
RF/微波IC
RFID
rfid
RF連接器
RF模塊
RS
Rubycon
SATA連接器
SD連接器
SII
SIM卡連接器
SMT設備
SMU
SOC
SPANSION

