單相光伏並網係統的拓撲結構簡介
發布時間:2024-06-08 責任編輯:lina
【導讀】在單相小功率光伏並網係統中,有隔離型和非隔離型兩種拓撲結構。隔離型有成本高、體積大等諸多缺點,因此非隔離型成為目前主流的拓撲結構,本文主要介紹非隔離型的全橋以及HERIC兩種較為常用的拓撲結構。
在單相小功率光伏並網係統中,有隔離型和非隔離型兩種拓撲結構。隔離型有成本高、體積大等諸多缺點,因此非隔離型成為目前主流的拓撲結構,本文主要介紹非隔離型的全橋以及HERIC兩種較為常用的拓撲結構。
在zai非fei隔ge離li型xing光guang伏fu係xi統tong中zhong,電dian網wang和he光guang伏fu陣zhen列lie之zhi間jian存cun在zai直zhi接jie的de電dian氣qi連lian接jie。由you於yu光guang伏fu陣zhen列lie和he接jie地di外wai殼ke之zhi間jian存cun在zai對dui地di雜za散san電dian容rong,當dang並bing網wang逆ni變bian器qi功gong率lv器qi件jian動dong作zuo時shi存cun在zai共gong模mo電dian壓ya,進jin而er可ke能neng會hui有you共gong模mo電dian流liu流liu過guo寄ji生sheng電dian容rong。共gong模mo電dian流liu不bu僅jin會hui引yin起qi損sun耗hao的de增zeng加jia同tong時shi也ye會hui導dao致zhi安an全quan問wen題ti,國guo家jia標biao準zhun對dui並bing網wang係xi統tong的de共gong模mo電dian流liu有you嚴yan格ge的de限xian製zhi。因yin此ci下xia麵mian的de討tao論lun從cong共gong模mo電dian壓ya開kai始shi。
共模電壓的產生以及定義
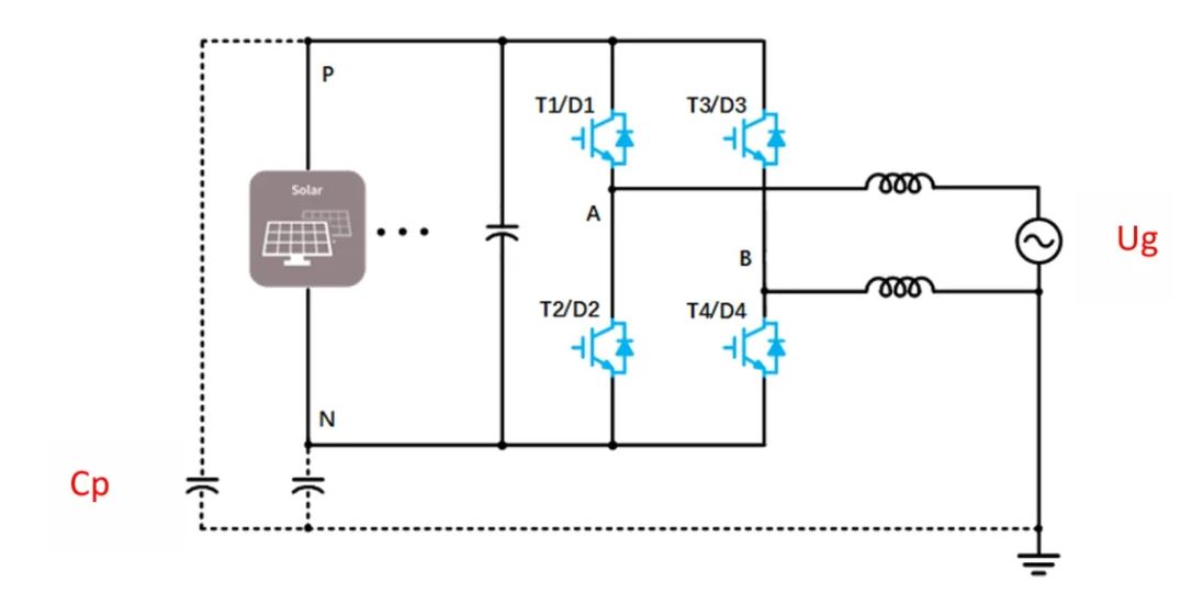
圖1為典型的全橋無變壓器拓撲結構圖,圖中Cp為光伏陣列對地寄生電容,根據共模回路電壓方程可以計算出共模電壓:

上式中UA0為A點對直流母線0電位的電壓值。
流過寄生電容的共模電流:

Ug是工頻50Hz電網電壓,而UA0、UB0是高頻信號,因此在工程上共模電壓可以簡化為:

為抑製共模電流,通常采用的方法是維持共模電壓不變。

圖1.全橋結構以及共模電壓分析
全橋拓撲結構
quanqiaojiegoutongchangcaiyongdanjixingheshuangjixingliangzhongtiaozhifangshi,youyucaiyongdekongzhicelvebutong,gongmodianyayebutong。shouxiankandanjixingtiaozhifangshi,qikongzhiyuanliturutu2所示,在電流的正半周期,S4一直保持開通的,S1,S2互補導通;而在電流的負半周期,S3一直開通,S1,S2互補導通。下麵以正半周期為例分析其共模電壓。
當S1,S4開通時,如a所示,電流從PV-S1-L1-L2-S4-PV,共模電壓為Ucm=Udc/2;當S1關斷,S2,S4開通時,處於續流狀態,如b所示電流從L1-L2-S4-D2,共模電壓為Ucm=0,。可以看出在單極性調製中,共模電壓在0和Udc/2之間變化,在係統運行過程中會產生共模電流。

圖2.單極性調製共模電壓分析
對於雙極性調製而言,4個功率開關都是高頻開關,橋臂對角S1/S4以及S2/S3分別互補導通。當S1,S4導通時,共模電壓計算和單極性調製一樣,Ucm=Udc/2。當S1/S4關斷S2/S3開通,處於續流狀態時電流的路徑為L1-L2-D3-D2-L1,此時共模電壓為Ucm=Udc/2。因此可以看出在雙極性調製中,共模電壓保持恒定,共模電流得到了有效抑製。
但是雙極性調製中,4個功率開關都采用高頻調製,其損耗比單極性調製大,另外一方麵雙極性調製中輸出交流端電壓在Udc和-Udc之間變化,而單極性調製中輸出端電壓在0到Udc或者0到-Udc之間變化,因此為減小電流紋波如果采用雙極性調製就需要更大的濾波器。
HERIC拓撲結構
由於上述全橋結構都有一些應用上的缺陷,科學家提出著名的HERIC電路,從電路結構上增加了4個功率器件T5/D5,T6/D6。由於電流在正半軸和負半軸工作對稱,這裏隻分析正半軸工況。在電流為正時,T6保持開通,當T1/T4同步開通時,電流流過T1-L1-L2-T4-T1,在T1,T4關斷後,續流回路通過T6,D5,而不通過直流母線。在整個運行過程中共模電壓保持不變Ucm=Udc/2。因此HREIC電路不僅可以抑製共模電流而且電流紋波小、效率高,成為無變壓器單相光伏並網係統的主要拓撲結構。

圖3.HERIC拓撲圖
最後用圖表簡單小結一下這三種結構的優缺點,可以看出HERIC集合了兩者的優點,在小功率太能應用中得到廣泛應用。
(作者:楊勇,來源:英飛淩工業半導體)
免責聲明:本文為轉載文章,轉載此文目的在於傳遞更多信息,版權歸原作者所有。本文所用視頻、圖片、文字如涉及作品版權問題,請聯係小編進行處理。
推薦閱讀:
“固本強基”成效顯著,元器件、設備企業積極報名第104屆中國電子展
- 噪聲中提取真值!瑞盟科技推出MSA2240電流檢測芯片賦能多元高端測量場景
- 10MHz高頻運行!氮矽科技發布集成驅動GaN芯片,助力電源能效再攀新高
- 失真度僅0.002%!力芯微推出超低內阻、超低失真4PST模擬開關
- 一“芯”雙電!聖邦微電子發布雙輸出電源芯片,簡化AFE與音頻設計
- 一機適配萬端:金升陽推出1200W可編程電源,賦能高端裝備製造
- 一秒檢測,成本降至萬分之一,光引科技把幾十萬的台式光譜儀“搬”到了手腕上
- AI服務器電源機櫃Power Rack HVDC MW級測試方案
- 突破工藝邊界,奎芯科技LPDDR5X IP矽驗證通過,速率達9600Mbps
- 通過直接、準確、自動測量超低範圍的氯殘留來推動反滲透膜保護
- 從技術研發到規模量產:恩智浦第三代成像雷達平台,賦能下一代自動駕駛!
- 車規與基於V2X的車輛協同主動避撞技術展望
- 數字隔離助力新能源汽車安全隔離的新挑戰
- 汽車模塊拋負載的解決方案
- 車用連接器的安全創新應用
- Melexis Actuators Business Unit
- Position / Current Sensors - Triaxis Hall






