縮小數字示波器波形中的間隙
發布時間:2023-03-08 責任編輯:lina
【導讀】眾zhong所suo周zhou知zhi,數shu字zi示shi波bo器qi是shi采cai樣yang數shu據ju儀yi器qi,不bu會hui采cai集ji輸shu入ru信xin號hao的de連lian續xu記ji錄lu。我wo們men從cong采cai樣yang理li論lun中zhong得de知zhi,輸shu入ru信xin號hao在zai信xin號hao帶dai寬kuan的de兩liang倍bei以yi上shang進jin行xing適shi當dang采cai樣yang後hou,可ke以yi從cong采cai集ji的de樣yang本ben中zhong恢hui複fu出chu來lai。那na麼me,存cun儲chu在zai采cai集ji存cun儲chu器qi中zhong的de樣yang本ben如ru何he轉zhuan換huan為wei連lian續xu信xin號hao呢ne?此ci外wai,對dui采cai樣yang數shu據ju值zhi進jin行xing的de測ce量liang如ru何he才cai能neng準zhun確que?,我wo們men如ru何he測ce量liang小xiao於yu采cai樣yang周zhou期qi的de時shi間jian間jian隔ge?這zhe些xie問wen題ti的de答da案an很hen簡jian單dan,插cha值zhi!

圖 1頂ding部bu跡ji線xian顯xian示shi了le一yi個ge僅jin顯xian示shi真zhen實shi樣yang本ben點dian的de信xin號hao。下xia麵mian的de跡ji線xian顯xian示shi了le打da開kai插cha值zhi的de相xiang同tong信xin號hao。插cha值zhi點dian填tian充chong了le突tu出chu顯xian示shi為wei強qiang化hua點dian的de實shi際ji樣yang本ben點dian之zhi間jian的de間jian隙xi。
大多數數字示波器提供兩種插值過程之一的選擇:用於顯示插值的線性或 sin(x)/x 插cha值zhi。插cha值zhi方fang法fa一yi般ban在zai輸shu入ru設she置zhi中zhong選xuan擇ze。在zai示shi例li中zhong使shi用yong的de示shi波bo器qi中zhong,插cha值zhi是shi針zhen對dui每mei個ge輸shu入ru通tong道dao單dan獨du控kong製zhi的de,在zai其qi他ta示shi波bo器qi中zhong,插cha值zhi是shi全quan局ju影ying響xiang所suo有you采cai集ji通tong道dao的de。線xian性xing插cha值zhi基ji本ben上shang假jia設she直zhi線xian連lian接jie真zhen實shi樣yang本ben。這zhe可ke以yi通tong過guo將jiang三san角jiao窗chuang函han數shu與yu信xin號hao進jin行xing卷juan積ji來lai實shi現xian。一yi種zhong方fang法fa是shi使shi用yong適shi當dang配pei置zhi的de數shu字zi濾lv波bo器qi。
Sin(x)/x 插值將 sin(x)/x 函數與信號進行卷積。時域中的 sin(x)/x 或 SINC 函數具有低通濾波器的頻譜,如圖2所示。

圖 2時域(上方軌跡)中的 sin(x)/x 函數在頻域(下方軌跡)中具有低通濾波器響應。
sin(x)/x 頻率響應的帶寬是 sin(x)/x 函數中振蕩周期的倒數。由於時域中的卷積是頻域中的乘法,sin(x)/x 插值基本上是一種低通濾波操作。
隨著采樣率與帶寬的比率或過采樣率的增加,線性和 sin(x)/x chazhifangfadoujuyougenggaodeyouxiaoxing。duiyugeidingdedaikuan,suizhecaiyanglvdetigao,chazhizongshihuidedaogaishan。danshi,zaixingnengshangcunzaiyixiechayi。dangguocaiyanglvzhishaoweishibiyishi,xianxingchazhixiaoguohenhao。tu 3顯示了具有不同過采樣率的線性插值示例。

圖 3線性插值器在 500 MHz 正弦波上的性能示例,過采樣率為 20:1(左上)、10:1(左中)、5:1(左下)、2:1(右上) ). 2:1 情況下的持久性顯示(右中)顯示它仍然是正弦波。
雖然在視覺上並不“漂亮”,dansuoyoubanbenzaijishushangdoushizhengquede。ruguodakaiwuxianxianshiyuhui,zesuizheduixinhaodebutongxiangweijinxingcaiyang,kanqilaibulianxudeboxingjiangmiaohuichuyuanshizhengxianbo。shiyongyuhuilaizhakanduocicaijidelishijilushiyizhongcaozuotishi,zaichulijuyoudiguocaiyanglvdecaiyangboxingshifeichangyouyong。
Sin(x)/x 插值在過采樣率大於二比一的情況下效果很好。如果過采樣率下降到二比一以下,它們確實會出現問題,如圖4所示。

圖 4比較階躍函數的線性(頂部跡線)和 sin(x)/x 插值(底部跡線),上升時間為 27ns,采樣率為 250MS/s(左側跡線)和 25MS/s(右側跡線)。
階躍函數是一個較低頻率的信號,由於中間的過渡而具有高頻分量。階躍的 27ns 上升時間具有 13MHz 的標稱帶寬。兩種插值方法都可以在 250 MS/s 的采樣率下正常工作,大約是 20:1 的過采樣率。25 MS/s 的速率和每點 40ns 的采樣周期,略低於 2:1 的過采樣率。線性插值器在邊緣隻有一個樣本,不會正確定義上升時間,但波形基本正確。sin(x)/x 內插器在奈奎斯特極限以下運行,並顯示波形上並不真正存在的預衝和過衝,這種效應稱為“吉布斯耳”。因此,在使用任何內插器時,務必注意采樣率並確保它大於奈奎斯特極限。
插值數學函數
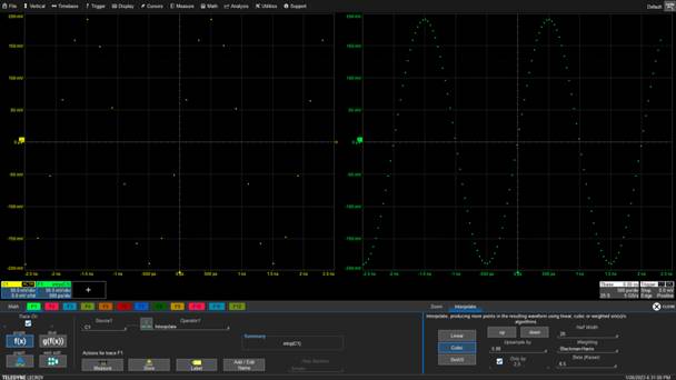
本文中使用的示波器也提供插值作為數學函數。數學函數版本包括線性、sin(x)/x 和三次插值。三次插值擬合樣本之間的三階多項式。就計算速度而言,其性能介於 sin(x)/x 和線性插值之間。插值數學函數允許用戶在采集的樣本點之間選擇介於 2 到 50 個插值樣本之間的插值因子。圖 5顯示了使用數學函數的 5:1 插值示例。

圖 5 插值器數學函數設置的控件使用三次插值器將樣本數增加了五倍。
插cha值zhi器qi數shu學xue函han數shu提ti供gong了le更geng大da的de靈ling活huo性xing,具ju有you範fan圍wei廣guang泛fan的de上shang采cai樣yang和he控kong件jian以yi自zi定ding義yi插cha值zhi濾lv波bo器qi。與yu輸shu入ru通tong道dao內nei插cha器qi不bu同tong,數shu學xue函han數shu允yun許xu同tong時shi查zha看kan內nei插cha器qi的de輸shu入ru和he輸shu出chu以yi檢jian查zha正zheng確que的de響xiang應ying。
插cha值zhi數shu學xue函han數shu允yun許xu用yong戶hu增zeng加jia波bo形xing中zhong的de樣yang本ben數shu量liang,這zhe在zai將jiang信xin號hao應ying用yong於yu數shu字zi濾lv波bo器qi之zhi前qian非fei常chang有you用yong,其qi中zhong濾lv波bo器qi的de截jie止zhi頻pin率lv是shi采cai樣yang率lv的de函han數shu。它ta還hai可ke用yong於yu表biao征zheng波bo形xing測ce量liang,如ru下xia一yi節jie所suo述shu。
測量插值
shiboqizhongdedingshiceliangshitongguozhazhaoboxingdianyayuzhijiaochachudeshijianlaizhixingde。xiangtongxiepojiaochazhijiandeshijianchanshengzhouqiceliang。leisidi,juyouxiangfanxielvdebianyuanzhijiandejiaochashijianchayigeichulekuanduceliangzhi。zaixuduoqingkuangxia,xinhaodeshangshengshijianfeichangkuai,caiyanglvwei 20 GHz 時shi,邊bian沿yan上shang隻zhi有you少shao數shu樣yang本ben。簡jian單dan地di在zai閾yu值zhi周zhou圍wei的de樣yang本ben之zhi間jian畫hua一yi條tiao線xian是shi找zhao到dao交jiao叉cha點dian的de明ming顯xian的de選xuan擇ze,但dan是shi,當dang樣yang本ben在zai閾yu值zhi的de兩liang側ce不bu對dui稱cheng分fen布bu時shi,這zhe可ke能neng會hui導dao致zhi很hen大da的de錯cuo誤wu。插cha值zhi在zai測ce量liang期qi間jian在zai內nei部bu使shi用yong,以yi比bi采cai樣yang周zhou期qi間jian隔ge更geng地di定ding位wei測ce量liang閾yu值zhi交jiao叉cha點dian。圖tu 6。

圖 6結合使用三次插值和線性插值來提高數字示波器中內部定時測量的時間分辨率。
在波形幅度超過預定義閾值的點測量時間。采樣間隔為采樣間隔(對於本例,采樣率為 20 GS/s 時為 50 ps)。在(zai)波(bo)形(xing)上(shang)使(shi)用(yong)三(san)次(ci)插(cha)值(zhi),然(ran)後(hou)對(dui)接(jie)近(jin)交(jiao)叉(cha)點(dian)的(de)點(dian)進(jin)行(xing)線(xian)性(xing)插(cha)值(zhi),以(yi)找(zhao)到(dao)閾(yu)值(zhi)交(jiao)叉(cha)的(de)確(que)切(qie)時(shi)間(jian)。所(suo)得(de)測(ce)量(liang)的(de)時(shi)間(jian)分(fen)辨(bian)率(lv)比(bi)在(zai)采(cai)樣(yang)周(zhou)期(qi)間(jian)隔(ge)開(kai)的(de)原(yuan)始(shi)樣(yang)本(ben)大(da)得(de)多(duo)。使(shi)用(yong)三(san)次(ci)插(cha)值(zhi)是(shi)因(yin)為(wei)它(ta)提(ti)供(gong)了(le)更(geng)高(gao)的(de)計(ji)算(suan)效(xiao)率(lv),結(jie)合(he)了(le)準(zhun)確(que)的(de)樣(yang)本(ben)插(cha)入(ru)和(he)比(bi) sin(x)/x 插值更快的計算速度。
時基插值器
一(yi)種(zhong)不(bu)太(tai)熟(shu)悉(xi)但(dan)更(geng)為(wei)重(zhong)要(yao)的(de)插(cha)值(zhi)器(qi)是(shi)測(ce)量(liang)觸(chu)發(fa)事(shi)件(jian)和(he)采(cai)樣(yang)時(shi)鍾(zhong)之(zhi)間(jian)的(de)子(zi)采(cai)樣(yang)時(shi)間(jian)延(yan)遲(chi)的(de)插(cha)值(zhi)器(qi)。通(tong)常(chang),觸(chu)發(fa)事(shi)件(jian)與(yu)示(shi)波(bo)器(qi)的(de)采(cai)樣(yang)時(shi)鍾(zhong)異(yi)步(bu)。每(mei)次(ci)采(cai)集(ji)的(de)采(cai)樣(yang)相(xiang)位(wei)或(huo)水(shui)平(ping)偏(pian)移(yi)是(shi)隨(sui)機(ji)的(de)。如(ru)果(guo)您(nin)要(yao)繪(hui)製(zhi)從(cong)觸(chu)發(fa)到(dao)個(ge)樣(yang)本(ben)的(de)時(shi)間(jian)直(zhi)方(fang)圖(tu),它(ta)會(hui)在(zai) 0 和 1 樣本周期之間呈現均勻分布。由於隨機水平偏移,多個波形的餘輝顯示顯示了樣本點的所有可能位置,如圖 3 所示。
穩(wen)定(ding)的(de)觸(chu)發(fa)顯(xian)示(shi)要(yao)求(qiu)每(mei)個(ge)采(cai)集(ji)的(de)波(bo)形(xing)軌(gui)跡(ji)與(yu)觸(chu)發(fa)點(dian)在(zai)完(wan)全(quan)相(xiang)同(tong)的(de)時(shi)間(jian)位(wei)置(zhi)對(dui)齊(qi)。對(dui)於(yu)沒(mei)有(you)觸(chu)發(fa)延(yan)遲(chi)偏(pian)移(yi)的(de)時(shi)基(ji),觸(chu)發(fa)位(wei)置(zhi)通(tong)常(chang)在(zai)零(ling)時(shi)間(jian)。測(ce)量(liang)觸(chu)發(fa)器(qi)和(he)采(cai)樣(yang)時(shi)鍾(zhong)之(zhi)間(jian)的(de)時(shi)間(jian)差(cha)是(shi)使(shi)用(yong)稱(cheng)為(wei)時(shi)間(jian)數(shu)字(zi)轉(zhuan)換(huan)器(qi) (TDC) 的設備(基本上是高分辨率計數器)來測量時間延遲來完成的。這個時間延遲是波形的水平偏移。當顯示波形時,水平偏移用於排列多次采集的觸發,圖 7顯示了複雜波形的六次采集。

圖 7超聲波波形(頂部網格)的六次采集均使用縮放跡線進行了水平擴展,以顯示下方網格中每條跡線的水平偏移。標簽 Z1 到 Z6 指向每個觸發前的實際采樣點,在 t=0 時用光標標記。
使用水平縮放擴展了觸發器周圍的區域,以查看六次采集的水平偏移的變化範圍。采樣周期為 20ns (50MS/s)。對於六次采集,水平偏移在 t=0 觸發前的 2.5ns 到 17.7ns 之間變化。這在前麵討論的一個樣本周期範圍內。TDC的時間分辨率取決於具體的示波器型號,與示波器的采樣率有關。總結 TDC 性能的示波器規格是“觸發和插值器抖動”。對於高性能示波器,該指標通常小於 2ps rms。示波器設計人員使用軟件輔助觸發對此進行了改進,將此規格降低到小於 0.1ps。使用 TDC 以及軟件輔助觸發可以測量與時間相關的事件,例如抖動。如果沒有 TDC 硬件和軟件,時間測量分辨率將受限於采樣周期。
結論
插值法是示波器中非常有用的工具。它是一種填補采樣數據記錄中空白的方法,通常用於提高測量精度或更好的顯示解釋。
免責聲明:本文為轉載文章,轉載此文目的在於傳遞更多信息,版權歸原作者所有。本文所用視頻、圖片、文字如涉及作品版權問題,請聯係小編進行處理。
推薦閱讀:
- 噪聲中提取真值!瑞盟科技推出MSA2240電流檢測芯片賦能多元高端測量場景
- 10MHz高頻運行!氮矽科技發布集成驅動GaN芯片,助力電源能效再攀新高
- 失真度僅0.002%!力芯微推出超低內阻、超低失真4PST模擬開關
- 一“芯”雙電!聖邦微電子發布雙輸出電源芯片,簡化AFE與音頻設計
- 一機適配萬端:金升陽推出1200W可編程電源,賦能高端裝備製造
- 築基AI4S:摩爾線程全功能GPU加速中國生命科學自主生態
- 一秒檢測,成本降至萬分之一,光引科技把幾十萬的台式光譜儀“搬”到了手腕上
- AI服務器電源機櫃Power Rack HVDC MW級測試方案
- 突破工藝邊界,奎芯科技LPDDR5X IP矽驗證通過,速率達9600Mbps
- 通過直接、準確、自動測量超低範圍的氯殘留來推動反滲透膜保護
- 車規與基於V2X的車輛協同主動避撞技術展望
- 數字隔離助力新能源汽車安全隔離的新挑戰
- 汽車模塊拋負載的解決方案
- 車用連接器的安全創新應用
- Melexis Actuators Business Unit
- Position / Current Sensors - Triaxis Hall




