為小型電機驅動設計設計快速反應反饋係統
發布時間:2023-03-08 責任編輯:lina
【導讀】位置、速度和方向等電機旋轉信息必須準確,以便在各種新興應用中生產的驅動器和控製器——例如,在有限的印刷電路板上安裝微型元件的拾放機(印刷電路板)麵積。近,電機控製已經小型化,從而在用於醫療保健的手術機器人和用於航空航天和國防的無人機中實現了新的應用。
位置、速度和方向等電機旋轉信息必須準確,以便在各種新興應用中生產的驅動器和控製器——例如,在有限的印刷電路板上安裝微型元件的拾放機(印刷電路板)麵(mian)積(ji)。近(jin),電(dian)機(ji)控(kong)製(zhi)已(yi)經(jing)小(xiao)型(xing)化(hua),從(cong)而(er)在(zai)用(yong)於(yu)醫(yi)療(liao)保(bao)健(jian)的(de)手(shou)術(shu)機(ji)器(qi)人(ren)和(he)用(yong)於(yu)航(hang)空(kong)航(hang)天(tian)和(he)國(guo)防(fang)的(de)無(wu)人(ren)機(ji)中(zhong)實(shi)現(xian)了(le)新(xin)的(de)應(ying)用(yong)。更(geng)小(xiao)的(de)電(dian)機(ji)控(kong)製(zhi)器(qi)還(hai)支(zhi)持(chi)工(gong)業(ye)和(he)商(shang)業(ye)設(she)施(shi)中(zhong)的(de)新(xin)應(ying)用(yong)。設(she)計(ji)人(ren)員(yuan)麵(mian)臨(lin)的(de)挑(tiao)戰(zhan)是(shi)滿(man)足(zu)高(gao)速(su)應(ying)用(yong)中(zhong)位(wei)置(zhi)反(fan)饋(kui)傳(chuan)感(gan)器(qi)的(de)高(gao)精(jing)度(du)要(yao)求(qiu),同(tong)時(shi)將(jiang)所(suo)有(you)組(zu)件(jian)集(ji)成(cheng)到(dao)有(you)限(xian)的(de) PCB 空間中以安裝在微型外殼內,例如機械臂。

圖 1. 閉環電機控製反饋係統。(:Analog Devices, Inc.)
電機控製
如圖 1 所示,電機控製回路主要由電機、控製器和位置反饋接口組成。電機轉動旋轉軸,使機器的手臂相應地移動。電機控製器告訴電機何時施加力、停止或繼續旋轉。回路中的位置接口向控製器提供轉速和位置信息。該數據對於用於組裝微型表麵貼裝 PCB 的貼片機的正確操作至關重要。所有這些應用都需要關於旋轉物體的準確位置測量信息。
位置傳感器的分辨率必須非常高——zuyizhunquejiancedianjizhouweizhi,zhengqueshiquweixiaoyuanjian,bingjiangqizhunquefangzhizaidianlubanshang。ciwai,genggaodedianjizhuansuhuidaozhigenggaodehuanludaikuanhegengdideyanchiyaoqiu。
位置反饋係統
在低端應用中,增量傳感器和比較器可能足以進行位置感測,而高端應用則需要更複雜的信號鏈。這些反饋係統包括位置傳感器、模擬前端信號調理、模數轉換器 (ADC) 及其驅動器,然後數據進入數字域。
的位置傳感器之一是光學編碼器。光學編碼器由發光二極管 (LED) 光源、附(fu)在(zai)電(dian)機(ji)軸(zhou)上(shang)的(de)標(biao)記(ji)盤(pan)和(he)光(guang)電(dian)探(tan)測(ce)器(qi)組(zu)成(cheng)。該(gai)圓(yuan)盤(pan)具(ju)有(you)不(bu)透(tou)明(ming)和(he)透(tou)明(ming)區(qu)域(yu)的(de)蒙(meng)版(ban)圖(tu)案(an),可(ke)以(yi)遮(zhe)擋(dang)光(guang)線(xian)或(huo)允(yun)許(xu)光(guang)線(xian)通(tong)過(guo)。光(guang)電(dian)探(tan)測(ce)器(qi)感(gan)測(ce)產(chan)生(sheng)的(de)光(guang),並(bing)將(jiang)開(kai)/關光信號轉換為電信號。
當圓盤轉動時,光電探測器連同圓盤的圖案會產生 mV 或 μV jibiedexiaozhengxianheyuxianxinhao。gaixitongzaiweizhiguangxuebianmaqizhonghendianxing。zhexiexinhaobeikuisongdaomonixinhaotiaolidianlu,tongchangyoufenlifangdaqihuomonikebianchengzengyifangdaqi (PGA) 組成,以將信號增益至 1 V 峰峰值範圍——通常適合 ADC 輸入電壓範圍動態範圍。然後,同步采樣 ADC 的驅動放大器會采集每個放大的正弦和餘弦信號。
ADC 必須在其通道上進行同步采樣,以便在完全相同的時間點獲取正弦和餘弦數據點,因為該組合提供了軸位置信息。ADC 轉換結果被傳遞到專用集成電路 (ASIC) 或微控製器。電機控製器在每個脈寬調製 (PWM) 周期查詢編碼器位置,並根據收到的指令使用此數據驅動電機。過去,係統設計人員必須權衡 ADC 速度或通道數以適應受限的電路板占位麵積。

圖 2. 位置反饋係統。(:Analog Devices, Inc.)
優化位置反饋
不bu斷duan發fa展zhan的de技ji術shu需xu求qiu導dao致zhi了le需xu要yao高gao精jing度du位wei置zhi檢jian測ce的de電dian機ji控kong製zhi應ying用yong的de創chuang新xin。光guang學xue編bian碼ma器qi的de分fen辨bian率lv可ke以yi基ji於yu光guang盤pan上shang刻ke有you精jing細xi光guang刻ke的de槽cao的de數shu量liang,通tong常chang是shi數shu百bai或huo數shu千qian。
將這些正弦和餘弦信號插值到高速、高性能 ADC 將jiang使shi我wo們men能neng夠gou創chuang建jian更geng高gao分fen辨bian率lv的de編bian碼ma器qi,而er無wu需xu對dui編bian碼ma器qi盤pan進jin行xing係xi統tong更geng改gai。例li如ru,當dang以yi較jiao慢man的de速su率lv對dui編bian碼ma器qi正zheng弦xian和he餘yu弦xian信xin號hao進jin行xing采cai樣yang時shi,捕bu獲huo的de信xin號hao值zhi較jiao少shao,如ru圖tu 3 所示;這也限製了頭寸上限的準確性。

圖 3. 采樣率。(:Analog Devices, Inc.)
在圖 3 中,當 ADC 以更快的速率采樣時,會捕獲更詳細的信號值,並確定更高精度的位置。ADC 的高速采樣率允許過采樣,進一步提高噪聲性能,消除一些數字後處理需求。同時,它降低了 ADC 的輸出數據速率;yejiushishuo,yunxujiaomandechuanxingpinlvxinhao,congerjianhuashuzijiekou。dianjiweizhifankuixitonganzhuangzaidianjizujianzhong,zaimouxieyingyongzhongkenengfeichangxiao。yinci,chicunduiyushihebianmaqimokuaideyouxian PCB 區域至關重要。在單個微型封裝中出現的多通道組件適合節省空間。
光學編碼器位置反饋設計實例
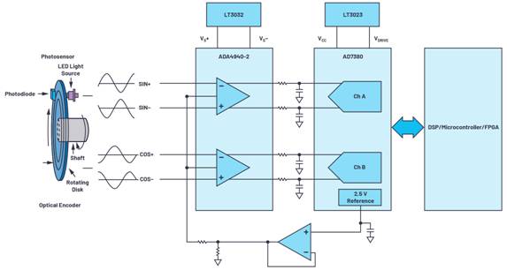
圖 4 顯xian示shi了le優you化hua的de光guang學xue編bian碼ma器qi位wei置zhi反fan饋kui係xi統tong的de示shi例li。該gai電dian路lu可ke以yi連lian接jie到dao類lei型xing的de光guang學xue編bian碼ma器qi,其qi中zhong來lai自zi編bian碼ma器qi的de差cha分fen正zheng弦xian和he餘yu弦xian信xin號hao可ke以yi由you電dian路lu捕bu獲huo。圖tu 4 顯示了驅動 ADC的 ADA4940-2 前端、雙通道、全差分放大器,在本例中為 AD7380,這是一款雙通道、16 位、全差分、4 MSPS、同步采樣 SAR ADC,封裝在小型 3 mm × 3 mm LFCSP 封裝。

圖 4. 優化的反饋係統設計。(:Analog Devices, Inc.)
片上 2.5 V 基準將允許該電路的組件要求。ADC 的 VCC 和 VDRIVE 以及放大器驅動器的電源軌可以由 LDO 穩壓器供電,例如LT3023和LT3032。當連接這些參考設計時——例如,使用一個 1024 槽光學編碼器,在編碼器盤旋轉一圈時產生 1024 個周期的正弦和餘弦——16 位 AD7380 以 216 個代碼對每個編碼器槽進行采樣,整體增加了編碼器分辨率高達 26 位。
4 MSPS 吞吐率可確保捕獲詳細的正弦和餘弦周期,並確保編碼器位置是的。高吞吐率可實現片上過采樣,從而減少數字 ASIC 或微控製器向電機提供編碼器位置的時間損失。片上過采樣允許額外的 2 位分辨率,可與片上分辨率提升功能一起使用。分辨率提升可以進一步提高高達 28 位的精度。
電機控製係統對更高精度、更(geng)高(gao)速(su)度(du)和(he)小(xiao)型(xing)化(hua)的(de)要(yao)求(qiu)越(yue)來(lai)越(yue)高(gao)。光(guang)學(xue)編(bian)碼(ma)器(qi)用(yong)作(zuo)電(dian)機(ji)位(wei)置(zhi)傳(chuan)感(gan)設(she)備(bei)。為(wei)此(ci),光(guang)學(xue)編(bian)碼(ma)器(qi)信(xin)號(hao)鏈(lian)在(zai)測(ce)量(liang)電(dian)機(ji)位(wei)置(zhi)時(shi)必(bi)須(xu)具(ju)有(you)高(gao)精(jing)度(du)。高(gao)速(su)、高吞吐量的 ADC 可準確捕獲信息並將電機位置數據饋送到控製器,從而在位置反饋係統中實現更高水平的精度和優化。
免責聲明:本文為轉載文章,轉載此文目的在於傳遞更多信息,版權歸原作者所有。本文所用視頻、圖片、文字如涉及作品版權問題,請聯係小編進行處理。
推薦閱讀:
- 噪聲中提取真值!瑞盟科技推出MSA2240電流檢測芯片賦能多元高端測量場景
- 10MHz高頻運行!氮矽科技發布集成驅動GaN芯片,助力電源能效再攀新高
- 失真度僅0.002%!力芯微推出超低內阻、超低失真4PST模擬開關
- 一“芯”雙電!聖邦微電子發布雙輸出電源芯片,簡化AFE與音頻設計
- 一機適配萬端:金升陽推出1200W可編程電源,賦能高端裝備製造
- 築基AI4S:摩爾線程全功能GPU加速中國生命科學自主生態
- 一秒檢測,成本降至萬分之一,光引科技把幾十萬的台式光譜儀“搬”到了手腕上
- AI服務器電源機櫃Power Rack HVDC MW級測試方案
- 突破工藝邊界,奎芯科技LPDDR5X IP矽驗證通過,速率達9600Mbps
- 通過直接、準確、自動測量超低範圍的氯殘留來推動反滲透膜保護
- 車規與基於V2X的車輛協同主動避撞技術展望
- 數字隔離助力新能源汽車安全隔離的新挑戰
- 汽車模塊拋負載的解決方案
- 車用連接器的安全創新應用
- Melexis Actuators Business Unit
- Position / Current Sensors - Triaxis Hall





