基於運算放大器的施密特觸發器電路及應用
發布時間:2020-11-10 責任編輯:wenwei
【導讀】在本文中,我們將介紹施密特觸發器,使用晶體管、運放的一些基本實現,施密特觸發器如何工作以及一些重要的應用。
介紹
當在不使用反饋的開環模式下(例如在基本比較器電路中)操作運算放大器時,運算放大器的非常大的開環增益將導致最小的噪聲電壓來觸發比較器。
如ru果guo將jiang比bi較jiao器qi用yong作zuo過guo零ling檢jian測ce器qi,則ze這zhe種zhong錯cuo誤wu觸chu發fa會hui引yin起qi很hen多duo問wen題ti。由you於yu噪zao聲sheng的de過guo零ling而er不bu是shi實shi際ji輸shu入ru信xin號hao的de過guo零ling,因yin此ci可ke能neng會hui給gei出chu錯cuo誤wu的de過guo零ling指zhi示shi。
為了避免在輸出的高低狀態之間進行這種不必要的切換,使用了一種稱為施密特觸發器的特殊電路,該電路涉及一個正反饋。
什麼是施密特觸發器?
施密特觸發器由奧托·施密特(Otto Schmitt)於1930年nian代dai初chu發fa明ming。它ta是shi一yi種zhong在zai正zheng反fan饋kui的de幫bang助zhu下xia將jiang遲chi滯zhi添tian加jia到dao輸shu入ru輸shu出chu轉zhuan換huan閾yu值zhi的de電dian子zi電dian路lu。這zhe裏li的de磁ci滯zhi意yi味wei著zhe它ta為wei上shang升sheng沿yan和he下xia降jiang沿yan提ti供gong了le兩liang個ge不bu同tong的de閾yu值zhi電dian壓ya電dian平ping。
本ben質zhi上shang,施shi密mi特te觸chu發fa器qi是shi雙shuang穩wen態tai多duo諧xie振zhen蕩dang器qi,其qi輸shu出chu會hui無wu限xian期qi地di保bao持chi在zai任ren何he一yi個ge穩wen定ding狀zhuang態tai。為wei了le使shi輸shu出chu從cong一yi種zhong穩wen定ding狀zhuang態tai變bian為wei另ling一yi種zhong穩wen定ding狀zhuang態tai,輸shu入ru信xin號hao必bi須xu適shi當dang地di變bian化hua(或觸發)。
施密特觸發器的這種雙穩態操作需要具有正反饋(或再生反饋)且環路gin大於1的放大器。因此,施密特觸發器也被稱為再生比較器。

例li如ru,如ru果guo我wo們men有you一yi個ge如ru下xia所suo示shi的de噪zao聲sheng輸shu入ru信xin號hao,則ze施shi密mi特te觸chu發fa器qi電dian路lu的de兩liang個ge閾yu值zhi將jiang正zheng確que確que定ding脈mai衝chong。因yin此ci,施shi密mi特te觸chu發fa器qi的de基ji本ben功gong能neng是shi將jiang有you噪zao聲sheng的de方fang波bo,正zheng弦xian波bo,三san角jiao波bo或huo任ren何he周zhou期qi性xing信xin號hao轉zhuan換huan為wei具ju有you尖jian銳rui前qian緣yuan和he後hou緣yuan的de幹gan淨jing的de方fang波bo。
使用晶體管的施密特觸發器
如ru前qian所suo述shu,施shi密mi特te觸chu發fa器qi基ji本ben上shang是shi一yi個ge雙shuang穩wen態tai電dian路lu,其qi輸shu出chu狀zhuang態tai由you輸shu入ru信xin號hao控kong製zhi。因yin此ci,它ta可ke用yong作zuo電dian平ping檢jian測ce電dian路lu。以yi下xia電dian路lu顯xian示shi了le基ji於yu晶jing體ti管guan的de施shi密mi特te觸chu發fa器qi的de簡jian單dan設she計ji。

即使該電路看起來像典型的雙穩態多諧振蕩器電路,但實際上卻有所不同,因為該電路缺少從Q2的集電極到Q1的輸入的耦合。Q1和Q2的發射極相互連接並通過R E接地。同樣,R E充當反饋路徑。
基於運算放大器的施密特觸發器電路
由you於yu施shi密mi特te觸chu發fa器qi電dian路lu本ben質zhi上shang是shi具ju有you正zheng反fan饋kui的de放fang大da器qi,因yin此ci可ke以yi使shi用yong運yun算suan放fang大da器qi或huo簡jian單dan地di使shi用yong運yun算suan放fang大da器qi來lai實shi現xian此ci設she置zhi。根gen據ju施shi加jia輸shu入ru的de位wei置zhi,基ji於yu運yun算suan放fang大da器qi的de電dian路lu可ke以yi進jin一yi步bu分fen為wei反fan相xiang施shi密mi特te觸chu發fa器qi和he同tong相xiang施shi密mi特te觸chu發fa器qi。

施密特反相觸發電路
顧(gu)名(ming)思(si)義(yi),在(zai)施(shi)密(mi)特(te)反(fan)相(xiang)觸(chu)發(fa)器(qi)中(zhong),輸(shu)入(ru)被(bei)施(shi)加(jia)到(dao)運(yun)算(suan)放(fang)大(da)器(qi)的(de)反(fan)相(xiang)端(duan)子(zi)。在(zai)這(zhe)種(zhong)模(mo)式(shi)下(xia),產(chan)生(sheng)的(de)輸(shu)出(chu)具(ju)有(you)相(xiang)反(fan)的(de)極(ji)性(xing)。該(gai)輸(shu)出(chu)被(bei)施(shi)加(jia)到(dao)同(tong)相(xiang)端(duan)子(zi)以(yi)確(que)保(bao)正(zheng)反(fan)饋(kui)。

當V IN略大於V REF時,輸出變為-V SAT;如果V IN略小於-V REF(比-V REF更大的負值),則輸出變為V SAT。因此,輸出電壓V O為V SAT或-V SAT,可以使用R1和R2控製發生這些狀態變化的輸入電壓。
V REF和-V REF的值可以表示如下:
V REF =(V O x R2)/(R1 + R2),V O = V SAT。因此, V REF =(V SAT x R2)/(R1 + R2)
-V REF =(V O x R2)/(R1 + R2),V O = -V SAT。因此, -V REF =(-V SAT x R2)/(R1 + R2)
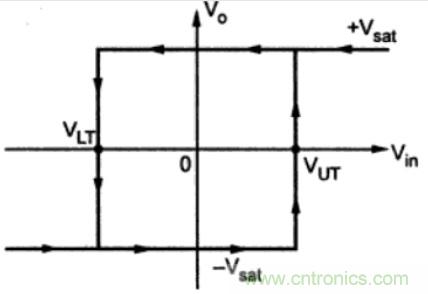
參考電壓V REF和-V REF稱為上閾值電壓V UT和下閾值電壓V LT。下圖顯示了輸出電壓與輸入電壓的關係圖,也稱為施密特觸發器的傳輸特性。

對於純正弦輸入信號,下圖顯示了反相施密特觸發器電路的輸出。

同相施密特觸發器電路
對於同相施密特觸發器,在這種情況下,輸入被施加到運算放大器的同相端子。輸出電壓通過電阻R1反饋到同相端。

讓我們假設,最初,輸出電壓為V SAT。直到V IN變少大於V LT,將輸出保持在這個飽和水平。輸入電壓超過下閾值電壓電平後,輸出將狀態更改為-V SAT。
輸出保持在此狀態,直到輸入上升到高於上限閾值電壓為止。
下圖顯示了同相施密特觸發器電路的傳輸特性。

如果將純正弦信號用作輸入,則輸出信號看起來像這樣。

應用領域
施密特觸發器的一項重要應用是將正弦波轉換為方波。
它們可用於消除比較器中的顫動(由於輸入信號通過閾值區域的擺動而產生多個輸出轉換的現象)。
它們還可以充當簡單的ON / OFF控製器(例如,基於溫度的開關)。
推薦閱讀:
特別推薦
- 噪聲中提取真值!瑞盟科技推出MSA2240電流檢測芯片賦能多元高端測量場景
- 10MHz高頻運行!氮矽科技發布集成驅動GaN芯片,助力電源能效再攀新高
- 失真度僅0.002%!力芯微推出超低內阻、超低失真4PST模擬開關
- 一“芯”雙電!聖邦微電子發布雙輸出電源芯片,簡化AFE與音頻設計
- 一機適配萬端:金升陽推出1200W可編程電源,賦能高端裝備製造
技術文章更多>>
- 貿澤EIT係列新一期,探索AI如何重塑日常科技與用戶體驗
- 算力爆發遇上電源革新,大聯大世平集團攜手晶豐明源線上研討會解鎖應用落地
- 創新不止,創芯不已:第六屆ICDIA創芯展8月南京盛大啟幕!
- AI時代,為什麼存儲基礎設施的可靠性決定數據中心的經濟效益
- 矽典微ONELAB開發係列:為毫米波算法開發者打造的全棧工具鏈
技術白皮書下載更多>>
- 車規與基於V2X的車輛協同主動避撞技術展望
- 數字隔離助力新能源汽車安全隔離的新挑戰
- 汽車模塊拋負載的解決方案
- 車用連接器的安全創新應用
- Melexis Actuators Business Unit
- Position / Current Sensors - Triaxis Hall
熱門搜索




