詳解微功率脈衝雷達的運動傳感器的電路設計
發布時間:2020-04-30 責任編輯:lina
【導讀】超寬帶UWB(Ultra-Wide Band)定義為:相對其中心頻率有高比例的帶寬。即任何波形,隻要帶寬大於中心頻率的25%,就可認為是超寬帶。超寬帶使用脈寬很窄的基帶脈衝,典型為納秒量級。
超寬帶UWB(Ultra-Wide Band)定義為:相對其中心頻率有高比例的帶寬。即任何波形,隻要帶寬大於中心頻率的25%,jiukerenweishichaokuandai。chaokuandaishiyongmaikuanhenzhaidejidaimaichong,dianxingweinamiaoliangji。congpinyushangkan,qinengliangxibodikuosanzaizhenggeshiyongdedaikuanli。chaokuandaijishuzaixuduojunshilingyuyouzheguangfandeyingyong,ruchaokuandaiyinbitongxin、超寬帶傳感器、穿牆監控、非金屬地雷探測、穿透植物尋的製導等領域。
基於微功率脈衝雷達(Micro power Impulse Radar)deyundongchuanganqikezuoweifangdaobaojingqi,yinbidianzhuangzaifangwudetianhuabanshang,takeyichuanguotianhuabantancezhidingquyuneirentideyidong。weigonglvmaichongleidadeweigonglv、低成本等特性要求其具體電路設計必須要有其自身的特點。
1、 MIR運動傳感器實現原理
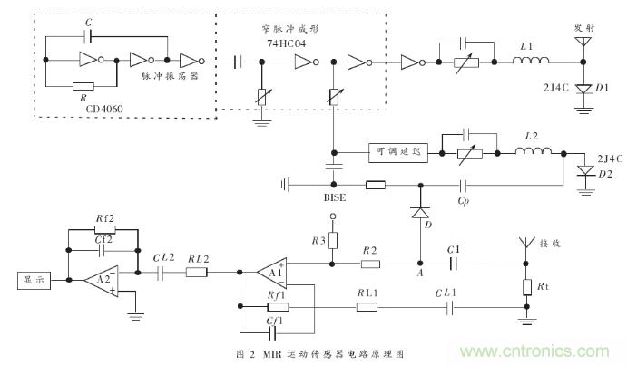
MIR運動傳感器由發射單元、接收顯示單元和天線三部分組成,如圖1所示。發射部分是從脈衝振蕩產生(1.8MHz,占空比50%),窄脈衝成形(脈寬幾十納秒),最後經階躍二極管成形脈寬為400ps左右的快脈衝,由偶極子超寬帶天線發射出去;接收部分采用相關取樣的辦法,提取從目標反射回來的超寬帶信號,由取樣延遲、取樣門信號產生、積分取樣、寬帶信號放大、帶通濾波和顯示部分組成。

quyangyanchishijiangfashebufendezhaimaichongxinhaoyanchi,jingkuaimaichongchengxinghouzuoweixiangguanjieshoujidecankaoxinhao。quyangmenkuandemaichongkuandujuedingchuanganqidekongjianfenbianlv,genjujutixuyaokequ100ps~400ps。積分取樣是將天線接收的微弱的、被目標反射的超寬帶信號進行積分,從而提高信噪比。對於重複頻率為1MHz的發射脈衝,如果積分時間常數取1毫秒,將有10000個脈衝在積分器被平均。被平均的接收信號經過放大1000倍後,通過一個帶通濾波器就可以將信號檢測出來。對於人體運動的檢測,其上、下截止頻率可分別取0.1Hz和10Hz。
電路見圖2。圖2中較有特色的是發射端的“電感激勵快脈衝成形”和“相關檢測電路”。在該電路的印製板設計中,必需考慮分布參數,並采用微帶工藝。

1.1 電感激勵快脈衝成形
jieyuehuifuerjiguanshiyizhongteshudebianrongguan,youchengzuojieyueerjiguan。tazaitubiandianyajilixia,nengchanshengchixushijianjiduandekuaimaichong,yibanyongyushibeiyishangdebeipin。
D1、D2為階躍二極管,L1、L2為微帶電感(nH級)。該gai電dian路lu可ke以yi激ji勵li輸shu入ru為wei窄zhai脈mai衝chong的de方fang波bo,成cheng形xing為wei皮pi秒miao級ji的de快kuai脈mai衝chong。其qi中zhong一yi路lu用yong於yu發fa射she脈mai衝chong,另ling一yi路lu延yan遲chi快kuai成cheng形xing後hou用yong於yu取qu樣yang門men信xin號hao。在zai該gai電dian路lu的de具ju體ti參can數shu選xuan擇ze中zhong,脈mai衝chong寬kuan度du和he脈mai衝chong幅fu度du是shi一yi對dui矛mao盾dun,即ji為wei追zhui求qiu較jiao窄zhai的de脈mai衝chong寬kuan度du,必bi須xu以yi犧xi牲sheng輸shu出chu脈mai衝chong幅fu度du為wei代dai價jia,降jiang低di輸shu出chu的de平ping均jun功gong率lv。
經過多次電路試驗,得到了上升沿小於350ps左右的脈衝源(見圖3),脈衝底寬小於800ps。在實際運動傳感器參數選擇中,主要考慮信號頻譜匹配於天線的帶寬(500MHz~1.4GHz),同時要考慮有盡可能大的輸出幅度。

1.2 微功率脈衝雷達信號的相關檢測電路
是shi否fou能neng在zai微wei瓦wa級ji發fa射she功gong率lv的de條tiao件jian下xia檢jian測ce到dao被bei測ce物wu體ti微wei弱ruo的de反fan射she信xin號hao是shi接jie收shou係xi統tong的de關guan鍵jian。相xiang關guan檢jian測ce的de優you點dian是shi它ta以yi相xiang對dui於yu參can考kao信xin號hao的de形xing式shi積ji累lei被bei接jie受shou信xin號hao,可ke以yi產chan生sheng大da於yu噪zao聲sheng電dian平ping輸shu出chu信xin號hao。
圖2中,當無天線信號時,A點電平為偏置基準電平,為50mV~150mV。當接收天線接收到物體反射信號時,信號在C1偏置電平的基準上充電。此時取樣門的負信號經Cp使D導通,物體的反射信號按信號的重複周期和取樣脈衝信號脈寬多次充放電,在A點平均並能很好地抑製外來噪聲,此電壓經A1運放輸出,其波形時間關係如圖4所示。

2 、微功率脈衝雷達運動傳感器探測實驗
對所完成的運動傳感器係統主要做了兩種試驗:(1)不同材質目標探測和分辯率試驗;(2)穿透性試驗。實驗(1)選用多種材質(金屬、木材、人體等)。實驗表明:其探測靈敏度和材料的介電常數ε成正比,和目標的體積成正比。
穿透性試驗以檢驗傳感器係統的穿透性為目的,這也是超寬帶探測最為顯著的特點。用TEK602存儲示波器接MIR接收機的輸出,在實驗室穿透30cm磚牆能清楚地探測到走廊上人體運動穿過探測區域時,由該傳感器獲取的波形。
圖5是人在走廊上走過,MIR在實驗室裏天線貼牆、方向向著走廊。從圖5中可以看出人進出探測區域一進一出的兩個波峰。

免責聲明:本文為轉載文章,轉載此文目的在於傳遞更多信息,版權歸原作者所有。本文所用視頻、圖片、文字如涉及作品版權問題,請聯係小編進行處理。
特別推薦
- 噪聲中提取真值!瑞盟科技推出MSA2240電流檢測芯片賦能多元高端測量場景
- 10MHz高頻運行!氮矽科技發布集成驅動GaN芯片,助力電源能效再攀新高
- 失真度僅0.002%!力芯微推出超低內阻、超低失真4PST模擬開關
- 一“芯”雙電!聖邦微電子發布雙輸出電源芯片,簡化AFE與音頻設計
- 一機適配萬端:金升陽推出1200W可編程電源,賦能高端裝備製造
技術文章更多>>
- 算力爆發遇上電源革新,大聯大世平集團攜手晶豐明源線上研討會解鎖應用落地
- 築基AI4S:摩爾線程全功能GPU加速中國生命科學自主生態
- 一秒檢測,成本降至萬分之一,光引科技把幾十萬的台式光譜儀“搬”到了手腕上
- AI服務器電源機櫃Power Rack HVDC MW級測試方案
- 突破工藝邊界,奎芯科技LPDDR5X IP矽驗證通過,速率達9600Mbps
技術白皮書下載更多>>
- 車規與基於V2X的車輛協同主動避撞技術展望
- 數字隔離助力新能源汽車安全隔離的新挑戰
- 汽車模塊拋負載的解決方案
- 車用連接器的安全創新應用
- Melexis Actuators Business Unit
- Position / Current Sensors - Triaxis Hall
熱門搜索
微波功率管
微波開關
微波連接器
微波器件
微波三極管
微波振蕩器
微電機
微調電容
微動開關
微蜂窩
位置傳感器
溫度保險絲
溫度傳感器
溫控開關
溫控可控矽
聞泰
穩壓電源
穩壓二極管
穩壓管
無焊端子
無線充電
無線監控
無源濾波器
五金工具
物聯網
顯示模塊
顯微鏡結構
線圈
線繞電位器
線繞電阻



