升壓電源和高壓DAC為天線和濾波器提供調諧信號
發布時間:2020-02-10 來源:Ken Kavanagh 責任編輯:wenwei
【導讀】天線陣列和濾波器常常通過改變鈦酸鋇鍶(BST)電(dian)容(rong)上(shang)的(de)電(dian)壓(ya)來(lai)進(jin)行(xing)調(tiao)諧(xie)。將(jiang)這(zhe)種(zhong)鐵(tie)電(dian)材(cai)料(liao)應(ying)用(yong)於(yu)電(dian)容(rong)時(shi),隻(zhi)需(xu)施(shi)加(jia)一(yi)個(ge)電(dian)壓(ya),即(ji)可(ke)導(dao)致(zhi)其(qi)晶(jing)體(ti)結(jie)構(gou)發(fa)生(sheng)細(xi)小(xiao)的(de)變(bian)化(hua),從(cong)而(er)改(gai)變(bian)其(qi)介(jie)電(dian)常(chang)數(shu),電(dian)容(rong)值(zhi)因(yin)而(er)隨(sui)之(zhi)改(gai)變(bian)。相(xiang)比(bi)於(yu)傳(chuan)統(tong)的(de)變(bian)容(rong)二(er)極(ji)管(guan),電(dian)子(zi)可(ke)調(tiao)諧(xie)BST電容能夠處理更高的功率和更大的信號幅度。
在典型應用中,調諧電容可補償器件容差,調整濾波器的截止頻率,或者匹配可調諧天線的網絡阻抗。BST電容的調諧是通過施加0 V至30 V的電壓來實現。現代電子器件所用的電源電壓呈現越來越低的趨勢,3.3 V、2.5 V甚至1.8 V電dian源yuan已yi成cheng為wei常chang用yong電dian源yuan,尤you其qi是shi在zai電dian池chi供gong電dian的de應ying用yong中zhong。如ru果guo僅jin僅jin針zhen對dui這zhe一yi功gong能neng而er增zeng加jia一yi個ge單dan獨du的de電dian源yuan,盡jin管guan可ke以yi獲huo得de調tiao諧xie的de好hao處chu,但dan並bing不bu總zong是shi值zhi得de這zhe樣yang做zuo。因yin此ci,需xu要yao一yi種zhong簡jian便bian的de方fang法fa來lai產chan生sheng所suo需xu電dian源yuan。
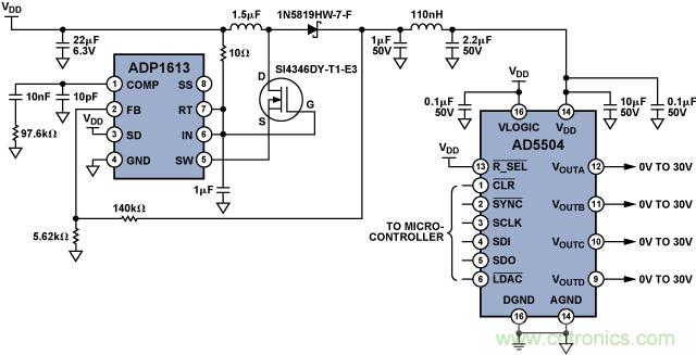
以此應用為例,假設電源電壓為3 V,但為了完全控製BST電容,需要20 V以上的電壓。兩個主要電路模塊分別是升壓開關轉換器ADP1613和高壓DAC AD5504。圖1所示電路可產生高達30 V的DAC輸出電壓。DAC輸出設置BST電容的偏置電壓,從而調整天線響應。

圖1. 升壓電源和高壓DAC為BST電容提供調諧信號
AD1613是一款升壓DC-DC開關轉換器(圖4),集成了功率開關,能夠提供高達20 V的輸出電壓。通過使用外部器件,它可以輸出更高的電壓。如圖所示,ADP1613從3 V輸入產生32 V輸出。 ADIsimPower™工具可以幫助設計人員根據輸入要求輕鬆確定適當的器件。
ADP1613的32 V輸出為四通道12位高壓DAC AD5504(圖5)供電,而該DAC的四路輸出各自可以提供最高60 V的電壓。R_SEL 引腳上的電壓決定其滿量程輸出。在此應用中,R_SEL連接到VDD,從而將滿量程輸出設置為30 V。DAC寄存器通過3 V兼容串行接口進行更新。利用脈衝將負載引腳(LDAC)拉低,可以同時更新所有四個DAC,因此可以同時改變四個BST電容。
圖2所示為一個用作可調諧匹配網絡的BST電容的等效電路。圖3顯示了BST電容與電壓的傳遞函數以及天線響應。BST電容可以從Agile RF等供應商處購得。

圖2. BST電容等效電路

圖3. 偏置電壓與BST電容的關係以及相應的天線響應

圖4. ADP1613功能框圖

圖5. AD5504功能框圖
諸如圖1suoshidedianluduimuqianzhengshoudaoliangzhongduiliyaoqiujiajidexinyidaiyidongdianhuayouli。yifangmianyirujiwangdixuyaojianxiaochicunhegonghao,erlingyifangmianyouxuyaotigaoxingneng,yibiantongguozaigengxiaodetijizhonganzhuanggengduotianxianhewuxiandianxitonglailiyonggengduodepinduan。jiutijihexiaolveryan,tianxianshejirenyuanjianyidadaowulishejidejixian,yidansuoxiaotianxiantiji,xiaolvjihuixiajiang。ketiaoxietianxianjiejueleduopinduan、多模式手機中的這一問題,並且能夠擴展手機的工作頻率範圍,例如從美國GSM850切換到歐洲GSM900,同時尺寸和效率保持不變。在多用途設備中,發送短信、通(tong)話(hua)或(huo)瀏(liu)覽(lan)網(wang)絡(luo)會(hui)涉(she)及(ji)到(dao)不(bu)同(tong)的(de)頭(tou)部(bu)和(he)手(shou)部(bu)位(wei)置(zhi),這(zhe)會(hui)給(gei)天(tian)線(xian)提(ti)供(gong)不(bu)同(tong)的(de)負(fu)載(zai)阻(zu)抗(kang),導(dao)致(zhi)天(tian)線(xian)失(shi)諧(xie)和(he)信(xin)號(hao)質(zhi)量(liang)下(xia)降(jiang)。可(ke)調(tiao)諧(xie)阻(zu)抗(kang)匹(pi)配(pei)網(wang)絡(luo)則(ze)能(neng)根(gen)據(ju)條(tiao)件(jian)變(bian)化(hua)隨(sui)機(ji)應(ying)變(bian),恢(hui)複(fu)失(shi)諧(xie)的(de)信(xin)號(hao)。
升壓DC/DC開關轉換器工作頻率為650 kHz/1300 kHz
ADP1613 升壓轉換器采用2.5 V至5.5 V單電源供電,卻能夠提供150 mA以上的電流和高達20 V的電壓。通過將一個2 A、0.13 Ω功率開關與一個電流模式脈寬調製調節器集成在一起,其輸出隨輸入電壓、負載電流和溫度變化而改變的幅度不到1%。工作頻率可通過引腳選擇,並可通過優化實現高效率或最小外部元件尺寸:650 kHz時,其效率可達到90%;1.3 MHzshi,qidianlunenggouyizuixiaokongjianshixian,yinerfeichangshihebianxieshishebeiheyejingxianshiqizhongdekongjianshouxianhuanjing。ketiaoruanqidongdianlukejianglangyongdianliujiangzhizuixiao,congerquebaoanquan、可預測的啟動條件。ADP1613在開關狀態下的功耗為2.2 mA,在非開關狀態下的功耗為700 μA,而在關斷模式下的功耗為10 nA。它采用8引腳MSOP封裝,額定溫度範圍為–40°C至+85°C,千片訂量報價為0.70美元/片。
四通道12位DAC提供高壓輸出
四通道12位高壓DAC AD5504 提供引腳可選的0 V至30 V或0 V至60 V輸出範圍。該器件功能完整,內置精密基準電壓源、溫度傳感器、四個雙緩衝DAC和四個高壓放大器。上電時,數字部分使能並設置為已知狀態,模擬部分則保持禁用狀態,n power-up, the dig直到通過SPI端口發出上電命令。如果芯片溫度超過110°C,溫度傳感器將斷開模擬輸出,並設置一個報警標誌。在30 V模式下,AD5504的最大微分非線性(DNL)額定值為1 LSB,而最大積分非線性(INL)額定值為3 LSB。它采用10 V至62 V和2.3 V至5.5 V電源供電,正常模式下的功耗為2 mA,而掉電模式下的功耗為30 μA。它采用16引腳TSSOP封裝,額定溫度範圍為–40°C至+105°C,千片訂量報價為9.92美元/片。
推薦閱讀:
特別推薦
- 噪聲中提取真值!瑞盟科技推出MSA2240電流檢測芯片賦能多元高端測量場景
- 10MHz高頻運行!氮矽科技發布集成驅動GaN芯片,助力電源能效再攀新高
- 失真度僅0.002%!力芯微推出超低內阻、超低失真4PST模擬開關
- 一“芯”雙電!聖邦微電子發布雙輸出電源芯片,簡化AFE與音頻設計
- 一機適配萬端:金升陽推出1200W可編程電源,賦能高端裝備製造
技術文章更多>>
- 一秒檢測,成本降至萬分之一,光引科技把幾十萬的台式光譜儀“搬”到了手腕上
- AI服務器電源機櫃Power Rack HVDC MW級測試方案
- 突破工藝邊界,奎芯科技LPDDR5X IP矽驗證通過,速率達9600Mbps
- 通過直接、準確、自動測量超低範圍的氯殘留來推動反滲透膜保護
- 從技術研發到規模量產:恩智浦第三代成像雷達平台,賦能下一代自動駕駛!
技術白皮書下載更多>>
- 車規與基於V2X的車輛協同主動避撞技術展望
- 數字隔離助力新能源汽車安全隔離的新挑戰
- 汽車模塊拋負載的解決方案
- 車用連接器的安全創新應用
- Melexis Actuators Business Unit
- Position / Current Sensors - Triaxis Hall
熱門搜索





