汽車無線傳感器的研究與設計
發布時間:2011-07-25
中心議題:
- 汽車無線傳感器結構
- 汽車無線傳感器網絡
- 汽車無線傳感器網絡的生命周期
解決方案:
- 汽車無線傳感器結構硬件設計
- 汽車無線傳感器網絡傳輸協議
- 汽車無線傳感器網絡生命周期計算
在汽車駕駛和車輛診斷方麵一般都會用到射頻技術(RF)。按an照zhao國guo際ji標biao準zhun的de要yao求qiu,所suo有you車che輛liang的de技ji術shu應ying用yong必bi須xu經jing過guo詳xiang盡jin的de測ce試shi,而er這zhe些xie測ce試shi都dou要yao基ji於yu合he理li的de涉she及ji感gan測ce數shu據ju采cai集ji的de實shi證zheng實shi驗yan。因yin此ci在zai汽qi車che行xing業ye,無wu線xian傳chuan感gan器qi網wang絡luo的de發fa展zhan是shi伴ban隨sui著zhe典dian型xing傳chuan感gan器qi和he射she頻pin設she備bei的de發fa展zhan而er發fa展zhan起qi來lai的de。對dui於yu汽qi車che測ce試shi環huan境jing,無wu線xian傳chuan感gan器qi有you三san個ge方fang麵mian的de優you勢shi:第一是體積小,無線傳感器不需要電纜端口;第(di)二(er)是(shi)節(jie)約(yue)時(shi)間(jian),無(wu)線(xian)傳(chuan)感(gan)器(qi)節(jie)約(yue)了(le)將(jiang)所(suo)有(you)傳(chuan)感(gan)器(qi)連(lian)接(jie)到(dao)電(dian)源(yuan)和(he)數(shu)據(ju)線(xian)的(de)時(shi)間(jian),因(yin)此(ci)無(wu)線(xian)傳(chuan)感(gan)器(qi)可(ke)以(yi)更(geng)快(kuai)速(su)地(di)展(zhan)開(kai)和(he)輕(qing)鬆(song)地(di)移(yi)動(dong),這(zhe)樣(yang)一(yi)來(lai)既(ji)提(ti)高(gao)了(le)感(gan)測(ce)數(shu)據(ju)的(de)空(kong)間(jian)分(fen)辨(bian)率(lv)又(you)改(gai)善(shan)了(le)傳(chuan)感(gan)器(qi)網(wang)絡(luo)的(de)故(gu)障(zhang)容(rong)差(cha);第三是在駕駛測試期問,連同傳感器一起可以安全地塞進駕駛艙的數據線的數量得到了限製。
本文具體結構如下:第一部分,給出了無線傳感器的硬件設計方案;第二部分給出了無線傳感器網絡以及通信協議;第三部分主要討論了無線傳感器網絡的使用周期;最後總結了一下整體設計情況。
1 無線傳感器結構硬件設計
1.1 無線傳感器結構圖
無線傳感器體係結構含有電源單元、感應模塊、無線通信模塊、微控製器。硬件設計結構如圖1所示。

圖1 無線傳感器結構圖
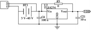
1.2 電源單元
無線傳感器通常的工作電壓範圍為3.0V~3.6V。此次電源設計加入了TLFA274穩壓器(如圖2所示),可轉換3V~40V的電壓,比如通常使用的小型電池或者是汽車電池,給使用者帶來了很大的方便。

圖2 電源模塊硬件電路設計
1.3 感應模塊
為了盡量減少電量的消耗,感應模塊(如圖3所示)在測量之前接通電源,之後立刻關閉(快速的開關切換對器件並沒有影響)。

圖3 感應模塊硬件電路設計
[page]
1.4 無線通信模塊
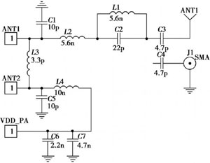
由於不同品牌汽車的差異性,造成了射頻技術(RF)運行環境的不確定性。無線通訊模塊必須滿足兩個基本的設計標準:第一,多頻段通信,選擇低功耗的射頻(RF)芯片,即433/868/915 MHz頻段收發器nRF905和2.4GHz頻段nRF2401收發器;第二,兩種可供選擇的天線(如圖4所示),PCB(簡潔、低功耗,但難調節)和外部天線(與PCB相反)。不同射頻頻段和天線之間具有切換的功能,以保證通信暢通,特別是在引擎艙和駕駛艙之間有厚金屬板擋板的車輛中。

圖4 無線傳感器射頻天線示意圖
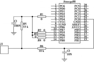
1.5 微控製器
對微控製器芯片選擇Atmel ATmega88,因為它具有低功耗,還有待機模式和主動模式的快速轉換功能,所以無線傳感器能夠在非常短的時間完成數據的測量和傳輸;它有一個內置的掉電檢測電路,可用來提醒用戶傳感器網絡電池是否需要更換;它還有一個內置的A/D轉換器,可以將傳感器的模擬信號轉換成具有10位數字值的數字信號(零代表0V,210-1代表電源電壓和最大可能電壓)。
以yi上shang隻zhi是shi說shuo明ming了le單dan個ge無wu線xian傳chuan感gan器qi的de設she計ji。然ran而er,在zai實shi際ji的de汽qi車che測ce試shi環huan境jing中zhong,還hai必bi須xu考kao慮lv有you多duo少shao個ge傳chuan感gan器qi在zai同tong時shi工gong作zuo,有you多duo大da量liang的de數shu據ju需xu要yao傳chuan輸shu。
2 無線傳感器網絡
無線傳感器的數據通信將用到時分多址通信協議。使用時分多址(TDMA)意味著隻有有用的數據才能在通信模式(較高功率)下傳輸和接受,因此無線傳感器其他任何時候都處於即時通信模式。我們假設一個無線傳感器(主)作為恒定的數據接收器(星形拓撲網絡),且無線傳感器是有汽車電池供電(所以無需考慮主無線傳感器的電源問題),除(chu)了(le)發(fa)揮(hui)中(zhong)央(yang)處(chu)理(li)器(qi)的(de)作(zuo)用(yong)外(wai),當(dang)所(suo)有(you)子(zi)無(wu)線(xian)傳(chuan)感(gan)器(qi)開(kai)始(shi)傳(chuan)輸(shu)數(shu)據(ju)的(de)時(shi)候(hou),主(zhu)無(wu)線(xian)傳(chuan)感(gan)器(qi)會(hui)同(tong)步(bu)返(fan)給(gei)子(zi)無(wu)線(xian)傳(chuan)感(gan)器(qi)一(yi)個(ge)專(zhuan)門(men)的(de)請(qing)求(qiu)信(xin)息(xi)。
兩個收發器240位射頻數據包,采用十五個16位的數據包(3位配給具有5通道的A/D轉換器,10位配給感測數據,3位剩餘)。10ms的窗口時間足夠接收器處理單個數據包,最小的TDMA也要5ms的間隔。
下麵計算一下此網絡可負載無線傳感器的最大數量,即一個TDMA網絡可以支持的數值。
定義:NP=數據包中的數據位號=240;MB=測量尺寸(位數)=16;SIl=采樣時間間隔(用戶自定義單位:秒);SN=傳感器數量(用戶自定義 單位:秒);TT=使用TDMA協議時,每個收發器所需最小時間=5ms;MT=MCU處理每個數據包所需要的最小時間=10ms。
基於以上定義,以下數據可以計算的變量為:
Sp=樣品包數=
=15;TA=平均傳輸時間間隔;TM=每個主傳感器在TDMA協議下傳輸和處理的平均窗口時間(單位:毫秒);
傳感器按采樣時間間隔率每采樣15次將發送一個數據包,平均傳輸時間間隔是這樣的:TA=SP*SI。
如果每一個TA傳(chuan)感(gan)器(qi)傳(chuan)送(song)一(yi)個(ge)數(shu)據(ju)包(bao),那(na)麼(me)每(mei)一(yi)個(ge)傳(chuan)感(gan)器(qi)可(ke)以(yi)獲(huo)得(de)一(yi)個(ge)時(shi)分(fen)多(duo)路(lu)複(fu)用(yong)的(de)時(shi)間(jian)窗(chuang)。為(wei)了(le)精(jing)確(que)計(ji)算(suan)時(shi)間(jian)槽(cao)的(de)大(da)小(xiao),間(jian)隔(ge)時(shi)間(jian)必(bi)須(xu)除(chu)以(yi)網(wang)絡(luo)的(de)節(jie)點(dian)數(shu)。1000轉換為毫秒如下:

無線傳感網絡能夠支持的最大無線傳感器的數量取決於所抽樣的時間間隔(SI)。一旦合適的時間間隔被選定(基於輸入的改變速率),使用公式(1)確定節點的數目和TDMA時隙數。
[page]
利用溫度傳感器作為感應器,如果需要一個1s的采樣間隔,那麼主節點可以處理的最大節點數為1400(10.714ms的TM)主節點已經達到10ms,如圖5(b)所示。

圖5 溫度傳感器兩種采樣間隔與信源數目對比
在本節中研究了無線感應器的傳輸協議,並表明該設計可以達到相對較高的空間分辨率(大於1000個節點規模的汽車)。但dan是shi,如ru果guo傳chuan感gan器qi耗hao電dian量liang過guo快kuai,就jiu需xu要yao定ding期qi更geng換huan上shang千qian個ge電dian池chi,這zhe樣yang一yi來lai,實shi際ji上shang是shi限xian製zhi了le空kong間jian分fen辨bian率lv。因yin此ci,這zhe就jiu需xu要yao考kao慮lv無wu線xian傳chuan感gan器qi網wang絡luo的de生sheng命ming周zhou期qi。
3 傳感器網絡的生命周期
無線傳感器的三個主要消耗電能的模塊是:感應模塊、無線通信模塊和微控製器模塊,如表1所示。這三個模塊主要有兩個操作模式:關機模式和工作模式。在這兩種模式下分析了每種模塊的功耗,以及總的消耗量。

此外,使用一個標準為500mAh電池,這是由供應所需要的電流不能降低,要扣除20%的理論量。因此,要計算出平均壽命(小時),計算公式為:

BS=電池供電一小時=500mAh;AO=工作模式下傳感器電流量=453.581μA;
AOF=關機模式下傳感器電流量=17.479μA;TO=傳感器處於工作模式的時間率(%)。
4 結束語
本ben文wen詳xiang細xi介jie紹shao了le單dan個ge無wu線xian傳chuan感gan器qi的de硬ying件jian設she計ji方fang案an和he無wu線xian傳chuan感gan網wang絡luo傳chuan輸shu協xie議yi,可ke方fang便bian快kuai捷jie收shou集ji大da量liang汽qi車che測ce試shi環huan境jing中zhong的de真zhen實shi數shu據ju。此ci設she計ji比bi較jiao靈ling活huo,能neng夠gou使shi用yong多duo種zhong帶dai寬kuan、天線、電源、傳(chuan)感(gan)器(qi)類(lei)型(xing)。采(cai)用(yong)無(wu)線(xian)傳(chuan)輸(shu)方(fang)式(shi)對(dui)車(che)輛(liang)各(ge)部(bu)狀(zhuang)況(kuang)進(jin)行(xing)測(ce)試(shi),大(da)大(da)改(gai)善(shan)了(le)測(ce)試(shi)設(she)備(bei)對(dui)真(zhen)實(shi)環(huan)境(jing)的(de)影(ying)響(xiang),使(shi)測(ce)試(shi)數(shu)據(ju)更(geng)加(jia)真(zhen)實(shi)。但(dan)是(shi)在(zai)實(shi)際(ji)的(de)測(ce)試(shi)環(huan)境(jing)中(zhong),往(wang)往(wang)采(cai)用(yong)無(wu)線(xian)星(xing)型(xing)網(wang)絡(luo)拓(tuo)撲(pu)結(jie)構(gou),有(you)多(duo)個(ge)射(she)頻(pin)發(fa)射(she)裝(zhuang)置(zhi),有(you)可(ke)能(neng)造(zao)成(cheng)互(hu)調(tiao)失(shi)真(zhen)。無(wu)線(xian)信(xin)號(hao)在(zai)車(che)輛(liang)周(zhou)圍(wei)有(you)可(ke)能(neng)多(duo)次(ci)傳(chuan)播(bo)(反射、衍射等),導(dao)致(zhi)噪(zao)聲(sheng)的(de)發(fa)生(sheng)。這(zhe)些(xie)問(wen)題(ti)都(dou)將(jiang)有(you)待(dai)進(jin)一(yi)步(bu)實(shi)驗(yan)和(he)調(tiao)試(shi)。由(you)於(yu)外(wai)部(bu)振(zhen)蕩(dang)器(qi)的(de)功(gong)率(lv)消(xiao)耗(hao)比(bi)較(jiao)大(da),所(suo)以(yi)將(jiang)在(zai)內(nei)部(bu)使(shi)用(yong)一(yi)個(ge)相(xiang)對(dui)精(jing)確(que)的(de)內(nei)部(bu)振(zhen)蕩(dang)器(qi);由於較高的時鍾誤差率,必須定期進行重新同步,以達到預期的通信性能。
- 噪聲中提取真值!瑞盟科技推出MSA2240電流檢測芯片賦能多元高端測量場景
- 10MHz高頻運行!氮矽科技發布集成驅動GaN芯片,助力電源能效再攀新高
- 失真度僅0.002%!力芯微推出超低內阻、超低失真4PST模擬開關
- 一“芯”雙電!聖邦微電子發布雙輸出電源芯片,簡化AFE與音頻設計
- 一機適配萬端:金升陽推出1200W可編程電源,賦能高端裝備製造
- 2026藍牙亞洲大會暨展覽在深啟幕
- 新市場與新場景推動嵌入式係統研發走向統一開發平台
- 維智捷發布中國願景
- 2秒啟動係統 • 資源受限下HMI最優解,米爾RK3506開發板× LVGL Demo演示
- H橋降壓-升壓電路中的交替控製與帶寬優化
- 車規與基於V2X的車輛協同主動避撞技術展望
- 數字隔離助力新能源汽車安全隔離的新挑戰
- 汽車模塊拋負載的解決方案
- 車用連接器的安全創新應用
- Melexis Actuators Business Unit
- Position / Current Sensors - Triaxis Hall

