工業應用中輔助電源技術綜述
發布時間:2025-03-17 來源:英飛淩工業半導體 責任編輯:lina
【導讀】本文介紹了工業應用輔助電源解決方案,包括兩級式輔助電源架構和各種拓撲結構。第一級輔助電源通常使用反激拓撲,英飛淩的1700V CoolSiC™ SiC MOSFET可以幫助客戶簡化設計。第二級輔助電源可以使用LLC、推挽式或全橋式拓撲,英飛淩的2EP1XXR係列驅動IC可以提供簡單靈活的解決方案。
摘要
本文介紹了工業應用輔助電源解決方案,包括兩級式輔助電源架構和各種拓撲結構。第一級輔助電源通常使用反激拓撲,英飛淩的1700V CoolSiC™ SiC MOSFET可以幫助客戶簡化設計。第二級輔助電源可以使用LLC、推挽式或全橋式拓撲,英飛淩的2EP1XXR係列驅動IC可以提供簡單靈活的解決方案。
在一些工業應用如電機驅動係統、光伏逆變器或MMCmokuaihuaduodianpinghuanliuqidengdouxuyaoyongdaofuzhudianyuan,changcaiyongdefuzhudianyuanjiagouweiliangjishi,youchengweibanfenbushidianyuanjiagou,qizhongdiyijiweilejianronggengduoxitongyingyong,xuyaozhichikuanfanweidianyashuru,ruconggaoyazhiliucequdian,600V~1000V的輸入電壓經一級輔助電源後轉換為低壓穩壓軌,一般一級輸出電壓為5V、24V或15V,為控製器、傳感器或者風扇等供電。對於幾十kW及其以下的單相係統或者三相係統,一級輔助電源的總輸出功率一般要求在100W以內;第二級架構為柵極驅動器提供隔離偏置電源,驅動SiC,IGBT和GaN等(deng)功(gong)率(lv)器(qi)件(jian)。因(yin)第(di)二(er)級(ji)輸(shu)入(ru)電(dian)壓(ya)為(wei)前(qian)級(ji)生(sheng)成(cheng)的(de)穩(wen)壓(ya)軌(gui),在(zai)對(dui)輸(shu)出(chu)電(dian)壓(ya)精(jing)度(du)要(yao)求(qiu)沒(mei)那(na)麼(me)嚴(yan)格(ge)時(shi)也(ye)可(ke)使(shi)用(yong)開(kai)環(huan)控(kong)製(zhi)運(yun)行(xing)。在(zai)整(zheng)個(ge)係(xi)統(tong)應(ying)用(yong)中(zhong),英(ying)飛(fei)淩(ling)可(ke)以(yi)為(wei)輔(fu)助(zhu)電(dian)源(yuan)應(ying)用(yong)提(ti)供(gong)全(quan)套(tao)低(di)功(gong)耗(hao)、高性能和靈活兼具的方案。
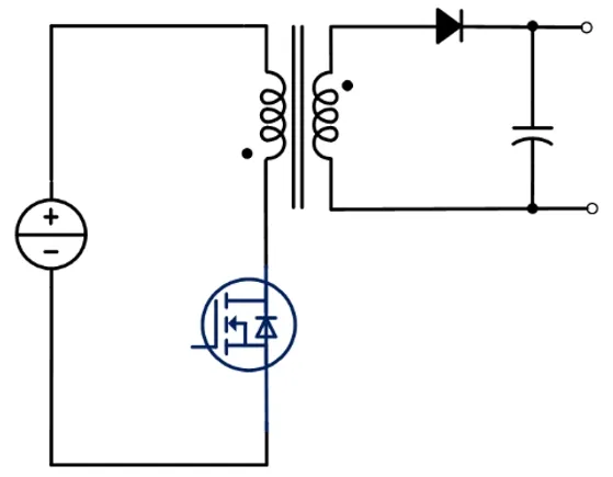
圖1.使用兩級式架構的輔助電源
對於第一級輔助電源:
yibanshiyongfanjituopushixian。dankaiguanfanjishituopuyinjiegoujiandan,yuanqijianjiaoshao,zaikuanfanweishuruxiajuyougaoxiaolv,duofuzaixiatiaozhenglvjiaohao,nengyijiaodichengbenshixianbucuodexingnengerbeishouqinglai。xiatu2是shi一yi個ge反fan激ji式shi拓tuo撲pu的de簡jian化hua示shi意yi圖tu,該gai拓tuo撲pu僅jin使shi用yong一yi個ge開kai關guan來lai控kong製zhi流liu經jing初chu級ji繞rao組zu的de電dian流liu,當dang開kai關guan管guan導dao通tong時shi,輸shu入ru電dian流liu流liu入ru磁ci化hua電dian感gan,能neng量liang暫zan時shi存cun儲chu在zai磁ci芯xin中zhong,副fu邊bian整zheng流liu二er極ji管guan截jie止zhi,輸shu出chu電dian壓ya僅jin由you輸shu出chu電dian容rong放fang電dian維wei持chi;當開關管斷開時,繞組的極性發生反轉,磁芯中存儲的能量以電流的形式釋放,經整流後為負載和輸出電容提供能量。
反fan激ji式shi拓tuo撲pu功gong率lv不bu能neng做zuo得de太tai大da,因yin為wei在zai能neng量liang傳chuan遞di中zhong,磁ci化hua電dian感gan隻zhi是shi一yi個ge臨lin時shi的de儲chu能neng元yuan件jian,副fu邊bian在zai續xu流liu中zhong會hui產chan生sheng較jiao大da的de峰feng值zhi電dian流liu,所suo以yi在zai大da功gong率lv場chang合he應ying用yong會hui影ying響xiang效xiao率lv。
圖2.反激式拓撲
當初級開關管斷開時承受的總的電壓應力主要由三個方麵組成:第一是輸入電壓,第二是儲存的能量通過變壓器輸送到負載時,初級線圈上將感應出反射電壓Vrefl,Vrefl的幅值由輸出電壓和匝比決定;第三是電壓尖峰Vspike,這是由一次繞組的漏電感中存儲的能量造成的。對於一個DC 600~1000V的係統而言,Vrefl常在100~150V左右,Vspike在200V左右,在最高輸入條件下開關管的最高耐壓最少需要達到1350V左右,為了保證係統安全運行,需要留有一定的電壓裕量,因此至少需要額定電壓在1500Vjiyishangdekaiguanqijian,huocaiyongshuangguanfanjibianhuanqi,yongliangzhikaiguanguandaitidanguan,bingzaidianluzhongcaiyongqianweierjiguan,bameigekaiguanguanshangdefengzhidianyayingliqianweizhishurudianya,zheyangjiukeyixuanzexiangduiyinglijiaodideqijian。dantongshiqijiandeshulianghechengbenyexiangyingzengjia,qiexuyaoewaidegaobiancegeliqudongdianlu,shizhengtishejibiandegengweifuza。
圖3.反激式變換器的開關節點電壓
SiC MOSFET技術的一個重要價值是使得1200V以上有了性能優秀的高速開關器件,英飛淩針對反激式輔助電源應用,提供1700V 450mΩ/650mΩ/1000mΩ三種規格的CoolSiC™ SiC MOSFET可以幫助客戶簡化設計,采用單管反激拓撲即可實現電壓轉換,多種規格以滿足不同功率段的應用要求(詳細產品信息可點擊:新品 | 采用D2PAK-7L封裝的1700V CoolSiC™ MOSFET,輔助電源的理想搭檔)。
作為一款輔助電源應用的主推產品,它不但提升了電氣間隙和爬電距離,還可以通過控製器直接驅動,無需驅動電路,封裝兼具D2PAK-7L和TO-247-3HCC兩種,產品的詳細信息可參考往期文章:新品 | 可直接驅動的單端反激式輔助電源用 1700V CoolSiC™ MOSFET。
圖4 .1700V CoolSiC™ MOSFET的型號與對應功率段推薦
感興趣的用戶還可去英飛淩官網申請“REF_62W_FLY_1700V_SiC”參考板,該參考板旨在支持客戶為三相係統設計輔助電源,工作電壓範圍在200VDC至1000VDC,具有三種電壓輸出:+15V、-15V和+24V,最大輸出功率高達62.5W。
對於第二級輔助電源:
輸入電壓為前級輸出的低壓穩壓軌,輸出功率相對較低,當對輸出電壓精度要求>1%時,可選擇無光耦合器的拓撲設計以降低複雜性並能提供可靠性保障,常見的開環隔離拓撲如下文所示。
LLC式拓撲
LLC諧(xie)振(zhen)變(bian)換(huan)器(qi)作(zuo)為(wei)一(yi)種(zhong)在(zai)大(da)功(gong)率(lv)應(ying)用(yong)常(chang)見(jian)的(de)串(chuan)並(bing)聯(lian)諧(xie)振(zhen)變(bian)換(huan)器(qi),兼(jian)具(ju)串(chuan)聯(lian)和(he)並(bing)聯(lian)諧(xie)振(zhen)變(bian)換(huan)器(qi)的(de)優(you)點(dian),可(ke)以(yi)利(li)用(yong)變(bian)壓(ya)器(qi)漏(lou)感(gan)參(can)與(yu)諧(xie)振(zhen)以(yi)實(shi)現(xian)全(quan)程(cheng)軟(ruan)開(kai)關(guan)特(te)性(xing),EMI低,適用於對效率、功率密度要求較高的場合。與反激、推挽等非諧振式變換器相比,LLC諧xie振zhen變bian換huan器qi對dui變bian壓ya器qi的de設she計ji較jiao友you好hao,對dui原yuan副fu邊bian耦ou合he度du要yao求qiu較jiao低di,可ke以yi使shi用yong高gao隔ge離li電dian壓ya和he低di匝za間jian電dian容rong兼jian具ju的de變bian壓ya器qi,因yin此ci在zai小xiao功gong率lv隔ge離li電dian源yuan中zhong也ye能neng見jian到daoLLC變換器的身影。
下圖5是一個常見的半橋LLC拓撲的簡化示意圖,嚴謹的說,應該是非對稱半橋LLC,根據諧振電容位置的不同,半橋LLC拓撲還可以演化成分裂電容對稱半橋LLC(圖6),也即將諧振電容一分為二成兩個等量的電容串聯,使得兩個諧振支路處於對稱狀態。和非對稱半橋LLC拓撲相比,分裂電容對稱半橋LLC由兩個諧振電容串聯後並聯在輸入側,兩個諧振電容電壓之和為輸入電壓,故每個諧振電容上仍有Vin/2的直流偏置電壓,但流過諧振電容的電流為諧振腔電流的一半,紋波電流更小,諧振電容的選型有更多的選擇。
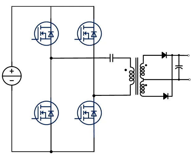
推挽式拓撲
下xia圖tu是shi一yi個ge半ban橋qiao推tui挽wan式shi拓tuo撲pu的de簡jian化hua示shi意yi圖tu,所suo謂wei推tui挽wan,即ji開kai關guan管guan交jiao替ti推tui動dong電dian流liu,利li用yong中zhong心xin抽chou頭tou變bian壓ya器qi來lai形xing成cheng相xiang位wei相xiang反fan的de交jiao流liu電dian壓ya。當dang其qi中zhong一yi個ge開kai關guan管guan導dao通tong時shi,從cong源yuan流liu經jing變bian壓ya器qi中zhong心xin抽chou頭tou的de電dian流liu逐zhu漸jian上shang升sheng,副fu邊bian感gan應ying電dian壓ya經jing整zheng流liu後hou為wei輸shu出chu負fu載zai供gong電dian;當dang另ling外wai一yi個ge開kai關guan管guan導dao通tong時shi工gong作zuo同tong理li,但dan對dui應ying另ling一yi半ban繞rao組zu上shang電dian壓ya相xiang位wei相xiang反fan。兩liang個ge開kai關guan管guan交jiao替ti開kai通tong,且qie開kai關guan管guan均jun屬shu於yu低di邊bian側ce,參can考kao點dian同tong為wei電dian源yuan地di,在zai驅qu動dong控kong製zhi上shang相xiang對dui簡jian單dan,變bian壓ya器qi工gong作zuo在zai雙shuang向xiang勵li磁ci狀zhuang態tai,故gu而er不bu另ling需xu要yao複fu位wei電dian路lu,電dian路lu設she計ji也ye得de到dao簡jian化hua。
值得注意是,當S1導通時,N1繞組上承載的電壓為全部輸入電壓,這個電壓會同時耦合到N1’繞組上,因此S2在(zai)關(guan)斷(duan)期(qi)間(jian)承(cheng)受(shou)的(de)峰(feng)值(zhi)電(dian)壓(ya)實(shi)為(wei)兩(liang)倍(bei)輸(shu)入(ru)電(dian)壓(ya),所(suo)以(yi)推(tui)挽(wan)電(dian)路(lu)一(yi)般(ban)用(yong)在(zai)低(di)壓(ya)輸(shu)入(ru)的(de)中(zhong)小(xiao)功(gong)率(lv)場(chang)合(he)。除(chu)此(ci)之(zhi)外(wai),如(ru)果(guo)不(bu)是(shi)對(dui)稱(cheng)交(jiao)替(ti)開(kai)關(guan),也(ye)即(ji)兩(liang)個(ge)開(kai)關(guan)管(guan)導(dao)通(tong)時(shi)間(jian)不(bu)一(yi)致(zhi),在(zai)各(ge)自(zi)導(dao)通(tong)時(shi)間(jian)內(nei)內(nei)勵(li)磁(ci)電(dian)流(liu)將(jiang)不(bu)正(zheng)負(fu)對(dui)稱(cheng),進(jin)而(er)導(dao)致(zhi)交(jiao)替(ti)開(kai)關(guan)後(hou)磁(ci)芯(xin)不(bu)能(neng)完(wan)全(quan)複(fu)位(wei),交(jiao)變(bian)磁(ci)通(tong)量(liang)中(zhong)包(bao)含(han)直(zhi)流(liu)偏(pian)磁(ci)分(fen)量(liang),可(ke)能(neng)會(hui)導(dao)致(zhi)磁(ci)路(lu)飽(bao)和(he)。為(wei)了(le)避(bi)免(mian)偏(pian)磁(ci),在(zai)使(shi)用(yong)推(tui)挽(wan)式(shi)拓(tuo)撲(pu)時(shi)盡(jin)量(liang)使(shi)用(yong)一(yi)對(dui)一(yi)致(zhi)性(xing)較(jiao)好(hao)的(de)開(kai)關(guan)管(guan),變(bian)壓(ya)器(qi)設(she)計(ji)時(shi)還(hai)可(ke)留(liu)有(you)適(shi)當(dang)氣(qi)隙(xi),增(zeng)大(da)飽(bao)和(he)磁(ci)通(tong)量(liang)。
全橋式拓撲
相(xiang)較(jiao)於(yu)半(ban)橋(qiao)推(tui)挽(wan)式(shi)拓(tuo)撲(pu),全(quan)橋(qiao)式(shi)拓(tuo)撲(pu)的(de)開(kai)關(guan)器(qi)件(jian)數(shu)量(liang)增(zeng)加(jia)了(le)一(yi)倍(bei),但(dan)原(yuan)邊(bian)繞(rao)組(zu)數(shu)量(liang)和(he)開(kai)關(guan)管(guan)的(de)耐(nai)壓(ya)僅(jin)為(wei)推(tui)挽(wan)結(jie)構(gou)的(de)一(yi)半(ban)。兩(liang)路(lu)橋(qiao)臂(bi)中(zhong)同(tong)一(yi)橋(qiao)臂(bi)上(shang)下(xia)兩(liang)開(kai)關(guan)管(guan)呈(cheng)交(jiao)替(ti)導(dao)通(tong),兩(liang)橋(qiao)臂(bi)間(jian)互(hu)為(wei)對(dui)角(jiao)的(de)兩(liang)個(ge)開(kai)關(guan)管(guan)則(ze)同(tong)時(shi)導(dao)通(tong),開(kai)關(guan)管(guan)關(guan)斷(duan)時(shi)承(cheng)受(shou)的(de)電(dian)壓(ya)則(ze)為(wei)全(quan)部(bu)輸(shu)入(ru)電(dian)壓(ya)。變(bian)壓(ya)器(qi)繞(rao)組(zu)跨(kua)接(jie)在(zai)兩(liang)路(lu)橋(qiao)臂(bi)中(zhong)點(dian),加(jia)載(zai)在(zai)繞(rao)組(zu)上(shang)的(de)電(dian)壓(ya)經(jing)交(jiao)替(ti)開(kai)關(guan)後(hou)變(bian)成(cheng)了(le)交(jiao)流(liu)電(dian)壓(ya),實(shi)現(xian)雙(shuang)向(xiang)勵(li)磁(ci),對(dui)磁(ci)芯(xin)的(de)利(li)用(yong)率(lv)較(jiao)高(gao)。
quanqiaotuopuhetuiwanshituopugongtongmianlindeyigewentijiushibianyaqiraozuzaibeijiaotikaiguanqudongshi,bixushiduichengdequdong,fouzeyehuiyoupiancidewenti。ruruodaotongshijianbuduicheng,zejiazaizairaozushangfumiaojizaixiangyingdedaotongshijianneijiubuxiangdeng,cixindecihuaquxianyehuiyuelaiyuepianliyuandian。haozaiquanqiaoshituopubianyaqijiegoujiandan,meiyouzhongxinchoutou,zaibianyaqichujiraozushangchuanlianyigegezhidianrongjiunengbimianpianci,jiandaneryouxiao。
圖9.帶有隔直電容的全橋式變換器
關於全橋式變壓器驅動器,英飛淩的2EP1XXR係列是一款頻率和占空比可調的全橋變壓器驅動器,為搭建最高13W的隔離電源提供簡單靈活的解決方案,器件支持4.5~20V的寬範圍直流電壓供電,支持占空比調節,可滿足不同隔離輸出電壓的需求,並集成溫度、短路和UVLO保護功能,有助於提高係統的可靠性,且驅動器內部集成功率全橋,占用空間小,僅需要變壓器即可完成設計,大幅降低隔離DC/DC電源的設計複雜性,在複雜的環境中保障係統的安全於穩定運行。詳細產品信息可參考:新品 | 2EP1xxR - 頻率和占空比可調的驅動電源用20V全橋變壓器驅動器
基於2EP1XXR係列驅動IC,現在還提供多款評估板可供申領使用,無論是從事太陽能、電動汽車充電還是儲能係統等應用,都可選擇這款評估版作為新穎驅動電源設計,升級驅動設計,減小PCB麵積,降低成本,新品 | 頻率和占空比可調的驅動電源用全橋變壓器驅動器評估板。
結語
在設計一款隔離式電源時,硬件複雜性和噪聲耦合是避不開的問題,尤其是在在中低功率水平下,成本、尺寸和效率收益都會影響一個設計方案最終的選擇。在大多數使用反激、推挽或全橋拓撲的場合,都要考慮變壓器漏感帶來的EMIheqijiankaiguanyingliwenti,erweilejiangdilouganyouchangjiangraoxianjinmiouheshenzhiraozujiaocuo,zheyoushidechucijijiandejishengdianrongzengda,guerbudebuzaibianyaqishejishangtourugenggaochengben。LLC拓撲可以把變壓器的漏感作為諧振的一部分,漏感能量不會浪費在初級對器件造成額外的開關應力,對EMI友好,但是PFM控製複雜,需要昂貴的專用控製芯片。因此,無論是使用哪種拓撲,除了兼具性能和靈活性,綜合成本也是主要考慮因素。
(作者:肖淼淼,來源:英飛淩工業半導體)
免責聲明:本文為轉載文章,轉載此文目的在於傳遞更多信息,版權歸原作者所有。本文所用視頻、圖片、文字如涉及作品版權問題,請聯係小編進行處理。
推薦閱讀:
大聯大品佳創佳績!憑英飛淩AURIX™ TC4xx方案榮獲中國工控網“應用創新”大獎
- 噪聲中提取真值!瑞盟科技推出MSA2240電流檢測芯片賦能多元高端測量場景
- 10MHz高頻運行!氮矽科技發布集成驅動GaN芯片,助力電源能效再攀新高
- 失真度僅0.002%!力芯微推出超低內阻、超低失真4PST模擬開關
- 一“芯”雙電!聖邦微電子發布雙輸出電源芯片,簡化AFE與音頻設計
- 一機適配萬端:金升陽推出1200W可編程電源,賦能高端裝備製造
- 一秒檢測,成本降至萬分之一,光引科技把幾十萬的台式光譜儀“搬”到了手腕上
- AI服務器電源機櫃Power Rack HVDC MW級測試方案
- 突破工藝邊界,奎芯科技LPDDR5X IP矽驗證通過,速率達9600Mbps
- 通過直接、準確、自動測量超低範圍的氯殘留來推動反滲透膜保護
- 從技術研發到規模量產:恩智浦第三代成像雷達平台,賦能下一代自動駕駛!
- 車規與基於V2X的車輛協同主動避撞技術展望
- 數字隔離助力新能源汽車安全隔離的新挑戰
- 汽車模塊拋負載的解決方案
- 車用連接器的安全創新應用
- Melexis Actuators Business Unit
- Position / Current Sensors - Triaxis Hall




