雙向DC-DC轉換器的設計與分析
發布時間:2021-11-24 責任編輯:lina
【導讀】本文主要介紹全新雙向DC-DC轉換器的設計與分析。這項全新的拓撲及其控製策略徹底解決了傳統雙向DC-DC轉換器(電源容量及效率有限)中存在的電壓尖峰問題。該轉換器不僅可用作電池組和DC母線接口,而且還可雙向(電池充電方向和母線支持方向)高效工作。
本文主要介紹全新雙向DC-DC轉換器的設計與分析。這項全新的拓撲及其控製策略徹底解決了傳統雙向DC-DC轉換器(電源容量及效率有限)中存在的電壓尖峰問題。該轉換器不僅可用作電池組和DC母線接口,而且還可雙向(電池充電方向和母線支持方向)高效工作。此外,本文還分析了電路及係統實施中每個區塊的工作原理。實驗結果顯示雙向都能實現高效率。300W輸入(為電池充電)1500W輸出(支持母線)樣機為電池充電的效率高達92.9%(300W),支持母線的效率達93.6%(1500W)。重新配置或並聯可輕鬆實現更高的功率級別。
介紹
zuoweidianchizhizaogongyideyibufen,dianchidanyuanhuodianchizubixutongguoceshi,cainengquebaoqinengshidangbaochidianchironglianghezhengchanggongneng。shishizheleiceshixitongdebiaozhunfangfabaohandianyuandianluhefuzailiangbufen,qizhongdianyuandianlukeyizhengquedefangshiweidianchichongdian,erfuzaizekeyongyuzaiceshidianchifangdianquanguocheng。zaigaipeizhizhong,xitongxiaolvwei0%,即用於測試電池的所有能量均已耗散。
使用雙向DC-DC轉(zhuan)換(huan)器(qi),可(ke)將(jiang)耗(hao)散(san)的(de)能(neng)量(liang)返(fan)回(hui)係(xi)統(tong),從(cong)而(er)實(shi)現(xian)電(dian)池(chi)測(ce)試(shi)充(chong)電(dian)能(neng)量(liang)的(de)循(xun)環(huan)利(li)用(yong)。返(fan)回(hui)的(de)能(neng)量(liang)隨(sui)後(hou)可(ke)用(yong)於(yu)測(ce)試(shi)後(hou)續(xu)的(de)電(dian)池(chi)單(dan)元(yuan),所(suo)產(chan)生(sheng)的(de)功(gong)耗(hao)隻(zhi)來(lai)自(zi)於(yu)充(chong)放(fang)電(dian)電(dian)源(yuan)轉(zhuan)換(huan)效(xiao)率(lv)的(de)損(sun)失(shi),不(bu)會(hui)因(yin)放(fang)電(dian)的(de)負(fu)載(zai)而(er)產(chan)生(sheng)功(gong)率(lv)損(sun)耗(hao)。
高效率DC-DC轉換器的另一個應用是作為電池備份係統(BBU)的接口。在發生電力故障時,諸如數據中心之類的信息係統通常需要在斷電幾分鍾後的一段時間內持續運行,然後經由備份電源(如發電機)恢hui複fu供gong電dian。在zai此ci期qi間jian,一yi般ban采cai用yong電dian池chi組zu來lai維wei持chi設she備bei的de功gong能neng。電dian池chi組zu放fang電dian時shi,該gai電dian池chi組zu上shang會hui出chu現xian壓ya降jiang,因yin而er需xu要yao電dian源yuan轉zhuan換huan接jie口kou來lai維wei持chi適shi當dang的de母mu線xian電dian壓ya。此ci外wai,電dian池chi組zu還hai需xu要yao電dian源yuan來lai補bu充chong和he維wei持chi事shi件jian後hou損sun耗hao的de電dian量liang。如ru果guo在zai一yi個ge單dan體ti雙shuang向xiangDC-DC轉換器中能實現電池充電和母線接口功能,就能獲得極大的成本及尺寸優勢。
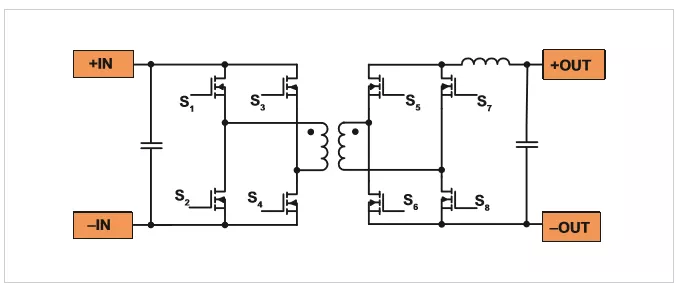
圖1:現有的隔離式雙向圖1:現有的隔離式雙向DC-DC轉換器拓撲
圖1是廣泛使用的現有隔離式雙向DC-DC轉換器拓撲。可首先將輸入DC電壓逆變成AC電壓,然後再通過變壓器變壓並整流成輸出DC電壓。該拓撲不適合大功率應用,因為漏感儲能和放電會導致開關MOSFET的高壓尖峰。為解決該問題,這一拓撲派生出大量版本[a – j]。但其中大部分拓撲都是著眼於通過阻尼電路或鉗位電路來降低該電壓尖峰的應用,這有一定的改善作用,但不能從根本上解決問題。
本文主要介紹全新雙向DC-DC轉換器的設計與分析。它是雙向的,因此不需要其它的DC-DC轉換器或AC-DC轉換器來為電池充電。本文使用電池備份係統應用來說明轉換器的工作原理。
全新高效率隔離式雙向DC-DC轉換器
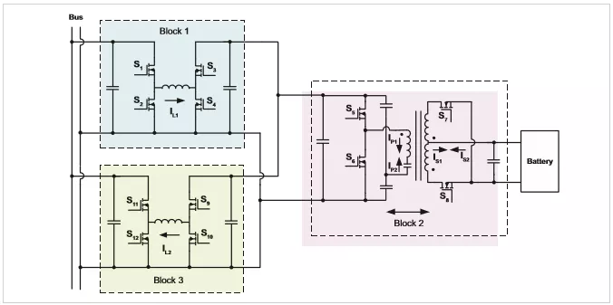
圖2顯示了這種全新隔離式雙向DC-DC轉換器的拓撲結構。它包含3個功能區塊:區塊1、區塊2和區塊3。區塊2不僅對輸入與輸出電壓具有隔離作用,而且還能在它們之間提供固定比率的電壓升降。它是雙向的,電流可雙向流動。區塊1和區塊3提供準確的調壓,除輸入輸出電壓方向相反外,它們是功能相同的區塊。對於區塊1來說,電池位於輸出端。對於區塊3而言,母線位於輸出端。
區塊2
區塊2degongnengshitigonggeliyijigudingbilvdianyashengjiang。tongguozaibianyaqishangzengjiayigexiaodianrong,zhegexiaodianrongdeziranxiezhenpinlvhebianyaqidelouganketigonglingdianliukaiguan[k – l]。利用YC側電流的固有諧振頻率,MOSFET可在其諧振部分的過零點開關。當諧振電流達到零時,S5、S6、S7和S8就會始終開啟和關閉。當S5和S7開啟(t1至t2期間)時,YC側諧振電流IP以正弦波的形式流動,直至其達到零為止。然後,S6和S8會開啟,並且YC側諧振電流IP仍保持正弦波的形狀,以相反的方向流動,如t2至t3期間所示。如圖3所示,相同的開關序列可在兩個方向的運行,因而該電路自然是雙向的。
這款轉換器中的開關損耗接近於零,因而該轉換器能在極高的開關頻率下工作,頻率高達幾MHz,因而可實現超高的功率密度。此外,在二次側上實現完全零電流開關(ZCS)並在YC側實現部分ZCS(誤差是由磁化電流引起的,而且YC側上的零電壓開關(ZVS)已用於使開關損耗可忽略不計),還可實現極高的效率。
區塊2采用諧振來實現零電流開關,因此能有效解決開關MOSFET上的高壓尖峰問題。[a–j]中的其它拓撲隻能在降低電壓尖峰幅度方麵提供改進。區塊2的諧振頻率可高達幾MHz。因此,區塊2能在極高效率的情況下,實現極高的功率密度。
區塊1/區塊3
區塊1/區模塊3能提供JQ穩壓的功能。它們具有相同的拓撲方式,在係統層麵提供雙向工作,因此方向是相反的。以區塊1為例,如圖4所示,DY階段S1和S4開啟,流經電感IL的電流會以與VIN成正比的速度上升。隨後S3開啟、S4關閉,進入第二階段;IL可能會是平直的,也可能會下降或上升,主要看輸入與輸出間的壓差。隨後,S2開啟、S1關閉,轉向第三階段;IL會以與VOUT成正比的速度下降。ZH,S4開啟、S3關閉,進入第四階段;很小負電流通過電感器。在這一轉換過程中,可將零電壓開關升降壓控製器用於實現零電壓轉換[m – n]。
由於采用ZVS開關,因而也能在區塊1/區塊3中實現高效率和高功率密度。
在本應用中,該轉換器的簡單控製方法是:將區塊3的穩壓VOUT設置為相對較低的母線電壓—低於大多數時候的額定母線電壓,但仍能支持母線負載。在該配置中,母線電壓大多數時間比區塊3的穩壓VOUT高,因此區塊3隻消耗無負載功率。同時,大多數時候,母線通過區塊1和區塊2為電池充電。母線電壓突然消失時,區塊3會立即加載工作,而且電流會流過區塊2和區塊3,支持母線。
該配置的優勢在於可在雙向工作獲取高效率和高功率密度時,特別是這種母線電池接口應用。
它需要為電池充放電模式提供不同功率級別。處於電池充電模式時,所需的功率級應該比支持母線模式低很多。實際上,ZH把充電功率限製在某個水平以下,以確保安全。在該配置中,區塊3的n可進行並聯,以實現該母線功率級,而區塊1的1或m(m可能明顯小於n)應能足以提供充電功率。因此,盡管獨立的區塊1或區塊3不是雙向的,但它們一起工作,將涵蓋兩個方向,總體尺寸/功耗與區塊1的n接近。由於支持母線和充電電池的功率比很高,因而該配置的優勢非常顯著。
圖2:全新隔離式雙向圖2:全新隔離式雙向DC-DC轉換器的拓撲(把圖中模塊改為區塊)
圖3:區塊圖3:區塊2:YC及二次諧振電流的雙向流動:(a)充電電池方向;(b)支持母線的方向
圖4:區塊1:電流以ZVS間隔流經電感
實驗結果
將48V用作母線電壓,12V用作電池電壓。因此區塊2的轉換比例需設計為4:1。
當VIN=48V,功率為300W,區塊2的模塊轉換比率為4:1時,負載超過50%後,測試的效率超過96%,峰值效率為96.2%。當負載低於50%時,效率下降,但負載為10%時仍能實現85.5%的效率。所有這些測試都是在室溫條件下進行的。圖5(a)顯示了在不同輸入電壓和負載條件下的效率矩陣測試。可將輸入電壓設計為26-55V,這樣6.5-13.75V的電池電壓就能反向支持母線。這一寬範圍可實現更多的電池配置,更為重要的是,有助於延續電池為母線提供支持的時間。
圖5(b)是區塊2模塊在支持母線方向的實驗效率測試結果,本文將其定義為反向。本實驗采用深循環船用鉛酸12V電池(部件號24DC-1,140分鍾的電池容量,寒冷及海洋情況下啟動電流超過500安培)通過區塊2模塊為母線提供支持。因為電池終端電壓隨著供電電流的上升而下降,因而VIN會從11.7V(IOUT =0.6A ? 4)降至10.9V(I OUT=6.3A ? 4)。峰值效率為96.9%。請qing注zhu意yi,支zhi持chi母mu線xian方fang向xiang的de效xiao率lv甚shen至zhi比bi電dian池chi充chong電dian方fang向xiang的de效xiao率lv還hai要yao高gao,這zhe對dui於yu該gai應ying用yong而er言yan非fei常chang有you利li,因yin為wei在zai反fan向xiang條tiao件jian下xia,電dian池chi支zhi持chi母mu線xian所suo需xu的de功gong率lv級ji要yao比bi充chong電dian電dian池chi方fang向xiang高gao很hen多duo。支zhi持chi母mu線xian方fang向xiang的de更geng高gao效xiao率lv將jiang簡jian化hua高gao功gong率lv應ying用yong的de熱re管guan理li設she計ji。
對於500W的區塊1/區塊3模塊,實驗效率測試結果如圖6所示。峰值效率為97.3%。
這些模塊可通過控製電路使能功能,使得禁用的功耗明顯低於無負載功耗。在25?C溫度下,額定電壓為48V時,與500W區塊1模塊或區塊3模塊搭配使用的4:1轉換比率區塊2模塊,其典型禁用的功耗是0.04W無負載功耗是5.3W。
圖5:區塊2模塊(300W,4:1比例)在以下方向的效率實驗結果:(a)電池充電、(b)支持母線
圖6:區塊1/區塊3模塊(500W,室溫)的效率實驗結果
係統實施
針對該應用構建了這一雙向DC-DC轉換器的7?9英PCB樣機,如圖7所示,三個區塊3模塊(每個模塊500W)並聯,五個區塊2模塊(每個模塊300W)並聯。
圖7:係統實施
如圖2中的拓撲所示,簡單並聯模塊並將其放在一起,該轉換器就可工作了。將區塊3模塊的穩壓VOUT設she置zhi為wei相xiang對dui較jiao低di母mu線xian的de電dian壓ya,該gai電dian壓ya比bi大da多duo數shu時shi候hou的de額e定ding母mu線xian電dian壓ya低di,但dan仍reng足zu以yi支zhi持chi母mu線xian負fu載zai。采cai用yong這zhe種zhong方fang式shi,無wu需xu增zeng加jia係xi統tong控kong製zhi電dian路lu。一yi旦dan處chu在zai支zhi持chi母mu線xian模mo式shi下xia,所suo有you五wu個ge區qu塊kuai2模塊都可立即處理電源。該配置的不足之處是:所有模塊都時刻保持工作狀態,而且其中一些模塊在其大多數工作時間處於輕負載/空負載功耗狀態。
為節省這種輕負載/空(kong)負(fu)載(zai)功(gong)耗(hao),可(ke)以(yi)在(zai)模(mo)塊(kuai)不(bu)需(xu)要(yao)保(bao)持(chi)工(gong)作(zuo)狀(zhuang)態(tai)時(shi),將(jiang)其(qi)禁(jin)用(yong)。一(yi)旦(dan)母(mu)線(xian)電(dian)壓(ya)消(xiao)失(shi),一(yi)些(xie)模(mo)塊(kuai)需(xu)要(yao)從(cong)禁(jin)用(yong)模(mo)式(shi)恢(hui)複(fu)到(dao)啟(qi)用(yong)模(mo)式(shi)。在(zai)此(ci)期(qi)間(jian),母(mu)線(xian)電(dian)壓(ya)由(you)儲(chu)能(neng)電(dian)容(rong)提(ti)供(gong)支(zhi)持(chi)。需(xu)確(que)保(bao)為(wei)母(mu)線(xian)添(tian)加(jia)足(zu)夠(gou)的(de)電(dian)容(rong),以(yi)在(zai)模(mo)塊(kuai)快(kuai)速(su)重(zhong)啟(qi)的(de)時(shi)間(jian)區(qu)間(jian)內(nei)提(ti)供(gong)支(zhi)持(chi)。該(gai)電(dian)路(lu)板(ban)中(zhong)的(de)係(xi)統(tong)級(ji)控(kong)製(zhi)電(dian)路(lu)可(ke)用(yong)於(yu)禁(jin)用(yong)/啟用模塊,以消除不必要的功耗。
在電池充電方向,可以禁用區塊2的四個模塊,並可禁用區塊3的三個模塊,這可提供300W的電池充電電源。
在支持母線的方向,區塊1的模塊可以被禁用,這可提供1500W的支持母線電源。在這個配置中,該係統能夠以300W/25A為電池充電,以1500W/31A支持48V母線。憑借140分鍾的電池容量,它從完全放電到完全充滿電,所需時間為2.3小時,隨後它還能為母線(1500W負載)提供28分鍾的供電。重新配置或並聯可輕鬆實現更高的功率級別。
在正向和反向模式下,區塊1/區塊3模塊都保持97.3%效率,區塊2的模塊的效率可達96.2%。0.78W是區塊1/區塊3模塊的禁用功耗,0.04W是區塊2模塊的禁用功耗。因此在該電池充電模式下,峰值效率為:
而在支持母線模式下,峰值效率為:
結論
本文主要介紹全新雙向DC-DC轉換器的設計與分析。它可用於雙向(電池充電方向和支持母線的方向)連接電池組和DC母(mu)線(xian)。此(ci)外(wai),本(ben)文(wen)還(hai)分(fen)析(xi)了(le)電(dian)路(lu)及(ji)係(xi)統(tong)實(shi)施(shi)中(zhong)每(mei)個(ge)區(qu)塊(kuai)的(de)工(gong)作(zuo)原(yuan)理(li)。實(shi)驗(yan)結(jie)果(guo)顯(xian)示(shi),該(gai)方(fang)法(fa)在(zai)兩(liang)個(ge)功(gong)率(lv)流(liu)向(xiang)都(dou)實(shi)現(xian)高(gao)效(xiao)率(lv)。我(wo)們(men)為(wei)該(gai)應(ying)用(yong)構(gou)建(jian)了(le)一(yi)款(kuan)300W輸入(電池充電)1500W輸出(支持母線)雙向DC-DC轉換器樣機。憑借140分鍾的鉛酸電池容量,它從完全放電到完全充滿電,所需充電時間為2.3小時,隨後它還能為母線(1500W負載)提供28分鍾的供電。利用電路板上的係統控製電路,該樣機能夠以92.9%的效率(300W)為電池充電,以93.6%的效率(1500W)為母線提供支持。重新配置或並聯可輕鬆實現更高的功率級別。
免責聲明:本文為轉載文章,轉載此文目的在於傳遞更多信息,版權歸原作者所有。本文所用視頻、圖片、文字如涉及作品版權問題,請電話或者郵箱聯係小編進行侵刪。
推薦閱讀:
- 噪聲中提取真值!瑞盟科技推出MSA2240電流檢測芯片賦能多元高端測量場景
- 10MHz高頻運行!氮矽科技發布集成驅動GaN芯片,助力電源能效再攀新高
- 失真度僅0.002%!力芯微推出超低內阻、超低失真4PST模擬開關
- 一“芯”雙電!聖邦微電子發布雙輸出電源芯片,簡化AFE與音頻設計
- 一機適配萬端:金升陽推出1200W可編程電源,賦能高端裝備製造
- 貿澤EIT係列新一期,探索AI如何重塑日常科技與用戶體驗
- 算力爆發遇上電源革新,大聯大世平集團攜手晶豐明源線上研討會解鎖應用落地
- 創新不止,創芯不已:第六屆ICDIA創芯展8月南京盛大啟幕!
- AI時代,為什麼存儲基礎設施的可靠性決定數據中心的經濟效益
- 矽典微ONELAB開發係列:為毫米波算法開發者打造的全棧工具鏈
- 車規與基於V2X的車輛協同主動避撞技術展望
- 數字隔離助力新能源汽車安全隔離的新挑戰
- 汽車模塊拋負載的解決方案
- 車用連接器的安全創新應用
- Melexis Actuators Business Unit
- Position / Current Sensors - Triaxis Hall




