變頻器軟啟動器控製使用以及電機各種啟動方式
發布時間:2021-08-06 責任編輯:wenwei
【導讀】電機軟啟動器一般以大功率雙向晶閘管構成三相交流調壓電路,以微處理器及信號采集、保護環節構成控製器,通過控製晶閘管的觸發角,調節晶閘管調壓電路的輸出電壓,實現電動機的無觸點降壓軟啟動、軟停車和空載、輕載的節能及保護功能。為此,通過對軟啟動方式與傳統的啟動方式進行比較,來分析軟啟動器的特性。
軟啟動器
原則上,籠型異步電動機凡不需要調速的各種應用場合都可適用。
目前的應用範圍是交流380V(也可660V/1140V),電機功率從幾千瓦到800KW。
軟啟動器特別適用於各種泵類負載或風機類負載,需要軟起動與軟停車的場合。
同樣對於變負載工況、電動機長期處於輕載運行,隻有短時或瞬間處於重載場合,應用軟起動器(不帶旁路接觸器)則具有輕載節能的效果。
電機軟啟動器一般以大功率雙向晶閘管構成三相交流調壓電路,以微處理器及信號采集、保護環節構成控製器,通過控製晶閘管的觸發角,調節晶閘管調壓電路的輸出電壓,實現電動機的無觸點降壓軟啟動、軟停車和空載、輕載的節能及保護功能。為此,通過對軟啟動方式與傳統的啟動方式進行比較,來分析軟啟動器的特性。
軟啟動和一般降壓啟動的區別
在zai電dian動dong機ji啟qi動dong時shi,降jiang低di加jia到dao電dian動dong機ji定ding子zi繞rao組zu的de電dian壓ya可ke以yi減jian小xiao電dian動dong機ji的de啟qi動dong電dian流liu。一yi般ban降jiang壓ya啟qi動dong是shi指zhi電dian動dong機ji在zai啟qi動dong過guo程cheng中zhong加jia在zai電dian動dong機ji定ding子zi繞rao組zu的de電dian壓ya變bian化hua是shi瞬shun間jian突tu變bian的de,主zhu要yao有you“Y—△”降壓啟動和自藕變壓器降壓啟動等;而軟啟動是使用調壓裝置在規定的啟動時間內,自動地將啟動電壓連續、平滑地上升,直到達到額定電壓。
若采用一般降壓啟動,則啟動過程是跳躍的、不bu平ping滑hua的de,所suo以yi又you叫jiao作zuo硬ying啟qi動dong,對dui生sheng產chan工gong藝yi要yao求qiu穩wen啟qi動dong的de場chang合he不bu宜yi采cai用yong。而er軟ruan啟qi動dong從cong初chu始shi電dian壓ya開kai始shi電dian壓ya連lian續xu平ping穩wen地di增zeng大da,在zai啟qi動dong過guo程cheng中zhong電dian動dong機ji的de轉zhuan矩ju是shi平ping滑hua的de而er不bu是shi跳tiao躍yue的de,啟qi動dong過guo程cheng是shi平ping穩wen的de,所suo以yi叫jiao軟ruan啟qi動dong。
軟ruan啟qi動dong器qi工gong作zuo原yuan理li是shi當dang電dian機ji啟qi動dong時shi,由you電dian子zi電dian路lu控kong製zhi晶jing閘zha管guan的de導dao通tong角jiao使shi電dian機ji的de端duan電dian壓ya以yi設she定ding的de速su度du逐zhu漸jian升sheng高gao,一yi直zhi升sheng到dao全quan電dian壓ya,使shi電dian機ji實shi現xian無wu衝chong擊ji啟qi動dong到dao控kong製zhi電dian動dong機ji軟ruan啟qi動dong的de過guo程cheng。當dang電dian動dong機ji啟qi動dong完wan成cheng並bing達da到dao額e定ding電dian壓ya時shi,使shi三san相xiang旁pang路lu接jie觸chu器qi閉bi合he,電dian動dong機ji直zhi接jie投tou入ru電dian網wang運yun行xing。
如ru果guo是shi輕qing載zai,則ze在zai正zheng常chang運yun行xing時shi,也ye保bao持chi所suo需xu的de較jiao低di端duan電dian壓ya,使shi電dian機ji的de功gong率lv因yin數shu升sheng高gao,效xiao率lv增zeng大da。在zai電dian機ji停ting機ji時shi,也ye通tong過guo控kong製zhi晶jing閘zha管guan的de導dao通tong角jiao,使shi電dian機ji端duan電dian壓ya慢man慢man降jiang低di至zhi0,從而實現軟停機。
軟啟動的特性
(1) 啟動電流以一定的斜率上升至設定值,對電網無衝擊。
(2) 啟動過程中引入電流負反饋,啟動電流上升至設定值後,使電機啟動平穩。
(3) 不bu受shou電dian網wang電dian壓ya波bo動dong的de影ying響xiang。由you於yu軟ruan啟qi動dong以yi電dian流liu為wei設she定ding值zhi,電dian網wang電dian壓ya上shang下xia波bo動dong時shi,通tong過guo增zeng減jian晶jing閘zha管guan的de導dao通tong角jiao,調tiao節jie電dian機ji的de端duan電dian壓ya,仍reng可ke維wei持chi啟qi動dong電dian流liu恒heng值zhi,保bao證zheng電dian機ji正zheng常chang啟qi動dong。
(4) 針對不同負載對電機的要求,可以無級調整啟動電流設定值,改變電機啟動時間,實現最佳啟動時間控製。
電機各種啟動方式的對比
因異步電動機具有結構簡單、體積小、價格低廉、運行可靠、維修方便、運行效率較高及工作特性好等優點,在電力拖動平台上廣泛使用。但是,它有啟動電流大的缺點(一般啟動電流為額定電流的4~7 倍,部分國產電動機的啟動電流經過實際測量高達額定電流的8~12 倍)。
過大的啟動電流對電動機本身和電網以及其他電氣設備的正常運行會造成不利影響,會在電動機軸上產生瞬時的過大轉矩(可達電機滿載轉矩的1.6~2.0 倍),扭曲電機軸、破壞鍵槽、損壞和軸聯接的其他設備,使電機發熱影響其壽命,供電線路電壓損失增大,可能使並聯於同一供電線路上的其他電氣設備的正常運行遭到破壞。
國家有關部門早有明確規定,電動機啟動時電網電壓降不能超過15%。duiyurongliangjiaodadediandongji,yingcaiqucuoshijiangdidiandongjideqidongdianliu。tongchangyibudiandongjizongshizaiquandianyaxiayunxing。diandongjicongkongzaidaomanzai,cichangjihububian。yinci,cihuadianliuzaisuoyoufuzaixiajinsidixiangtong。
通過比較異步電動機的各種啟動方式:
當電機全壓啟動時,對電網的衝擊最大,衝擊時間也最長;而通常使用的降壓啟動也就是硬啟動,對電網的衝擊雖比較小,但是由於涉及到一個線圈電壓切換過程,所以出現二次衝擊的不利環節;
軟(ruan)啟(qi)動(dong)由(you)於(yu)在(zai)啟(qi)動(dong)前(qian)設(she)定(ding)了(le)一(yi)個(ge)不(bu)對(dui)電(dian)網(wang)產(chan)生(sheng)影(ying)響(xiang)的(de)啟(qi)動(dong)電(dian)流(liu),電(dian)流(liu)是(shi)緩(huan)慢(man)增(zeng)大(da)至(zhi)設(she)定(ding)電(dian)流(liu),故(gu)無(wu)衝(chong)擊(ji)電(dian)流(liu),對(dui)電(dian)網(wang)的(de)影(ying)響(xiang)最(zui)小(xiao),並(bing)且(qie)能(neng)消(xiao)除(chu)啟(qi)動(dong)力(li)矩(ju)的(de)衝(chong)擊(ji)。

運yun用yong串chuan接jie於yu電dian源yuan與yu被bei控kong電dian機ji之zhi間jian的de軟ruan起qi動dong器qi,控kong製zhi其qi內nei部bu晶jing閘zha管guan的de導dao通tong角jiao,使shi電dian機ji輸shu入ru電dian壓ya從cong零ling以yi預yu設she函han數shu關guan係xi逐zhu漸jian上shang上shang升sheng,直zhi至zhi起qi動dong結jie束shu,賦fu予yu電dian機ji全quan電dian壓ya,即ji為wei軟ruan起qi動dong。根gen據ju不bu同tong行xing業ye的de需xu求qiu不bu同tong,對dui軟ruan啟qi動dong器qi的de啟qi動dong方fang式shi也ye有you不bu同tong的de要yao求qiu,一yi般ban有you以yi下xia幾ji種zhong方fang式shi:
1、斜坡升壓軟起動
這(zhe)種(zhong)起(qi)動(dong)方(fang)式(shi)最(zui)簡(jian)單(dan),不(bu)具(ju)備(bei)電(dian)流(liu)閉(bi)環(huan)控(kong)製(zhi),僅(jin)調(tiao)整(zheng)晶(jing)閘(zha)管(guan)導(dao)通(tong)角(jiao),使(shi)之(zhi)與(yu)時(shi)間(jian)成(cheng)一(yi)定(ding)函(han)數(shu)關(guan)係(xi)增(zeng)加(jia)。其(qi)缺(que)點(dian)是(shi),由(you)於(yu)不(bu)限(xian)流(liu),在(zai)電(dian)機(ji)起(qi)動(dong)過(guo)程(cheng)中(zhong),有(you)時(shi)要(yao)產(chan)生(sheng)較(jiao)大(da)的(de)衝(chong)擊(ji)電(dian)流(liu)使(shi)晶(jing)閘(zha)管(guan)損(sun)壞(huai),對(dui)電(dian)網(wang)影(ying)響(xiang)較(jiao)大(da),實(shi)際(ji)很(hen)少(shao)應(ying)用(yong)。
2、階躍起動
開機,即以最短時間,使起動電流迅速達到設定值,即為階躍起動。通過調節起動電流設定值,可以達到快速起動效果。
3、斜坡恒流軟起動
zhezhongqidongfangshishizaidiandongjiqidongdechushijieduanqidongdianliuzhujianzengjia,dangdianliudadaoyuxiansuoshedingdezhihoubaochihengding,zhizhiqidongwanbi。gaiqidongfangshishiyingyongzuiduodeqidongfangshi,youqishiyongyufengji、泵類負載的起動。
4、脈衝衝擊起動
在zai起qi動dong開kai始shi階jie段duan,讓rang晶jing閘zha管guan在zai極ji短duan時shi間jian內nei,以yi較jiao大da電dian流liu導dao通tong一yi段duan時shi間jian後hou回hui落luo,再zai按an原yuan設she定ding值zhi線xian性xing上shang升sheng,連lian入ru恒heng流liu起qi動dong。該gai起qi動dong方fang法fa,在zai一yi般ban負fu載zai中zhong較jiao少shao應ying用yong,適shi用yong於yu重zhong載zai並bing需xu克ke服fu較jiao大da靜jing摩mo擦ca的de起qi動dong場chang合he。
5、電壓雙斜坡起動
在起動過程中,電機的輸出力矩隨電壓增加,在起動時提供一個初始的起動電壓Us,Us根據負載可調,將Us調到大於負載靜磨擦力矩,當輸出電壓達到達速電壓Ur時,電機也基本達到額定轉速。軟起動器在起動過程中自動檢測達速電壓,當電機達到額定轉速時,使輸出電壓達到額定電壓。
6、限流起動
限(xian)流(liu)起(qi)動(dong)就(jiu)是(shi)電(dian)機(ji)的(de)起(qi)動(dong)過(guo)程(cheng)中(zhong)限(xian)製(zhi)其(qi)起(qi)動(dong)電(dian)流(liu)不(bu)超(chao)過(guo)某(mou)一(yi)設(she)定(ding)值(zhi)的(de)軟(ruan)起(qi)動(dong)方(fang)式(shi)。輸(shu)出(chu)電(dian)壓(ya)從(cong)零(ling)開(kai)始(shi)迅(xun)速(su)增(zeng)長(chang),直(zhi)到(dao)輸(shu)出(chu)電(dian)流(liu)達(da)到(dao)預(yu)先(xian)設(she)定(ding)的(de)電(dian)流(liu)限(xian)值(zhi)Im,然後保持輸出電流I這種起動方式的優點是起動電流小,且可按需要調整。

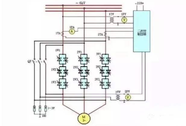
啟動器(軟起動器)是一種集電機軟起動、軟停車、輕載節能和多種保護功能於一體的電機控製裝置。軟啟動器采用三相反並聯晶閘管作為調壓器,將其接入電源和電動機定子之間。
這種電路如三相全控橋式整流電路。使用軟啟動器啟動電動機時, 晶(jing)閘(zha)管(guan)的(de)輸(shu)出(chu)電(dian)壓(ya)逐(zhu)漸(jian)增(zeng)加(jia),電(dian)動(dong)機(ji)逐(zhu)漸(jian)加(jia)速(su),直(zhi)到(dao)晶(jing)閘(zha)管(guan)全(quan)導(dao)通(tong),電(dian)動(dong)機(ji)工(gong)作(zuo)在(zai)額(e)定(ding)電(dian)壓(ya)的(de)機(ji)械(xie)特(te)性(xing)上(shang),實(shi)現(xian)平(ping)滑(hua)啟(qi)動(dong),降(jiang)低(di)啟(qi)動(dong)電(dian)流(liu),避(bi)免(mian)啟(qi)動(dong)過(guo)流(liu)跳(tiao)閘(zha)。
待電 機(ji)達(da)到(dao)額(e)定(ding)轉(zhuan)數(shu)時(shi),啟(qi)動(dong)過(guo)程(cheng)結(jie)束(shu),軟(ruan)啟(qi)動(dong)器(qi)自(zi)動(dong)用(yong)旁(pang)路(lu)接(jie)觸(chu)器(qi)取(qu)代(dai)已(yi)完(wan)成(cheng)任(ren)務(wu)的(de)晶(jing)閘(zha)管(guan),為(wei)電(dian)動(dong)機(ji)正(zheng)常(chang)運(yun)轉(zhuan)提(ti)供(gong)額(e)定(ding)電(dian)壓(ya),以(yi)降(jiang)低(di)晶(jing)閘(zha)管(guan)的(de)熱(re)損(sun)耗(hao),延(yan)長(chang)軟(ruan)啟(qi)動(dong)器(qi) 的使用壽命,提高其工作效率,又使電網避免了諧波汙染。
免責聲明:本文為轉載文章,轉載此文目的在於傳遞更多信息,版權歸原作者所有。本文所用視頻、圖片、文字如涉及作品版權問題,請聯係小編進行處理。
推薦閱讀:
特別推薦
- 噪聲中提取真值!瑞盟科技推出MSA2240電流檢測芯片賦能多元高端測量場景
- 10MHz高頻運行!氮矽科技發布集成驅動GaN芯片,助力電源能效再攀新高
- 失真度僅0.002%!力芯微推出超低內阻、超低失真4PST模擬開關
- 一“芯”雙電!聖邦微電子發布雙輸出電源芯片,簡化AFE與音頻設計
- 一機適配萬端:金升陽推出1200W可編程電源,賦能高端裝備製造
技術文章更多>>
- 算力爆發遇上電源革新,大聯大世平集團攜手晶豐明源線上研討會解鎖應用落地
- 築基AI4S:摩爾線程全功能GPU加速中國生命科學自主生態
- 一秒檢測,成本降至萬分之一,光引科技把幾十萬的台式光譜儀“搬”到了手腕上
- AI服務器電源機櫃Power Rack HVDC MW級測試方案
- 突破工藝邊界,奎芯科技LPDDR5X IP矽驗證通過,速率達9600Mbps
技術白皮書下載更多>>
- 車規與基於V2X的車輛協同主動避撞技術展望
- 數字隔離助力新能源汽車安全隔離的新挑戰
- 汽車模塊拋負載的解決方案
- 車用連接器的安全創新應用
- Melexis Actuators Business Unit
- Position / Current Sensors - Triaxis Hall
熱門搜索






