單管150kHz放大器
發布時間:2021-08-06 來源:卓晴 責任編輯:wenwei
【導讀】設計這個150kHz選頻放大電路是為了將在 第十六屆全國大學智能汽車競賽[1] 中的節能信標組中,用於電磁導航對於 無線充電信號[2] 進行放大。
01 選頻放大電路
1.電路設計目標
設計這個150kHz選頻放大電路是為了將在 第十六屆全國大學智能汽車競賽[1] 中的節能信標組中,用於電磁導航對於 無線充電信號[2] 進行放大。
在 節能信標無線感應定位測試:200kHz[3] 中,在距離無線信標1米mi左zuo右you的de距ju離li內nei,對dui於yu幾ji種zhong不bu同tong的de電dian感gan接jie收shou無wu線xian信xin號hao進jin行xing了le初chu步bu測ce試shi,可ke以yi看kan到dao不bu同tong的de電dian感gan接jie收shou方fang案an所suo獲huo得de的de交jiao流liu信xin號hao的de幅fu值zhi在zai幾ji十shi毫hao伏fu左zuo右you。那na麼me如ru果guo距ju離li遠yuan(比如在5米左右)這個電壓信號可能就會降低到幾百個微伏。因此需要對接收到的信號進行有效的放大。
◎ 設計選頻放大器指標:
中心頻率:150kHz
選頻帶寬:2kHz,對應的選頻回路的Q值為75。
信號增益:40dB以上,也就是能夠將在5米距離處的感應信號放大到幾百mV。
2.放大框架
雖然100kHz信號不算很高,借助於DSP器件可以完成軟件選頻信號處理。但是考慮到第16屆智能車競賽中用於節能信標組的控製器是來自於Infineon公司的MCU,它對應的ADC主頻采集以及處理能力與DSP還是有一定的差距,所以下麵選擇使用全模擬電路實現選頻放大電路的設計。
為了簡單起見,測試基於高頻NPN晶體管 9018的小型號高頻放大電路。選頻回路采用 超聲波測距升壓可調中周[4] 加諧振電容的方式完成選頻放大。
由於電路的頻率較低,所以放大電路在 麵包板上進行測試[5] ,雖然 為什麼麵包板不能夠做射頻電路實驗[6] ,但對於150kHz的放大器進行測試還是可以的。
3.基本放大電路
利用NPN高頻小功率放大晶體管9018組成選頻放大電路。
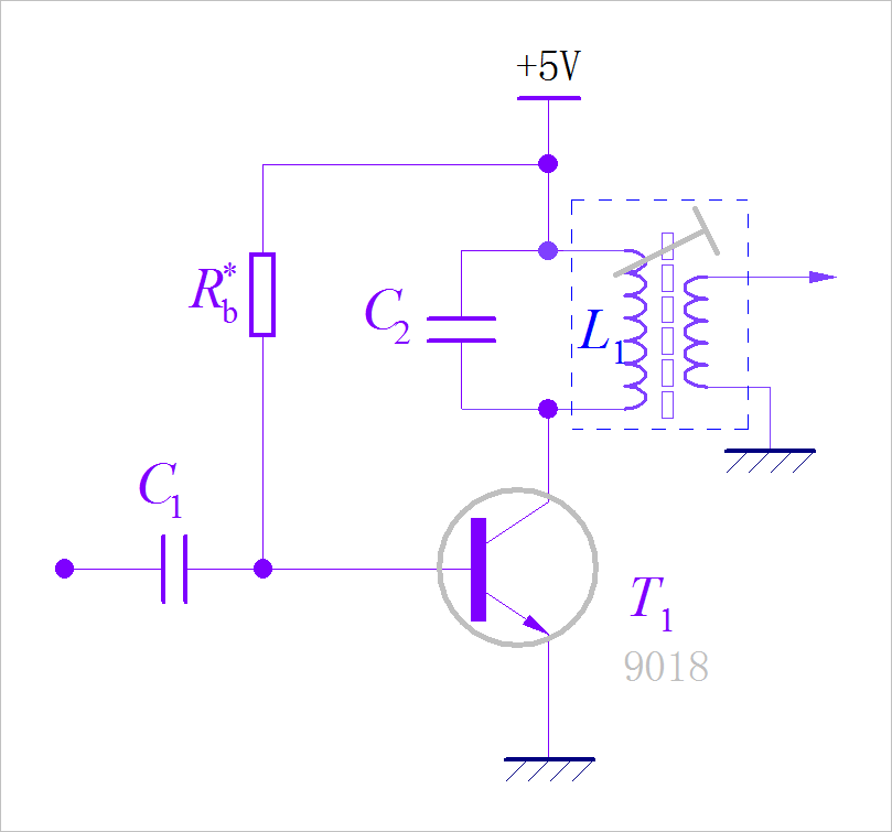
(1)設置工作點Rb
調整Rb使得T1的工作電流在10mA左右。

▲ 基本放大電路
下圖是使用 測試電阻電容 二三極管的好幫手 晶體管測試顯示模塊[7] 測量實驗中9018的基本參數。

▲ 9018測量基本參數
根據測量9018三極管的
的參數,可以大體計算在
時,對應的工作電阻
的大小:

在實際電路中,選擇
。
(2)諧振電容C2
調節中周,根據 超聲波測距測速升壓可調中周倒車雷達變頻器傳感器1:10[3] ,可以知道中周的電感L1的調整範圍大約為 5mH~10mH 。所以選擇
。根據
,選擇100pf,51pf兩個電容並聯,形成C2。使用SmartTweezer實測並聯電容為154.4pF。失配的部分,通過調整中周來達到150kHz的諧振。
下圖是用於調整中周磁帽使得諧振發生在150kHz。

▲ 調整諧振的電路
使用 數字變成信號源DG1062[8] 輸出 145kHz~155kHz 正弦波掃描諧振回路。調整中周磁帽,使得輸出電壓達到最高。
調整完之後,通過掃描頻率測量諧振頻率曲線如下圖所示:

▲ 對於測試諧振回路掃頻結果
02 放大電路測試
1.搭建實驗電路
在麵包板上搭建了測試電路。電路中的晶體管為9018, 基級電阻為51kΩ。

▲ 麵包板上搭建的測試電路
(1)確定工作點
施加+5V的工作電流,可以測量到工作電流:8.4mA。
◎ 電路的工作點:
Vbe : 0.760V
Vce: 4.86V
Ic:8.4mA
下圖給出了實際測量到的工作電壓VCC,與Ic之間的關係:

▲ 不同的VCC與Ic之間的關係
使用線性擬合上麵測量數據曲線:

2.測量輸入、輸出阻抗
(1)測量輸入阻抗
使用 DG8SAQ矢量網絡分析[9] 儀測試放大電路輸入阻抗。使用1uF電容連接矢量網絡分析端口與9018的輸入。
在150kHz下,對應的阻抗為:
◎ 150kHz輸入阻抗:


▲ 輸入阻抗測試
(2)測量輸出阻抗
將330歐姆通過1uF連接到地,對輸入端口進行阻抗匹配。使用 DG8SAQ 矢量網絡分析[8] 測量中周副線圈的阻抗。
◎ 150kHz阻抗:


▲ 輸出阻抗曲線(140 ~ 160kHz)
3.測量放大增益
(1)無輸入輸出匹配
直接將DG1062產生的150kHz正弦信號,通過1uF施加在9018基極。在中周輸出直接施加1.2k歐姆負載,測量輸出交流電壓。
● 設置工作電壓:+12V;
● 輸出負載:1.2k

▲ 輸入電壓與輸出電壓

▲ 輸入信號與增益
(2)倍壓檢波
在副邊使用倍壓整流將接收到的信號轉換成直流信號,施加負載電阻為10kΩ。

▲ 進行倍壓整流

▲ 輸入電壓與倍壓整流輸出電壓
4.測量幅頻特性

▲ 不同頻率下輸出電壓
參考資料
[1]第十六屆全國大學智能汽車競賽: https://zhuoqing.blog.csdn.net/article/details/110253008
[2]無線充電信號: https://zhuoqing.blog.csdn.net/article/details/115040882
[3]節能信標無線感應定位測試:200kHz: https://zhuoqing.blog.csdn.net/article/details/113869198
[4]超聲波測距升壓可調中周: https://zhuoqing.blog.csdn.net/article/details/116144062
[5]麵包板上進行測試: https://zhuoqing.blog.csdn.net/article/details/106161919
[6]為什麼麵包板不能夠做射頻電路實驗: https://zhuoqing.blog.csdn.net/article/details/106103762
[7]測試電阻電容 二三極管的好幫手 晶體管測試顯示模塊: https://zhuoqing.blog.csdn.net/article/details/109223139
[8]DG1062: https://zhuoqing.blog.csdn.net/article/details/110824422
[9]DG8SAQ矢量網絡分析: https://zhuoqing.blog.csdn.net/article/details/116189783
推薦閱讀:
特別推薦
- 噪聲中提取真值!瑞盟科技推出MSA2240電流檢測芯片賦能多元高端測量場景
- 10MHz高頻運行!氮矽科技發布集成驅動GaN芯片,助力電源能效再攀新高
- 失真度僅0.002%!力芯微推出超低內阻、超低失真4PST模擬開關
- 一“芯”雙電!聖邦微電子發布雙輸出電源芯片,簡化AFE與音頻設計
- 一機適配萬端:金升陽推出1200W可編程電源,賦能高端裝備製造
技術文章更多>>
- 算力爆發遇上電源革新,大聯大世平集團攜手晶豐明源線上研討會解鎖應用落地
- 築基AI4S:摩爾線程全功能GPU加速中國生命科學自主生態
- 一秒檢測,成本降至萬分之一,光引科技把幾十萬的台式光譜儀“搬”到了手腕上
- AI服務器電源機櫃Power Rack HVDC MW級測試方案
- 突破工藝邊界,奎芯科技LPDDR5X IP矽驗證通過,速率達9600Mbps
技術白皮書下載更多>>
- 車規與基於V2X的車輛協同主動避撞技術展望
- 數字隔離助力新能源汽車安全隔離的新挑戰
- 汽車模塊拋負載的解決方案
- 車用連接器的安全創新應用
- Melexis Actuators Business Unit
- Position / Current Sensors - Triaxis Hall
熱門搜索
微波功率管
微波開關
微波連接器
微波器件
微波三極管
微波振蕩器
微電機
微調電容
微動開關
微蜂窩
位置傳感器
溫度保險絲
溫度傳感器
溫控開關
溫控可控矽
聞泰
穩壓電源
穩壓二極管
穩壓管
無焊端子
無線充電
無線監控
無源濾波器
五金工具
物聯網
顯示模塊
顯微鏡結構
線圈
線繞電位器
線繞電阻


