電動汽車快速充電係列文章之三:常見拓撲結構和功率器件及其他設計考慮因素
發布時間:2021-08-03 來源:ON 責任編輯:wenwei
【導讀】在上一節中,已經介紹了快速DCEV充電基礎設施的標準配置,以及未來可能的典型基礎設施。下麵介紹當今快速DCEV充電器中使用的典型電源轉換器拓撲結構和AC-DC和DC-DC的功率器件的概況。
什麼是快速直流充電器中使用的常見拓撲結構和功率器件?
在上一節中,已經介紹了快速DCEV充電基礎設施的標準配置,以及未來可能的典型基礎設施。下麵介紹當今快速DCEV充電器中使用的典型電源轉換器拓撲結構和AC-DC和DC-DC的功率器件的概況。
有源整流三相PFC升壓拓撲結構
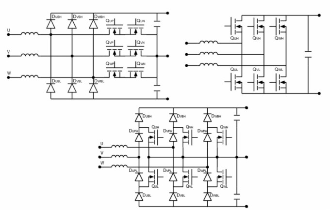
前端三相PFC升壓級可以用多種拓撲結構實現,而且幾種拓撲結構可以滿足相同的電力要求。在“解密三相PFC拓撲結構”中詳細介紹和討論了每種拓撲結構的利弊和操作。圖11展示了快速直流電動車充電應用中常見的PFC架構。它們之間的一個首要區別是雙向性。T-中性點鉗製(T-NPC)和I-NPC拓撲結構通過用開關取代一些二極管而適合雙向操作。6個開關的結構是一個雙向的perse。

圖11. 用於快速直流電動車充電的典型三相功率因素校正(PFC)升壓拓撲結構。
T-NPC(左上)、6開關(右上)和I-NPC(底部)
另一個影響設計和功率器件額定電壓的重要因素是架構中的級數。6個開關的拓撲結構是一個2級架構,通常用900 V或1200 V的開關來實現快速直流電動車充電器。這裏SiC MOSFET-模塊具有低RDS on(6-40 mQ)區域的首選解決方案,特別是對於每塊15 kWyishangdegaogonglvfanwei。zhezhongjichengbiaoxianchubifenlijiejuefangangengyouyuedegonglvxingneng,tigaolenengxiao,jianhualesheji,jianxiaolezhenggexitongdechicun,bingzuidahuakekaoxing。
T-中性點箝位(T-NPC)是一種3級拓撲結構,使用1200 V整流器(以雙向形式用開關代替),中性點路徑上有650 V開關背對背。I-NPC是一個3級架構,可能完全用650 V開關實現。650 V SiC MOSFET或IGBT與共包二極管代表了這些3級拓撲結構的優秀替代方案。

圖12. F1-2 PACK SiC MOSFET模塊半橋。1200 V,10 mQ
DC-DC拓撲結構
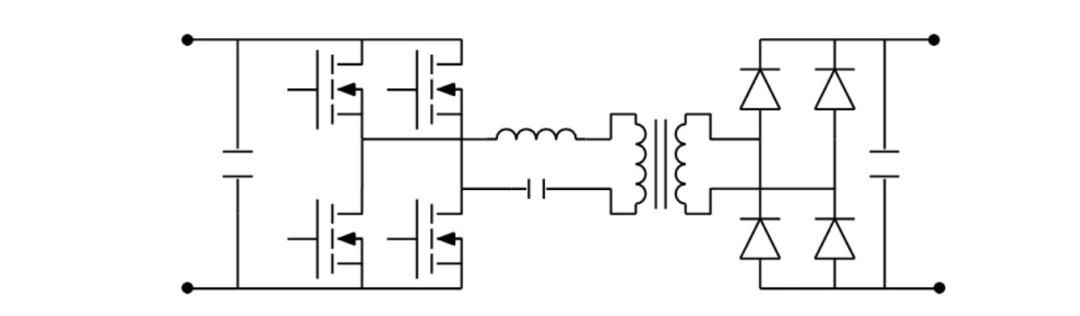
在研究DC-DC轉換級時,主要采用了三種隔離拓撲結構:全橋LLC諧振轉換器、全橋移相雙有源橋(DAB)零電壓過渡(ZVT)轉換器和全橋移相ZVT轉換器(圖13、14和15)。
全橋LLC諧振
LLC轉換器在初級端實現了零電壓開關(ZVS),同時在諧振頻率及以下——在次級端實現了零電流開關(ZCS),從而在諧振頻率附近產生了非常高的峰值效率。作為一個純粹的頻率調製(FM)係統,當係統工作點偏離諧振頻率時,這可能是需要寬輸出電壓操作時的情況,LLC的能效就會下降。
然而,先進的混合調製方案使今天的脈衝調製(PWM)與調頻相結合,限製了最大頻率失控和高損耗。不過,這些混合實現方式還是給已經有時很麻煩的LLC控製算法增加了複雜性。
此外,並聯的LLCs轉換器的電流共享和同步也不是件容易的事。一般來說,當有可能在相對較小的電壓範圍內工作時,和/或當具備實施結合調頻和PWM的先進控製策略的開發技能時,LLC是一種難以超越的設計。它不僅可以提供最高的能效,而且從各個角度看都是一個非常全麵的解決方案。LLC可以作為CLLC以雙向形式實現,這是另一種複雜的拓撲結構。

圖13. 全橋LLC轉換器
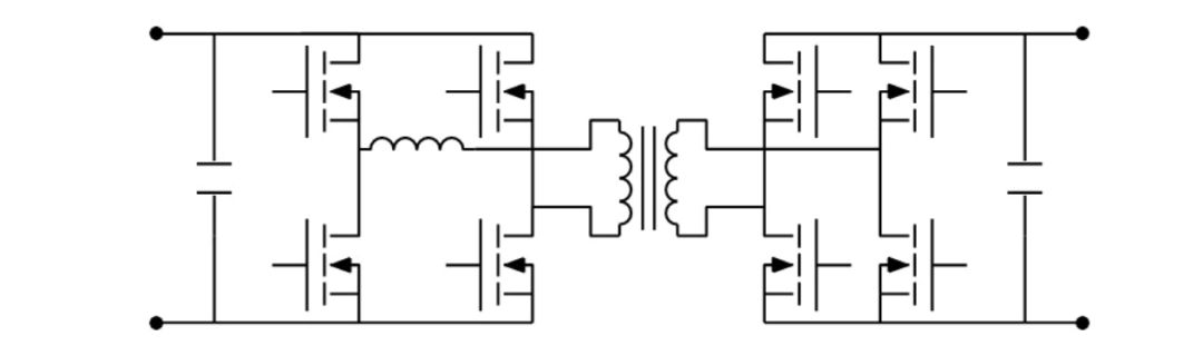
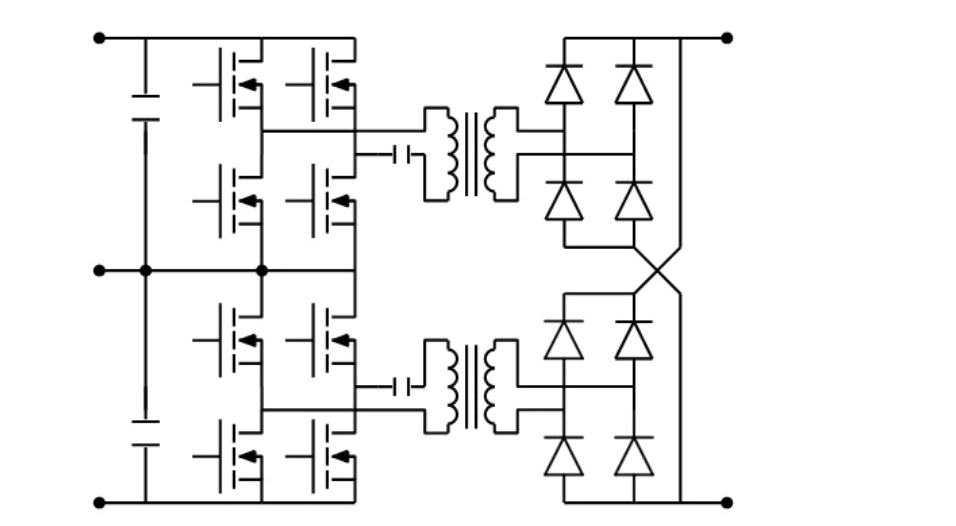
帶有次級同步整流拓撲結構的移相全橋DAB也非常典型。這些都是用PWM工作,一般來說,需要比LLC轉換器更簡單的控製。DAB可以被認為是傳統的全橋移相ZVT轉換器的演變,但漏電感器在初級端,這簡化了繁瑣的次級端整流,減少了二次開關或二極管的必要額定擊穿電壓。由於實現了ZVT,這些轉換器可以在很寬的輸出電壓範圍內提供穩定的高能效。這對於支持800 V和400 V電池電壓水平的充電器來說是個方便的因素。
DAB的PWM工作帶來了好處。首先,它傾向於使轉換器的電磁幹擾(EMI)頻譜比調頻係統中的更緊密。此外,用固定的開關頻率,係統在低負載時的行為更容易解決。通過同步整流,DAB是一種雙向的原生拓撲結構,是快速電動汽車充電器的最通用的替代方案和合適的解決方案之一。

圖14.全橋移相式DAB ZVT轉換器
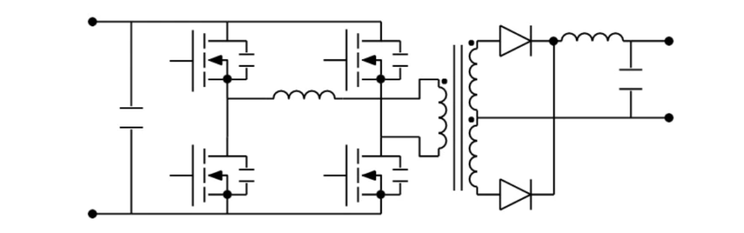
對於單向操作,傳統的全橋移相ZVT(圖15)仍然是一個可用的選擇,但滲透率越來越低。這種拓撲結構的工作與DAB類lei似si,但dan位wei於yu次ci級ji端duan的de電dian感gan器qi在zai整zheng流liu中zhong帶dai來lai一yi個ge顯xian著zhu的de差cha異yi。電dian感gan器qi在zai二er極ji管guan上shang設she置zhi了le高gao的de反fan向xiang電dian壓ya,這zhe將jiang與yu占zhan空kong比bi成cheng正zheng比bi和he反fan比bi,因yin此ci,根gen據ju工gong作zuo條tiao件jian,二er極ji管guan上shang的de反fan向xiang電dian壓ya可ke能neng超chao過guo輸shu出chu電dian壓ya的de兩liang到dao三san倍bei。
這種情況在高輸出電壓的係統中(如電動車充電器)可能具有挑戰性,通常多個次級繞組(具有較低的輸出電壓)被(bei)串(chuan)聯(lian)起(qi)來(lai)。這(zhe)樣(yang)的(de)配(pei)置(zhi)並(bing)不(bu)那(na)麼(me)方(fang)便(bian),特(te)別(bie)是(shi)如(ru)果(guo)考(kao)慮(lv)到(dao)功(gong)率(lv)和(he)電(dian)壓(ya)的(de)額(e)定(ding)值(zhi),不(bu)同(tong)的(de)拓(tuo)撲(pu)結(jie)構(gou)含(han)單(dan)一(yi)輸(shu)出(chu)將(jiang)提(ti)供(gong)相(xiang)同(tong)或(huo)更(geng)好(hao)的(de)性(xing)能(neng)。
SiC-模塊代表了上述DC-DC電源轉換級中全橋的一個非常合適和常見的解決方案,起價為15 kW。更高的頻率有助於縮小變壓器和電感器的尺寸,從而縮小整個解決方案的外形尺寸。

圖15. 全橋移相ZVT轉換器
拓撲結構的變體
所討論的拓撲結構存在多種變體,帶來額外的優勢和折衝。圖16顯示了用於快速電動車充電的全橋LLC轉換器的一個常見替代方案。在移相中,開關在輸入電壓的一半以下,並使用600 V和650 V的斷電電壓器件。650 V SiC MOSFET、650 V SuperFET 3快速恢複(FR)MOSFET和650 V FS4 IGBT將有助於解決不同的係統要求。
同樣,用於出極端的二極管和整流器需要650 V的阻斷電壓等級。這些3jijiagouyunxudanjikaiguan,zheyouzhuyujianshaofengzhidianliuhedianliuwenbo,zhejiangdaozhiyonggengxiaodebianyaqi。zhezhongtuopujiegoudezhuyaoquedianzhiyishi,yujuyoujiaoshaodianyuankaiguande2級ji版ban本ben相xiang比bi,控kong製zhi算suan法fa需xu要yao額e外wai的de複fu雜za程cheng度du。雙shuang有you源yuan橋qiao以yi及ji雙shuang有you源yuan橋qiao可ke以yi很hen容rong易yi地di在zai初chu級ji端duan和he次ci級ji端duan並bing聯lian或huo堆dui疊die,以yi最zui配pei合he快kuai速su電dian動dong汽qi車che充chong電dian器qi的de電dian流liu和he電dian壓ya需xu求qiu。

圖16. 3級全橋LLC
這種變體在初級端堆疊(隻有一半的輸入電壓應用於每個變壓器),在次級端並聯。
次級端整流
關於次級端整流,如圖15所示,可以有多種解決方案,而且都可以使用不同的拓撲結構。對於400 V和800 V的電池水平和全橋整流,650 V和1200 V的SiC肖特基二極管通常是獨特的性價比解決方案。
由(you)於(yu)其(qi)零(ling)反(fan)向(xiang)恢(hui)複(fu)特(te)性(xing),與(yu)矽(gui)基(ji)替(ti)代(dai)品(pin)相(xiang)比(bi),這(zhe)些(xie)器(qi)件(jian)大(da)大(da)增(zeng)強(qiang)了(le)整(zheng)流(liu)性(xing)能(neng)和(he)能(neng)效(xiao),大(da)大(da)降(jiang)低(di)了(le)損(sun)耗(hao)和(he)整(zheng)流(liu)級(ji)的(de)複(fu)雜(za)性(xing)。矽(gui)基(ji)二(er)極(ji)管(guan),如(ru)Hyperfast、UltraFast和Stealth,可以作為成本非常有限的項目的替代品,但要犧牲性能和複雜性。采用中心抽頭整流的解決方案(圖15)對於高電壓輸出整流級來說並不方便。
yuquanqiaozhengliubutongdeshi,zaiquanqiaozhengliuzhong,erjiguandebiaozhunfanxiangdianyadengyushuchudianya,erzaizhongxinchoutoupeizhizhong,erjiguanyaochengshouzhegeshuzhideliangbei。changguidequanqiaoyixiangzhuanhuanqi(電感在次級端),正如所解釋的那樣,在兩種整流方法(全橋或中心抽頭整流)中都需要更高的擊穿電壓二極管。為了克服常規全橋移相轉換器對1200 V或1700 V額定二極管的需求,幾個輸出將被串聯起來。
其他重要的設計考慮因素
除了電源轉換器中的拓撲結構和開關器件外,在開發快速電動車充電器時,還有其他重要領域需要考慮,尤其是在使用SiC開關在高頻率下工作時。
門極驅動係統
在所有的拓撲結構中,驅動係統仍然是快速直流電動車充電器的一個重要方麵,對係統性能有直接影響。
隔離
zaigelidezhutixia,shouxianyaokaolvdewentizhiyi。jianyukuaisuzhiliudiandongchechongdianqisuotaolundegaogonglvhegaodianya,diangeliduiyugaoduanqudongqishibixude。duiyudiduantongleichanpin,jinguanconganquanjiaodukanbingfeizongshiyangebiyaode,danchangjiandezuofashishiyongyugaoduanxiangtongdemenjiqudongxitonghedianlu。
這種方法帶來了多種好處,包括解決方案的實施和係統的穩健性。一方麵,它有利於同一半橋上的開關器件之間的延遲匹配。這簡化了PWM序列和死區時間的控製和實施,以防止擊穿事件。此外,隔離驅動器通過最大限度地提高其共模瞬態抗擾度(CMTI)來增強係統的堅固性,這在使用快速開關寬禁帶技術在高dV/dt 驅動時特別重要,如SiC。
這裏還需要指出的是,采用開爾文連接的電源開關需要一個浮動或電隔離的驅動器(在高端和低端)來獲得配置的好處,因為它將大大減少損耗和提高傳播時間。
片上保護和功能
門極驅動器的另一個關鍵考慮因素是片上集成功能(除電隔離外)和保護。根據係統的要求和開關的類型,可能需要過電流保護(“DESAT”)—— IGBT和SiC MOSFET的典型保護——米勒鉗製(避免錯誤開啟)。包括這些或其他必要的封裝功能可以實現緊湊的係統,並最大限度地減少布局中的寄生電感,這是使用SiC的高開關頻率係統的基本要求。
在zai數shu字zi控kong製zhi的de係xi統tong中zhong,內nei置zhi保bao護hu也ye非fei常chang方fang便bian,可ke以yi提ti供gong板ban載zai保bao護hu。在zai係xi統tong能neng效xiao方fang麵mian,門men極ji驅qu動dong器qi的de接jie受shou端duan和he源yuan端duan能neng力li對dui於yu通tong過guo快kuai速su充chong電dian和he放fang電dian寄ji生sheng門men極ji電dian容rong實shi現xian快kuai速su開kai關guan轉zhuan換huan至zhi關guan重zhong要yao。在zai使shi用yongSiC技術時,這在高功率應用中特別重要,因為這比基於Si的IGBT或SJ MOSFET實現更快的轉換。
電隔離門極驅動器係列具有3.5 kV和5 kV額定值的NCD57XXX和NCD51XXX為開發快速電動車充電器帶來設計靈活性和係統可靠性,在片上集成了多種功能和保護措施,並顯示出高達9 A的驅動電流能力。該產品組合包括單通道驅動器,如NCD57000/1、NCD5708x、NCD5709x、NCP51152/7,以及雙通道驅動器,如NCP51561、NCP51563和NCD57252/256,以滿足所有使用情況。

圖17. 電隔離的單通道和雙通道門驅動器框圖
驅動器電源
與門極驅動器相鄰的一個話題是驅動它們所需的隔離電源。SiC開關的最佳性能是通過+20 V – 5 V的偏置電壓實現的,而IGBT通常需要+15 V/0 V或15 V。更多的細節可以在“Gen11200VSiCMOSFETs & Modules: 特性和驅動建議”。
同樣,對於門極驅動器來說,電源需要緊湊和堅固,確保在所有工作條件下有穩定的電壓軌。圍繞NCV3064開關穩壓器的電源,如LVDCDC3064-IGBT和LVDCDC3064-SIC有助於滿足這些需求。
保護措施
kuaisuzhiliudiandongchechongdiandelingyigezhongyaokaolvyinsushixitongzhongbiyaodeanquanbaohu,youqishifaguisuoguidingdeanquanbaohu。qiangzhixingbaohushizhenduichewaidejiediguzhangdianliu(GFC),以防止對人體產生危險的電擊風險。
特別是,充電電路中斷裝置(CCID)是專門為EV充電而開發的,IEC61851-1(前麵討論過)和UL 2231-1/2標準分別對其在歐洲/亞洲和北美的實施進行了規範。FAN4147和NCS37014 GFC中斷器滿足這些法規的要求,為開發符合安全要求的EVSE提供了現成的解決方案。
輔助電源
輔助電源單元(PSU)在電力係統中無處不在,快速直流電動車充電也不例外。隔離反激拓撲結構是方便和可靠的選擇,可以提供低壓係統所需的典型的10-40 W。
特te別bie是shi,對dui於yu快kuai速su直zhi流liu電dian動dong車che充chong電dian,直zhi流liu母mu線xian的de電dian壓ya水shui平ping是shi影ying響xiang整zheng個ge係xi統tong的de主zhu要yao因yin素su之zhi一yi。現xian在zai的de趨qu勢shi是shi提ti高gao這zhe些xie水shui平ping,以yi減jian少shao特te定ding功gong率lv水shui平ping的de峰feng值zhi電dian流liu並bing提ti高gao能neng效xiao。
如今,直流母線電壓水平高達800 V(甚至更高)是很常見的,並不是所有的傳統方案都適合電動汽車充電。在這裏,圍繞NCP1362準諧振穀初級端開關或NCP1252和NCP12700次級端控製器開發的PSU可以幫助解決這些需求。在開關方麵,具有高RDS on(160 mOhms)的1200V SiC MOSFET正在被迅速采用,因為它們帶來了出色的性價比,是900 V DC係統的最佳方案。
歸結一切
我們已經看到了電動車市場的增長是如何加速的,以及為什麼隨著更多的電動車上路,快速直流充電需要(也將)保持吸引力。
在過去的大多月份裏,指向這一方向的新聞如雨後春筍般湧現,其中一個是美國總統宣布的到2030年建立50萬個直流充電樁網絡的計劃。其最終目標是推動電動車成為主流,擺脫以內燃機為基礎的交通工具,並應對氣候變化。
kuaisuhechaokuaisudezhiliuchongdianzhuangshidiandongqichedeyigeguanjianzhizhu,yeshiwanchengshengtaixitongdeyigebukehuoquedeyuansu,zaijiatingzhongkeyishiyongjiaodigonglvdejiaoliuchongdiantidaipin,yinweikeyizaijiaochangshijianneichongdian。zuoweiyigexinshengde、快速發展的市場,快速直流電動車充電器的要求和使用案例在不斷升級,留下了一個需要各種解決方案和不同優化的空間。
不過,所有這些的共同點將是越來越高的功率、電壓水平和能效。此外,隨著此類基礎設施的大規模推出,競爭格局變得更加嚴酷,安裝的投資回報率也將需最大化,預計對尺寸、重量、成本和可靠性的限製也會加強。
現在,SiC功率技術正在成熟,其價格正在達到有吸引力的水平,這為先進的SiC功率集成模塊技術的發展留下了空間。更高的能效和優越的熱性能,使充電係統更輕、更小、成本更優化,可提供高達400 kW的功率。除了SiC技術和功率模塊的內在優勢,充電器的可靠性仍然是有效和廣泛部署電動車的基石。
安森美半導體不僅是SiC技術和功率集成模塊的一個領先供應商,而且在質量上與眾不同。作為極少數擁有SiC完整供應鏈的供應商之一,安森美半導體確保我們的SiC分立及模塊產品的最高質量和可靠性標準,以及卓越的運營和靈活性。
免責聲明:本文為轉載文章,轉載此文目的在於傳遞更多信息,版權歸原作者所有。本文所用視頻、圖片、文字如涉及作品版權問題,請聯係小編進行處理。
推薦閱讀:
特別推薦
- 噪聲中提取真值!瑞盟科技推出MSA2240電流檢測芯片賦能多元高端測量場景
- 10MHz高頻運行!氮矽科技發布集成驅動GaN芯片,助力電源能效再攀新高
- 失真度僅0.002%!力芯微推出超低內阻、超低失真4PST模擬開關
- 一“芯”雙電!聖邦微電子發布雙輸出電源芯片,簡化AFE與音頻設計
- 一機適配萬端:金升陽推出1200W可編程電源,賦能高端裝備製造
技術文章更多>>
- 築基AI4S:摩爾線程全功能GPU加速中國生命科學自主生態
- 一秒檢測,成本降至萬分之一,光引科技把幾十萬的台式光譜儀“搬”到了手腕上
- AI服務器電源機櫃Power Rack HVDC MW級測試方案
- 突破工藝邊界,奎芯科技LPDDR5X IP矽驗證通過,速率達9600Mbps
- 通過直接、準確、自動測量超低範圍的氯殘留來推動反滲透膜保護
技術白皮書下載更多>>
- 車規與基於V2X的車輛協同主動避撞技術展望
- 數字隔離助力新能源汽車安全隔離的新挑戰
- 汽車模塊拋負載的解決方案
- 車用連接器的安全創新應用
- Melexis Actuators Business Unit
- Position / Current Sensors - Triaxis Hall
熱門搜索





