車載充電器OBC選擇DAB還是CLLLC
發布時間:2021-01-14 來源:Brent McDonald 責任編輯:lina
【導讀】為了優化電動汽車(EV)的功率,車載充電器(OBC)必須高效,重量輕且尺寸小。OBC需要支持適當的並網(G2V)電壓和電流電池充電算法;因此,它用作電網和EV之間的功率調節接口(圖1)。此外,它必須能夠從車輛到電網(V2G)供電,以便電動汽車可以為電網進行反向充電。
為了優化電動汽車(EV)的功率,車載充電器(OBC)必須高效,重量輕且尺寸小。OBC需要支持適當的並網(G2V)電壓和電流電池充電算法;因此,它用作電網和EV之間的功率調節接口(圖1)。此外,它必須能夠從車輛到電網(V2G)供電,以便電動汽車可以為電網進行反向充電。

圖1 OBC需要支持適當的電網到車輛(G2V)電壓,並可實現車輛到電網(V2G)提供電源。
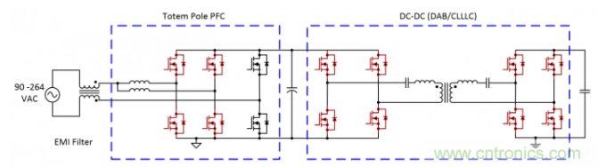
要使EV內部的電網與高壓電池之間的接口便利化,需要電磁幹擾(EMI)濾波器,功率因數校正(PFC)和隔離的DC / DC功率級。圖2說明了這種體係結構。

圖2此簡化原理圖顯示了OBC如何用作電網和電池之間的接口。
討論的範圍僅限於DC / DC階段。在撰寫本文時,DC / DC級的兩個流行選擇是電容器-電感器-電感器-電感器-電容器(CLLLC)和雙有源電橋(DAB)拓撲(圖3和圖4)。兩種選擇都可以實現較小的解決方案尺寸,並提供必要的G2V和V2G電源需求。

圖3該原理圖顯示了CLLLC的基本拓撲。

圖4該原理圖顯示了DAB拓撲。
最大化OBC性能並最小化其尺寸
要了解這兩個拓撲選項如何影響OBC的大小和性能,讓我們進一步將範圍限製在電池充電階段(即G2V),考慮如何通過提供開關的最大電池功率來最大程度地減少充電時間可以忍受。例如,請考慮以下操作條件下的開關:
PDISS = 20W
ϑJA = 3°C / W
TA = 65°攝氏度
根據等式1,開關的TJ = 125°C:
TJ = PDISS⋅ϑJA + TA(1)
此設計中的開關不能承受超過125°C的溫度。因此,這種情況代表了OBC在不影響開關的情況下可以提供給電池的最高功率水平。目的是最大程度地減少開關中的功耗並盡快給電池充電。
驅動開關功率損耗的主要因素有兩個:均方根(RMS)電流和開關保持零電壓開關(ZVS)的能力。
德州儀器(TI)的GaN開kai關guan具ju有you低di電dian容rong,快kuai速su導dao通tong和he關guan斷duan的de特te性xing,因yin此ci該gai轉zhuan換huan器qi能neng夠gou以yi比bi矽gui更geng高gao的de開kai關guan頻pin率lv工gong作zuo。更geng高gao頻pin率lv的de操cao作zuo直zhi接jie影ying響xiang電dian抗kang組zu件jian的de尺chi寸cun,並bing導dao致zhi變bian壓ya器qi,電dian感gan器qi和he電dian容rong器qi更geng小xiao。首shou先xian,為weiDAB和CLLLC建立基線設計,然後探索電路增強功能,以擴展轉換器的ZVS範圍。
基準DAB和CLLLC性能比較

表1概述了OBC的基本要求。
為DAB和CLLLC創chuang建jian詳xiang細xi的de設she計ji有you助zhu於yu確que定ding最zui可ke行xing的de設she計ji。這zhe樣yang做zuo的de過guo程cheng超chao出chu了le本ben討tao論lun的de範fan圍wei。但dan是shi,電dian路lu仿fang真zhen最zui適shi合he於yu充chong分fen估gu算suan開kai關guan中zhong的de損sun耗hao並bing驗yan證zheng是shi否fou符fu合he整zheng體ti功gong能neng。將jiang模mo擬ni器qi配pei置zhi為wei在zai不bu同tong的de功gong率lv水shui平ping以yi及ji輸shu入ru和he輸shu出chu電dian壓ya下xia以yi批pi處chu理li模mo式shi運yun行xing,並bing測ce試shi了le不bu同tong的deDAB和CLLLC電感器,電容器以及匝數比值。在每次模擬運行中,收集有關VIN,VOUT,開關功率,RMS電流和開關ZVS條件等參數的數據。表2總結了兩種優化的拓撲設計。

DAB和CLLLC設計元素表
圖5shuominglexianzhedefangzhenjieguo。suiranmeigetuopuzhongyoubagekaiguan,danzhexietujinhuizhilegonglvsunhaozuigaodekaiguan。duiyumeigekaiguan,douyousangetu。shouxianshizongsunhao。diergeshitongguogaikaiguandeRMS電流。最右邊的第三張圖顯示了給定的GaN開關導通時最壞情況的漏極-源極電壓。該電壓越高,該開關的損耗就越大。因此,開關的RMS電流及其保持ZVS的能力代表了設備功耗的最大部分。

圖5 仿真結果顯示RMS和ZVS基準CLLLC和DAB的條件。
有了這些事實並仔細檢查了數據,很明顯CLLLC能夠在更廣泛的操作範圍內維持ZVS。因此,增強型ZVS可以降低CLLLC開關的功耗。話雖如此,DAB在6.6 kW的工作功率下具有出色的性能,這歸功於良好的ZVS和在大多數範圍內減小的RMS電流。這些觀察結果表明,正在尋找一種在不對RMS電流產生不利影響的情況下改善ZVS的方法。
用換向電感器改善ZVS
圖6和圖7顯示了與圖3和圖4相同的CLLLC和DAB電路,並在拓撲中添加了額外的電感器(以黃色突出顯示),以提供在較寬的工作範圍內維持ZVS所需的額外電流。現在,考慮一種情況,這些額外的電感器一直都在工作。

圖6 示意圖顯示了帶有換向電感的CLLLC。

圖7 示意圖顯示了帶有換向電感的DAB。

表3列出了新電感的值,並為方便起見重複了其他參數。
表3具有換向電感器(LC)值的DAB和CLLLC設計
圖8顯示了重複圖5中的仿真後的結果。

圖8 每個電路的RMS和ZVS結果顯示了LC的影響。
在這種情況下,請注意,DAB能夠在整個工作條件範圍內實現完整的ZVS。 GaN開關的VDS在接通時始終為0V的事實清楚地說明了這一點。 CLLLC雖然未實現完整的ZVS,但能夠實現顯著改進的ZVS。但是,還請注意,ZVS的改進以兩種拓撲結構的RMS電流為代價。僅從功率損耗來看,似乎DAB轉換器在大多數範圍內都具有優勢。
請先將圖8與圖5進行比較,您會注意到,在某些條件下,換向電感器實際上會使損耗更糟。這就引出了一個問題——是否有可能創建一種混合方法,使您能夠同時實現圖5和圖8所示的最低損失?
最大程度地減少損失
換向電感器保持ZVS的更大範圍的工作條件。當轉換器無法維持ZVS時,這將帶來巨大的好處。換向電感器的問題在於,隻有在否則會丟失ZVS的情況下,它才能改善損耗。如果轉換器已經在ZVS中,則換向電感器會增加電流,這會導致開關中的更多損耗。
這種思考過程導致了對混合方法的探索,在這種方法中,換向電感器在較重的負載下保持關閉狀態,而在較輕的負載下接通。圖9顯示了使用這種方法重複進行仿真之後的結果,這使設計能夠利用每種拓撲在重載下的較低RMS電流和自然ZVS能力。
我小心地僅增加了足夠的換向電感和工作時間,以適合開關的熱範圍,以防止不必要的RMS電流流到開關或不必要的解決方案尺寸。請注意,DAB轉換器在工作範圍內無法實現完整的ZVS。 ZVS條件已大大改善,但隻需要保持在前麵討論的20 W開關目標之內即可。

圖9 使用混合方法的RMS和ZVS結果。
為了更好地可視化,圖10總結了每種情況下的功率損耗。您可以看到,DAB轉換器在開關的功率損耗方麵具有明顯的優勢。

圖10每種情況下的功率損耗摘要有助於直觀地權衡取舍。
為了更好地說明這兩個轉換器之間的性能,圖11重新格式化並繪製了圖10所示的數據。該圖顯示了每個轉換器可以提供的最大功率,假設開關不能安全地耗散超過20 W的功率。請記住,20 W是開關可以承受的最大損耗,並且仍將結溫保持在125°C以下。

圖11該圖顯示了每個轉換器可以提供的最大功率。
CLLLC或DAB更好嗎?
如圖11中的藍線高於紅色的事實所證明,與CLLLC相比,DAB轉換器可在整個範圍內提供更多的功率。這使人們很容易假設DAB是明顯的贏家。但是,請記住最小的尺寸和重量這是OBC的核心要求。 DAB轉換器需要兩個額外的電感器,而CLLLC僅需要一個。 我認為,這使CLLLC獲勝。
像工程學中的大多數事物一樣,最好的選擇幾乎總是要權衡需求。 巨大的優勢是免費提供的,這種情況很少見,在這種情況下也是如此。 對我而言,CLLLC似乎好於DAB,因為它似乎具有明顯的尺寸優勢。
(來源:TI,作者:Brent McDonald是TI係統和應用經理)
免責聲明:本文為轉載文章,轉載此文目的在於傳遞更多信息,版權歸原作者所有。本文所用視頻、圖片、文字如涉及作品版權問題,請電話或者郵箱聯係小編進行侵刪。
特別推薦
- 噪聲中提取真值!瑞盟科技推出MSA2240電流檢測芯片賦能多元高端測量場景
- 10MHz高頻運行!氮矽科技發布集成驅動GaN芯片,助力電源能效再攀新高
- 失真度僅0.002%!力芯微推出超低內阻、超低失真4PST模擬開關
- 一“芯”雙電!聖邦微電子發布雙輸出電源芯片,簡化AFE與音頻設計
- 一機適配萬端:金升陽推出1200W可編程電源,賦能高端裝備製造
技術文章更多>>
- 一秒檢測,成本降至萬分之一,光引科技把幾十萬的台式光譜儀“搬”到了手腕上
- AI服務器電源機櫃Power Rack HVDC MW級測試方案
- 突破工藝邊界,奎芯科技LPDDR5X IP矽驗證通過,速率達9600Mbps
- 通過直接、準確、自動測量超低範圍的氯殘留來推動反滲透膜保護
- 從技術研發到規模量產:恩智浦第三代成像雷達平台,賦能下一代自動駕駛!
技術白皮書下載更多>>
- 車規與基於V2X的車輛協同主動避撞技術展望
- 數字隔離助力新能源汽車安全隔離的新挑戰
- 汽車模塊拋負載的解決方案
- 車用連接器的安全創新應用
- Melexis Actuators Business Unit
- Position / Current Sensors - Triaxis Hall
熱門搜索
按鈕開關
白色家電
保護器件
保險絲管
北鬥定位
北高智
貝能科技
背板連接器
背光器件
編碼器型號
便攜產品
便攜醫療
變容二極管
變壓器
檳城電子
並網
撥動開關
玻璃釉電容
剝線機
薄膜電容
薄膜電阻
薄膜開關
捕魚器
步進電機
測力傳感器
測試測量
測試設備
拆解
場效應管
超霸科技



