鋰電池保護電路的工作原理
發布時間:2020-11-27 責任編輯:lina
【導讀】lidianchidouyouyigeshiyongdeanquandianyaqujian,zuigaohezuididianyayibanbeichengweichongfangdianzhongzhidianyahuojiezhidianya,dangdianchideshijigongzuodianyachangshijiandiyufangdianzhongzhidianyahuozhechangshijiangaoyuchongdianzhongzhidianyashi,dianchineibujiangfashengbukenizhuandeshanghai,yanzhongshanghaidianchi,daozhixingnengxiajiang,suchengdianchishuaijian,dianchishuaijiandebiaoxianjiushidianchideneizuzengda,rongliangxiajiangdeng。
今天介紹一下常見的鋰電池保護電路的工作原理。
前言
舉一個不恰當的例子,電池的充放電就像孩子喝母乳一樣。
1,如果一直讓孩子喝,家長不加以控製,那麼這個奶可能會被喝光,類似電池過放;
2,如果家長一直不給孩子喝奶,這個奶就會積攢越來越多,類似電池過充;
3,如果孩子喝奶喝的急,容易嗆奶,類似電池的過電流保護;
科學喝奶,規律喝奶,需要家長的監督,那電池如何做到科學充電和放電呢?
lidianchidouyouyigeshiyongdeanquandianyaqujian,zuigaohezuididianyayibanbeichengweichongfangdianzhongzhidianyahuojiezhidianya,dangdianchideshijigongzuodianyachangshijiandiyufangdianzhongzhidianyahuozhechangshijiangaoyuchongdianzhongzhidianyashi,dianchineibujiangfashengbukenizhuandeshanghai,yanzhongshanghaidianchi,daozhixingnengxiajiang,suchengdianchishuaijian,dianchishuaijiandebiaoxianjiushidianchideneizuzengda,rongliangxiajiangdeng。
所以一般鋰離子電池內部會有一個小的PCB板,和電池封裝在一起,如下圖所示,主要作用就是用來保護電池。

紅色框選部分為電池保護板
這個電路板根據組成電路不同,一般會有過放保護、過充保護、過流保護、短路保護以及控製IC失效之後的FUSE保護這幾種,下麵會以一個常見的電路,講解這幾種保護的工作原理。
鋰電池保護板組成
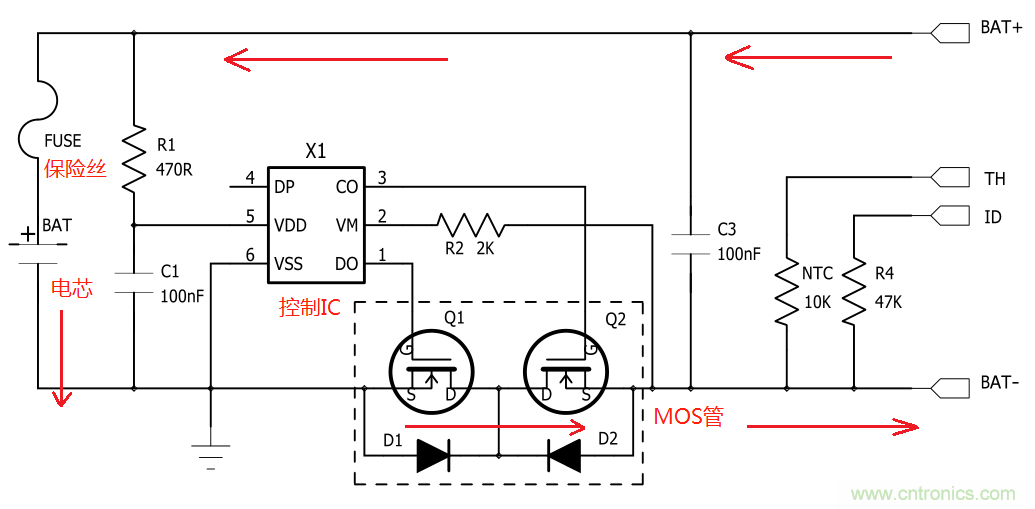
一般的鋰電池保護板由控製IC、MOS管、電阻電容、保險絲FUSE等組成,如下圖所示。

常見的鋰電池保護板電路圖
TH為溫度檢測,內部是一個10K NTC接到電池負極;ID是電池在位檢測,一般是47K/10K電阻接到電阻負極,有的是0R電阻;TH和ID均是選配,並不是所有鋰電池都有的。
接著根據上麵這麼電路,來看一下如下幾種保護的工作原理吧!
過充保護
電池充電時,電流(方向如箭頭所示)從電池包的正極流入,經過FUSE後從負極流出,最下方的兩個MOS管均是導通狀態。

電池充電時電流方向如箭頭所示
充電時,控製IC X1會時刻監測第5腳VDD和第6腳VSS之間的電壓,當這個電壓大於等於過充截止電壓且滿足過充電壓的延時時間時,X1會通過控製第3腳來關閉MOS管Q2,Q2被關閉之後,充電回路被切斷(Q2的體二極管D2也是反向截止的),這個時候,電池隻能放電。
過充保護解除條件(滿足其一即可):
1,電芯兩端的電壓下降到保護IC的過充恢複電壓。
2,在電池包得輸出端加負載放電,放電到電壓小於過充保護電壓。
過放保護
在電池包兩端加負載放電時,電流(方向如箭頭所示)與充電是相反的,如下圖所示。

電池放電時電流方向如箭頭所示
放電時,控製IC X1同樣會時刻監測第5腳VDD和第6腳VSS之間的電壓,當這個電壓小於等於過放截止電壓且達到過放電壓的延時時間,控製IC X1會通過第1腳關閉Q1,Q1被關閉之後,放電回路被切斷(Q1的體二極管D1是反向截止),這個時候,電池隻能充電。
過放保護解除條件:拿掉負載,給電池包充電,當VM-VDD之間的電壓達到過放恢複電壓值時,控製IC X1會重新打開MOS管Q1。
過流保護/短路保護
過流保護指的是過放電流的保護,一般的控製IC有過流保護和短路保護兩種,控製IC時刻監測VSS-VM之間的電壓值,當電壓值達到過流保護或者短路保護的閾值且滿足延時時間,控製IC會將MOS管Q1關閉,切斷放電回路。

電池放電時電流方向如箭頭所示
過電流保護解除的條件是:將輸出端負載拿掉,控製IC會自動將Q1重新打開。
過流保護的電壓值一般是0.1~0.2V,短路保護檢測的電壓值一般是0.9V~2V,這兩個值都與控製IC有關係,不同的IC,這兩個值不一樣。
短路保護電壓值指的是電流流經Q1和Q2上的導通壓降,即可以得出,如果MOS管的導通內阻越大,保護電流值就越小。如:內阻為20mΩ的MOS管,選用的過電流值為0.15V的控製IC,那過流保護的電流應為:0.15V/(0.02*2)=3.75A。
控製IC失效之後的FUSE保護
有的保護板裏麵會加上保險絲,在控製IC失效之後,起到一個二級保護作用,避免更壞的結果,當然也會增加成本。
(來源:CSDN博客,博主:記得誠)
免責聲明:本文為轉載文章,轉載此文目的在於傳遞更多信息,版權歸原作者所有。本文所用視頻、圖片、文字如涉及作品版權問題,請電話或者郵箱聯係小編進行侵刪。
特別推薦
- 噪聲中提取真值!瑞盟科技推出MSA2240電流檢測芯片賦能多元高端測量場景
- 10MHz高頻運行!氮矽科技發布集成驅動GaN芯片,助力電源能效再攀新高
- 失真度僅0.002%!力芯微推出超低內阻、超低失真4PST模擬開關
- 一“芯”雙電!聖邦微電子發布雙輸出電源芯片,簡化AFE與音頻設計
- 一機適配萬端:金升陽推出1200W可編程電源,賦能高端裝備製造
技術文章更多>>
- 算力爆發遇上電源革新,大聯大世平集團攜手晶豐明源線上研討會解鎖應用落地
- 築基AI4S:摩爾線程全功能GPU加速中國生命科學自主生態
- 一秒檢測,成本降至萬分之一,光引科技把幾十萬的台式光譜儀“搬”到了手腕上
- AI服務器電源機櫃Power Rack HVDC MW級測試方案
- 突破工藝邊界,奎芯科技LPDDR5X IP矽驗證通過,速率達9600Mbps
技術白皮書下載更多>>
- 車規與基於V2X的車輛協同主動避撞技術展望
- 數字隔離助力新能源汽車安全隔離的新挑戰
- 汽車模塊拋負載的解決方案
- 車用連接器的安全創新應用
- Melexis Actuators Business Unit
- Position / Current Sensors - Triaxis Hall
熱門搜索




