解決電源設計難題:詳談開關電源同步整流技術
發布時間:2019-12-02 責任編輯:xueqi
【導讀】同步整流技術就是采用低導通電阻的功率MOS管代替開關變換器快恢複二極管,起整流管的作用,從而達到降低整流損耗,提高效率的目的。通常,變換器的主開關管也采用功率MOS管,但是二者還是有一些差異的。
傳統二極管整流問題
近年來,電子技術的發展,使得電路的工作電壓越來越低、電流越來越大。低電壓工作有利於降低電路的整體功率消耗,但也給電源設計提出了新的難題。
開關電源的損耗主要由3部分組成:功率開關管的損耗,高頻變壓器的損耗,輸出端整流管的損耗。在低電壓、大電流輸出的情況下,整流二極管的導通壓降較高,輸出端整流管的損耗尤為突出。快恢複二極管(FRD)或超快恢複二極管(SRD)可達1.0~1.2V,即使采用低壓降的肖特基二極管(SBD),也會產生大約0.6V的壓降,這就導致整流損耗增大,電源效率降低。
問題舉例
但設采用3.3V甚至1.8V或1.5V的供電電壓,所消耗的電流可達20A。此時超快恢複二極管的整流損耗已接近甚至超過電源輸出功率的50%。即使采用肖特基二極管,整流管上的損耗也會達到(18%~40%)PO,占電源總損耗的60%以上。因此,傳統的二極管整流電路已無法滿足實現低電壓、大電流開關電源高效率及小體積的需要,成為製約DC/DC變換器提高效率的瓶頸。
同步整流技術引言
在電源轉換領域,輸出直流電壓不高的隔離式轉換器都使用 MOSFET作為整流器件。由於這些器件上的導通損耗較小,能夠提高效率因而應用越來越廣泛;
為了這種電路能夠正常運作,必須對同步整流器(SR)加(jia)以(yi)控(kong)製(zhi),這(zhe)是(shi)基(ji)本(ben)的(de)要(yao)求(qiu)。同(tong)步(bu)整(zheng)流(liu)器(qi)是(shi)用(yong)來(lai)取(qu)代(dai)二(er)極(ji)管(guan)的(de),所(suo)以(yi)必(bi)須(xu)選(xuan)擇(ze)適(shi)當(dang)的(de)方(fang)法(fa),按(an)照(zhao)二(er)極(ji)管(guan)的(de)工(gong)作(zuo)規(gui)律(lv)來(lai)驅(qu)動(dong)同(tong)步(bu)整(zheng)流(liu)器(qi)。驅(qu)動(dong)信(xin)號(hao)必(bi)須(xu)用(yong)PWM控製信號來形成,而PWM控製信號決定著開關型電路的不同狀態。
同步整流器件的特點
同步整流技術就是采用低導通電阻的功率MOS管代替開關變換器快恢複二極管,起整流管的作用,從而達到降低整流損耗,提高效率的目的。通常,變換器的主開關管也采用功率MOS管,但是二者還是有一些差異的。
功率MOS管實際上是一個雙向導電器件,由於工作原理的不同,而導致了其他一些方麵的差異。例如:作為主開關的MOS管通常都是硬開關,因此要求開關速度快,以減小開關損耗;而作為整流/續流用的同步MOS管,則要求MOS管具有低導通電阻、體二極管反向恢複電荷小、柵極電阻小和開關特性好等特點,因此,雖然兩者都是MOS管,但是它們的工作特性和損耗機理並不一樣,對它們的性能參數要求也不一樣,認識這一點,對於如何正確選用MOS管是有益的。
同步整流的基本電路結構
同步整流是采用通態電阻極低的專用功率MOSFET,來取代整流二極管以降低整流損耗的一項新技術。它能大大提高DC/DC變換器的效率並且不存在由肖特基勢壘電壓而造成的死區電壓。功率MOSFET屬於電壓控製型器件,它在導通時的伏安特性呈線性關係。用功率MOSFET做整流器時,要求柵極電壓必須與被整流電壓的相位保持同步才能完成整流功能,故稱之為同步整流。
工作方式的比較
傳統的同步整流方案基本上都是PWM型同步整流,主開關與同步整流開關的驅動信號之間必須設置一定的死區時間,以避免交叉導通,因此,同步整流MOS管就存在體二極管導通和反向恢複等問題,從而降低同步整流電路的性能。
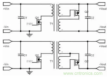
雙端自激、隔離式同步整流電路

實際舉例(反激同步整流設計 )
基本的反激電路結構

一種實際的外驅電路

增加驅動能力的外驅電路

由NMOSFET構成的反激同步整流自驅動電路結構

由PMOSFET構成的反激同步整流自驅動電路結構

反激同步整流驅動電路選擇
同步整流管的驅動方式有三種:第一種是外加驅動控製電路,優點是其驅動波形的質量高,調試方便。缺點是:電路複雜,成本高,在追求小型化和低成本的今天隻有研究價值,基本沒有應用價值。上圖是簡單的外驅電路,R1D1用於調整死區。該電路的驅動能力較小,在同步整流管的Ciss較小時,可以使用。圖6是在圖5的基礎上增加副邊推挽驅動電路的結構,可以驅動Ciss較大的MOSFET。在輸出電壓低於5V時,需要增加驅動電路供電電源。
第二種是自驅動同步整流。優點是直接由變壓器副邊繞組驅動或在主變壓器上加獨立驅動繞組,電路簡單、成cheng本ben低di和he自zi適shi應ying驅qu動dong是shi主zhu要yao優you勢shi,在zai商shang業ye化hua產chan品pin中zhong廣guang泛fan使shi用yong。缺que點dian是shi電dian路lu調tiao試shi的de柔rou性xing較jiao少shao,在zai寬kuan輸shu入ru低di壓ya範fan圍wei時shi,有you些xie波bo形xing需xu要yao附fu加jia限xian幅fu整zheng形xing電dian路lu才cai能neng滿man足zu驅qu動dong要yao求qiu。由you於yuVgs的(de)正(zheng)向(xiang)驅(qu)動(dong)都(dou)正(zheng)比(bi)於(yu)輸(shu)出(chu)電(dian)壓(ya),調(tiao)節(jie)驅(qu)動(dong)繞(rao)組(zu)的(de)匝(za)數(shu)可(ke)以(yi)確(que)定(ding)比(bi)例(li)係(xi)數(shu),且(qie)輸(shu)出(chu)電(dian)壓(ya)都(dou)是(shi)很(hen)穩(wen)定(ding)的(de),所(suo)以(yi)驅(qu)動(dong)電(dian)壓(ya)也(ye)很(hen)穩(wen)定(ding)。比(bi)較(jiao)麻(ma)煩(fan)的(de)是(shi)負(fu)向(xiang)電(dian)壓(ya)可(ke)能(neng)會(hui)超(chao)標(biao),需(xu)要(yao)在(zai)設(she)計(ji)變(bian)壓(ya)器(qi)變(bian)比(bi)時(shi)考(kao)慮(lv)驅(qu)動(dong)負(fu)壓(ya)幅(fu)度(du)。
disanzhongshibanziqu。qiqudongboxingdeshangshenghuoxiajiangyan,yigeshiyouzhubianyaqitigongdexinhao,lingyigeshidulidewaiqudongdianlutigongdexinhao。shangtushizhenduiziqudefuyawenti,yongdandudefangdianhuilu,tigongtongbuzhengliuguandeguanduanxinhao,bikaileziqudongfuyafangdiandedianyachaobiaowenti。
特別推薦
- 噪聲中提取真值!瑞盟科技推出MSA2240電流檢測芯片賦能多元高端測量場景
- 10MHz高頻運行!氮矽科技發布集成驅動GaN芯片,助力電源能效再攀新高
- 失真度僅0.002%!力芯微推出超低內阻、超低失真4PST模擬開關
- 一“芯”雙電!聖邦微電子發布雙輸出電源芯片,簡化AFE與音頻設計
- 一機適配萬端:金升陽推出1200W可編程電源,賦能高端裝備製造
技術文章更多>>
- 貿澤EIT係列新一期,探索AI如何重塑日常科技與用戶體驗
- 算力爆發遇上電源革新,大聯大世平集團攜手晶豐明源線上研討會解鎖應用落地
- 創新不止,創芯不已:第六屆ICDIA創芯展8月南京盛大啟幕!
- AI時代,為什麼存儲基礎設施的可靠性決定數據中心的經濟效益
- 矽典微ONELAB開發係列:為毫米波算法開發者打造的全棧工具鏈
技術白皮書下載更多>>
- 車規與基於V2X的車輛協同主動避撞技術展望
- 數字隔離助力新能源汽車安全隔離的新挑戰
- 汽車模塊拋負載的解決方案
- 車用連接器的安全創新應用
- Melexis Actuators Business Unit
- Position / Current Sensors - Triaxis Hall
熱門搜索





