可承受整個汽車電源範圍的2MHz開關電源
發布時間:2016-12-23 責任編輯:wenwei
【導讀】本文舉例說明用於汽車收音機和娛樂係統供電的8V中等電壓開關電源。此設計可以接受任何汽車工作條件下的輸入電壓範圍(包括冷啟動、拋負載等),保證穩定的8V輸出,為常見的娛樂設施子係統(如CD驅動器、LCD顯示器和收音機模塊)供電。為了避免幹擾AM/FM頻段,開關電源工作在2MHz開關頻率,非常適合車載應用。
簡介
隨著汽車啟停技術(空閑狀態自動關閉引擎)應用的普及,越來越多的車載係統要求能夠工作在較低的輸入電壓,低壓輸入往往發生在熱啟動(電池電壓低於6V)或冷啟動(電池電壓低於3V)條件下。圖1介紹了常見的汽車係統供電架構方案。
在一些主電源為3.3V的供電係統中,前端采用低壓差的buck轉換器即可滿足要求(CASE 1)。需要時,可以選擇一路boost轉換器將3.3V升壓到5V (例如為CAN總線收發器供電)或更高電壓(CASE2)。有些係統采用5V或更高電壓供電,此時需要在前端進行“預升壓”,保證buck的輸入電壓不會低於指定電壓(CASE 3),本設計適用於後者。

圖1. 汽車電源方案。
汽車設計中,低電磁輻射也是一項重要的考核指標,特別是在敏感的AM頻段。本設計中,電源的開關工作頻率遠高於AM頻段(例如:開關頻率在1.71MHz以上,位於MW頻段的高端),進而解決了幹擾問題。較高的開關頻率也有助於減少係統尺寸,降低外圍元件的成本。
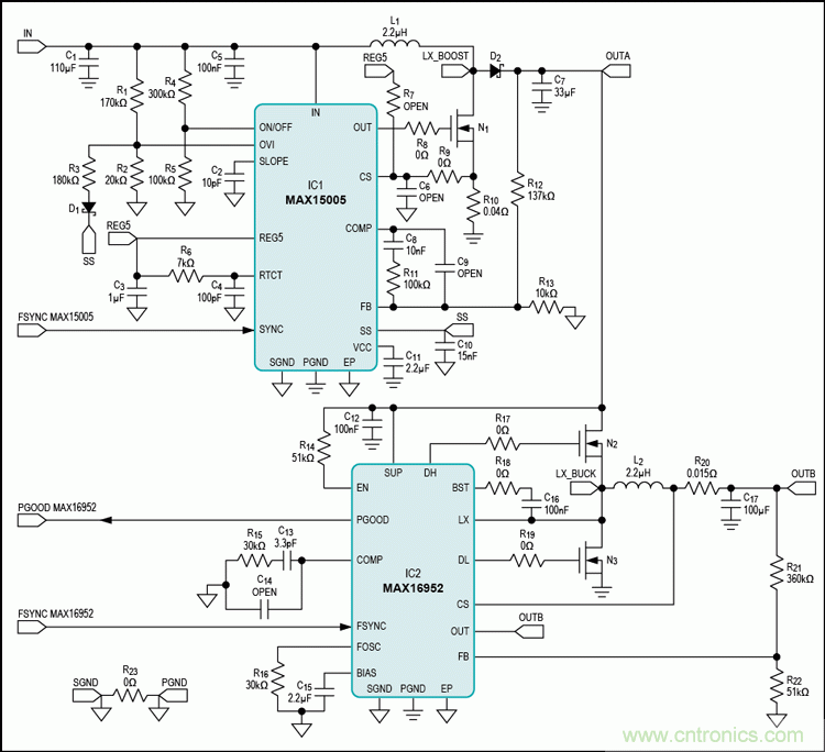
圖2是開關電源的原理圖,MAX15005升壓控製器與MAX16952降壓控製器相組合,配合外圍電路提供合理的車載係統供電方案。兩款IC均同步到控處理器或專用IC提供的外部2MHz時鍾,便於優化電源的開關頻率。電池正常供電的條件下,MAX15005不工作,通過MAX16952提供穩定的8V OUTB電壓。冷啟動時,由於電池電壓降低,則通過MAX15005提升節點OUTA的電壓,確保MAX16952提供穩定的8V OUTB電壓。兩款IC的高可靠性,可以滿足汽車環境中高達40V的拋負載。該方案已經通過測試,在OUTB節點提供高達20W的輸出功率(8V@2.5A)。更換外圍電路,可以獲得更高的輸出功率。

圖2. 開關電源原理圖。
MAX16952的外圍元件
輸出電壓和開關頻率
為了在OUTB端獲得穩定的8V輸出,需要合理選擇反饋分壓電阻(R22和R21)。選擇R22 = 51KΩ (MAX16952數據資料推薦低邊電阻R22 < 100kΩ),R21根據下式計算:
式中,VFB = 1V (典型值)。
選擇標準阻值R22 = 360kΩ ,典型輸出電壓為:
假設阻值誤差為1%,最小和最大OUTB輸出電壓為:
(式3)
(式4)其中,VFB(MIN) = 0.985V,VFB(MAX) = 1.015V。
按照規格書推薦,外部時鍾頻率必須高於MAX16952內部時鍾頻率的1.1倍。由於我們采用2MHz外部時鍾同步MAX16952的開關頻率,須合理選擇內部振蕩器阻抗R16,控製內部開關頻率<1.8MHz。本設計中,R16選擇為30kΩ。為確保MAX16952開關頻率固定在2MHz,必須避免發生電壓跌落。MAX16952隻有在關斷時間(tOFF)>100ns (典型值)時,才可避免電壓跌落的情況,這意味著係統不能超出最大占空比:
考慮到降壓轉換器的效率為90%,保證工作在2MHz固定開關頻率的最小輸入電壓(OUTA)是:
這意味著OUTA電壓不能低於11.11V閾值。為保證OUTA電壓始終高於11.11V,當電池電壓(IN節點)低於11.5V時,需要開啟MAX15005工作(考慮到L1、D2肖特基二極管的壓降,留出大約390mV的裕量)。
達到40V拋負載峰值電壓時,OUTA達到其高壓點,MAX16952必須將輸出電壓穩定在8V。因此,發生拋負載期間,MAX16952占空比為:
MAX16952的最小開啟時間(tON)為80ns,因此最小占空比(2MHz開關頻率下)為:
0.16最小占空比可確保拋負載條件下(輸入電壓高達40V時)提供穩定的8V輸出。
電感和電流檢測

圖3. MAX16952電感電流。
使用大電感可以降低電感電流峰值,提高降壓轉換器的效率;但也占用更大的電路板(PCB)麵積,降低負載調整率。一種可以接受的折中方法是選擇適當的電感值,使LIR (電感AC電流峰-峰值與DC平均電流的比值) ≤ 0.3。基於圖3,利用下式計算:
根據以上方程組,可以得到電感計算公式:
由此,常規條件下(OUTA = 12V)滿足LIR ≤ 0.3的最小電感值為:
選擇標準電感L2 = 2.2µH,LIR = 0.24,電感峰值電流為:
當測流電阻R20的電壓達到68mV (最小值)時,達到電流上限。為了留出一定裕量,選擇檢流電阻時,應使電感電流達到峰值(IPEAK)時,檢流電阻的壓降是電流門限的60%:
R20選擇為15mΩ標準電阻。
MAX15005的外圍元件
UVLO閾值
選擇MAX15005升壓轉換器外圍元件的第一步是確定UVLO閾值,通過選擇輸入IN、ON/OFF、GND之間的分壓電阻設定欠壓門限。本設計當輸入電壓< 5V時,關閉MAX15005,假設冷啟動期間能夠保持在較高電壓。選擇R5 = 100kΩ,利用下式計算R4:
R4選擇為300kΩ標準電阻。
過壓輸入(OVI)
按照前麵有關MAX16952的討論,OUTA不能低於11.11V,以保持MAX16952的最小壓差要求。考慮到該電壓閾值,以及L1、D2產生的壓降,MAX1005必須在輸入電壓低於11.5V時開啟。而為了優化效率,正常輸入電壓(IN=12V)下,MAX15005必須關閉。
為了達到這一目的,利用IN、OVI、GND引腳之間的分壓電阻設置過壓門限,正確開啟或關閉MAX15005。MAX15005在OVI引腳電壓超過1.228V閾值時關閉,OVI引腳電壓比1.228V閾值電壓低125mV時,再次開啟。選擇低邊電阻R2 = 20kΩ,考慮到在輸入電壓高於11.6V時MAX15005關斷,按照下式選擇R1:
選擇R1為170kΩ標準電阻,則當主電源超出11.67V時關斷MAX15005,相對於常規電壓12V,預留330mV的裕量。考慮到OVI比較器的滯回,可以按照下式估算電壓下限,即當主電源電壓下降到下式決定的數值時開啟MAX15005:
由此可見,比較器的滯回過大,需要將主電源的電壓跌落門限調整到至少11.5V。可以在OVI引腳與SS引腳之間增加一個串聯電阻R3和肖特基二極管D1。當關斷MAX15005時,SS引腳在內部接地,使得R3與R2並聯,從而減小滯回。選擇R3 = 180kΩ,忽略二極管壓降,則可得到新的電壓跌落閾值:
按照這一配置,可以得到所要求的開啟/關閉MAX15005的輸入電壓閾值。另一方法可以使用外部比較器監測主電壓,用其直接驅動OVI引腳。
輸出電壓

圖4. MAX15005電感電流。
為了維持2MHz的開關頻率,須注意tON最小值為170ns (參見MAX15005數據資料)。最小tON對應於34%的最小占空比(2MHz開關頻率下),這限製了MAX15005的最小穩壓輸出。估算電壓閾值時,有必要考慮boost穩壓器的占空比公式:
當輸入電壓VIN達到最大值11.67V時,對應於最小占空比,且MAX15005保持工作。按照之前的公式可以估算MAX15005的最小穩壓輸出:
計算考慮了最小占空比、最大輸入電壓條件,假設D2壓降為0.3V,忽略NMOS管N1上的壓降。由此,MAX15005必須將輸出電壓穩定在17.38V以上,以保證任何條件下維持2MHz的開關頻率。
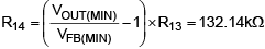
選擇低邊反饋電阻R13 = 10kΩ,計算高邊反饋電阻R14:
其中,VFB(MIN) = 1.215V。
最後,選擇R14 = 137kΩ (1%誤差),MAX15005最小穩壓輸出為:
可確保MAX15005始終工作在2MHz開關頻率。
假設MAX16952的輸出功率為20W (8V,2.5A)、效率為90%,MAX15005的輸出功率必須在至少22.3W。考慮到17.53V的穩壓輸出,MAX15005的平均輸出電流為1.27A。如果MAX15005輸出電壓設置在更高值,則會降低輸出電流。D2可以選用低成本的肖特基二極管,輸出電容C7必須能夠支持MAX15005的穩壓輸出。
同步和最大占空比
為了保證MAX15005開關頻率的外同步,外部時鍾頻率必須比內部振蕩頻率高出至少102%。選擇R6 = 7kΩ、C4 = 100pF,MAX15005內部振蕩頻率約為1MHz,外部同步時鍾頻率為2MHz。
當SYNC輸入檢測到同步信號的上升沿時,C4通過內部1.33mA (典型值)電流源放電。該電容(RTCT引腳)電壓達到500mV時,C4通過R6充電(R6連接在VREG5引腳),直到檢測到下一個同步信號的上升沿。放電時間(TDISCHARGE)決定了穩壓器的最小關斷時間tOFF。如果時間小於160ms,則將最小tOFF鉗製在160ns。實際上,假設充電時間(TCHARGE)為340ns (TP = 500ns),RTCT電壓升至:
(式24)考慮到放電電流為615µA¹,在RTCT引腳增加的放電時間為:
最小tOFF = 160ns對應的最大占空比為68%。當最大占空比受限製時(輸入電壓較低,這裏為5V),根據boost占空比公式(式20),MAX15005在OUTA端能夠提供的最大穩定電壓是:
此電壓確保MAX16952在超出電壓跌落條件限製時仍可正常工作。
電感選擇
合理選擇電感值,以滿足boost轉換器的最小輸出電流要求。為保證穩壓器始終工作在連續模式,最小電感值為:
此設計中,最差工作條件發生在VIN的最大輸入電壓(11.67V)下,對應占空比為37%。
配合8V、最小輸出電流為1A、效率為90%的buck轉換器工作時,boost轉換器的最小輸出功率為9.44W,對應的最小輸出電流IOUTA(MIN)為538mA。綜合這些因素,根據前麵的公式計算得到1.32µH電感值。此設計中選擇L1 = 2.2µH。
電流檢測
MAX15005在檢流電阻的電壓達到305mV時觸發電流限製。因此,為了合理選擇檢流電阻,需首先計算boost電感的峰值電流:
輸入電壓處於最小值時達到電感峰值電流,本應用中最小輸入為5V,最大占空比為68%。按照之前的計算,boost輸出電壓(OUTA引腳)為15.23V,需要1.46A的IOUTA以支持MAX16952的功率需求。最惡劣的工作情況對應於電感電流峰值達到4.95A時,留出適當的裕量,選擇檢流電阻使得電感電流達到峰值時,壓降為200mV:
選擇:R10 = 40MΩ。
實驗室測試
冷啟動測試
在實驗室進行冷啟動測試,在10ms內將主電源輸入(IN)從12V降到7V。如曲線圖1所示,當輸入電壓降低時,MAX15005開始將OUTA充電至17.5V,以保證OUTB輸出8V。另外,當輸入電壓恢複到正常電壓時,MAX15005停止工作,OUTA輸出電壓降到正常的IN輸入水平,在D2和L1上有較小壓降。每次測試都基於2.5A的OUTB輸出。
曲線圖1

曲線圖2和曲線圖3分別描述了冷啟動下降和上升階段的狀況。
曲線圖2

曲線圖3

頻域分析
基於示波器的FFT分析工具,冷啟動下MAX16952開關節點LX_BUCK引腳的電壓頻譜如曲線圖4 (IN電壓下降階段)和曲線圖5 (IN電壓電壓上升階段)。注意到頻譜中包括2MHz頻率,相關諧波為直流分量。沒有低於2MHz的交流分量,避免對AM頻帶產生幹擾。
曲線圖4

曲線圖5

對MAX15005開關節點LX_BOOST進行同樣測試,用彩色表示2MHz頻率、諧波和直流分量,在AM頻帶具有極低噪聲。
曲線圖6

曲線圖7

電路優化
為了優化效率,可以在MAX15005不工作時旁路D2肖特基二極管。當主電源處於正常電壓範圍時,利用一個N-MOSFET旁路D2。為降低電磁幹擾,可以增加電阻(R8、R17、R18和R19)來降低在MOSFET柵極電壓的擺率,當然,這會增大功耗,需要折中考慮。為了濾除MAX15005檢測電流的毛刺,增加由C6和R9組成的RC濾波器。也可以通過增加R7電阻—來降低MAX15005電流門限閾值,以降低檢流電阻R10的功耗。
本文來源於Maxim。
本文來源於Maxim。
推薦閱讀:
特別推薦
- 噪聲中提取真值!瑞盟科技推出MSA2240電流檢測芯片賦能多元高端測量場景
- 10MHz高頻運行!氮矽科技發布集成驅動GaN芯片,助力電源能效再攀新高
- 失真度僅0.002%!力芯微推出超低內阻、超低失真4PST模擬開關
- 一“芯”雙電!聖邦微電子發布雙輸出電源芯片,簡化AFE與音頻設計
- 一機適配萬端:金升陽推出1200W可編程電源,賦能高端裝備製造
技術文章更多>>
- 一秒檢測,成本降至萬分之一,光引科技把幾十萬的台式光譜儀“搬”到了手腕上
- AI服務器電源機櫃Power Rack HVDC MW級測試方案
- 突破工藝邊界,奎芯科技LPDDR5X IP矽驗證通過,速率達9600Mbps
- 通過直接、準確、自動測量超低範圍的氯殘留來推動反滲透膜保護
- 從技術研發到規模量產:恩智浦第三代成像雷達平台,賦能下一代自動駕駛!
技術白皮書下載更多>>
- 車規與基於V2X的車輛協同主動避撞技術展望
- 數字隔離助力新能源汽車安全隔離的新挑戰
- 汽車模塊拋負載的解決方案
- 車用連接器的安全創新應用
- Melexis Actuators Business Unit
- Position / Current Sensors - Triaxis Hall
熱門搜索
按鈕開關
白色家電
保護器件
保險絲管
北鬥定位
北高智
貝能科技
背板連接器
背光器件
編碼器型號
便攜產品
便攜醫療
變容二極管
變壓器
檳城電子
並網
撥動開關
玻璃釉電容
剝線機
薄膜電容
薄膜電阻
薄膜開關
捕魚器
步進電機
測力傳感器
測試測量
測試設備
拆解
場效應管
超霸科技



