集錦:不容錯過的放大器電路設計
發布時間:2015-10-08 責任編輯:echolady
【導讀】四電阻差動放大器看起來很簡單,但是在電路中的性能反應平平。本文從實際出發,討論了一下交流共模抑製、分立式電阻、濾波、高噪聲增益的不足之處,並且詳細講解了各種放大器電路的設計集錦。
一、差動放大器應用電路
其中,Ad 為差動放大器的增益, t 為電阻容差。因此,在單位增益和 1%電阻情況下,CMRR 等於 50 V/V(或約為 34 dB);在 0.1%電阻情況下,CMRR等於 500 V/V(或約為 54 dB)—— 甚至假定運算放大器為理想器件,具有無限的共模抑製能力。若運算放大器的共模抑製能力足夠高,則總 CMRR 受限於電阻匹配。某些低成本 運算放大器具有 60 dB 至 70 dB 的最小 CMRR,使計算更為複雜。

二、運算放大器應用電路
OP4177器件是一款精密、低噪聲、低輸入偏置電流、四通道運算放大器,此篇主要介紹了OP4177特性、應用範圍、參考設計電路以及電路分析,幫助大家縮短設計時間。
OP4177介紹:
OPx177係列由極高精度的單通道、雙通道和四通道放大器組成,具有極低失調電壓和漂移、低輸入偏置電流、低噪聲及低功耗等特性。使用1000pF以上容性負載時輸出穩定,無需外部補償。電源電壓為30V時,每個放大器的電源電流小於500μA。內置500Ω串聯電阻可保護輸入,允許輸入信號電平高出電源電壓若幹伏特,並保證無反相。
OP4177特點:
低失調電壓:60 μV(最大值)
極低失調電壓漂移:0.7 μV/°C(最大值)
低輸入偏置電流:2 nA(最大值)
低噪聲:8 nV/√Hz(典型值)

圖2 OP4177典型應用電路
[page] 三、驅動放大器應用電路
ADA4870是一款單位增益穩定的高速電流反饋型放大器,使用40 V電源能夠提供1 A輸出電流和2500 V/μs壓擺率。 ADA4870的創新架構采用ADI公司的專有高壓超快速互補雙極性(XFCB)工藝製造,可為需要驅動低阻抗負載的應用提供高輸出功率、高速信號處理解決方案。此篇主要介紹了ADA4870特性、應用範圍、參考設計電路以及電路分析,幫助大家縮短設計時間。
ADA4870特性:非常適於驅動高容性或高阻性負載、寬電源電壓範圍在 10 V至40 V、高輸出驅動電流是 1A、寬輸出電壓擺幅: 采用40 V電源,擺幅為37 V;高壓擺率: 2,500 V/μs;寬帶寬: 52 MHz大信號帶寬;70 MHz小信號帶寬、低噪聲: 2.1 nV/√Hz;靜態電流: 32.5 mA;掉電模式: 0.75 mA;短路保護和標誌、限流1.2 A、熱保護。

ADA4870典型應用範圍包括:包絡跟蹤、功率場效應晶體管驅動器、超聲、壓電驅動器、PIN二極管驅動器、波形產生、自動測試設備(ATE)、CCD麵板驅動器、複合放大器
四、數字放大器應用電路
TAS5731 是一款 20W,高效,數字音頻立體聲功率放大器。此篇主要介紹了TAS5731特性、應用範圍、參考設計電路以及電路分析,幫助大家縮短設計時間。
TAS5731特性:
此放大器用於驅動立體聲橋接式揚聲器。 一個串行數據輸入可處理最多兩個離散音頻通道並能與大多數數字音頻處理器和 MPEG 解碼器無縫整合。 此器件可接受寬範圍的輸入數據和數據傳輸速率。 一個完全可編程數據路徑將這些通道路由至內部揚聲器驅動器。
2 通道 I2S 輸入;8kHz 至 48kHz fS
20W 立體聲,8Ω / 18V(總諧波失真 (THD) + N = 10%)
優勢
直接連接至數字處理器
來自標準電源的高輸出功率
無需散熱器
高級處理改善了音頻體驗
TAS5731參考設計電路:

五、功率放大器應用電路
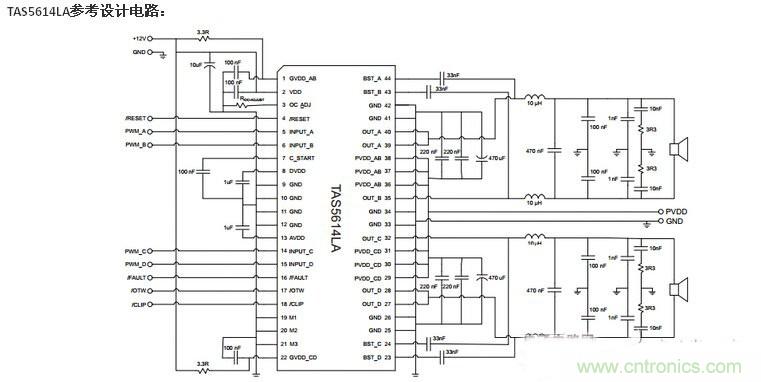
TAS5614LA是一款基於 TAS5614LA 的功能優化 D 類功率放大器。此篇主要介紹了TAS5614LA特性、應用範圍、參考設計電路以及電路分析,幫助大家縮短設計時間。

TAS5614LA特性:
TAS5614LA 使用大型金屬氧化物半導體場效應晶體管 (MOSFET) 提升功率效率,並采用新型柵極驅動方案降低空閑狀態下和輸出信號較低時的損耗,從而減小散熱器尺寸。
該器件可使用獨特的預鉗位輸出信號來控製 G 類電源。 這一優勢與 TAS5614LA 的低空閑損耗和高功率效率相結合,可實現行業領先水平的效率,從而確保構建超級“綠色”係統。
TAS5614LA 使用恒定電壓增益。 內部匹配增益電阻器確保了一個高電源抑製比,使得輸出電壓隻取決於音頻輸入電壓並避免了任何電源的人工缺陷。
六、差分放大器應用電路
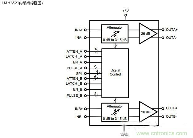
LMH6521是包含兩個高性能,數字控製可變增益放大器(DVGA)。此篇主要介紹了LMH6521特性、應用範圍、參考設計電路以及電路分析,幫助大家縮短設計時間。


LMH6521特性:
LMH6521的兩個通道都包含有一個獨立的、線性度高的差分放大器,除此之外每個通道還可配置為高速掉電模式。每一塊都被優化,用於低失真的係統設計。
編輯點評:本文介紹了部分放大器的電路設計圖,這些放大器的使用都非常廣泛。為了獲得穩定且值得投入生產的設計,應仔細考慮噪聲增益、輸入電壓範圍、阻抗比和失調電壓規格。
相關閱讀:
詳解:解密多種電流檢測放大器電路設計
實例探討:如何精確放大器電路的光強度
經典電路大放送:五種精選放大器電路設計
特別推薦
- 噪聲中提取真值!瑞盟科技推出MSA2240電流檢測芯片賦能多元高端測量場景
- 10MHz高頻運行!氮矽科技發布集成驅動GaN芯片,助力電源能效再攀新高
- 失真度僅0.002%!力芯微推出超低內阻、超低失真4PST模擬開關
- 一“芯”雙電!聖邦微電子發布雙輸出電源芯片,簡化AFE與音頻設計
- 一機適配萬端:金升陽推出1200W可編程電源,賦能高端裝備製造
技術文章更多>>
- 築基AI4S:摩爾線程全功能GPU加速中國生命科學自主生態
- 一秒檢測,成本降至萬分之一,光引科技把幾十萬的台式光譜儀“搬”到了手腕上
- AI服務器電源機櫃Power Rack HVDC MW級測試方案
- 突破工藝邊界,奎芯科技LPDDR5X IP矽驗證通過,速率達9600Mbps
- 通過直接、準確、自動測量超低範圍的氯殘留來推動反滲透膜保護
技術白皮書下載更多>>
- 車規與基於V2X的車輛協同主動避撞技術展望
- 數字隔離助力新能源汽車安全隔離的新挑戰
- 汽車模塊拋負載的解決方案
- 車用連接器的安全創新應用
- Melexis Actuators Business Unit
- Position / Current Sensors - Triaxis Hall
熱門搜索
微波功率管
微波開關
微波連接器
微波器件
微波三極管
微波振蕩器
微電機
微調電容
微動開關
微蜂窩
位置傳感器
溫度保險絲
溫度傳感器
溫控開關
溫控可控矽
聞泰
穩壓電源
穩壓二極管
穩壓管
無焊端子
無線充電
無線監控
無源濾波器
五金工具
物聯網
顯示模塊
顯微鏡結構
線圈
線繞電位器
線繞電阻


