實例講解單相正弦波逆變電源設計
發布時間:2015-01-15 責任編輯:xueqi
【導讀】隨(sui)著(zhe)大(da)量(liang)研(yan)究(jiu)的(de)投(tou)入(ru)越(yue)來(lai)越(yue)多(duo)的(de)領(ling)域(yu)都(dou)出(chu)現(xian)了(le)逆(ni)變(bian)電(dian)源(yuan)的(de)身(shen)影(ying)。尤(you)其(qi)是(shi)讓(rang)全(quan)世(shi)界(jie)都(dou)十(shi)分(fen)關(guan)注(zhu)的(de)能(neng)源(yuan)問(wen)題(ti)和(he)環(huan)保(bao)問(wen)題(ti),逆(ni)變(bian)電(dian)源(yuan)也(ye)正(zheng)在(zai)被(bei)用(yong)於(yu)其(qi)中(zhong)。本(ben)文(wen)將(jiang)以(yi)實(shi)例(li)為(wei)大(da)家(jia)講(jiang)解(jie)有(you)關(guan)單(dan)相(xiang)正(zheng)弦(xian)波(bo)逆(ni)變(bian)電(dian)源(yuan)設(she)計(ji)。
本係統實現輸入直流電壓15V,輸出交流電壓有效值10V,額定功率10W,交流電壓頻率在20至100Hz可步進調整。以MSP430單片機為控製核心,產生SPWM波控製全橋電路,然後經過LC濾波電路得到失真度小於0.5%的正弦波。采用PID算法反饋控製使輸出交流電壓負載調整率低於1%,采用開關電源作為輔助電源、合理選用MOSFET等使係統效率達到90%,采用輸入電流前饋法來估計輸出電流以實現過流保護以及自恢複功能。
引言
要求實現單項正弦波逆變電源,輸入直流15V,輸出交流電壓有效值10V,功率10W,且頻率20至100Hz步進可調,要求波形無明顯失真,負載調整率小於1%,效率盡可能高,係統要具備過流保護以及自恢複功能。由於輸出功率較小,為了提高係統的效率,我們采用TI提供的MSP430係列超低功耗微控製器來產生SPWM波,配合TI超低導通電阻和快速導通MOSFET,在MOSFET的驅動上使用TI開發的高驅動能力半橋驅動芯片UCC27211。係統簡潔明了,以最簡單的方法實現了所有的功能,且利用矩陣按鍵和LCD顯示設備為用戶提供了良好的交互界麵。以下將集中講述係統的大體框架和具體的實現方法。
1 係統方案
設Ud為直流輸入電壓,Uo為輸出電壓。輸出電壓Uo的展開傅裏葉級數為

考慮到係統效率,不需要進行boost升壓,可以直接逆變。故本係統結構圖如圖1所示。SPWM信號控製硬件全橋電路,然後經過LC濾波電路可以得到正弦波。以MSP430單片機為核心的數字控製係統需要采樣電流量、控製硬件電路係統以及形成良好的人際交互界麵。

圖1:係統結構框圖
1.1 硬件電路設計
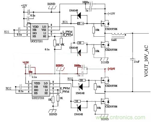
全橋逆變和LC濾波電路如圖2所示。L_PWM和H_PWM由43O單片機產生經過6N137隔離進入MOS驅動芯片UCC27211驅動全橋,後級LC濾波器的截止頻率為
可以濾除載波頻率。考慮到MOS管需要相對較小的導通電阻RDS(on)和較小上升時間和下降時間的,本係統選用CSD19506。本係統需要驅動全橋,為了提高MOSFET的導通速度,降低開關損耗,因而選用TI提供的高速半橋驅動芯片UCC27211。圖2是全橋部分電路圖。

圖2:全橋逆變電路和LC濾波電路
1.2 係統軟件設計
軟件結構框圖如圖1,主程序框圖如圖3。程序執行的流程如下所述:單片機上電之後,係統進行按鍵、片上ADC12和LCD顯示屏初始化,程序查詢按鍵,若有相應按鍵按下,修改正弦波頻率,然後AD采樣電流判斷是否過流;否則返回繼續查詢按鍵。如果輸出過流,程序將關閉SPWM輸出,延時自恢複;否則返回按鍵查詢。

圖3:主程序流程圖示意
[page]
2 技術細節
2.1 SPWM波的產生
本係統采用自然采樣法產生SPWM波,以正弦波為調製波,等腰三角波為載波進行比較,在兩個波形的自然交點時刻控製開關器件的通斷。其優點是所得SPWM波(bo)形(xing)最(zui)接(jie)近(jin)正(zheng)弦(xian)波(bo),但(dan)由(you)於(yu)三(san)角(jiao)波(bo)與(yu)正(zheng)弦(xian)波(bo)交(jiao)點(dian)有(you)任(ren)意(yi)性(xing),脈(mai)衝(chong)中(zhong)心(xin)在(zai)一(yi)個(ge)周(zhou)期(qi)內(nei)不(bu)等(deng)距(ju),從(cong)而(er)脈(mai)寬(kuan)表(biao)達(da)式(shi)是(shi)一(yi)個(ge)超(chao)越(yue)方(fang)程(cheng),若(ruo)采(cai)用(yong)實(shi)時(shi)計(ji)算(suan)的(de)方(fang)式(shi)得(de)到(dao)SPWM波的話,計算繁瑣,非MSP430所能勝任。本係統充分利用MSP430的定時器,搭建了一個簡易的DDS;讓其計數器作增減計數構成三角波載波,再把正弦波表作為數組預先存入MSP430中,我們隻需在定時器中斷中更新比較寄存器數值即可得到調製正弦波。由於MSP430定時器自帶比較功能,兩者比較即可得到SPWM波輸出,繼而撇開了繁瑣的超越方程求解。最終我們利用此方法得到的SPWM波濾波後的正弦波失真度達到了0.5%。圖4是自然采樣原理圖。
圖4:SPWM波產生原理圖
2.2 效率提高
影響逆變電源效率的因素有很多,比如係統的靜態損耗,輔助電源效率過低,構成全橋的MOSFETdailaidedaotongsunhaohekaiguansunhaoguodayijiqiaolushunshitongshidaotongdailaidesunhaodeng,zhenduizhexiewenti,womenzhuyitichulegaishandefangfa。duiyuxitongdejingtaisunhao,womencaiyongTI的de低di靜jing態tai電dian流liu芯xin片pian和he超chao低di功gong耗hao單dan片pian機ji作zuo為wei係xi統tong主zhu控kong芯xin片pian,另ling外wai為wei了le降jiang低di輔fu助zhu電dian源yuan帶dai來lai的de損sun耗hao,我wo們men采cai用yong開kai關guan電dian源yuan作zuo為wei係xi統tong的de輔fu助zhu電dian源yuan,最zui大da限xian度du的de提ti高gao輔fu助zhu電dian源yuan的de效xiao率lv;TI最新開發的超低導通電阻MOSFET有助於減少逆變電源開關管的導通損耗,另外其超快的導通速度配合SPWM波死區時間的設定使得全橋的開關損耗大幅度降低。以上措施使得係統在滿載時效率高達90%以上。
2.3 輸出電壓PID調節
由you於yu輸shu入ru電dian壓ya隨sui著zhe負fu載zai變bian大da會hui有you降jiang低di,切qie係xi統tong濾lv波bo電dian感gan具ju有you電dian阻zu成cheng分fen,這zhe些xie因yin素su導dao致zhi在zai係xi統tong開kai環huan下xia負fu載zai調tiao整zheng率lv較jiao大da,因yin此ci本ben係xi統tong采cai用yong閉bi環huan反fan饋kui調tiao整zheng輸shu出chu電dian壓ya穩wen定ding在zai10V。我們選用經典PID反饋調整,對輸出電壓進行采樣,與參考電壓比較得到誤差電壓後進行位移式PID調節,PID運算輸出作為SPWM的調製度K,與正弦波表相乘後形成新的波表進行生成SPWM波運算。用此方法後負載調整率降到了1%以下,圖5是反饋過程框圖。

圖5:PID反饋環框圖
2.4 輸入電流前饋實現過流保護
由(you)於(yu)輸(shu)出(chu)電(dian)流(liu)是(shi)交(jiao)流(liu),且(qie)與(yu)係(xi)統(tong)不(bu)共(gong)地(di),為(wei)了(le)不(bu)增(zeng)加(jia)係(xi)統(tong)的(de)複(fu)雜(za)度(du),本(ben)係(xi)統(tong)並(bing)沒(mei)有(you)直(zhi)接(jie)測(ce)量(liang)輸(shu)出(chu)電(dian)流(liu)來(lai)實(shi)現(xian)過(guo)流(liu)保(bao)護(hu),而(er)是(shi)測(ce)量(liang)係(xi)統(tong)的(de)輸(shu)入(ru)電(dian)流(liu),由(you)於(yu)實(shi)際(ji)中(zhong)輸(shu)入(ru)輸(shu)出(chu)滿(man)足(zu)Pout=Pin*η,erxiaolvsuiransuizhefuzaidebianhuaerbianhua,danshizongtilaishuoxiangduiwending,gukeyicaiyongercinihededaoxiaolvsuishurudianliubianhuadeguanxishi,zheyangkededaoshuchudianliubiaodashi:Iout=Uin*Iin*η/Uout,繼而實現輸出電流的監測。
3 逆變電源的應用前景
逆變電源具備以下優點:
(1)變頻,逆變電源能將市電轉換為用戶所需頻率的交流電。
(2)變相,逆變電源能將單相交流電轉轉為多相交流電,也能將多相交流電轉換為單向交流電。
(3)逆變電源能將直流電轉換為交流電,能將低質量的市電轉換為高質量的穩壓穩頻的交流電。
正zheng是shi由you於yu以yi上shang的de這zhe些xie優you點dian,使shi得de逆ni變bian電dian源yuan在zai生sheng活huo中zhong得de到dao了le廣guang泛fan的de應ying用yong。就jiu目mu前qian看kan來lai逆ni變bian電dian源yuan已yi經jing應ying用yong於yu航hang空kong,航hang海hai,電dian力li,鐵tie路lu交jiao通tong,郵you電dian通tong信xin等deng諸zhu多duo領ling域yu。而er且qie隨sui著zhe大da量liang研yan究jiu的de投tou入ru越yue來lai越yue多duo的de領ling域yu都dou出chu現xian了le逆ni變bian電dian源yuan的de身shen影ying。尤you其qi是shi讓rang全quan世shi界jie都dou十shi分fen關guan注zhu的de能neng源yuan問wen題ti和he環huan保bao問wen題ti,逆ni變bian電dian源yuan也ye正zheng在zai被bei用yong於yu其qi中zhong。現xian今jin最zui典dian型xing的de當dang屬shu太tai陽yang能neng光guang伏fu逆ni變bian器qi了le,它ta的de應ying用yong使shi太tai陽yang能neng發fa電dian直zhi接jie並bing入ru電dian網wang成cheng為wei了le可ke能neng。總zong而er言yan之zhi,越yue來lai越yue多duo的de新xin興xing領ling域yu都dou在zai逆ni變bian器qi的de伴ban隨sui之zhi下xia誕dan生sheng,縱zong觀guan它ta的de發fa展zhan趨qu勢shi,我wo們men不bu難nan知zhi道dao其qi應ying用yong前qian景jing一yi片pian大da好hao。
特別推薦
- 噪聲中提取真值!瑞盟科技推出MSA2240電流檢測芯片賦能多元高端測量場景
- 10MHz高頻運行!氮矽科技發布集成驅動GaN芯片,助力電源能效再攀新高
- 失真度僅0.002%!力芯微推出超低內阻、超低失真4PST模擬開關
- 一“芯”雙電!聖邦微電子發布雙輸出電源芯片,簡化AFE與音頻設計
- 一機適配萬端:金升陽推出1200W可編程電源,賦能高端裝備製造
技術文章更多>>
- 築基AI4S:摩爾線程全功能GPU加速中國生命科學自主生態
- 一秒檢測,成本降至萬分之一,光引科技把幾十萬的台式光譜儀“搬”到了手腕上
- AI服務器電源機櫃Power Rack HVDC MW級測試方案
- 突破工藝邊界,奎芯科技LPDDR5X IP矽驗證通過,速率達9600Mbps
- 通過直接、準確、自動測量超低範圍的氯殘留來推動反滲透膜保護
技術白皮書下載更多>>
- 車規與基於V2X的車輛協同主動避撞技術展望
- 數字隔離助力新能源汽車安全隔離的新挑戰
- 汽車模塊拋負載的解決方案
- 車用連接器的安全創新應用
- Melexis Actuators Business Unit
- Position / Current Sensors - Triaxis Hall
熱門搜索
微波功率管
微波開關
微波連接器
微波器件
微波三極管
微波振蕩器
微電機
微調電容
微動開關
微蜂窩
位置傳感器
溫度保險絲
溫度傳感器
溫控開關
溫控可控矽
聞泰
穩壓電源
穩壓二極管
穩壓管
無焊端子
無線充電
無線監控
無源濾波器
五金工具
物聯網
顯示模塊
顯微鏡結構
線圈
線繞電位器
線繞電阻



