數字控製器提高DC/DC效率的策略分析
發布時間:2013-06-08 責任編輯:lynn
【導讀】隨著各國能源價格的上升,環保意識的增強。數字控製未來將會因足以應對這些情況而被大力投入到電源製造裏麵,數字控製將會使得PSFB拓撲更易管理,也使之更易發揮出更高的效率。
隨著能源價格的上漲和各項“環保”計劃的成功開展,私營公司和政府監管部門對電源製造商的要求逐漸提高。歐盟委員會(歐盟(EU)的執行機構)和美國環境保護署(EPA)對服務器電源的要求進一步升級,現已涵蓋各種負載級別的效率以及待機功耗。服務器集群運營商也對電源製造商提出了類似要求。
由(you)於(yu)法(fa)規(gui)如(ru)此(ci)嚴(yan)格(ge),並(bing)且(qie)還(hai)有(you)許(xu)多(duo)法(fa)規(gui)即(ji)將(jiang)出(chu)台(tai),電(dian)源(yuan)製(zhi)造(zao)商(shang)正(zheng)逐(zhu)漸(jian)轉(zhuan)向(xiang)數(shu)字(zi)控(kong)製(zhi)。在(zai)全(quan)數(shu)字(zi)解(jie)決(jue)方(fang)案(an)中(zhong),完(wan)全(quan)可(ke)編(bian)程(cheng)的(de)數(shu)字(zi)信(xin)號(hao)控(kong)製(zhi)器(qi)(Digital Signal Controller,DSC)可直接生成用於控製功率電路級的PWM 信號。同時,控製器還能處理係統管理任務,例如數據記錄、通信和故障報告。這樣,電源設計人員可以在DSC 中zhong編bian寫xie高gao級ji控kong製zhi方fang法fa,而er在zai模mo擬ni設she計ji中zhong,這zhe即ji便bian可ke以yi實shi現xian也ye是shi極ji為wei困kun難nan的de。設she計ji人ren員yuan可ke利li用yong此ci功gong能neng靈ling活huo地di實shi現xian最zui終zhong客ke戶hu所suo需xu的de數shu據ju記ji錄lu和he通tong信xin標biao準zhun。
相移全橋(Phase-Shifted Full-Bridge,PSFB)拓撲是一種有潛力滿足未來電源效率需求的直流-直流轉換器。DSC的靈活性使得不穩定的PSFB 拓撲更易於管理,並可實現進一步提高PSFB效率的先進技術。
移相全橋拓撲的必然性
下麵我們將討論高頻工作所必需的簡單全橋拓撲,然後討論效率提高策略。
全橋轉換器
如圖1 所示,全橋轉換器使用四個開關(Q1、Q2、Q3 和Q4)進行配置。對角開關Q1、Q4 和Q2、Q3 同時導通時,將在變壓器的初級繞組上提供完整的輸入電壓(VIN)。在轉換器每半個周期中,對角開關Q1 和Q4 或Q2 和Q3 導(dao)通(tong),並(bing)且(qie)變(bian)壓(ya)器(qi)的(de)極(ji)性(xing)會(hui)在(zai)每(mei)半(ban)個(ge)周(zhou)期(qi)中(zhong)反(fan)轉(zhuan)。在(zai)全(quan)橋(qiao)轉(zhuan)換(huan)器(qi)中(zhong),給(gei)定(ding)功(gong)率(lv)下(xia)的(de)開(kai)關(guan)電(dian)流(liu)和(he)初(chu)級(ji)電(dian)流(liu)與(yu)半(ban)橋(qiao)轉(zhuan)換(huan)器(qi)相(xiang)比(bi)將(jiang)減(jian)半(ban)。這(zhe)種(zhong)電(dian)流(liu)減(jian)少(shao)使(shi)得(de)全(quan)橋(qiao)轉(zhuan)換(huan)器(qi)適(shi)用(yong) 於高功率等級。但是,對角的開關采用硬開關,當其導通和關斷時會導致較高的開關損耗。
guoqu,youyuheshidekongzhiqishangweichuxian,dianyuangongchengshibudebushiyongxiaolvjiaodideyingkaiguandianyuanzhuanhuanfangfa。zhexiefangfadesunhaosuipinlvdezengjiaerzengjia,yinerxianzhilegongzuopinlv,jinerxianzhiledianyuangaoxiaogongdiandenengli。

圖1:全橋轉換器
軟開關全橋(PSFB)拓撲
利用現有DSC,設計人員現在可考慮使用更高的工作頻率來減少電源中磁性元件和濾波電容的數量。頻率的升高會導致硬開關電源轉換器(例如傳統全橋轉換器)中產生更高的開關損耗。一種較好的替代方案是選擇相對複雜的軟開關方法來減少開關損耗並提供較高的功率密度。
PSFB 轉換器是一種軟開關拓撲,使用寄生電容(例如MOSFET 和IGBT 等開關器件的輸出電容)和變壓器的漏電感來實現諧振轉換。這種諧振轉換可以使開關器件在接通時兩端電壓為零,從而消除其接通時的開關損耗。
PSFB 轉換器已廣泛用於轉換器的功率密度和頻率至關重要的電信和服務器應用中。PSFB 轉換器的常規工作在許多文章中都有介紹,我們將在此基礎上展示DSC 如何進一步提高性能。

圖2:相移全橋轉換器
[page]
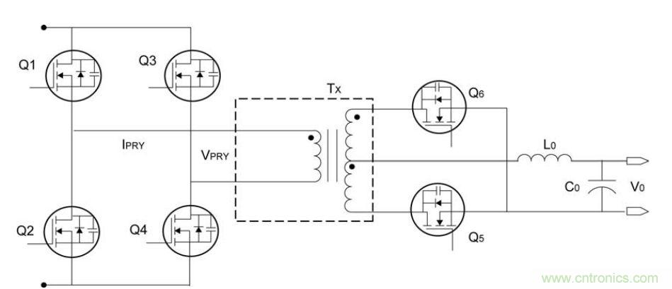
帶傳統同步MOSFET柵極驅動的相移全橋轉換器
為確保用戶安全以及符合監管機構製定的規則,大多數直流-直流轉換器設計有隔離變壓器。額定值較高的電源在初級設計有PSFB 拓撲,在次級設計有全波同步整流器,以實現較高效率。
在PSFB 轉換器中,如果使用傳統方法控製的同步MOSFET 配置,則MOSFET 的Q1、Q3 或Q2、Q4 應處於導通狀態。此時,沒有任何功率從初級傳輸到次級,並且MOSFET Q5 仍處於導通狀態。
由於轉換器的次級側存在電感(Lo),因此輸出電感中的能量在MOSFET Q5 和變壓器(Tx)的次級線圈之間循環。電流會通過MOSFET 的通道或通過MOSFET的內部二級管持續流經變壓器次級線圈。由於電流會從次級反射到初級,所以在初級的零狀態(初級到次級無任何能量傳輸)期qi間jian將jiang存cun在zai環huan流liu,這zhe會hui導dao致zhi轉zhuan換huan器qi中zhong出chu現xian損sun耗hao。與yu額e定ding輸shu入ru電dian壓ya的de情qing況kuang相xiang比bi,這zhe些xie環huan流liu損sun耗hao在zai較jiao高gao的de電dian壓ya下xia尤you其qi明ming顯xian。此ci外wai,為wei避bi免mian跨kua導dao,在zaiQ5 和Q6 MOSFET 柵極驅動之間有意地引入一個死區。在此期間,任何同步MOSFET均不會導通。因此,電流將流經MOSFET內部二極管。與MOSFET的Rds(ON)相比,這些MOSFET 內部二極管具有高正向壓降,即(VF * I)》(I2rms*Rds(on))。
通過疊加柵極驅動信號,可防止傳統的同步柵極驅動中產生較高損耗,這將在下一部分中介紹。

圖3:同步MOSFET 柵極驅動的傳統配置
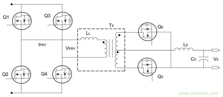
同步MOSFET 柵極驅動信號的疊加
通過疊加同步MOSFET的PWM柵極驅動信號,可避免在變壓器初級側的零狀態期間發生損耗。這將在以下三個方麵提高電源效率。
首先,在中心分接的全波整流器中,疊加同步MOSFET 的柵極驅動信號將消除變壓器次級中心分接線圈中的磁通,這樣在變壓器次級和初級之間實際上不會有磁通。
其次,兩個同步MOSFET 和兩個變壓器中心分接線圈同時導通,而不是一個同步MOSFET 和一個中心分接變壓器導通。因此,次級電流將隻有一半的有效電阻,與隻有一個同步MOSFET 導通的情況相比,損耗會降低一半。

圖4:疊加同步MOSFET 柵極驅動信號以提高效率
最後,在傳統的開關方法中,有意引入的死區可能為開關周期的10%,並且在該死區期間,高次級電流將流經MOSFET的高正向壓降內部二極管。通過配置同步MOSFET的PWM 柵極驅動信號疊加,高次級電流可流經MOSFET通道。在這種情況下,將隻有Rds(ON)損耗,其與死區中MOSFET內部二極管導致的損耗相比非常小。對於具有電信輸入(36 至76 VDC)的係統,通過疊加同步MOSFET柵極驅動信號,直流-直流轉換器的效率將提高3 - 4%.
實現這些技術需要靈活的具有完全獨立PWM 輸出的電源控製器。DSC提供了靈活性以及PWM外設,可輕鬆實現此技術和其他效率提升技術。
結論
PSFB 拓撲具有實現現代電源所需效率的潛力。數字控製使設計人員能夠非常精確地控製PSFB拓撲和實現高級控製技術(例如疊加同步MOSFET)。新拓撲、新技術及新理念正在推動電源進入二十一世紀。數字控製器已經為未來的電源需求做好了準備。
相關閱讀:
交流電機數字控製係統的構成及功能詳解
http://www.0-fzl.cn/motor-art/80020164
如何提升數字控製電源性能?MOSFET驅動器有辦法
http://www.0-fzl.cn/power-art/80019131
無線充電設計:隨時隨地進行智能充電
http://www.0-fzl.cn/sensor-art/80020927
特別推薦
- 噪聲中提取真值!瑞盟科技推出MSA2240電流檢測芯片賦能多元高端測量場景
- 10MHz高頻運行!氮矽科技發布集成驅動GaN芯片,助力電源能效再攀新高
- 失真度僅0.002%!力芯微推出超低內阻、超低失真4PST模擬開關
- 一“芯”雙電!聖邦微電子發布雙輸出電源芯片,簡化AFE與音頻設計
- 一機適配萬端:金升陽推出1200W可編程電源,賦能高端裝備製造
技術文章更多>>
- 築基AI4S:摩爾線程全功能GPU加速中國生命科學自主生態
- 一秒檢測,成本降至萬分之一,光引科技把幾十萬的台式光譜儀“搬”到了手腕上
- AI服務器電源機櫃Power Rack HVDC MW級測試方案
- 突破工藝邊界,奎芯科技LPDDR5X IP矽驗證通過,速率達9600Mbps
- 通過直接、準確、自動測量超低範圍的氯殘留來推動反滲透膜保護
技術白皮書下載更多>>
- 車規與基於V2X的車輛協同主動避撞技術展望
- 數字隔離助力新能源汽車安全隔離的新挑戰
- 汽車模塊拋負載的解決方案
- 車用連接器的安全創新應用
- Melexis Actuators Business Unit
- Position / Current Sensors - Triaxis Hall
熱門搜索
微波功率管
微波開關
微波連接器
微波器件
微波三極管
微波振蕩器
微電機
微調電容
微動開關
微蜂窩
位置傳感器
溫度保險絲
溫度傳感器
溫控開關
溫控可控矽
聞泰
穩壓電源
穩壓二極管
穩壓管
無焊端子
無線充電
無線監控
無源濾波器
五金工具
物聯網
顯示模塊
顯微鏡結構
線圈
線繞電位器
線繞電阻




