網友支招,步進電機驅動設計不再難
發布時間:2013-02-19 來源:電子元件技術網 責任編輯:hedyxing
【導讀】步進電機在工業控製中有著舉足輕重的地位,在步進電機驅動設計中,設計師難免會遇到各種讓人糾結、疑惑的問題。本次半月談集網友之智慧,詳細講解步進電機多種驅動方式、以及在設計中應注意的問題以及考慮的因素。

步進電機驅動方式有很多種,下文就分別講解恒電壓驅動方式和恒電流斬波驅動方式的不同之處。
恒電壓驅動方式
單電壓驅動
單電壓驅動是指在電機繞組工作過程中,隻用一個方向電壓對繞組供電。如圖1所示,L為電機繞組,VCC為電源。當輸入信號In為高電平時,提供足夠大的基極電流使三極管T處於飽和狀態,若忽略其飽和壓降,則電源電壓全部作用在電機繞組上。當In為低電平時,三極管截止,繞組無電流通過。

圖1 單電壓驅動原理圖
為使通電時繞組電流迅速達到預設電流,串入電阻Rc;為防止關斷T時繞組電流變化率太大,而產生很大的反電勢將T擊穿,在繞組的兩端並聯一個二極管D和電阻Rd,為繞組電流提供一個泄放回路,也稱“續流回路”。
單電壓功率驅動電路的優點是電路結構簡單、元件少、成本低、可靠性高。但是由於串入電阻後,功耗加大,整個功率驅動電路的效率較低,僅適合於驅動小功率步進電機。
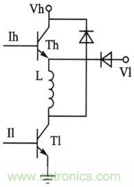
高低壓驅動
為了使通電時繞組能迅速到達設定電流,關斷時繞組電流迅速衰減為零,同時又具有較高的效率,出現了高低壓驅動方式。

圖2 高低壓驅動原理圖
如圖2所示,Th、T1分別為高壓管和低壓管,Vh、V1分別為高低壓電源,Ih、I1分fen別bie為wei高gao低di端duan的de脈mai衝chong信xin號hao。在zai導dao通tong前qian沿yan用yong高gao電dian壓ya供gong電dian來lai提ti高gao電dian流liu的de前qian沿yan上shang升sheng率lv,而er在zai前qian沿yan過guo後hou用yong低di電dian壓ya來lai維wei持chi繞rao組zu的de電dian流liu。高gao低di壓ya驅qu動dong可ke獲huo得de較jiao好hao的de高gao頻pin特te性xing,但dan是shi由you於yu高gao壓ya管guan的de導dao通tong時shi間jian不bu變bian,在zai低di頻pin時shi,繞rao組zu獲huo得de了le過guo多duo的de能neng量liang,容rong易yi引yin起qi振zhen蕩dang。可ke通tong過guo改gai變bian其qi高gao壓ya管guan導dao通tong時shi間jian來lai解jie決jue低di頻pin振zhen蕩dang問wen題ti,然ran而er其qi控kong製zhi電dian路lu較jiao單dan電dian壓ya複fu雜za,可ke靠kao性xing降jiang低di,一yi旦dan高gao壓ya管guan失shi控kong,將jiang會hui因yin電dian流liu太tai大da損sun壞huai電dian機ji。
相關閱讀:1、解析步進電機發熱問題及解決方法
http://www.0-fzl.cn/motor-art/80020199
2、對比分析:步進電機驅動電路優缺點
http://www.0-fzl.cn/motor-art/80020165
3、步進電機與伺服電機與的6個不同點
http://www.0-fzl.cn/motor-art/80020195
[page]
恒電流斬波驅動方式
自激式恒電流斬波驅動
圖3為自激式恒電流斬波驅動框圖。把步進電機繞組電流值轉化為一定比例的電壓,與D/Azhuanhuanqishuchudeyushezhijinxingbijiao,kongzhigonglvguandekaiguan,congerdadaokongzhiraozuxiangdianliudemude。conglilunshangjiang,zijishihengdianliuzhanboqudongkeyijiangdianjiraozudedianliukongzhizaimouyihengdingzhi。danyouyuzhanbopinlvshikebiande,huishiraozujiqihengaodelangyongdianya,yinerduikongzhidianluchanshenghendadeganrao,rongyichanshengzhendang,kekaoxingdadajiangdi。

圖3 自激式恒電流斬波驅動框圖
它激式恒電流斬波驅動
為了解決自激式斬波頻率可變引起的浪湧電壓問題,可在D觸發器加一個固定頻率的時鍾。這樣基本上能解決振蕩問題,但仍然存在一些問題。比如:當比較器輸出的導通脈衝剛好介於D觸發器的2個時鍾上升沿之間時,該控製信號將丟失,一般可通過加大D觸發器時鍾頻率解決。
細分驅動方式
這是本文討論的重點,也是該係統采用的驅動方法。細分驅動最主要的優點是步距角變小,分辨率提高,且提高了電機的定位精度、啟動性能和高頻輸出轉矩;qici,jianruohuoxiaochulebujindianjidedipinzhendong,jiangdilebujindianjizaigongzhenqugongzuodejilv。keyishuoxifenqudongjishushibujindiandongjiqudongyukongzhijishudeyigefeiyue。
細xi分fen驅qu動dong是shi指zhi在zai每mei次ci脈mai衝chong切qie換huan時shi,不bu是shi將jiang繞rao組zu的de全quan部bu電dian流liu通tong入ru或huo切qie除chu,而er是shi隻zhi改gai變bian相xiang應ying繞rao組zu中zhong電dian流liu的de一yi部bu分fen,電dian動dong機ji的de合he成cheng磁ci勢shi也ye隻zhi旋xuan轉zhuan步bu距ju角jiao的de一yi部bu分fen。細xi分fen驅qu動dong時shi,繞rao組zu電dian流liu不bu是shi一yi個ge方fang波bo而er是shi階jie梯ti波bo,額e定ding電dian流liu是shi台tai階jie式shi的de投tou入ru或huo切qie除chu。比bi如ru:電流分成n個台階,轉子則需要n次才轉過一個步距角,即n細分,如圖4所示。

圖4 二相電機細分電流階梯波
一般的細分方法隻改變某一相的電流,另一相電流保持不變。如圖所示,在O°~45°,Ia保持不變,Ib由O逐級變大;在45°~90°,Ib保持不變,Ia由額定值逐級變為0。該方法的優點是控製較為簡單,在硬件上容易實現;但由圖5所示的電流矢量合成圖可知,所合成的矢量幅值是不斷變化的,輸出力矩也跟著不斷變化,從而引起滯後角的不斷變化。當細分數很大、微步距角非常小時,滯後角變化的差值已大於所要求細分的微步距角,使得細分實際上失去了意義。
這就是目前常用的細分方法的缺陷,那麼有沒有一種方法讓矢量角度變化時同時保持幅值不變呢?由上麵分析可知,隻改變單一相電流是不可能的,那麼同時改變兩相電流呢?即Ia、Ib以某一數學關係同時變化,保證變化過程中合成矢量幅值始終不變。基於此,本文建立一種“額定電流可調的等角度恒力矩細分”驅動方法,以消除力距不斷變化引起滯後角的問題。如圖6所示,隨著A、B兩相相電流Ia、Ib的合成矢量角度不斷變化,其幅值始終為圓的半徑。

圖5 二相電機相電流矢量合成圖

圖6 電流可控的等角度恒力矩細分
下麵介紹合成矢量幅值保持不變的數學模型:當Ia=Im·cosx,Ib=Im·sinx時(式中Im為電流額定值,Ia、Ib為實際的相電流,x由細分數決定),其合成矢量始終為圓的半徑,即恒力距。
等角度是指合成的力臂每次旋轉的角度一樣。額定電流可調是指可滿足各種係列電機的要求。例如,86係列電機的額定電流為6~8 A,而57係列電機一般不超過6 A,驅動器有各種檔位電流可供選擇。細分為對額定電流的細分。
為實現“額定電流可調的等角度恒力距”,理論上隻要各相相電流能夠滿足以上的數學模型即可。這就要求電流控製精度非常高,不然Ia、Ib所合成的矢量角將出現偏差,即各步步距角不等,細分也失去了意義。
[page]
步進電機的選擇
步進電機有步距角(涉及到相數)、靜轉矩、及電流三大要素組成。一旦三大要素確定,步進電機的型號便確定下來了。
1、步距角的選擇
電機的步距角取決於負載精度的要求,將負載的最小分辨率(當量)換算到電機軸上,每個當量電機應走多少角度(包括減速)。電機的步距角應等於或小於此角度。目前市場上步進電機的步距角一般有0.36度/0.72度(五相電機)、0.9度/1.8度(二、四相電機)、1.5度/3度(三相電機)等。
2、靜力矩的選擇
步(bu)進(jin)電(dian)機(ji)的(de)動(dong)態(tai)力(li)矩(ju)一(yi)下(xia)子(zi)很(hen)難(nan)確(que)定(ding),我(wo)們(men)往(wang)往(wang)先(xian)確(que)定(ding)電(dian)機(ji)的(de)靜(jing)力(li)矩(ju)。靜(jing)力(li)矩(ju)選(xuan)擇(ze)的(de)依(yi)據(ju)是(shi)電(dian)機(ji)工(gong)作(zuo)的(de)負(fu)載(zai),而(er)負(fu)載(zai)可(ke)分(fen)為(wei)慣(guan)性(xing)負(fu)載(zai)和(he)摩(mo)擦(ca)負(fu)載(zai)二(er)種(zhong)。單(dan)一(yi)的(de)慣(guan)性(xing)負(fu)載(zai)和(he)單(dan)一(yi)的(de)摩(mo)擦(ca)負(fu)載(zai)是(shi)不(bu)存(cun)在(zai)的(de)。直(zhi)接(jie)起(qi)動(dong)時(shi)(一般由低速)時二種負載均要考慮,加速起動時主要考慮慣性負載,恒速運行進隻要考慮摩擦負載。一般情況下,靜力矩應為摩擦負載的2-3倍內好,靜力矩一旦選定,電機的機座及長度便能確定下來(幾何尺寸)
3、電流的選擇
靜力矩一樣的電機,由於電流參數不同,其運行特性差別很大,可依據矩頻特性曲線圖,判斷電機的電流。
4、力矩與功率換算
步進電機一般在較大範圍內調速使用、其功率是變化的,一般隻用力矩來衡量,力矩與功率換算如下:
p= ω·m
ω=2π·n/60
p=2πnm/60
其p為功率單位為瓦,ω為每秒角速度,單位為弧度,n為每分鍾轉速,m為力矩單位為牛頓·米
p=2πfm/400(半步工作)
其中f為每秒脈衝數(簡稱pps)
步進電機在應用中的注意點
1、步進電機應用於低速場合---每分鍾轉速不超過1000轉,(0.9度時6666pps),最好在1000-3000pps(0.9度)間使用,可通過減速裝置使其在此間工作,此時電機工作效率高,噪音低。
2、步進電機最好不使用整步狀態,整步狀態時振動大。
3、由於曆史原因,隻有標稱為12v電壓的電機使用12v外,其他電機的電壓值不是驅動電壓伏值 ,可根據驅動器選擇驅動電壓(建議:57byg采用直流24v-36v,86byg采用直流50v,110byg采用高於直流80v),當然12伏的電壓除12v恒壓驅動外也可以采用其他驅動電源, 不過要考慮溫升。
4、轉動慣量大的負載應選擇大機座號電機。
5、dianjizaijiaogaosuhuodaguanliangfuzaishi,yibanbuzaigongzuosuduqidong,ercaiyongzhujianshengpintisu,yidianjibushibu,erkeyijianshaozaoyintongshikeyitigaotingzhidedingweijingdu。
6、高精度時,應通過機械減速、提高電機速度,或采用高細分數的驅動器來解決,也可以采用5相電機,不過其整個係統的價格較貴,生產廠家少,其被淘汰的說法是外行話。
7、電機不應在振動區內工作,如若必須可通過改變電壓、電流或加一些阻尼的解決。
8、電機在600pps(0.9度)以下工作,應采用小電流、大電感、低電壓來驅動。
9、應遵循先選電機後選驅動的原則。
[page]
步進電機調速注意特點
步進電機高速不能直接使用普通的交直流電源,需要專用的伺服控製器,應注意以下特點:
1、keyiyongshuzixinhaozhijiejinxingkaihuankongzhi,zhenggexitongjiandanlianjia,weiyiyushurumaichongxinhaoshuxiangduiying,bujuwuchabuchangqijilei,kaihuankongzhixitongjijiandanyoujuyouyidingdejingdu; 在要求更高精度時,也可以采用閉環控製係統。
2、由於步進電機無刷,因此本體部件少,可靠性高。
3、易於起動,停止,正反轉,速度響應性好;停止時一般有自鎖能力。
4、步距角可在大範圍內選擇,在小步距情況下,能夠在超低轉速下高轉距穩定運行,可以不經減速器直接驅動負載。
5、速度可在相當寬範圍內平滑調節, 可以用一台控製器同時控製幾台步進電機完全同步運行。
6、步進電機帶慣性負載能力較差,由於存在失步和共振問題,步進電機的加減速方法在不同的應用狀態下,情況較為複雜。
步進電機定位不準怎麼辦?
在調機過程中發現步進電機定位不準現象怎麼辦?一般由以下幾方麵原因引起:
1、 改變方向時丟脈衝,表現為往任何一個方向都準,但一改變方向就累計偏差,並且次數越多偏得越多;
2、 初速度太高,加速度太大,引起有時丟步;
3、 在用同步帶的場合軟件補償太多或太少;
4、 馬達力量不夠;
5、 控製器受幹擾引起誤動作;
6、 驅動器受幹擾引起;
7、 軟件缺陷;
針對以上問題分析如下:
1)一般的步進驅動器對方向和脈衝信號都有一定的要求,如:方向信號在第一個脈衝上升沿或下降沿(不同的驅動器要求不一樣)到dao來lai前qian數shu微wei秒miao被bei確que定ding,否fou則ze會hui有you一yi個ge脈mai衝chong所suo運yun轉zhuan的de角jiao度du與yu實shi際ji需xu要yao的de轉zhuan向xiang相xiang反fan,最zui後hou故gu障zhang現xian象xiang表biao現xian為wei越yue走zou越yue偏pian,細xi分fen越yue小xiao越yue明ming顯xian,解jie決jue辦ban法fa主zhu要yao用yong軟ruan件jian改gai變bian發fa脈mai衝chong的de邏luo輯ji或huo加jia延yan時shi。
2)由於步進電機特點決定初速度不能太高,尤其帶的負載慣量較大情況下,建議初速度在1r/s以下,這樣衝擊較小,同樣加速度太大對係統衝擊也大,容易過衝,導致定位不準;電機正轉和反轉之間應有一定的暫停時間,若沒有就會因反向加速度太大引起過衝。
3)根據實際情況調整被償參數值,(因為同步帶彈性形變較大,所以改變方向時需加一定的補償)。
4)適當地增大馬達電流,提高驅動器電壓(注意選配驅動器),選扭矩大一些的馬達。
5)係統的幹擾引起控製器或驅動器的誤動作,我們隻能想辦法找出幹擾源,降低其幹擾能力(如屏蔽,加大間隔距離等),切斷傳播途徑,提高自身的抗幹擾能力,常見措施:
①用雙紋屏蔽線代替普通導線,係統中信號線與大電流或大電壓變化導線分開布線,降低電磁幹擾能力。
②用電源濾波器把來自電網的幹擾波濾掉,在條件許可下各大用電設備的輸入端加電源濾波器,降低係統內各設備之間的幹擾。
③設備之間最好用光電隔離器件進行信號傳送,在條件許可下,脈衝和方向信號最好用差分方式加光電隔離進行信號傳送。在感性負載(如電磁繼電器、電磁閥)兩端加阻容吸收或快速泄放電路,感性負載在開頭瞬間能產生10~100倍的尖峰電壓,如果工作頻率在20KHZ以上。
6)軟件做一些容錯處理,把幹擾帶來影響消除。
特別推薦
- 噪聲中提取真值!瑞盟科技推出MSA2240電流檢測芯片賦能多元高端測量場景
- 10MHz高頻運行!氮矽科技發布集成驅動GaN芯片,助力電源能效再攀新高
- 失真度僅0.002%!力芯微推出超低內阻、超低失真4PST模擬開關
- 一“芯”雙電!聖邦微電子發布雙輸出電源芯片,簡化AFE與音頻設計
- 一機適配萬端:金升陽推出1200W可編程電源,賦能高端裝備製造
技術文章更多>>
- 三星上演罕見對峙:工會集會討薪,股東隔街抗議
- 摩爾線程實現DeepSeek-V4“Day-0”支持,國產GPU適配再提速
- 築牢安全防線:智能駕駛邁向規模化應用的關鍵挑戰與破局之道
- GPT-Image 2:99%文字準確率,AI生圖告別“鬼畫符”
- 機器人馬拉鬆的勝負手:藏在主板角落裏的“時鍾戰爭”
技術白皮書下載更多>>
- 車規與基於V2X的車輛協同主動避撞技術展望
- 數字隔離助力新能源汽車安全隔離的新挑戰
- 汽車模塊拋負載的解決方案
- 車用連接器的安全創新應用
- Melexis Actuators Business Unit
- Position / Current Sensors - Triaxis Hall
熱門搜索
鑒頻器
江蘇商絡
交流電機
腳踏開關
接觸器接線
接近開關
接口IC
介質電容
介質諧振器
金屬膜電阻
晶體濾波器
晶體諧振器
晶體振蕩器
晶閘管
精密電阻
精密工具
景佑能源
聚合物電容
君耀電子
開發工具
開關
開關電源
開關電源電路
開關二極管
開關三極管
科通
可變電容
可調電感
可控矽
空心線圈

