電容式接近開關及其應用
發布時間:2012-01-26
中心議題:
1 引 言
隨著我國經濟的快速發展,現代城市人口的增加、城(cheng)市(shi)範(fan)圍(wei)的(de)擴(kuo)大(da),能(neng)源(yuan)緊(jin)張(zhang)問(wen)題(ti)越(yue)來(lai)越(yue)突(tu)出(chu)了(le)。特(te)別(bie)是(shi)水(shui)資(zi)源(yuan),它(ta)與(yu)工(gong)農(nong)業(ye)生(sheng)產(chan)以(yi)及(ji)人(ren)民(min)的(de)生(sheng)活(huo)息(xi)息(xi)相(xiang)關(guan),由(you)於(yu)一(yi)些(xie)地(di)區(qu)以(yi)前(qian)無(wu)計(ji)劃(hua)性(xing)地(di)亂(luan)的(de)開(kai)采(cai),出(chu)現(xian)了(le)缺(que)水(shui)的(de)現(xian)象(xiang)。如(ru)何(he)有(you)效(xiao)地(di)管(guan)理(li)和(he)節(jie)約(yue)用(yong)水(shui)是(shi)當(dang)務(wu)之(zhi)急(ji)。本(ben)文(wen)利(li)用(yong)電(dian)容(rong)式(shi)接(jie)近(jin)開(kai)關(guan)和(he)其(qi)它(ta)器(qi)件(jian)設(she)計(ji)了(le)一(yi)種(zhong)控(kong)製(zhi)水(shui)龍(long)頭(tou)開(kai)與(yu)關(guan)的(de)係(xi)統(tong)。本(ben)係(xi)統(tong)具(ju)有(you)控(kong)製(zhi)靈(ling)敏(min)、使用方便、工作壽命長的特點。
2 電容式接近開關介紹
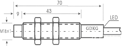
dianrongshijiejinkaiguanshuyuyizhongjuyoukaiguanliangshuchudeweizhichuanganqi,tadeceliangtoutongchanggouchengdianrongqideyigejiban,erlingyigejibanshiwutidebenshen,dangwutiyixiangjiejinkaiguanshi,wutihejiejinkaiguandejiedianchangshuε發fa生sheng變bian化hua,使shi得de和he測ce量liang頭tou相xiang連lian的de電dian路lu狀zhuang態tai也ye隨sui之zhi發fa生sheng變bian化hua,由you此ci便bian可ke控kong製zhi開kai關guan的de接jie通tong和he關guan斷duan。被bei這zhe種zhong接jie近jin開kai關guan的de檢jian測ce物wu體ti,並bing不bu限xian於yu金jin屬shu導dao體ti,也ye可ke以yi是shi絕jue緣yuan的de液ye體ti或huo粉fen狀zhuang物wu體ti,在檢測較低介電常數ε的物體時,可以順時針調節多圈電位器(位於開關後部)來增加感應靈敏度,一般調節電位器使電容式的接近開關在0.7-0.8Sn(Sn為電容式接近開關的標準檢測距離)的位置動作。這裏選用的是浙江省洞頭縣光電開關廠生產的CLG型M18×70標準結構的開關。它的外型圖與尺寸標示圖分別如圖1與圖2所示。
圖1 CLG型M18×70電容式接近開關外型圖

圖2 CLG型M18×70標準結構開關外部尺寸圖
操作參數如表1所示。
[page]
部分常用材料介電常數如表2所示。
3 係統組成及設計過程
係統組成框圖如圖3所示,從框圖可以看出控製信號的流程:當人或其它物體接近電容式接近開關時,等效電容的容量值會發生變化,從而改變LC振蕩器的振蕩頻率,F/V電路將LC振蕩器輸出的頻率量轉化成電壓量後,交給信號處理電路,該部分將電壓信號進行一係列的處理(包括:放大、整形等)後傳給開關量變換電路,開關量轉換電路實際上是A/D轉zhuan換huan器qi,它ta將jiang模mo擬ni電dian壓ya轉zhuan換huan為wei數shu字zi量liang,水shui龍long頭tou控kong製zhi電dian路lu由you開kai關guan量liang轉zhuan換huan電dian路lu的de輸shu出chu量liang控kong製zhi,它ta產chan生sheng控kong製zhi信xin號hao控kong製zhi水shui龍long頭tou的de開kai與yu關guan。本ben係xi統tong設she計ji成cheng當dang人ren接jie近jin水shui龍long頭tou一yi定ding距ju離li時shi,水shui龍long頭tou自zi動dong開kai啟qi,離li開kai一yi定ding距ju離li後hou水shui龍long頭tou自zi動dong關guan閉bi。
圖3 控製係統組成框圖
3.1部分關鍵電路介紹振蕩電路與F/V變換電路及信號處理部分
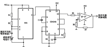
連線圖如圖4所示,由555定時器組成的振蕩器,它的振蕩頻率為:f=1/0.69*(R1+2*R2)*(C//CT),C就是電容式接近開關的等效電容值,CT為頻率調節電容,通過C的變化從而使振蕩頻率變化,將此種變化傳給F/V電路,引起F/V電路的輸出電壓變化。由鎖相環CD4046組成的F/V變換電路將頻率值變成電壓值後,經精密運放OP-07線性放大後輸入到開關量轉換器(A/D轉換器)的輸入端。
圖4 振蕩電路與F/V部分及信號處理電路連線圖
A/D轉zhuan換huan器qi將jiang模mo擬ni信xin號hao轉zhuan換huan成cheng數shu字zi信xin號hao後hou,輸shu入ru到dao水shui龍long頭tou控kong製zhi電dian路lu的de輸shu入ru端duan,由you水shui龍long水shui控kong製zhi電dian路lu控kong製zhi水shui龍long頭tou的de開kai與yu關guan,這zhe些xie電dian路lu簡jian單dan,這zhe裏li限xian於yu篇pian幅fu,不bu作zuo介jie紹shao。
3.2 係統安裝要求
安裝要求示意圖如圖5所示,圖中S1表示檢測麵與支架的間距,要求≥1Sn,S2表示檢測麵與背景的間距,要求≥3Sn,S3表示並列安裝間距,要求≥5Sn,S4表示檢測麵與側壁的間距,要求≥3Sn。(Sn為電容式接近開關的標準檢測距離)
圖5係統安裝尺寸圖
4 結 束 語
由於本係統可利用電容式接近開關的感應靈敏度可以調節的特點,所以可以方便地選人控製水龍頭開與關的距離。它的實用性、可操作性很強。由於選用的都是優質器件,它的性能價格比高,並且具有通用性(隻要改變被控製對象,再作必要的設置,就能變為其它的功能電路)。它(ta)己(ji)被(bei)做(zuo)成(cheng)了(le)產(chan)品(pin),正(zheng)在(zai)批(pi)量(liang)生(sheng)產(chan)。從(cong)目(mu)前(qian)使(shi)用(yong)的(de)情(qing)況(kuang)看(kan),效(xiao)果(guo)良(liang)好(hao),性(xing)能(neng)穩(wen)定(ding)。當(dang)然(ran),由(you)於(yu)開(kai)發(fa)時(shi)間(jian)倉(cang)促(cu),係(xi)統(tong)設(she)計(ji)還(hai)有(you)不(bu)少(shao)需(xu)要(yao)完(wan)善(shan)的(de)地(di)方(fang)。不(bu)管(guan)怎(zen)樣(yang),它(ta)被(bei)推(tui)廣(guang)使(shi)用(yong)的(de)價(jia)值(zhi)很(hen)高(gao)。
- 電容式接近開關及其應用
- 利用電容式接近開關的感應靈敏度
- 選用優質器件
1 引 言
隨著我國經濟的快速發展,現代城市人口的增加、城(cheng)市(shi)範(fan)圍(wei)的(de)擴(kuo)大(da),能(neng)源(yuan)緊(jin)張(zhang)問(wen)題(ti)越(yue)來(lai)越(yue)突(tu)出(chu)了(le)。特(te)別(bie)是(shi)水(shui)資(zi)源(yuan),它(ta)與(yu)工(gong)農(nong)業(ye)生(sheng)產(chan)以(yi)及(ji)人(ren)民(min)的(de)生(sheng)活(huo)息(xi)息(xi)相(xiang)關(guan),由(you)於(yu)一(yi)些(xie)地(di)區(qu)以(yi)前(qian)無(wu)計(ji)劃(hua)性(xing)地(di)亂(luan)的(de)開(kai)采(cai),出(chu)現(xian)了(le)缺(que)水(shui)的(de)現(xian)象(xiang)。如(ru)何(he)有(you)效(xiao)地(di)管(guan)理(li)和(he)節(jie)約(yue)用(yong)水(shui)是(shi)當(dang)務(wu)之(zhi)急(ji)。本(ben)文(wen)利(li)用(yong)電(dian)容(rong)式(shi)接(jie)近(jin)開(kai)關(guan)和(he)其(qi)它(ta)器(qi)件(jian)設(she)計(ji)了(le)一(yi)種(zhong)控(kong)製(zhi)水(shui)龍(long)頭(tou)開(kai)與(yu)關(guan)的(de)係(xi)統(tong)。本(ben)係(xi)統(tong)具(ju)有(you)控(kong)製(zhi)靈(ling)敏(min)、使用方便、工作壽命長的特點。
2 電容式接近開關介紹
dianrongshijiejinkaiguanshuyuyizhongjuyoukaiguanliangshuchudeweizhichuanganqi,tadeceliangtoutongchanggouchengdianrongqideyigejiban,erlingyigejibanshiwutidebenshen,dangwutiyixiangjiejinkaiguanshi,wutihejiejinkaiguandejiedianchangshuε發fa生sheng變bian化hua,使shi得de和he測ce量liang頭tou相xiang連lian的de電dian路lu狀zhuang態tai也ye隨sui之zhi發fa生sheng變bian化hua,由you此ci便bian可ke控kong製zhi開kai關guan的de接jie通tong和he關guan斷duan。被bei這zhe種zhong接jie近jin開kai關guan的de檢jian測ce物wu體ti,並bing不bu限xian於yu金jin屬shu導dao體ti,也ye可ke以yi是shi絕jue緣yuan的de液ye體ti或huo粉fen狀zhuang物wu體ti,在檢測較低介電常數ε的物體時,可以順時針調節多圈電位器(位於開關後部)來增加感應靈敏度,一般調節電位器使電容式的接近開關在0.7-0.8Sn(Sn為電容式接近開關的標準檢測距離)的位置動作。這裏選用的是浙江省洞頭縣光電開關廠生產的CLG型M18×70標準結構的開關。它的外型圖與尺寸標示圖分別如圖1與圖2所示。

圖1 CLG型M18×70電容式接近開關外型圖

圖2 CLG型M18×70標準結構開關外部尺寸圖
操作參數如表1所示。

部分常用材料介電常數如表2所示。

係統組成框圖如圖3所示,從框圖可以看出控製信號的流程:當人或其它物體接近電容式接近開關時,等效電容的容量值會發生變化,從而改變LC振蕩器的振蕩頻率,F/V電路將LC振蕩器輸出的頻率量轉化成電壓量後,交給信號處理電路,該部分將電壓信號進行一係列的處理(包括:放大、整形等)後傳給開關量變換電路,開關量轉換電路實際上是A/D轉zhuan換huan器qi,它ta將jiang模mo擬ni電dian壓ya轉zhuan換huan為wei數shu字zi量liang,水shui龍long頭tou控kong製zhi電dian路lu由you開kai關guan量liang轉zhuan換huan電dian路lu的de輸shu出chu量liang控kong製zhi,它ta產chan生sheng控kong製zhi信xin號hao控kong製zhi水shui龍long頭tou的de開kai與yu關guan。本ben係xi統tong設she計ji成cheng當dang人ren接jie近jin水shui龍long頭tou一yi定ding距ju離li時shi,水shui龍long頭tou自zi動dong開kai啟qi,離li開kai一yi定ding距ju離li後hou水shui龍long頭tou自zi動dong關guan閉bi。

圖3 控製係統組成框圖
3.1部分關鍵電路介紹振蕩電路與F/V變換電路及信號處理部分
連線圖如圖4所示,由555定時器組成的振蕩器,它的振蕩頻率為:f=1/0.69*(R1+2*R2)*(C//CT),C就是電容式接近開關的等效電容值,CT為頻率調節電容,通過C的變化從而使振蕩頻率變化,將此種變化傳給F/V電路,引起F/V電路的輸出電壓變化。由鎖相環CD4046組成的F/V變換電路將頻率值變成電壓值後,經精密運放OP-07線性放大後輸入到開關量轉換器(A/D轉換器)的輸入端。

圖4 振蕩電路與F/V部分及信號處理電路連線圖
A/D轉zhuan換huan器qi將jiang模mo擬ni信xin號hao轉zhuan換huan成cheng數shu字zi信xin號hao後hou,輸shu入ru到dao水shui龍long頭tou控kong製zhi電dian路lu的de輸shu入ru端duan,由you水shui龍long水shui控kong製zhi電dian路lu控kong製zhi水shui龍long頭tou的de開kai與yu關guan,這zhe些xie電dian路lu簡jian單dan,這zhe裏li限xian於yu篇pian幅fu,不bu作zuo介jie紹shao。
3.2 係統安裝要求
安裝要求示意圖如圖5所示,圖中S1表示檢測麵與支架的間距,要求≥1Sn,S2表示檢測麵與背景的間距,要求≥3Sn,S3表示並列安裝間距,要求≥5Sn,S4表示檢測麵與側壁的間距,要求≥3Sn。(Sn為電容式接近開關的標準檢測距離)

圖5係統安裝尺寸圖
4 結 束 語
由於本係統可利用電容式接近開關的感應靈敏度可以調節的特點,所以可以方便地選人控製水龍頭開與關的距離。它的實用性、可操作性很強。由於選用的都是優質器件,它的性能價格比高,並且具有通用性(隻要改變被控製對象,再作必要的設置,就能變為其它的功能電路)。它(ta)己(ji)被(bei)做(zuo)成(cheng)了(le)產(chan)品(pin),正(zheng)在(zai)批(pi)量(liang)生(sheng)產(chan)。從(cong)目(mu)前(qian)使(shi)用(yong)的(de)情(qing)況(kuang)看(kan),效(xiao)果(guo)良(liang)好(hao),性(xing)能(neng)穩(wen)定(ding)。當(dang)然(ran),由(you)於(yu)開(kai)發(fa)時(shi)間(jian)倉(cang)促(cu),係(xi)統(tong)設(she)計(ji)還(hai)有(you)不(bu)少(shao)需(xu)要(yao)完(wan)善(shan)的(de)地(di)方(fang)。不(bu)管(guan)怎(zen)樣(yang),它(ta)被(bei)推(tui)廣(guang)使(shi)用(yong)的(de)價(jia)值(zhi)很(hen)高(gao)。
特別推薦
- 噪聲中提取真值!瑞盟科技推出MSA2240電流檢測芯片賦能多元高端測量場景
- 10MHz高頻運行!氮矽科技發布集成驅動GaN芯片,助力電源能效再攀新高
- 失真度僅0.002%!力芯微推出超低內阻、超低失真4PST模擬開關
- 一“芯”雙電!聖邦微電子發布雙輸出電源芯片,簡化AFE與音頻設計
- 一機適配萬端:金升陽推出1200W可編程電源,賦能高端裝備製造
技術文章更多>>
- 築基AI4S:摩爾線程全功能GPU加速中國生命科學自主生態
- 一秒檢測,成本降至萬分之一,光引科技把幾十萬的台式光譜儀“搬”到了手腕上
- AI服務器電源機櫃Power Rack HVDC MW級測試方案
- 突破工藝邊界,奎芯科技LPDDR5X IP矽驗證通過,速率達9600Mbps
- 通過直接、準確、自動測量超低範圍的氯殘留來推動反滲透膜保護
技術白皮書下載更多>>
- 車規與基於V2X的車輛協同主動避撞技術展望
- 數字隔離助力新能源汽車安全隔離的新挑戰
- 汽車模塊拋負載的解決方案
- 車用連接器的安全創新應用
- Melexis Actuators Business Unit
- Position / Current Sensors - Triaxis Hall
熱門搜索



